
De XC3042-100PC84C is een CMOS SRAM-gebaseerde veldprogrammeerbare poortarray ontworpen voor configureerbare digitale logische implementatie.Hij behoort tot de XC3000-familie en wordt geleverd in een 84-pins PLCC-pakket.Het apparaat werkt met een voeding van 5 volt en heeft bij het opstarten configuratiegegevens nodig om de logische functies te definiëren.De interne structuur ondersteunt programmeerbare logische blokken en flexibele invoer- en uitvoerverbindingen voor besturings-, interface- en gegevensverwerkingstaken.Dit onderdeel wordt vaak gebruikt in embedded systemen, industriële apparatuur en oudere digitale platforms die aanpasbare hardwarelogica vereisen.Op zoek naar XC3042-100PC84C Neem contact met ons op om de huidige voorraad, levertijd en prijzen te controleren.

De grafiek toont de typische voedingsstroom op de verticale as in milliampère tegen de klokfrequentie op de horizontale as in megahertz, waarbij de stroom toeneemt met de bedrijfsfrequentie.Er worden twee bedrijfsmodi geïdentificeerd, genaamd Low Power en High Performance, elk weergegeven door een stijgende lijn.De Low Power-modus bereikt ongeveer 104 MHz bij een stroomsterkte van bijna 120 mA, terwijl de High Performance-modus zich uitstrekt tot ongeveer 178 MHz met een stroom die de 240 mA nadert.De lineaire trend in beide curven geeft de proportionele groei van het dynamische stroomverbruik aan naarmate de schakelfrequentie toeneemt, wat de frequentieafhankelijke vermogenskarakteristieken van het apparaat weerspiegelt.



XC3042-100PC84C biedt ongeveer 3000 bruikbare logische poorten voor het implementeren van digitale circuits.Deze capaciteit ondersteunt besturingslogica, dataroutering, statusmachines en rekenkundige bewerkingen binnen één programmeerbaar apparaat.Door meerdere logische functies in één component te integreren, wordt de behoefte aan afzonderlijke vaste logische IC's verminderd en worden compacte bordindelingen ondersteund.
Het apparaat bevat 144 configureerbare logische blokken die de kern vormen van de programmeerbare architectuur.Elk blok kan worden ingericht om combinatorische en sequentiële logische functies uit te voeren.Met deze structuur kunnen ontwerpers aangepast hardwaregedrag definiëren op basis van applicatievereisten, terwijl de voorspelbare digitale werking behouden blijft.
XC3042-100PC84C bevat 74 voor de gebruiker toegankelijke invoer- en uitvoerpinnen.Deze pinnen maken directe verbinding met extern geheugen, processors, besturingslijnen en communicatie-interfaces mogelijk.Het beschikbare I O-aantal ondersteunt flexibele systeemintegratie in embedded en legacy-platforms.
Het apparaat bevat in totaal 30.784 RAM-bits binnen de interne structuur.Dit geheugen kan worden gebruikt voor tijdelijke gegevensopslag, buffering en logicagerelateerde functies.Het ingebouwde RAM-geheugen vermindert de afhankelijkheid van extern geheugen voor gematigde opslagbehoeften.
XC3042-100PC84C werkt binnen een voedingsspanningsbereik van 4,75 volt tot 5,25 volt.Dit assortiment is afgestemd op standaard digitale systemen van 5 volt en ondersteunt compatibiliteit met op TTL en CMOS gebaseerde circuits die vaak worden gebruikt in gevestigde ontwerpen.
Het opgegeven bedrijfstemperatuurbereik is 0 graden Celsius tot 85 graden Celsius.Dit maakt het apparaat geschikt voor gecontroleerde commerciële en industriële binnenomgevingen waar stabiele thermische omstandigheden worden gehandhaafd.
Het apparaat wordt geleverd in een 84-pins Plastic Leaded Chip Carrier-pakket met J-kabels.Dit formaat voor opbouwmontage ondersteunt veilige bordbevestiging en efficiënt gebruik van de printplaatruimte in lay-outs met gemiddelde dichtheid.
XC3042-100PC84C maakt gebruik van een op SRAM gebaseerd configuratiesysteem.De logische configuratie wordt geladen bij het opstarten vanaf een externe bron, waardoor het apparaat opnieuw kan worden geprogrammeerd wanneer ontwerpupdates nodig zijn.Dit ondersteunt ontwerpflexibiliteit zonder hardwarevervanging.
Het apparaat volgt de architectuur van de XC3000 FPGA-familie.Het ondersteunt gevestigde configuratiemethoden en ontwerpbenaderingen die binnen deze productserie worden gebruikt, waardoor consistente integratie met gerelateerde apparaten mogelijk is.
De snelheidsgraad -100 definieert de timingprestatiecategorie van het apparaat.Het geeft de schakel- en voortplantingskarakteristieken binnen de XC3000-familie aan en ondersteunt stabiel en voorspelbaar digitaal signaalgedrag in praktische toepassingen.
| Productkenmerk | Kenmerkwaarde |
| Fabrikant | AMD Xilinx |
| Spanning - voeding | 4,75 V ~ 5,25 V |
| Totaal RAM-bits | 30784 |
| Apparaatpakket van leverancier | 84-PLCC (29,31x29,31) |
| Serie | XC3000 |
| Pakket / doos | 84-LCC (J-leiding) |
| Pakket | Dienblad |
| Bedrijfstemperatuur | 0°C ~ 85°C (TJ) |
| Aantal LAB’s/CLB’s | 144 |
| Aantal I/O | 74 |
| Aantal poorten | 3000 |
| Montagetype | Opbouwmontage |
| Basisproductnummer | XC3042 |
| RoHs-status | RoHS niet-conform |
| Vochtgevoeligheidsniveau (MSL) | 3 (168 uur) |
| REACH-status | BEREIK Onaangetast |
| ECCN | OOR99 |
| HTSUS | 8542.39.0001 |

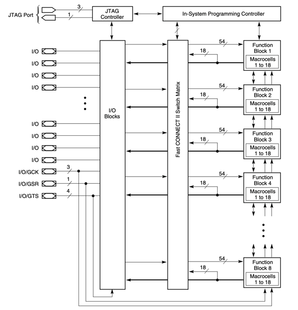
Het apparaat is opgebouwd rond acht functieblokken, die elk 18 macrocellen bevatten, en verbindt programmeerbare logische bronnen via een centrale FastCONNECT II-schakelmatrix die de interne signaalroutering beheert.Elk functieblok is gekoppeld aan de matrix met behulp van 54 invoerlijnen en 18 uitvoerpaden, en ondersteunt voorspelbare verbindingsvertragingen die typisch zijn voor CPLD-structuren.I/O-blokken aan de linkerkant bieden externe pinconnectiviteit en integreren globale besturingssignalen met de aanduiding I O GCK, I O GSR en I O GTS voor klok-, set-reset- en tristate-distributie.Bovenaan verschijnen een JTAG-controller en een systeemprogrammeringscontroller, die de naleving van de grensscan en herprogrammeerbare configuratiemogelijkheden aangeven.Vetgedrukte signaalpaden tonen directe verbindingen van functieblokuitgangen naar de I O-blokken, waardoor routeringstrappen voor geselecteerde uitgangen worden verminderd.

Testbelastingsconfiguratie verbindt de uitgang van het apparaat met een resistieve verdeler gevormd door R1 verbonden met VTEST en R2 verbonden met aarde, met een capacitieve belasting CL verbonden vanaf het uitgangsknooppunt met aarde.Het circuit modelleert uitgangsschakelomstandigheden voor AC-timingmetingen door gecontroleerde resistieve en capacitieve belasting te definiëren.Een tabel specificeert waarden voor twee werkingsniveaus, waarbij VCCIO en VTEST zijn ingesteld op 3,3 V met R1 van 320 ohm en R2 van 360 ohm, of 2,5 V met R1 van 250 ohm en R2 van 660 ohm, terwijl CL in beide gevallen 35 pF blijft.Deze configuratie stelt gestandaardiseerde belastingsparameters vast om de stijg- en daalkarakteristieken van de output te evalueren onder gedefinieerde spanningsomstandigheden.
De XC3042-100PC84C wordt veel gebruikt voor het onderhouden van embedded systemen die zijn ontwikkeld tijdens de vroege adoptie van programmeerbare logica.Veel besturingskaarten in productieapparatuur, instrumentatie en communicatiehardware zijn ontworpen rond de XC3000-architectuur.Wanneer deze systemen gerepareerd moeten worden, kan het apparaat de oorspronkelijke programmeerbare logica herstellen zonder de printplaat te wijzigen.Dit helpt het systeemgedrag, de timingrelaties en de signaalcompatibiliteit te behouden.
In industriële besturingsplatforms die zijn gebouwd met apparaten uit de XC3000-serie, beheert de XC3042-100PC84C de sequencing, signaalroutering en interfacecoördinatie tussen sensoren en actuatoren.Het werkbereik van 5 volt komt overeen met de logische niveaus die in oudere automatiseringssystemen worden gebruikt.Het apparaat kan timingcontrole, datapadbeheer en discrete logica-vervanging binnen programmeerbare hardware aan, waardoor een stabiele werking in langlopende productieomgevingen mogelijk is.
De XC3042-100PC84C wordt gebruikt in retrocomputerprojecten die tot doel hebben vroege programmeerbare logische ontwerpen te behouden of opnieuw te creëren.Het maakt het herstel mogelijk van uitbreidingskaarten, ontwikkelingsborden en interfacemodules die oorspronkelijk met XC3042-apparaten zijn gebouwd.Door dezelfde configuratiestructuur en pin-indeling te ondersteunen, wordt authentiek hardwaregedrag behouden terwijl herprogrammering mogelijk is wanneer ontwerpbestanden beschikbaar zijn.
Het apparaat dient als leerplatform voor het begrijpen van op SRAM gebaseerde FPGA-structuren van de eerste generatie.Studenten kunnen configureerbare logische blokken, interne geheugenbronnen en externe configuratiemethoden onderzoeken op een echt hardwareapparaat.Het werken met deze architectuur biedt praktisch inzicht in hoe vroege programmeerbare logische systemen werden georganiseerd en hoe digitale functies in hardware werden in kaart gebracht.
De XC3042-100PC84C fungeert als vervanging voor systemen die al componenten uit de XC3042-serie gebruiken.Het ondersteunt hetzelfde pakketformaat, spanningsbereik en dezelfde architectonische structuur, waardoor reparatie of renovatie van verouderde apparatuur mogelijk is.Deze aanpak verlengt de levensduur van oudere systemen zonder dat herontwerp of conversie naar nieuwere programmeerbare platforms nodig is.

De pakketillustratie toont het bovenaanzicht van een TQ144-apparaat met gelabelde onderdeelmarkeringsvelden die bestelinformatie definiëren.Het apparaattype wordt weergegeven als XC95xxxXL, wat de familieaanduiding aangeeft, terwijl de pakketcode TQ144 het 144-pins dunne quad-flat-pakket identificeert.De snelheidsklasse is gemarkeerd als 7C, waarbij de numerieke waarde de timingprestaties aangeeft en de letter het commerciële bedrijfstemperatuurbereik aangeeft.Er wordt een aparte horizontale lijn weergegeven die niet gerelateerd is aan het onderdeelnummer van het apparaat, waardoor traceerbaarheid of partij-informatie wordt onderscheiden van bestel-ID's.De locatie van pin 1 wordt gemarkeerd door een cirkelvormige indicator in een hoek om de oriëntatie van de verpakking te definiëren.
• Dankzij de op SRAM gebaseerde structuur kan logica opnieuw worden geprogrammeerd wanneer ontwerpwijzigingen nodig zijn
• De gevestigde XC3000-architectuur ondersteunt een stabiele werking in oudere systemen op de lange termijn
• Het voedingsbereik van 5 volt komt overeen met oudere TTL- en CMOS-logische niveaus
• Een gemiddeld aantal poorten is geschikt voor kleine tot middelgrote digitale besturingstaken
• Vaak geïntegreerd in eerdere embedded en industriële platforms
• 84-pins PLCC-pakket ondersteunt compacte opbouwbordindelingen
• 5 volt-werking past niet bij moderne digitale laagspanningssystemen
• De logische capaciteit is beperkt in vergelijking met de huidige generatie FPGA-apparaten
• Het stroomverbruik is hoger dan bij nieuwere programmeerbare logische laagspanningsfamilies
• Ontbreekt aan ingebouwde vermenigvuldigers en speciale signaalverwerkingsbronnen
• Bevat geen geavanceerd klokbeheer of snelle interfacefuncties
• De compatibiliteit van ontwikkeltools is beperkt in moderne FPGA-ontwerpomgevingen
| Onderdeelnummer | Fabrikant | Belangrijkste kenmerken | Gebruik case/notities |
| XC3042-100PQ100C | AMD | FPGA uit de XC3000-familie met ongeveer 3.000 systeempoorten en 144 configureerbare logische blokken.Werkt op een 5V-voeding en ondersteunt opbouwverpakkingen. | Gebruikt in oudere programmeerbare logica-ontwerpen, interfacecontrole en digitale toepassingen met matige dichtheid. |
| XC3042-125PQ100C | AMD | Gelijkaardig XC3042-apparaat met alternatieve snelheidsklasse.Biedt configureerbare logische bronnen en flexibele I/O in een PQFP-pakket. | Geschikt voor digitale besturings- en communicatiecircuits waarbij de timingvereisten gematigd zijn. |
| XC3030L-8VQ64C | AMD | Low-power FPGA uit de XC3000L-serie met configureerbare logicablokken en compact pakketontwerp.Ontworpen voor een lager energieverbruik. | Geschikt voor stroomgevoelige embedded systemen en consumentenelektronica. |
| XC3030L-8VQ64I | AMD | Industriële FPGA met laag vermogen, groter temperatuurbereik en flexibele programmeerbare logische bronnen. | Gebruikt in industriële besturings- en ingebedde systemen die een betrouwbare werking in zwaardere omgevingen vereisen. |
AMD Xilinx opereert als de adaptieve en embedded computing-divisie van Advanced Micro Devices, Inc. De organisatie vindt zijn oorsprong in Xilinx, Inc., opgericht in 1984 in Californië, waar het programmeerbare logische apparaten introduceerde die na productie konden worden geconfigureerd.In de loop der jaren breidde het bedrijf zich uit naar programmeerbare platforms die worden gebruikt in de communicatie-infrastructuur, industriële automatisering, ruimtevaartsystemen, auto-elektronica en datacenterversnelling.Het portfolio omvat programmeerbare logische apparaten, adaptieve systeem-op-chip-platforms, ontwikkelingssoftware en ontwerptools die aanpassing op hardwareniveau ondersteunen.Na de overname door AMD in 2022 werden de technologieën onderdeel van een breder halfgeleiderportfolio dat programmeerbare logica combineert met hoogwaardige verwerkingsoplossingen.
De XC3042-100PC84C biedt u een praktische manier om programmeerbare logica in 5V digitale systemen te beheren.Dankzij de op SRAM gebaseerde structuur kunt u de configuratie indien nodig opnieuw laden en bijwerken.Het biedt een solide mix van logische capaciteit, intern RAM en flexibele I/O-verbindingen.Dankzij het PLCC84-pakket is de integratie in veel bordlay-outs eenvoudig.Of u nu oudere apparatuur onderhoudt of aan restauratieprojecten werkt, dit apparaat helpt u de originele hardware soepel te laten werken.Het blijft een betrouwbare keuze als compatibiliteit en flexibiliteit belangrijk zijn.
Stuur een aanvraag, we zullen onmiddellijk reageren.
De XC3042-100PC84C is een CMOS SRAM-gebaseerde veldprogrammeerbare poort array (FPGA).Het behoort tot de XC3000-familie en biedt u de mogelijkheid om te definiëren aangepaste digitale logica door configuratiegegevens te laden bij het opstarten.Dit betekent dat u de manier waarop het werkt kunt wijzigen zonder de hardware te vervangen.
Het werkt binnen een bereik van 4,75V tot 5,25V, wat overeenkomt met standaard 5V digitale systemen.Dit maakt het compatibel met veel oudere TTL en CMOS circuits die vaak voorkomen in oudere borden.
Het apparaat biedt ongeveer 3000 bruikbare logische poorten en bevat 144 configureerbare logische blokken.Het beschikt ook over 74 voor de gebruiker toegankelijke I/O-pinnen en meer dan 30.000 bits intern RAM voor tijdelijke gegevensopslag en logische functies.
Ja, dat kan.Omdat het op SRAM gebaseerde configuratie gebruikt, kunt u nieuwe laden configuratiegegevens elke keer dat het systeem opstart.Hierdoor zijn updates mogelijk en ontwerpwijzigingen zonder de chip fysiek te vervangen.
Je vindt het vaak in embedded systemen, industriële besturing apparatuur en retrocomputerprojecten.Het is vooral handig wanneer het onderhouden of herstellen van hardware die rond de XC3000-architectuur is gebouwd.
Op 2026/02/18
Op 2026/02/16
Op 8000/04/17 147721
Op 2000/04/17 111782
Op 1600/04/17 111328
Op 0400/04/17 83649
Op 1970/01/1 79346
Op 1970/01/1 66806
Op 1970/01/1 62965
Op 1970/01/1 62855
Op 1970/01/1 54049
Op 1970/01/1 52032