
De EPF8282AVTC100-4 is een programmeerbaar logisch apparaat dat wordt gebruikt om aangepaste digitale circuits in elektronische systemen te implementeren.Het behoort tot een flexibele logicafamilie waarmee ontwerpers interne logische blokken en routeringspaden kunnen configureren om te voldoen aan specifieke besturings- of verwerkingstaken.Het apparaat bevat meerdere logische elementen die zijn gerangschikt in logische array-blokken en ondersteunt maximaal 78 invoer- en uitvoerverbindingen voor communicatie met omliggende circuits.Dankzij de interne routeringsstructuur kunnen signalen tussen logische blokken bewegen via programmeerbare paden.Het apparaat werkt op een standaardvoeding van 5 volt en is verpakt in een compacte 100-pins TQFP-vorm voor op het oppervlak gemonteerde printplaten.
Op zoek naar EPF8282AVTC100-4?Neem contact met ons op om de huidige voorraad, levertijd en prijzen te controleren.
Het apparaat maakt gebruik van een programmeerbare logische structuur waarmee digitale circuits kunnen worden gedefinieerd via configuratiegegevens.Logische elementen binnen de chip kunnen worden ingericht om besturingsfuncties, timingbewerkingen en gegevensverwerkingstaken uit te voeren binnen een enkel geïntegreerd circuit.
Logische elementen zijn gegroepeerd in logische arrayblokken die de basisstructuur van het apparaat vormen.Elk blok deelt lokale routeringsbronnen die signalen tussen elementen verdelen, waardoor gecoördineerde logische bewerkingen binnen het blok mogelijk zijn.
Een gestructureerd routeringsnetwerk verbindt logische blokken over het hele apparaat.Dankzij horizontale en verticale signaalpaden kunnen logische elementen in verschillende regio's gegevens uitwisselen via programmeerbare verbindingen.
Het apparaat ondersteunt maximaal 78 invoer- en uitvoerpinnen die interne logische signalen verbinden met externe circuits.Dankzij deze verbindingen kan de programmeerbare logische structuur communiceren met sensoren, processors en digitale besturingscircuits.
Dankzij transportverbindingen tussen logische elementen kunnen rekenkundige bewerkingen zoals optellen en tellen efficiënt worden uitgevoerd.Deze transportpaden helpen een voorspelbare signaalstroom te behouden wanneer rekenkundige logica wordt geïmplementeerd.
De interne structuur ondersteunt ongeveer 2500 equivalente logische poorten.Dankzij deze capaciteit kan het apparaat besturingslogica, gegevensverwerkingscircuits en interfacelogica implementeren binnen compacte elektronische systemen.
Het apparaat werkt binnen een voedingsspanningsbereik van 4,75 volt tot 5,25 volt.Dankzij dit assortiment kan het werken met gangbare digitale systemen die gebruik maken van standaard 5 volt stroomrails.
De chip is verpakt in een 100-pins TQFP-formaat, ontworpen voor opbouwmontage op printplaten.Dit pakket ondersteunt compacte bordindelingen en biedt tegelijkertijd toegang tot meerdere in- en uitgangsverbindingen.
| Productkenmerk | Kenmerkwaarde |
| Fabrikant | Intel |
| Spanning - voeding | 4,75 V ~ 5,25 V |
| Apparaatpakket van leverancier | 100-TQFP (14x14) |
| Serie | FLEX 8000 |
| Pakket / doos | 100-TQFP |
| Pakket | Dienblad |
| Bedrijfstemperatuur | 0°C ~ 70°C (TA) |
| Aantal logische elementen/cellen | 208 |
| Aantal LAB’s/CLB’s | 26 |
| Aantal I/O | 78 |
| Aantal poorten | 2500 |
| Montagetype | Opbouwmontage |
| Basisproductnummer | EPF8282 |
| Vochtgevoeligheidsniveau (MSL) | 3 (168 uur) |
| ECCN | 3A001A2A |
| HTSUS | 8542.39.0001 |

De FLEX 8000-architectuur is gestructureerd rond een raster van logische array-blokken die zijn verbonden door horizontale en verticale routeringskanalen en organiseert programmeerbare logische bronnen over het hele apparaat.Elk logisch arrayblok bevat meerdere logische elementen die configureerbare digitale functies implementeren en tussensignalen opslaan.FastTrack-verbindingslijnen lopen door de structuur en vormen het hoofdrouteringsnetwerk dat logische blokken door de hele chip met elkaar verbindt.Ingangs- en uitgangselementen verschijnen langs de buitenranden en vormen de interface tussen interne logische signalen en externe apparaatpinnen.Deze opstelling maakt het mogelijk dat signalen tussen logische blokken en I/O-verbindingen reizen via programmeerbare routeringspaden die over de interne lay-out zijn verdeeld.

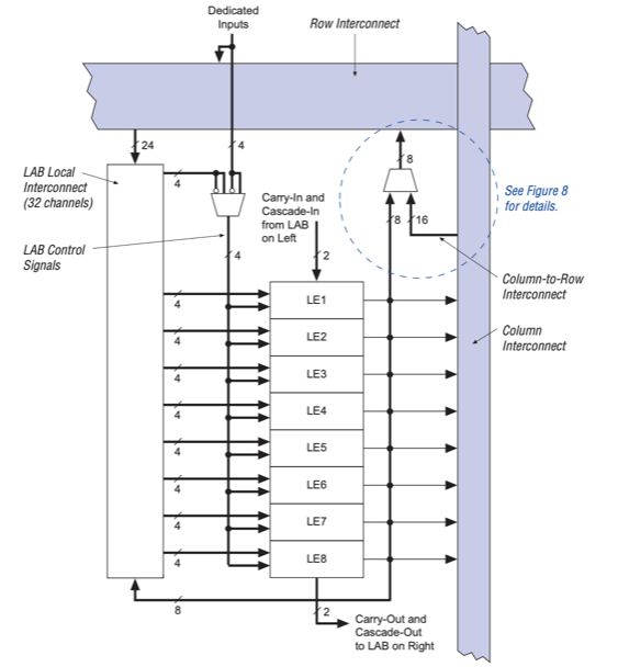
De interne structuur is gecentreerd rond een logisch arrayblok dat acht logische elementen groepeert, gelabeld LE1 tot en met LE8, verticaal gerangschikt om een programmeerbare logische eenheid te vormen.Signalen komen binnen via een lokaal verbindingsnetwerk dat meerdere routeringskanalen bevat die invoergegevens en besturingssignalen naar elk logisch element distribueren.Speciale ingangen worden rechtstreeks vanuit de rijverbinding gevoed, waardoor geselecteerde signalen het lokale routeringsnetwerk kunnen omzeilen.Carry-paden lopen van boven naar beneden door de logische elementen, ondersteunen rekenkundige bewerkingen en verbinden aangrenzende blokken via carry-in- en carry-out-verbindingen.Rij- en kolomverbindingslijnen verbinden het blok met het bredere routeringsnetwerk, waardoor signalen tussen aangrenzende logische array-blokken over het apparaat kunnen bewegen.

De lay-out van het testcircuit definieert de elektrische opstelling die wordt gebruikt om de AC-timingkarakteristieken van de apparaatuitgangen te meten.Een resistief netwerk verbindt het uitgangsknooppunt van het apparaat met de voeding en aarde via een pull-up-weerstand van 464 ohm en een pull-down-weerstand van 250 ohm, waardoor een gecontroleerde belastingstoestand ontstaat.Het meetpunt is verbonden met een testsysteem, terwijl een condensator met het label C1 de totale belastingscapaciteit vertegenwoordigt, inclusief de capaciteit van de armatuur.Signaalovergangen van het apparaat passeren dit netwerk terwijl de testapparatuur spanningsveranderingen en timinggedrag waarneemt.De stijg- en daaltijden van de invoer worden onder de drie nanoseconden gehouden om consistente schakelomstandigheden tijdens de meting te garanderen.
• Herprogrammeerbare logica maakt wijzigingen in het hardwareontwerp mogelijk zonder het apparaat te vervangen
• Flexibele architectuur ondersteunt aangepaste digitale logica-implementatie
• Geïntegreerde logische bronnen verminderen de behoefte aan meerdere discrete logische componenten
• Geschikt voor prototyping en iteratieve digitale systeemontwikkeling
• Standaard opbouwpakket ondersteunt geautomatiseerde PCB-assemblage
• Beperkte logische capaciteit vergeleken met moderne FPGA-apparaten met hoge dichtheid
• Werkt op een voeding van 5 volt, wat mogelijk niet overeenkomt met nieuwere laagspanningssystemen
• Commercieel temperatuurbereik is mogelijk niet geschikt voor extreme industriële omgevingen
• Verouderde productstatus kan de beschikbaarheid op lange termijn beperken
Programmeerbare logica in het apparaat kan sensoringangen, besturingssignalen en timingbewerkingen binnen industriële besturingssystemen coördineren.Het stelt ontwerpers in staat meerdere logische functies te combineren in één configureerbaar apparaat.
Communicatieapparatuur vereist vaak digitale logica die de signaaltiming en dataroutering beheert.Het apparaat kan interfacebesturingslogica implementeren die processors verbindt met externe communicatiecircuits.
Ontwikkelingssystemen vereisen soms flexibele hardware die digitale verwerkingsalgoritmen kan testen.Dankzij de programmeerbare structuur kunnen ingenieurs aangepaste signaalverwerkingslogica implementeren terwijl ze het circuitgedrag evalueren.
Ingebouwde elektronische producten gebruiken programmeerbare logica om digitale besturingstaken te beheren.Het apparaat kan systeemtiming, datapaden en hardwarebesturingssignalen coördineren binnen compacte ingebedde platforms.
Digitale consumentenproducten vereisen vaak besturingslogica die meerdere subsystemen met elkaar verbindt.Het apparaat kan timing, interfacecontrole en digitale verwerkingsfuncties combineren binnen één programmeerbare component.
| Onderdeelnummer | Fabrikant | Belangrijkste kenmerken | Gebruik case/notities |
| EPF8282ATC100-4 | Intel | Programmeerbaar logisch apparaat uit de FLEX 8000-familie dat ongeveer 2.500 bruikbare logische poorten en configureerbare logische array-blokken biedt.Het werkt met een 5 V-voeding en biedt veel programmeerbare I/O-pinnen voor digitale systeemintegratie. | Wordt vaak gebruikt in ingebedde besturingssystemen en interfacelogica waarbij verschillende digitale functies moeten worden gecombineerd in één programmeerbaar apparaat. |
| EPF8282ATC100-4N | Intel | Apparaat gebaseerd op de FLEX 8000-architectuur met programmeerbare logische cellen en configureerbare routeringsbronnen.Dankzij het ontwerp kunnen ingenieurs meerdere digitale functies binnen één geïntegreerd circuit implementeren. | Handig voor lijmlogica, digitale besturingscircuits en communicatie-interfaces waarvoor betrouwbare programmeerbare hardware vereist is. |
| EPF8282AVTC100-3 | Intel | Snellere versie van het EPF8282 programmeerbare logische apparaat dat vergelijkbare logische capaciteit biedt met verbeterde timingprestaties.Het omvat programmeerbare logische blokken en flexibele I/O-verbindingen voor digitaal circuitontwerp. | Geschikt voor systemen die een snellere digitale logische verwerking vereisen, inclusief communicatieapparatuur en realtime ingebedde besturingstoepassingen. |
Intel is een wereldwijd technologiebedrijf dat bekend staat om het ontwikkelen van halfgeleiderapparaten en computerplatforms die worden gebruikt in personal computers, servers en embedded systemen.Het bedrijf, opgericht in 1968, richt zich op het ontwerp van geïntegreerde schakelingen, microprocessors, programmeerbare logische apparaten en gegevensverwerkingstechnologieën.Het productportfolio omvat processors, netwerkcomponenten, geheugentechnologieën en programmeerbare logische oplossingen die worden gebruikt in industriële, communicatie- en computerapparatuur.Intel heeft bijgedragen aan de ontwikkeling van digitale computerarchitecturen en blijft een breed scala aan halfgeleidertechnologieën ondersteunen die in moderne elektronische systemen worden gebruikt.
Door met een programmeerbaar logisch apparaat zoals de EPF8282AVTC100-4 te werken, kunt u digitale circuits rechtstreeks in één component vormgeven.U kunt de interne logische elementen configureren om besturings-, signaalrouterings- of interfacetaken in ingebedde systemen uit te voeren.De FLEX 8000-architectuur organiseert logische blokken en routeringspaden zodat signalen op een gestructureerde manier door het apparaat bewegen.Met meerdere invoer- en uitvoerpinnen kan het apparaat eenvoudig worden aangesloten op omliggende hardware.Als u de structuur en functies ervan eenmaal begrijpt, kunt u zien hoe het flexibele digitale besturing in veel soorten elektronische apparatuur ondersteunt.
Stuur een aanvraag, we zullen onmiddellijk reageren.
De EPF8282AVTC100-4 is een veldprogrammeerbare poortarray die dit mogelijk maakt digitale circuits die kunnen worden geconfigureerd via programmeerbare logica in de chip.
Het behoort tot de FLEX 8000 FPGA-familie, die programmeerbaar organiseert logica in logische arrayblokken die zijn verbonden door een intern routeringsnetwerk.
Het apparaat ondersteunt maximaal 78 in- en uitgangsverbindingen communicatie tussen interne logische circuits en externe elektronica componenten.
Het wordt geleverd in een 100-pins TQFP-pakket dat is ontworpen voor opbouwmontage op printplaten.
Het kan worden gebruikt in embedded systemen, digitale besturingscircuits, communicatie-interfaces en andere elektronica die dit nodig heeft configureerbare digitale logica.
Op 2026/03/10
Op 2026/03/10
Op 8000/04/18 147766
Op 2000/04/18 111994
Op 1600/04/18 111351
Op 0400/04/18 83755
Op 1970/01/1 79550
Op 1970/01/1 66949
Op 1970/01/1 63094
Op 1970/01/1 63028
Op 1970/01/1 54094
Op 1970/01/1 52176