
LFSC3GA25E-7F900C is een programmeerbaar logisch apparaat dat is ontworpen om configureerbare digitale functies in ingebedde elektronische systemen te ondersteunen.Het apparaat bevat een op een raster gebaseerde logische structuur met duizenden programmeerbare elementen, interne geheugenbronnen en talrijke invoer- en uitvoerverbindingen voor externe communicatie.Dankzij de architectuur kunnen digitale circuits, besturingspaden en signaalverwerkingstaken binnen één enkele chip worden geïmplementeerd.Geïntegreerde routeringsnetwerken verbinden logische blokken en geheugensecties, zodat gegevens op een gestructureerde manier door het apparaat kunnen bewegen.De werking wordt ondersteund door een laag kernaanbod en een pakket met een hoog pinaantal, geschikt voor compacte bordindelingen.
Op zoek naar LFSC3GA25E-7F900C.Neem contact met ons op om de huidige voorraad, levertijd en prijzen te controleren.

Ingangs- en uitgangsbankopstelling gebruikt in de LFSC3GA25E-7F900C FPGA en laat zien hoe het apparaat zijn programmeerbare IO-bronnen organiseert in meerdere spanningsgestuurde gebieden.Acht banken zijn verdeeld over de omtrek van het apparaat en elke bank bevat gegroepeerde aansluitingen voor VCCIO-voeding, referentiespanningsingangen met de aanduiding VREF, afsluitspanningspinnen met de aanduiding VTT en aarde.Dankzij deze structuur kan elke bank met onafhankelijke elektrische omstandigheden werken, zodat verschillende signaalstandaarden aan afzonderlijke zijden van het apparaat kunnen worden ondersteund.SERDES-interfaceblokken verschijnen nabij de bovenste oevers om seriële communicatiekanalen met hoge snelheid te ondersteunen die zijn verbonden met nabijgelegen IO-regio's.De lay-out identificeert ook gedeelde referentiepinnen en stroomverbindingen die bepalen hoe externe signalen interageren met de interne programmeerbare logica via de opgeslagen IO-structuur.



Het apparaat integreert ongeveer vijfentwintigduizend programmeerbare logische elementen, gerangschikt in een georganiseerd raster.Deze logische cellen kunnen worden geconfigureerd om digitale besturingspaden, combinatorische logica en rekenkundige bewerkingen binnen ingebedde systemen te implementeren.
Interne geheugenbronnen bieden meer dan één megabit opslagcapaciteit voor het bufferen van gegevens en het ondersteunen van logische bewerkingen.Deze geheugenblokken zijn door het hele apparaat verdeeld, zodat logische circuits lokaal toegang hebben tot gegevens zonder lange routeringspaden.
Dankzij maximaal driehonderdachtenzeventig invoer- en uitvoerverbindingen kan het apparaat communiceren met sensoren, communicatie-interfaces en andere digitale componenten.De pinstructuur ondersteunt meerdere elektrische standaarden voor onafhankelijke IO-banken.
Interne klokbeheerblokken helpen bij het distribueren van timingsignalen over de programmeerbare logische structuur.Deze bronnen handhaven een gesynchroniseerde signaaltiming, zodat digitale bewerkingen in een ordelijke en voorspelbare volgorde plaatsvinden.
Speciale seriële interfaceblokken ondersteunen snelle communicatiekanalen voor gegevensoverdracht tussen systeemmodules.Deze blokken zijn verbonden met nabijgelegen IO-banken en helpen bij het handhaven van een stabiele signaaloverdracht in data-intensieve ontwerpen.
Gespecialiseerde interne verwerkingsblokken breiden het logische weefsel uit en stellen ontwerpers in staat herhaalde digitale structuren efficiënter te implementeren.Deze opstelling ondersteunt taken zoals pakketafhandeling, besturingssequencing en parallelle gegevensbewerkingen.
Een gestructureerd routeringsnetwerk verbindt logische cellen, geheugenblokken en interfacepinnen.Signalen kunnen langs meerdere paden door het netwerk reizen, waardoor ontwerpers digitale functies kunnen organiseren op manieren die passen bij de systeemarchitectuur.
Het apparaat is gehuisvest in een groot kogelrasterarraypakket dat compacte bordintegratie ondersteunt.Dankzij deze pakketstructuur kunnen veel elektrische verbindingen in een compact formaat worden gerangschikt voor geavanceerde elektronische assemblages.
| Productkenmerk | Kenmerkwaarde |
| Fabrikant | Rooster halfgeleider |
| Spanning - voeding | 0,95 V ~ 1,26 V |
| Totaal RAM-bits | 1966080 |
| Apparaatpakket van leverancier | 900-FPBGA (31x31) |
| Serie | SC |
| Pakket / doos | 900-BBGA |
| Pakket | Dienblad |
| Bedrijfstemperatuur | 0°C ~ 85°C (TJ) |
| Aantal logische elementen/cellen | 25000 |
| Aantal LAB’s/CLB’s | 6250 |
| Aantal I/O | 378 |
| Montagetype | Opbouwmontage |
| Basisproductnummer | LFSC3GA25 |
| RoHS-status | RoHS niet-conform |
| Vochtgevoeligheidsniveau (MSL) | 3 (168 uur) |
| REACH-status | BEREIK Onaangetast |
| ECCN | 3A991D |
| HTSUS | 8542.39.0001 |

Rastergebaseerde interne lay-out van de LFSC3GA25E-7F900C FPGA die de opstelling van programmeerbare logica, geheugenblokken, klokbronnen en hogesnelheidsinterfacestructuren toont.Programmeerbare functie-eenheden vormen het centrale logische weefsel waarin configureerbare digitale circuits worden geïmplementeerd.Gedistribueerde sysMEM ingebedde blok-RAM-secties zorgen voor interne gegevensopslag en buffering binnen de logische array.Programmeerbare I O-cellen langs de randen van het apparaat verbinden de interne logica met externe pinnen, waarbij elk programmeerbaar I O-cluster meerdere programmeerbare I O-verbindingen bevat.Quad SERDES-blokken en fysieke coderingssublaaginterfaces verschijnen in de buurt van de bovenste regio's om seriële communicatie met hoge snelheid te ondersteunen.Gestructureerde ASIC-blokken met het label MACO zijn geïntegreerd in de logische structuur om gespecialiseerde verwerkingsstructuren te ondersteunen.Klokbeheerbronnen met de naam sysCLOCK analoge PLL's en sysCLOCK DLL's worden aan de randen van de lay-out geplaatst om timingsignalen over de programmeerbare architectuur te genereren en te distribueren.

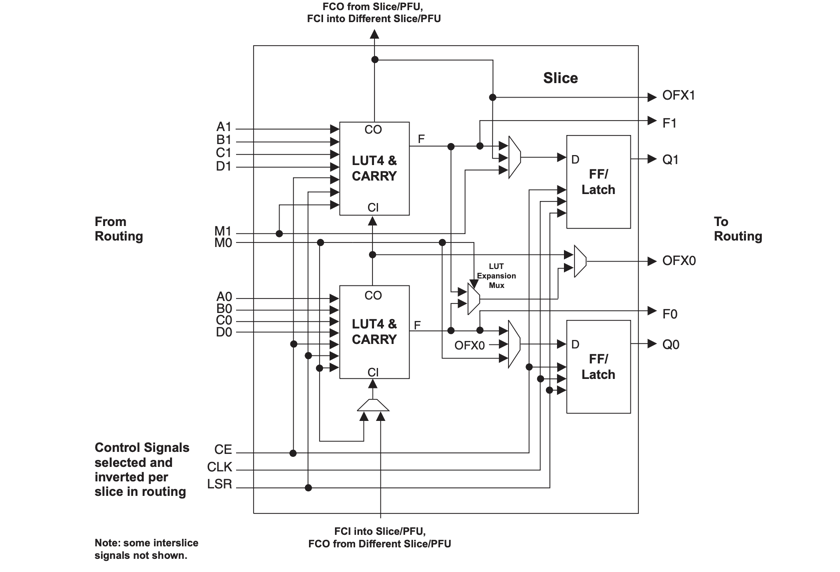
Interne structuur van een logische slice die wordt gebruikt binnen de programmeerbare functie-eenheid van de LFSC3GA25E-7F900C FPGA.Twee LUT4-blokken voeren combinatorische logische bewerkingen uit met behulp van vier ingangssignalen met de aanduiding A, B, C en D. Geïntegreerde carry-logica ondersteunt rekenkundige bewerkingen door carry-invoer- en carry-uitvoersignalen tussen aangrenzende plakjes te koppelen.Flipflop- of grendelelementen slaan uitgangsgegevens van de logische fase op en produceren geregistreerde uitgangen met de aanduiding Q0 en Q1.Stuuringangen zoals klok-, klok-inschakel- en instel- of resetsignalen regelen de sequentiële werking van de opslagelementen.Routeringsverbindingen aan de linker- en rechterrand verbinden de slice met het omringende programmeerbare interconnectienetwerk, waardoor signalen binnenkomen vanuit routeringsbronnen en verwerkte outputs terugsturen naar de routeringsstructuur.
Dankzij programmeerbare logische bronnen kan het apparaat timingreeksen, signaalroutering en digitale besturingstaken in geautomatiseerde apparatuur beheren.Het kan meerdere sensoren en actuatoren coördineren, terwijl de digitale verwerking binnen het besturingssysteem stabiel blijft.
Communicatieapparatuur vereist vaak flexibele digitale verwerking voor gegevensverwerking en interfacecontrole.Het apparaat kan binnenkomende datastromen verwerken, routeringslogica organiseren en communicatieverbindingen binnen netwerkhardware ondersteunen.
Embedded systemen gebruiken programmeerbare logica om de gegevensstroom tussen processors, geheugen en interface-apparaten te beheren.Het apparaat kan aangepaste digitale paden implementeren die het systeemgedrag aanpassen aan specifieke applicatievereisten.
Meetsystemen verzamelen vaak signalen van meerdere bronnen tegelijkertijd.De programmeerbare logische structuur kan binnenkomende digitale signalen organiseren, de timing uitlijnen en de gegevens voorbereiden voor verdere verwerking of overdracht.
Het apparaat kan configureerbare rekenkundige en logische bewerkingen implementeren die signaalverwerkingsfuncties ondersteunen.Digitale filters, regellussen en datatransformatietaken kunnen direct binnen de programmeerbare logische structuur worden geïmplementeerd.
• Grote programmeerbare logische capaciteit ondersteunt complexe digitale functies
• Een groot aantal in- en uitgangsverbindingen maakt flexibele systeemintegratie mogelijk
• Ingebouwde geheugenblokken zorgen voor interne gegevensopslag en buffering
• Dankzij de herconfigureerbare logische structuur kunnen hardwarefuncties worden bijgewerkt via ontwerpwijzigingen
• Meerdere I O-banken maken verschillende signaalstandaarden mogelijk binnen één apparaat
• Het ontwerpproces vereist gespecialiseerde ontwikkeltools en configuratieworkflows
• De complexiteit van apparaten kan de systeemontwerptijd tijdens de ontwikkeling verlengen
• Een groot pakketformaat vereist een zorgvuldige lay-out van de printplaat
• Er moet rekening worden gehouden met energiebeheer als er veel logische bronnen actief zijn
| Onderdeelnummer | Fabrikant | Belangrijkste kenmerken | Gebruik case/notities |
| LFSC3GA25E-7FFN1020C | Lattice Semiconductor Corporation | FPGA-apparaat uit de SC-familie met ongeveer 25.000 logische elementen, ingebouwde geheugenbronnen en een groot aantal programmeerbare I/O-pinnen.Het maakt gebruik van een BGA-pakket met fijne pitch dat compacte circuitlay-outs en complexe digitale ontwerpen ondersteunt. | Gebruikt in ingebedde besturingssystemen, communicatie-interfaces en industriële elektronica waar programmeerbare hardware en hoge I/O-connectiviteit nodig zijn. |
| LFSC3GA25E-7FFA1020C | Lattice Semiconductor Corporation | Programmeerbare FPGA met vergelijkbare logicabronnen in de LFSC3GA25E-serie.Biedt configureerbare logische blokken, ingebed geheugen en flexibele digitale routering waarmee ontwerpers aangepaste digitale circuits kunnen implementeren. | Geschikt voor digitale signaalverwerking, interface-overbrugging en programmeerbare hardwarebesturing in ingebedde elektronica en communicatiesystemen. |
| LFSC3GA25E-6FN900C | Lattice Semiconductor Corporation | FPGA-apparaat met ongeveer 25.000 logische elementen en geïntegreerde geheugenblokken ontworpen voor programmeerbare digitale hardware.Het pakket biedt veel I/O-verbindingen die complexe systeemintegratie ondersteunen. | Vaak gebruikt in industriële besturingssystemen, embedded computerplatforms en netwerkapparatuur die een flexibele hardwareconfiguratie vereisen. |
Lattice Semiconductor is een halfgeleiderbedrijf opgericht in 1983 en heeft zijn hoofdkantoor in Hillsboro Oregon in de Verenigde Staten.Het bedrijf ontwikkelt programmeerbare logische apparaten en aanverwante technologieën die worden gebruikt in computers, communicatie, industriële systemen en consumentenelektronica.De productlijnen omvatten in het veld programmeerbare gate-arrays, programmeerbare logische apparaten en interface-oplossingen die zijn ontworpen om flexibel digitaal systeemontwerp te ondersteunen.Lattice-apparaten worden veel gebruikt in ingebedde systemen waar programmeerbare hardwarefuncties helpen bij het beheren van gegevensverwerking, besturingslogica en signaalroutering binnen compacte elektronische platforms.
De LFSC3GA25E-7F900C FPGA combineert programmeerbare logica, ingebed geheugen en flexibele ingangs-uitgangsverbindingen binnen één enkel apparaat.Door de architectuur te begrijpen, kun je zien hoe digitale logische functies zijn georganiseerd en hoe signalen door het programmeerbare weefsel reizen.Dankzij functies zoals configureerbare logische elementen, routeringsnetwerken en klokbeheerblokken kan het apparaat vele systeemontwerpen ondersteunen.De structuur maakt het geschikt voor gegevensverwerking, besturingslogica en communicatiehardware.Wanneer u de diagrammen en specificaties verkent, krijgt u een duidelijker beeld van hoe programmeerbare hardware aanpasbare elektronische systemen ondersteunt.
Alle ontwikkelaarspakket Mark Chg 12/nov/2018.pdf
Stuur een aanvraag, we zullen onmiddellijk reageren.
LFSC3GA25E-7F900C is een veldprogrammeerbare poortarray, of FPGA, die maakt het mogelijk om digitale logische circuits via hardware te configureren programmering.Het bevat programmeerbare logische blokken, routeringsbronnen, en geheugenelementen in één enkele chip.
Logische elementen zijn kleine programmeerbare eenheden binnen de FPGA die digitale bewerkingen uitvoeren, zoals logische vergelijkingen en rekenkunde taken en signaalverwerking.Duizenden van deze elementen werken samen om aangepaste hardwarefuncties te creëren.
Ingangsuitgangsbanken groeperen sets pinnen die stroom en referentie delen spanningen.Elke bank kan verschillende elektrische standaarden ondersteunen maakt het mogelijk dat signalen van meerdere interfaces verbinding maken met hetzelfde apparaat.
Ingebouwde geheugenblokken slaan gegevens op binnen de FPGA, dus logische circuits kan snel toegang krijgen tot informatie.Deze blokken worden gebruikt voor buffering gegevens, tijdelijke opslag en ondersteunende signaalverwerkingstaken.
Deze FPGA wordt vaak gebruikt in industriële communicatiesystemen besturingshardware, digitale signaalverwerkingsapparatuur en embedded elektronische platforms waar programmeerbare digitale logica nodig is.
Op 2026/03/10
Op 2026/03/10
Op 8000/04/18 147774
Op 2000/04/18 112017
Op 1600/04/18 111351
Op 0400/04/18 83771
Op 1970/01/1 79568
Op 1970/01/1 66961
Op 1970/01/1 63102
Op 1970/01/1 63041
Op 1970/01/1 54097
Op 1970/01/1 52185