
De MPC8245LZU300D Van NXP USA Inc. is een krachtige geïntegreerde processor op basis van de PowerPC 603E-kern, geoptimaliseerd voor ingebedde toepassingen die efficiënt kosten, ruimte en energiebeheer vereisen.Deze variant werkt met een kernsnelheid van 300 MHz en ondersteunt tot 2 GB SDRAM, waardoor het geschikt is voor veeleisende toepassingen.Het beschikt over een 32-bit PCI-interface die in staat is om 66 MHz te zijn, waardoor de compatibiliteit met een verscheidenheid aan PCI-randapparatuur wordt verbeterd.Geïntegreerde functionaliteiten zijn onder andere dubbele universele asynchrone ontvanger-transmitters (Duarts), een I²C-controller en een tweekanaals DMA-controller, onder andere, die bijdragen aan de veelzijdigheid ervan bij het efficiënt omgaan met complexe verwerkingstaken.De MPC8245LZU300D is verpakt in een 352-ball tape balletarray (TBGA) configuratie en zorgt voor een compacte voetafdruk met robuuste prestaties in temperaturen variërend van 0 ° C tot 105 ° C.
Als u op zoek bent naar een bulkorder voor de MPC8245LZU300D, overweeg dan om bij ons te kopen.We zullen ervoor zorgen dat u de beste deal krijgt en deze krachtige processor volledig kunt benutten voor uw komende projecten.
Superscalar -architectuur:Stelt de processor in staat om meerdere instructies per klokcyclus uit te voeren, waardoor de efficiëntie en snelheid van de kern wordt verhoogd.
Geïntegreerde caches:Functies 16 kb instructiecache en 16 kb aan datacache, die gedeeltelijk of volledig kunnen worden vergrendeld.Dit helpt bij het minimaliseren van de tijd die nodig is om toegang te krijgen tot vaak gebruikte gegevens, waardoor de verwerking wordt versneld.
Dynamisch energiebeheer:Bevat modes voor energiebeheer zoals NAP, DOZE en SLAAP, die helpen het stroomverbruik te verminderen op basis van de operationele eisen van de processor.
SDRAM -ondersteuning:Kan tot 2 GB SDRAM over een 32- of 64-bit gegevensbus aan.Het ondersteunt meerdere configuraties, die geschikt zijn voor verschillende maten en soorten geheugenbanken.
Foutcorrectie:Maakt gebruik van mechanismen zoals schrijfbuffering voor PCI- en processor-toegang, met ondersteuning voor gegevensintegriteitstechnieken zoals pariteit, lees-modificatiebrite-bewerkingen of ECC (fouten-correctiecode).
Veelzijdige ROM- en I/O -interfaces:Ondersteunt verschillende soorten ROM- en Flash-geheugen en biedt meerdere I/O-poorten voor algemene doeleinden, waardoor het zich kan aanpassen aan verschillende systeemarchitecturen.
32-bit PCI-bus:Werkt met snelheden tot 66 MHz en voldoet aan de PCI 2.2 -normen.Het is ook in staat om te interfaceren met een reeks PCI-randapparatuur dankzij de 5,0-V-tolerantie.
Dubbele kanaalondersteuning:Beschikt over een tweekanaals DMA-controller die directe en ketenmodi ondersteunt, die gegevensoverdrachten kunnen automatiseren en koppelen voor efficiëntere gegevensverwerking.
Scatter-Gather-mogelijkheden:Faciliteert bewerkingen waarbij het lezen van of schrijven naar niet-aaneengesloten geheugensecties omvat, uitgerust met een overdrachtswachtrij en meerdere interrupt-opties om gegevenstransfers effectief te beheren.
Communicatie -interfaces:Bevat twee UART's voor seriële communicatie en een I²C -controller die zowel master- als slavenmodi ondersteunt, waardoor verschillende communicatiebehoeften mogelijk zijn.
Programmeerbare interruptcontroller:Biedt een robuust beheer van hardware- en seriële onderbrekingen, waardoor het reactievermogen en de controle van het systeem wordt verbeterd.
Timers en klokgeneratie:Neemt vier programmeerbare timers en ingebouwde mechanismen op voor het genereren van klokken voor de PCI-bus en SDRAM, waardoor nauwkeurige timing en synchronisatie over verschillende systeemcomponenten worden gewaarborgd.

De MPC8245LZU300D -blokdiagram laat zien hoe de processor en randapparatuur op elkaar inwerken.Het heeft twee hoofdsecties: de Processor kernblok en de Perifeer logisch blok.Het kernblok van de processor behandelt berekeningen.Het omvat de Branch Processing Unit (BPU),, Integer Unit (IU),, Floating-Point Unit (FPU), En Load/Store -eenheid (LSU).Instructies worden opgehaald, verwerkt en efficiënt uitgevoerd met behulp van 16-kbyte gegevens en instructie caches.De Memory Management Units (MMU's) Beheer geheugentoegang.De Perifeer logisch blok Verbindt de processor met externe apparaten.Het bevat een DMA -controller voor snelle geheugenoverdrachten, een I²C -controller voor communicatie, en een Berichteenheid voor invoer-/uitvoerbewerkingen.De PCI -businterface Ondersteunt een 32-bit PCI-verbinding voor uitbreiding.A Geheugencontroller behandelt systeemgeheugen, inclusief Sdram Synchronisatieklokken.Voor systeembesturing heeft het een Pic Interrupt Controller Dat beheert onderbrekingen uit verschillende bronnen.De Gegevenspad ECC -controller Zorgt voor gegevensintegriteit, ondersteunt 32-bit of 64-bits databussen met pariteit of ECC (foutencorrectiecode).Kloksignalen zoals Osc_in En Pci_sync_in Houd alles gesynchroniseerd voor een soepele werking.

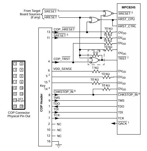
De COP -connectordiagram Voor de MPC8245LZU300D toont de foutopsporings- en reset -interface die wordt gebruikt voor het testen en probleemoplossing van de processor.De 16-pins cop-header verbindt de processor extern Jtag/agent Debugging -tools.Belangrijkste signalen omvatten Sreset,, HRESET, En Cop_hreset, welk controlesysteem wordt gereset.De Hrst_ctrl Input helpt resets te coördineren met behulp van logische poorten.De Cop_trst reset de Jtag Testlogica.De JTAG -signalen: TMS,, TDO,, TDI, En Tck worden gebruikt voor grensscan en in-circuit debuggen.De Chkstop_in Signaalbesturing Processor klokken tijdens foutopsporing, terwijl Vdd_sense monitoren systeemspanning.Pull-up en pull-down weerstanden (10 kΩ, 1 kΩ) helpen signalen te stabiliseren.De Qack Signaal helpt bij het debuggen van coördinatie.De Cop -connector volgt standaard JTAG -pinout, waardoor het gemakkelijk is om verbinding te maken met foutopsporingstools.
|
Type |
Parameter |
|
Fabrikant |
NXP USA Inc. |
|
Serie |
MPC82XX |
|
Verpakking |
Dienblad |
|
Onderdeelstatus |
Verouderd |
|
Kernprocessor |
PowerPC 603E |
|
Aantal kernen/busbreedte |
1 kern, 32-bit |
|
Snelheid |
300 MHz |
|
RAM -controllers |
Sdram |
|
Grafische versnelling |
Nee |
|
Spanning - I/O |
3.3V |
|
Bedrijfstemperatuur |
0 ° C ~ 105 ° C (TA) |
|
Montagetype |
Oppervlaktemontage |
|
Pakket / kast |
352-lbga |
|
Leverancierapparaatpakket |
352-TBGA (35x35) |
|
Extra interfaces |
I2c, i²o, pci, uart |
|
Base Productnummer |
MPC82 |
Netwerkapparatuur
De MPC8245LZU300D is ideaal geschikt voor netwerkapparaten zoals routers, schakelaars en netwerkinterfacekaarten.De robuuste PCI-interface en geïntegreerde communicatie-randapparatuur maken high-speed gegevensoverdrachten en efficiënt beheer van meerdere communicatieprotocollen mogelijk.Deze mogelijkheid verbetert de prestaties en betrouwbaarheid van netwerkactiviteiten.
Industriële automatisering
In de industriële automatisering speelt deze processor een rol bij het aandrijven van systemen zoals programmeerbare logische controllers (PLC's), machine -interfaces (HMIS) en andere automatiseringsmachines.Het vermogen van de processor om controle- en monitoringtaken af te handelen, maakt het een belangrijk onderdeel in moderne industriële omgevingen, waardoor nauwkeurig en efficiënt procesbeheer wordt gewaarborgd.
Opslagoplossingen
De geavanceerde geheugeninterface en DMA-mogelijkheden van de MPC8245LZU300D maken het een uitstekende keuze voor opslaggerelateerde applicaties, waaronder RAID-controllers en opslaggebiednetwerken (SANS).Het blinkt uit in het beheren van high-speed gegevenstoegang en efficiënt opslagbeheer, die geweldig zijn in omgevingen waar gegevensintegriteit en snelle toegang prioriteiten zijn.
Telecommunicatie
Deze microprocessor is goed geschikt voor gebruik in telecommunicatieapparatuur, zoals basisstations en gateways.Het vermogen om meerdere gegevensstromen efficiënt af te handelen en verschillende communicatieprotocollen te ondersteunen, helpt bij het verbeteren van de algehele functionaliteit en betrouwbaarheid van telecommunicatie -infrastructuur.
Ingebedde systemen
De veelzijdige integratiemogelijkheden van de MPC8245LZU300D maken het een uitstekende kandidaat voor ingebedde systemen die worden gevonden in automobielelektronica, elektronica en medische hulpmiddelen.Het bereik van geïntegreerde randapparatuur en interfaces maakt het ontwerp van gespecialiseerde, krachtige ingebedde oplossingen op maat gemaakt om aan de specifieke behoeften van deze industrieën te voldoen.
Integrated System-on-Chip (SOC) ontwerp
De MPC8245LZU300D combineert de processorkern, geheugencontrollers en randapparatuur in een enkele chip.Deze SOC -benadering vereenvoudigt de systeemarchitectuur, minimaliseert de behoefte aan externe componenten en kan leiden tot kostenreducties in zowel ontwikkelings- als productiefasen.
Krachtige verwerking
De processor werkt met een frequentie van 300 MHz en maakt gebruik van een SuperScalar -architectuur, waardoor deze meerdere instructies per klokcyclus kan uitvoeren.Dit krachtige verwerkingsmogelijkheden zorgt voor een efficiënte werking en is superieur aan processors die dergelijke parallellisme niet ondersteunen, waardoor het ideaal is voor veeleisende toepassingen.
Veelzijdige geheugenondersteuning
Deze processor ondersteunt tot 2 GB SDRAM en beschikt over een geavanceerde geheugeninterface met foutcorrectie en veelzijdige ROM- en I/O -interfaces.Dit niveau van geheugenondersteuning biedt flexibiliteit, waardoor het systeem de geheugenconfiguratie kan aanpassen om aan specifieke applicatiebehoeften te voldoen, een voordeel ten opzichte van meer rigide systemen.
Uitgebreide perifere integratie
De MPC8245LZU300D bevat geïntegreerde communicatie -interfaces zoals UARTS en een I²C -controller, evenals programmeerbare timers en interruptcontrollers.Deze uitgebreide perifere integratie vermindert de behoefte aan extra externe componenten, waardoor het algemene ontwerp wordt vereenvoudigd en de systeembetrouwbaarheid wordt verbeterd door de potentiële faalpunten te verminderen.
Laag stroomverbruik
Met dynamisch energiebeheer met modi zoals NAP, DOZE en SLAP, kan de processor zijn stroomverbruik optimaliseren op basis van de huidige werklastvereisten.Deze mogelijkheid wordt gebruikt in toepassingen waar stroomefficiëntie nodig is, waardoor een voorsprong is op andere processors die dergelijke gedetailleerde stroomregeling missen.
|
Parameter |
Dimensie (mm) |
|
Pakketoverzicht |
35 mm × 35 mm |
|
Verbindingen |
352 |
|
Toonhoogte |
1,27 mm |
|
Solderballen |
ZU (TBGA -pakket) —62 Sn/36 Pb/2 Ag;VV (loodvrije versie
van pakket) —95.5 Sn/4.0 Ag/0,5 Cu |
|
Soldeerkogeldiameter |
0,75 mm |
|
Maximale modulehoogte |
1,65 mm |
|
Co-planariteitsspecificatie |
0,15 mm |
|
Maximale kracht |
6.0 lbs.Totaal, uniform verdeeld over pakket (8
gram/bal) |

De MPC8245LZU300D -microprocessor is een product van NXP USA Inc., een dochteronderneming van NXP -halfgeleiders.NXP Semiconductors, die voortkwamen uit Philips Semiconductors, heeft zijn Amerikaanse operaties met hoofdkantoor in Austin, Texas.Deze processor, onderdeel van hun bredere portfolio, integreert technologieën die zijn geoptimaliseerd voor prestaties en een laag stroomverbruik, waardoor het geschikt is voor een verscheidenheid aan ingebedde toepassingen.Hoewel de MPC8245LZU300D is gemarkeerd als verouderd, blijft NXP USA Inc. zijn oude producten ondersteunen en de grenzen verleggen in gebieden zoals Automotive, Industrial en IoT via nieuwe Semiconductor -oplossingen.
De MPC8245LZU300D is een sterke en betrouwbare processor die is gebouwd voor veeleisende toepassingen.Met zijn snelle verwerking, ingebouwde communicatiefuncties en slimme machtsbesparende modi helpt het systemen soepel en efficiënt te verlopen.Hoewel het nu verouderd is, is het nog steeds nuttig in veel netwerk-, industriële en telecomprojecten.Het vermogen om meerdere taken af te handelen en tegelijkertijd stroom te besparen, maakt het een waardevolle keuze op zoek naar een vertrouwde ingebedde processor.
Stuur een aanvraag, we zullen onmiddellijk reageren.
Ja, de MPC8245LZU300D is gebouwd met een superscalar -architectuur, waardoor deze meerdere instructies per klokcyclus kan uitvoeren.Het omvat een tweekanaals DMA-controller die gegevensoverdrachten onafhankelijk van de CPU kan beheren, waardoor multitasking-mogelijkheden worden verbeterd.Dit maakt het een uitstekende keuze voor toepassingen en ingebedde systemen die parallelle gegevensverwerking vereisen.
De processor ondersteunt maximaal 2 GB SDRAM met behulp van een 32- of 64-bit gegevensbus.Het bevat ook foutencorrectiefuncties zoals pariteitscontrole en ECC (foutcorrigerende code), waarbij gegevensintegriteit worden gewaarborgd in applicaties zoals opslagoplossingen, telecomapparatuur en industriële automatisering.
Ja, de MPC8245LZU300D beschikt over dynamisch energiebeheer met meerdere modi (dutje, doze en slaap) die het stroomverbruik aanpassen op basis van systeemwerklast.Dit maakt het energiezuinig en geschikt voor batterij-bediende of ingebedde systemen met lage kracht.
De MPC8245LZU300D werkt binnen een temperatuurbereik van 0 ° C tot 105 ° C, waardoor het geschikt is voor industriële en ingebedde omgevingen die robuuste prestaties vereisen onder verschillende thermische omstandigheden.
Ja, de MPC8245LZU300D is ideaal voor netwerktoepassingen zoals routers, switches en netwerkinterfacekaarten (NIC's).De snelle PCI-interface, geïntegreerde DMA-controller en ondersteuning voor communicatieprotocollen maken het goed geschikt voor het efficiënt afhandelen van data-intensieve netwerktaken.
Op 2025/03/14
Op 2025/03/13
Op 8000/04/18 147757
Op 2000/04/18 111936
Op 1600/04/18 111349
Op 0400/04/18 83721
Op 1970/01/1 79508
Op 1970/01/1 66907
Op 1970/01/1 63038
Op 1970/01/1 63012
Op 1970/01/1 54081
Op 1970/01/1 52125