
De EPM7256AETC144-10N is een krachtige CPLD uit de Max® 7000A-serie van Intel, op maat gemaakt voor veeleisende logische integratietaken.Dit apparaat heeft 256 macrocellen en ongeveer 5.000 bruikbare poorten, die aanzienlijke ontwerpflexibiliteit en nut in complexe digitale omgevingen vergemakkelijken.Werkt met een maximale frequentie van 172,4 MHz met een voortplantingsvertraging van slechts 5,5 ns, deze is ontworpen voor snelle werking.Ontworpen met een 3,3V-bedrijfsspanning en verpakt in een compact 144-pins dun quad flat pack (TQFP), ondersteunt de EPM7256AETC144-10N robuuste logische ontwerpvereisten.De EPM7256AETC144-10N maakt gebruik van EEPROM-gebaseerd niet-vluchtig configuratiegeheugen, waardoor de permanente opslag van programmeergegevens mogelijk is.Deze functie, gecombineerd met programmeerbaarheid in system via de JTAG-interface, biedt gemak in updates en herprogrammering van het veld, het verbeteren van de langetermijnbruikbaarheid zonder de noodzaak van fysieke herconfiguratie of vervanging.
Beveilig uw projecten met een betrouwbare, veld bewezen technologie door uw bulkorder voor de EPM7256AETC144-10N bij ons te plaatsen vandaag en ervoor te zorgen dat u een solide CPLD-oplossing heeft.

Symbool EPM7256AETC144-10N

EPM7256AETC144-10N voetafdruk

EPM7256AETC144-10N 3D-model
Macrocells:Dit apparaat is uitgerust met 256 macrocellen.Macrocells zijn de configureerbare logische componenten waarmee de CPLD verschillende logische functies kan uitvoeren.
Bruikbare poorten:Het biedt ongeveer 5.000 bruikbare poorten.Dit verwijst naar de equivalente hoeveelheid basislogische poorten (zoals en, of niet) die binnen het apparaat kunnen worden geconfigureerd.
I/O -pinnen:De CPLD beschikt over 120 invoer-/uitvoerpennen, die uitgebreide interface met andere delen van het elektronische ontwerp van een gebruiker mogelijk maken.
Voortplantingsvertraging (TPD):De maximale voortplantingsvertraging is 10 nanoseconden, waarbij wordt bepaald hoe snel de CPLD ingangssignalen kan verwerken en uitgangen kan produceren.
Bedrijfsfrequentie:Het kan werken op frequenties tot 95,2 MHz, die de snelheid definieert waarmee het apparaat de logische bewerkingen kan uitvoeren.
Leveringsspanning:Het apparaat werkt op een voedingsspanning van 3,3 V, uitgelijnd met veelvoorkomende digitale logische niveaus met een laag spanning.
Pakket:Het wordt geleverd in een 144-pins dunne quad flat pack (TQFP), een compact pakkettype dat gunstig is voor het minimaliseren van de ruimte die nodig is op gedrukte printplaten.
Bedrijfstemperatuurbereik:Het bedrijfstemperatuurbereik is van 0 ° C tot 70 ° C, wat zorgt voor betrouwbare prestaties over een breed scala aan omgevingscondities.
Programmeerbaarheid in systemen:De CPLD ondersteunt programmeerbaarheid van het systeem via een IEEE STD.1149.1 Joint Test Action Group (JTAG) interface, waardoor het logische apparaat binnen de uiteindelijke hardwareconfiguratie kan programmeren en herprogrammeren.

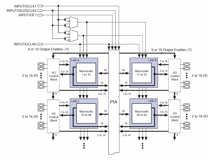
De EPM7256AETC144-10N is een Complex programmeerbaar logisch apparaat (CPLD) met vier Logicarray Blocks (Labs) , elk met 16 macrocellen, in totaal 64 macrocellen.Deze macrocellen behandelen zowel combinatie- als sequentiële logica, waardoor het apparaat flexibel is voor verschillende digitale logische toepassingen.In het midden van de CPLD is de Programmable Interconnect Array (PIA), die alle laboratoria verbindt en een efficiënte signaalroutering zorgt.Elk laboratorium communiceert met de PIA met behulp van 36 interconnectlijnen, waardoor signalen efficiënt kunnen worden gedeeld en verwerkt.Het apparaat beschikt over I/O -besturingsblokken aan elke kant, ter ondersteuning van 2 tot 16 I/O -pins per lab.Deze blokken helpen bij het beheren van invoer- en uitvoerfuncties, waarbij de CPLD wordt verbonden met externe circuits.Besturingssignalen zoals Global Clocks (GCLK1, GCLK2), Output kunnen (OE1) en Global Reset (GCLRN) helpen bij het synchroniseren van logische bewerkingen op het apparaat.Bovendien beheren logische poorten klok- en resetsignalen, waardoor een soepele werking wordt gewaarborgd.Deze CPLD is ontworpen voor hogesnelheidslogica, biedt programmeerbaarheid, efficiënte signaalroutering en betrouwbare I/O-controle, waardoor het geschikt is voor ingebedde systemen, communicatie en industriële automatisering.
|
Type |
Parameter |
|
Fabrikant |
Altera/intel |
|
Serie |
Max® 7000A |
|
Verpakking |
Dienblad |
|
Onderdeelstatus |
Verouderd |
|
Programmeerbaar type |
In systeem programmeerbaar |
|
Vertragingstijd TPD (1) Max |
10 ns |
|
Spanningsvoorziening - Intern |
3v ~ 3.6V |
|
Aantal logische elementen/blokken |
16 |
|
Aantal macrocellen |
256 |
|
Aantal poorten |
5000 |
|
Aantal I/O |
120 |
|
Bedrijfstemperatuur |
0 ° C ~ 70 ° C (TA) |
|
Montagetype |
Oppervlaktemontage |
|
Pakket / kast |
144-lqfp |
|
Leverancierapparaatpakket |
144-tqfp (20x20) |
|
Base Productnummer |
EPM7256 |
Kunstmatige intelligentie
Deze CPLD wordt gebruikt in AI -hardware -versnellers om complexe berekeningen te verwerken die nodig zijn voor het efficiënt verwerken van AI -algoritmen, waardoor zowel snelheid als betrouwbaarheid in AI -toepassingen wordt verbeterd.
5G -technologie
In het rijk van 5G-communicatie is de EPM7256AETC144-10N het beste voor signaalverwerking en het beheren van communicatieprotocollen.De high-speed logische bewerkingen vergemakkelijken de snelle verwerking die nodig is in de volgende generatie draadloze systemen.
Cloud computing
Binnen datacenters verbetert dit apparaat de verwerkingsmogelijkheden en dient ze als onderdeel voor het beheren van grote gegevens en complexe berekeningen, ter ondersteuning van de infrastructuur van cloudservices.
Consumentenelektronica
De CPLD vindt applicaties in consumentenelektronica zoals televisies en gameconsoles, waar het aangepaste logische functies uitvoert die de functie en ervaring van het apparaat verbeteren.
Draadloze technologie
Het wordt gebruikt in draadloze communicatieapparaten om signalen te moduleren en te demoduleren, waardoor effectieve en efficiënte communicatie wordt gewaarborgd in apparaten zoals routers en cellulaire modems.
Industriële controle
Dit apparaat is een integraal onderdeel van automatiseringssystemen in industriële omgevingen, waar het machines regelt en processen beheert, wat bijdraagt aan verhoogde productiviteit en veiligheid.
Internet of Things (IoT)
In IoT-apparaten beheert de EPM7256AETC144-10N gegevensverwerking en communicatietaken, geweldig voor de naadloze werking van verbonden apparaten in slimme huizen en industrieën.
Medische apparatuur
De CPLD wordt toegepast in medische hulpmiddelen voor taken zoals data -acquisitie en signaalverwerking, het spelen van een rol in de betrouwbaarheid en efficiëntie van medische diagnostiek en behandelingsapparatuur.
Hoge logische dichtheid
Dit apparaat bevat 256 macrocellen en ongeveer 5.000 bruikbare poorten, waardoor complexe logische circuits binnen een enkele chip kunnen worden geïmplementeerd.Deze hoge logische dichtheid vergemakkelijkt meer geïntegreerde en compacte ontwerpen, waardoor het totale aantal componenten wordt verminderd en de lay -outs van de kaart vereenvoudigen.
System-programmeerbaarheid (ISP)
Met programmeerbaarheid in het systeem via een IEEE STD.1149.1 JTAG-interface, de EPM7256AETC144-10N zorgt voor eenvoudig programmeren en herprogrammeren direct binnen het circuit.Deze mogelijkheid is van onschatbare waarde voor snelle prototyping en iteratieve ontwerpprocessen, waardoor aanpassingen kunnen worden aangepast zonder de chip te vervangen.
Snelle voortplantingsvertraging
Met een maximale voortplantingsvertraging van slechts 10 ns, zorgt deze CPLD voor een snelle verwerking van inputs en uitgangen voor toepassingen die high-speed gegevensverwerking en tijdige antwoorden vereisen, zoals videoverwerking en hoogfrequente handelssystemen.
Laag stroomverbruik
De EPM7256AETC144-10N werkt op een 3,3V-voedingsspanning en is geoptimaliseerd voor energie-efficiëntie.Dit lage stroomverbruik is gunstig in draagbare en op batterijen bediende apparaten, waar energiebeheer goed is voor het verlengen van de operationele levensduur.
Uitgebreide I/O -mogelijkheden
Het apparaat is uitgerust met 120 I/O -pinnen, die uitgebreide connectiviteitsopties bieden.Dit zorgt voor flexibele interface met een breed scala aan randapparatuur en andere systeemcomponenten, waardoor het sterk kan worden aangepast aan complexe omgevingen met meerdere apparaten.
Niet-vluchtige configuratieopslag
Dankzij het op EEPROM gebaseerde geheugen behoudt de CPLD zijn configuratie-instellingen, zelfs nadat de stroom is uitgeschakeld, waardoor de apparaatfunctionaliteit consistent blijft in de stroomcycli.Deze functie is nodig voor applicaties die betrouwbare, langetermijnprestaties vereisen zonder frequente herconfiguratie.
Het programmeren van het EPM7256AETC144-10N-apparaat omvat een zes-fasen in-system programmering (ISP) -proces:
1. Voer ISP in: deze stap zorgt ervoor dat de invoer- en uitvoeronderdelen van de apparaatschakelen van normaal gebruik naar programmeermodus soepel.Het duurt ongeveer 1 milliseconde.
2. Controleer ID: voordat u begint met programmeren, controleert het apparaat zijn eigen ID.Deze stap is erg snel.
3. Bulk wissen: dit wist alle eerdere gegevens van het apparaat.Het doet dit door een commando te ontvangen om alles te wissen en vervolgens te wachten op 100 milliseconden om ervoor te zorgen dat alles wordt gewist.
4. Programma: hier worden de nieuwe gegevens in het apparaat geplaatst.Voor elk stukje gegevens wordt het naar het juiste adres in het apparaat verzonden en zorgt er een speciale puls voor dat het correct wordt opgeslagen.
5. Controleer: na programmeren controleert het apparaat of alle gegevens correct worden opgeslagen door het terug te lezen en te vergelijken met wat het zou moeten zijn.
6. Exit ISP: deze stap schakelt het apparaat terug van de programmeermodus naar de normale gebruiksmodus.Het duurt ook ongeveer 1 milliseconde.
De totale tijd die nodig is voor programmeren hangt af van hoe lang elke puls duurt en hoe snel gegevens kunnen in en uit het apparaat kunnen gaan, die worden beïnvloed door de snelheid van de programmeerklok en hoeveel gegevens er te verwerken is.Verschillende apparaten kunnen verschillende hoeveelheden tijd kosten omdat ze verschillende hoeveelheden geheugen hebben om te programmeren.

Het diagram toont het EPM7256AETC144-10N-pakketoverzicht en pin-nummering.Deze chip komt in een TQFP-144 (dun quad plat pakket met 144 pins), wat betekent dat het aan alle vier de zijden fijne leads heeft.De pin 1 -locatie is gemarkeerd met een kleine stip en pin -nummers nemen tegen de klok in rond het pakket.Belangrijkste referentiepennen zoals Pin 1, Pin 37, Pin 73 en Pin 109 helpen bij oriëntatie tijdens PCB -montage.De omtrekafmetingen bepalen de fysieke grootte van de chip om de juiste PCB -aanpassing te garanderen.De pinout -opstelling zorgt voor efficiënte signaalroutering, waardoor het geschikt is voor complexe logische toepassingen.De EPM7256AE maakt deel uit van de MAX 7000A CPLD-serie, met 256 macrocellen en programmeerbaarheid in het systeem.Het achtervoegsel van -10N geeft een snelheidsgraad van 10 ns en een loodvrij pakket aan.
De EPM7256AETC144-10N is een complex programmeerbaar Logic Device (CPLD) dat oorspronkelijk is ontwikkeld door Altera Corporation, dat later werd overgenomen door Intel Corporation in 2015. Sinds de overname werd Intel de officiële fabrikant van Altera's FPGA- en CPLD -productlijnen, inclusief de Max® 7000A -serie, waartoe dit apparaat behoort.De EPM7256AETC144-10N is ontworpen voor krachtige toepassingen met een lage vermogen, ter ondersteuning van programmeerbaarheid in het systeem (ISP) via JTAG (IEEE 1149.1).Hoewel Intel de CPLD -technologie van Altera heeft geërfd, is dit apparaat sindsdien stopgezet en is het nu geclassificeerd als verouderd, wat betekent dat Intel het niet langer produceert of ondersteunt in actieve productie.
De EPM7256AETC144-10N is een krachtige en flexibele CPLD die wordt gebruikt in AI, 5G, cloud computing, industriële machines, IoT en medische hulpmiddelen.Het verwerkt gegevens snel, gebruikt weinig vermogen en maakt eenvoudig herprogrammering mogelijk zonder deze uit het circuit te verwijderen.Het is nog steeds nuttig voor oudere ontwerpen die programmeerbare logica nodig hebben met stabiele prestaties.Of u nu met deze CPLD werkt of op zoek bent naar vergelijkbare alternatieven, het begrijpen van het ontwerp, de programmering en voordelen kan u helpen om het beste te gebruiken in digitale applicaties met hoge snelheid.
Stuur een aanvraag, we zullen onmiddellijk reageren.
De EPM7256AETC144-10N biedt 256 macrocellen en ongeveer 5.000 bruikbare poorten, waardoor matig complexe logische implementaties mogelijk zijn.
De EPM7256AETC144-10N ondersteunt programmeerbaarheid van het systeem (ISP) via de JTAG (IEEE 1149.1) interface.U hebt een Altera USB-blaster of Intel Quartus Prime-software nodig om configuratiegegevens naar de chip te schrijven.
Het primaire verschil is snelheid.De EPM7256AETC144-10N heeft een maximale voortplantingsvertraging van 10 ns, terwijl de EPM7256AETC144-7 een snellere vertraging van 7 ns heeft voor toepassingen met een hogere snelheid.Beide apparaten delen hetzelfde pakket, het aantal I/O en de macrocell -structuur.
Nee, de CPLD zelf vereist geen externe oscillator, maar ondersteunt externe klokinvoer.Als uw ontwerp nauwkeurige timing nodig heeft, kan een extern kloksignaal worden gebruikt om de logische bewerkingen te stimuleren.
Deze CPLD onderscheidt zich vanwege de snelle prestaties (10 ns propagatievertraging), 256 macrocellen en 5.000 bruikbare poorten, waardoor het ideaal is voor complexe logica-ontwerpen.Het ondersteunt ook programmeerbaarheid van het systeem (ISP) via JTAG, in tegenstelling tot sommige oudere modellen.
Op 2025/03/13
Op 2025/03/13
Op 8000/04/18 147778
Op 2000/04/18 112032
Op 1600/04/18 111351
Op 0400/04/18 83788
Op 1970/01/1 79589
Op 1970/01/1 66973
Op 1970/01/1 63109
Op 1970/01/1 63043
Op 1970/01/1 54097
Op 1970/01/1 52195