
De GC5330izeV is een geavanceerde Wideband Transmit-Receive Digital Signal Processor (DSP), speciaal ontworpen voor geavanceerde draadloze communicatiesystemen.Deze DSP ondersteunt een divers scala aan normen zoals CDMA, GSM, TD-SCDMA, W-CDMA en WIMAX, waardoor het zeer veelzijdig is voor verschillende communicatie-infrastructuren.Het beschikt over een 484-ball rooster array (BGA) verpakking die geschikt is voor oppervlaktemontagetekeningen, waardoor naadloze integratie in moderne elektronische assemblages wordt gewaarborgd.De GC5330izeV, een deel van de bredere GC5330-familie, deelt een Common Core-architectuur met zijn broers en zussen, gericht op het optimaliseren van de prestaties en efficiëntie van breedband-zend-herhaalde activiteiten.
Als u op zoek bent naar een betrouwbare DSP voor uw systemen, is dit een goed moment om na te denken over het plaatsen van een bulkorder bij ons voor de GC5330izeV.

GC5330izeV -symbool

GC5330izeV voetafdruk

GC5330izeV 3D -model
• Geïntegreerde zend en ontvang digitaal als oplossing: De DSP omvat geïntegreerde functies voor digitale upconverter (DUC) en Digital DownConverter (DDC).Deze integratie vereenvoudigt de signaalverwerkingsketen door meerdere functionaliteiten te combineren in één compacte oplossing, waardoor de complexiteit en de grootte van het systeem worden verminderd.
• Ondersteuning met meerdere kanaal: De GC5330izeV ondersteunt maximaal 4 verzenden (TX) en 8 ontvangen (RX) -kanalen.Deze functie maakt het mogelijk om complexe multi-antennesystemen te behandelen, die geweldig zijn voor moderne draadloze communicatietechnologieën die een hoge gegevensdoorvoer en verbeterde signaalintegriteit vereisen.
• Verzenden padfunctionaliteiten: Belangrijkste functionaliteiten in het zendpad van de GC5330izeV omvatten Crest Factor Reduction (CFR), digitale voorspelling (DPD) en uitzendvergunning.Deze functies zijn nodig om de signaalkwaliteit en lineariteit te verbeteren, wat op zijn beurt de algehele efficiëntie en prestaties van communicatiesystemen verbetert.
• Synchronisatiemogelijkheden: Het apparaat is uitgerust met twee LVDS -ingangssynchronisatie (SYNCA en SYNCB) en één LVDS -uitvoersynchronisatie.Deze synchronisatiemogelijkheden zorgen voor een precieze timinguitlijning op meerdere apparaten binnen een systeem, voor het handhaven van integriteit en coherentie in gegevensoverdracht.

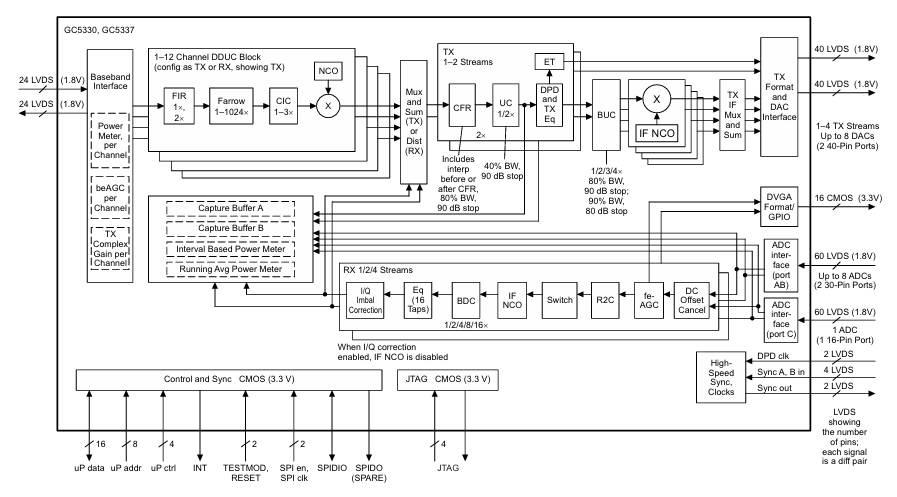
Het blokdiagram van de GC5330/GC5337 illustreert een krachtige digitale zendoplossing die is ontworpen voor basisstationsystemen.Het begint met een Basebandinterface, ontvangen tot 24 lvds differentiële paren op 1,8 V, die digitale basisbandgegevens in de chip dragen.Deze interface omvat per kanaal vermogensmeters en AGC ((Automatische versterkingscontrole) om optimale signaalniveaus te garanderen.De Digital Down/Up Converter (DDUC) blok is configureerbaar voor verzend (TX) of ontvangen (RX) en ondersteunt maximaal 12 kanalen.Het verwerkt het baseband -signaal door meerdere filterfasen zoals FIR, Farrow en CIC om de steekproefsnelheden aan te passen en interpolatie of decimatie toe te passen.Een optioneel Numeriek gecontroleerde oscillator (NCO) is ook opgenomen voor frequentie vertaling.Eenmaal gefilterd en geconditioneerd, komt het signaal het TX-pad binnen, waar het verder wordt geïnterpoleerd door de CFR (Crest Factor Reduction) en DPD (digitale pre-vernietiging) blokken.Deze componenten optimaliseren het dynamische bereik van het signaal en lineariseren het voor efficiënte transmissie.De ET (envelop-tracking) en BUC (Block Up Converter) -elementen bereiden het signaal voor op hoogfrequente modulatie.De IF -fase verschuift het signaal naar de tussenliggende frequentie voordat deze naar het TX -formaat en de DAC -interface wordt verzonden, die tot 4 TX -stromen uitvoert naar 8 DAC's tot 40 LVDS -lijnen.
Aan de ontvangstzijde legt het systeem snelle ADC-gegevens vast via 60 LVDS-lijnen.De gegevens worden verwerkt via DC Offset-annulering, Fe-AGC, Switch en als NCO-blokken.Vervolgens gaat het over naar R2C en BDC, die door egalisatie gaat en optioneel I/Q -onbalanscorrectie, vóór de definitieve opname en vermogensmeting.Dit proces ondersteunt flexibele bandbreedtes en decimeringspercentages.Aan de onderkant van het diagram worden verschillende controle- en synchronisatie -interfaces getoond.Deze omvatten microprocessor -interfaces voor opdracht- en gegevensinvoer, JTAG voor testen en foutopsporing en SPI voor configuratie.Snelle klokken en synchronisatiesignalen zorgen voor een precieze timing tussen invoer-, verwerkings- en uitvoerblokken.Over het algemeen is de GC5330/GC5337-architectuur geoptimaliseerd voor zeer efficiënte digitale transmissie met flexibele configureerbaarheid voor verschillende draadloze normen.
|
Type |
Parameter |
|
Fabrikant |
Texas instrumenten |
|
Verpakking |
Bulk |
|
Onderdeelstatus |
Verouderd |
|
Functie |
Digitale signaalprocessor |
|
RF -type |
CDMA, GSM, TD-SCDMA, W-CDMA, WiMAX |
|
Montagetype |
Oppervlaktemontage |
|
Pakket / kast |
484-BGA |
|
Leverancierapparaatpakket |
484-BGA |
|
Base Productnummer |
GC5330 |
Draadloze communicatiesystemen
De GC5330izeV is ontworpen om geavanceerde draadloze protocollen zoals CDMA, GSM, TD-SCDMA, W-CDMA en WIMAX te verwerken.Dit maakt het een ideale DSP voor gebruik in moderne basisstations en draadloze infrastructuur.Door de geïntegreerde digitale upconversie- en downconversion -functies, samen met meerdere kanaalondersteuning, kan het Wideband RF -signaalverwerking efficiënt beheren.Het apparaat verbetert de prestaties van draadloze communicatiesystemen door het aantal vereiste externe componenten te verminderen en een superieure signaalintegriteit te bieden.
Draadloze repeaters
In draadloze repeatertoepassingen dient de GC5330izeV als een brug tussen ontvangst- en verzendketens.Het biedt digitale filtering, downconversie van inkomende signalen en upconversie van uitgaande signalen.Hierdoor kunnen repeaters communicatiesignalen over langere afstanden zonder vervorming doorgeven.De opname van kenmerken zoals het verminderen van de crestfactor en digitale voorversterking maakt het ook zeer geschikt voor het handhaven van de transmissiekwaliteit in versterkte paden.
Test- en meetapparatuur
De GC5330izeV is waardevol in test- en meetapparatuur.Door de breedbandverwerkingsmogelijkheden en flexibele kanaalbehandeling kunnen het signalen simuleren, verwerken en analyseren over verschillende draadloze protocollen.De hoge synchronisatienauwkeurigheid en geavanceerde signaalconditioneringsfuncties helpen bij het garanderen van betrouwbare en herhaalbare metingen in lab- en veldtestomgevingen.
Point-to-point radio's
De GC5330izeV is goed geschikt voor gebruik in point-to-point magnetron- en millimeter-wave radio-links.In dergelijke systemen vereisen hoge gegevens van de gegevenssnelheid en de ontvangst DSP's die in staat zijn om brede bandbreedtes en strakke synchronisatie te verwerken.Dit apparaat ondersteunt die behoeften met zijn efficiënte digitale verwerking, waardoor betrouwbare communicatie mogelijk is in vaste draadloze toegang, backhaul -netwerken of gespecialiseerde industriële links.
Verbeterde efficiëntie van stroomversterker
De GC5330izeV biedt verbeteringen in de algehele systeemefficiëntie door Crest Factor Reduction (CFR) en digitale voorspelling (DPD) op te nemen.Deze technologieën werken samen om de piek-gemiddelde verhouding (PAR) van RF-signalen en correcte niet-lineariteiten in stroomversterkers te verminderen.Als gevolg hiervan werken versterkers efficiënter, waardoor het stroomverbruik en het genereren van warmte worden verminderd.Dit leidt tot kostenbesparingen voor systeemoperators en verlengt de operationele levensduur van RF -componenten.
Flexibele systeemintegratie
Dankzij de ondersteuning voor verschillende MIMO-configuraties zoals 2 × 2, 4 × 4 of zelfs 4 × 8, en compatibiliteit met meerdere draadloze normen zoals GSM, CDMA, TD-SCDMA, W-CDMA en WIMAX, is de GC5330izeV ongelooflijk veelzijdig.U kunt een enkel platform gebruiken over verschillende soorten communicatie-infrastructuur, het verminderen van ontwikkelingscomplexiteit, time-to-market en de noodzaak om meerdere DSP-oplossingen voor verschillende netwerken te beheren.
Verminderde telling en kosten
Door meerdere verwerkingsfuncties te integreren, zoals digitale upconversie, downconversion en egalisatie in een enkel apparaat verzenden, minimaliseert de GC5330izeV de behoefte aan externe ondersteunende componenten.Dit vereenvoudigt niet alleen de PCB-lay-out, maar verlaagt ook Bill-of-Material (BOM) -kosten en systeemvoetafdruk.Het eindresultaat is een compacter, kosteneffectief ontwerp dat gemakkelijker te produceren en te onderhouden is.
Verbeterde signaalkwaliteit en betrouwbaarheid
Met ingebouwde geavanceerde signaalverwerking zoals CFR, DPD en verzending van egalisatie, verhoogt de GC5330izeV de signaalhelderheid en vermindert het aangrenzende kanaallekkage.Dit resulteert in een robuuster en interferentie-resistente communicatiekanaal, waardoor gebruikers consistente en hoogwaardige transmissie ontvangen, zelfs in dichte RF-omgevingen of scenario's met hoge data.
1. Interfaceselectie: De eerste stap bij het programmeren van de GC5330izeV omvat het selecteren van de juiste communicatie -interface.Dit apparaat ondersteunt zowel een Microprocessor -eenheid (MPU) -interface als een seriële perifere interface (SPI).De keuze hangt af van de architectuur- en gegevensbeheersingsvereisten van het systeem. De SPI -interface wordt alleen actief wanneer de Emifena (externe geheugeninterface Enable) pin is ingesteld op logica laag.U moet ervoor zorgen dat de juiste hardwareconfiguratie bestaat voordat u begint met communicatie.Deze beslissing bepaalt hoe controle -opdrachten, configuratiegegevens en statusinformatie worden uitgewisseld tussen de hostcontroller en de GC5330.
2. Klokconfiguratie: Zodra de interface is vastgesteld, is de volgende stap het configureren van de kloksignalen.De GC5330izeV werkt met behulp van twee hoofdklokken: de digitale pre-Distortion Clock (DPDCLK) en de basisbandklok (BBCLK).Deze klokken sturen de interne gegevensverwerkingspijplijn aan.De DPDCLK ondersteunt frequenties tot 310 MHz, terwijl BBCLK tot 290 MHz ondersteunt.Beide moeten nauwkeurig worden geconfigureerd om te voldoen aan de bandbreedte en timingvereisten van de beoogde draadloze communicatiestandaard.Een juiste synchronisatie tussen deze klokdomeinen zorgt ervoor dat de signaalverwerkingstadia zoals filtering, interpolatie en mengfunctie betrouwbaar en binnen specificatie.
3. Synchronisatie: Synchronisatie is belangrijk voor de tijd-uitgelijnde werking tussen verschillende modules binnen de GC5330izeV.De CHIP biedt input -synchronisatiesignalen Synca en SyncB, evenals een uitvoersynchronisatiesignaalsynchronisatie.Deze signalen worden gebruikt om interne gebeurtenissen op te lijnen, zoals vermogensmeting, signaalopvang of DPD -update.In multi-chip- of multi-channel systemen moeten externe hardware- of basisbandverwerkers synchronisatiepulsen coördineren om consistente verwerkingsvensters te garanderen.Door de Sync Control Registers te programmeren, kunt u aanpassen hoe en wanneer synchronisatie -triggers optreden, waardoor stabiele werking wordt gewaarborgd, zelfs onder dynamische systeemomstandigheden.
4. Gegevensopmaak : De GC5330izeV biedt flexibele opties voor gegevensopmaak voor zowel de zend- als de ontvangstpaden.U moet de basisbandinvoerformatter configureren voor transmissie en de basisbanduitvoerformatter voor ontvangst.Dit omvat het selecteren van de juiste gegevensbreedtes en formaten, zoals seriële, byte-parallelle of knabbel-parallelle modi.Correcte gegevensopmaak zorgt voor compatibiliteit met de basisbandprocessor of FPGA -afhandeling digitale I/Q -streams.Programmeerbare framing -opties zorgen voor aangepaste uitlijningsmarkers en data -inkapseling voor systemen die complexe framingstructuren gebruiken of dynamische burst -transmissies gebruiken.
5. DUC- en DDC -configuratie: Een belangrijke functie van de GC5330izeV is zijn digitale upconversie (DUC) en DownConversion (DDC) -mogelijkheden.Deze blokken zijn geconfigureerd om signaalinterpolatie, decimatie, filtering en frequentietaling te beheren.Aan de zendzijde verhoogt de DUC de monstersnelheid en verschuift het signaal naar de gewenste frequentieband, klaar voor RF -conversie.Aan de ontvangstzijde verlaagt de DDC de steekproefsnelheid en filtert de ongewenste frequentiecomponenten uit.Juiste DUC- en DDC -instellingen zijn goed voor het optimaliseren van signaaltrede, het verminderen van aliasing en het efficiënte gebruik van bandbreedte.Configuratieparameters omvatten interpolatie/decimatiesnelheden, filtercoëfficiënten en mixerinstellingen.
6. Krijg controle: Automatic Gain Control (AGC) in de GC5330izeV is opgesplitst in twee belangrijke gebieden: de front-end AGC (FEAGC) en de back-end AGC (BEAGC).Deze blokken helpen optimale signaalniveaus te handhaven terwijl signalen door de verwerkingsketen bewegen.De FEAGC behandelt voornamelijk het inkomende signaalniveau, het aanpassen van versterking om verzadiging of knippen te voorkomen.De BEAGC richt zich op het verwerkte signaal en zorgt ervoor dat het binnen de verwachte dynamische bereiken blijft voor latere digitale bewerkingen.U moet AGC -drempels programmeren, aanvallen/vervallen tarieven en stappen winnen om verschillende signaalomstandigheden te verwerken, zoals vervagen, interferentie of veranderingen in signaalvermogen.
7. Stroommeting en alarminstellingen: De GC5330izeV omvat programmeerbare vermogensmeting -eenheden die in staat zijn om signaalniveaus te bewaken.Deze meters helpen bij het detecteren van afwijkingen zoals stroomstieken, druppels of buitenbandemissies.Programmeerbare alarmen kunnen worden geconfigureerd om te activeren op basis van vooraf ingestelde drempels, waardoor beschermende of corrigerende actie mogelijk wordt, zoals versterkingsaanpassingen of foutsignalering.U moet de meetblokken configureren door stroomvenstergroottes, drempelniveaus en filterinstellingen in te stellen.Deze functionaliteit is belangrijk in systemen die een hoge betrouwbaarheid vereisen, zoals basisstations, die de naleving van de regelgeving en de operationele veiligheid vereisen.
|
Parameter |
Dimensie (mm) |
|
Lichaamsgrootte (algemeen) |
22.80 - 23.20 |
|
Substraatgrootte (binnenkant van het vierkant) |
19.30 - 19.70 |
|
Balveld (typisch) |
1 |
|
Aantal ballen |
22 × AB (rooster array) |
|
Pakkethoogte (lichaam) |
1.12 - 1.22 |
|
Maximale pakkethoogte (algemeen) |
2.48 |
|
Kogeldiameter |
0,50 - 0,70 |
|
Kogelhoogte boven zitvlak |
0,40 - 0,60 |
|
Baldiameter tolerantie |
± 0,10 |
|
BALL-stand-off (zitvlak) |
0,15 |

De GC5330izeV wordt vervaardigd door Texas instrumenten, een wereldwijd gerenommeerde leider in het ontwerp en de productie van analoge en ingebedde semiconductoren.Hoofdkantoor in Dallas, Texas, Texas Instruments (TI) heeft een langdurige reputatie voor innovatie en betrouwbaarheid in de elektronica-industrie, die verschillende sectoren bedienen, waaronder automotive, industriële, communicatie en consumentenelektronica.TI staat bekend om zijn robuuste portfolio van krachtige geïntegreerde circuits, en de GC5330izeV is een voorbeeld van de expertise van het bedrijf in het leveren van complexe digitale radio-oplossingen.Met een focus op kwaliteit, schaalbaarheid en ondersteuning voor opkomende communicatienormen, zorgt Texas -instrumenten ervoor dat componenten zoals de GC5330izeV voldoen aan de veeleisende vereisten van moderne RF- en basisbandverwerkingstoepassingen.
De GC5330izeV valt op als een krachtige DSP-oplossing die is ontworpen om te voldoen aan de rigoureuze eisen van de volgende generatie draadloze infrastructuur.De flexibele kanaalondersteuning, geïntegreerde verwerkingsblokken en robuuste synchronisatie maken het ideaal voor het verminderen van de systeemcomplexiteit, het verbeteren van de efficiëntie van de stroomversterker en het verbeteren van de signaal betrouwbaarheid.Gesteund door de reputatie van Texas Instruments voor betrouwbaarheid en innovatie, is de GC5330izeV een keuze, met als doel schaalbare en efficiënte RF-systemen te bouwen met minimale componenten overhead.
Stuur een aanvraag, we zullen onmiddellijk reageren.
Ja, de GC5330izeV is zeer compatibel met aangepaste op FPGA gebaseerde systemen.De configureerbare digitale interfaces en opties voor gegevensopmaak maken het eenvoudig om te integreren met programmeerbare logische platforms.U kunt LVDS -gegevensverbindingen, SPI- of microprocessor -interfaces gebruiken om te communiceren tussen uw FPGA en de DSP -chip, waardoor naadloze signaalverwerking wordt gewaarborgd in toepassingen zoals basisstations of testapparatuur.
In tegenstelling tot traditionele opstellingen die afhankelijk zijn van meerdere discrete DSP -componenten, consolideert de GC5330izeV belangrijke kenmerken zoals Crest Factor Reduction (CFR), digitale voorspelling (DPD) en geavanceerde filtering.Deze integratie zorgt voor een strengere controle over signaalintegriteit, lagere latentie en betere synchronisatie, wat direct leidt tot verbeterde foutvectorgrootte (EVM) en verminderde aangrenzende kanaalinterferentie.
Hoewel de GC5330izeV voornamelijk is ontworpen voor 3G- en 4G-draadloze normen, kan het nog steeds dienen als een krachtig verwerkingsblok in sub-6 GHz 5G-systemen die geen ultra-lage latentie of massieve MIMO-schaalbaarheid vereisen.De ondersteuning van hoge bandbreedte en meerdere TX/RX -kanalen kunnen helpen om breedbandsignalen te verwerken en vaste draadloze toegang of backhaul te ondersteunen in overgang 5G -implementaties.
Ja, de GC5330izeV kan multi-bandsystemen ondersteunen via zijn multi-channel digitale verwerkingsarchitectuur.Het kan tegelijkertijd maximaal 4 TX- en 8 RX -kanalen afhandelen, waardoor de aggregatie van de carrier over frequentiebanden kan worden geïmplementeerd, vooral in scenario's die digitaal vereisen als voor RF -front -uiteinden.Zorgvuldige klok- en synchronisatie -instellingen zijn nodig voor optimale prestaties.
Ja.De GC5330izeV is compatibel met SDR -architecturen, vooral die die een speciale hardware -DSP nodig hebben voor intensieve basisbandverwerking.De realtime digitale conversie- en kanalisatiefuncties maken het lossen van rekenzware taken van de algemene processor in een SDR-omgeving mogelijk.
Op 2025/04/1
Op 2025/04/1
Op 8000/04/18 147780
Op 2000/04/18 112042
Op 1600/04/18 111352
Op 0400/04/18 83806
Op 1970/01/1 79605
Op 1970/01/1 66983
Op 1970/01/1 63113
Op 1970/01/1 63048
Op 1970/01/1 54097
Op 1970/01/1 52199