
De 74LS93 is een 4-bit binaire teller ontworpen met twee ingebouwde up-counters.Het combineert een modus-2 up-counter met een MOD-8-up-counter, waardoor het veelzijdig is voor toepassingen zoals MOD-8 tellen of delen van signalen met 2 of 8. Deze IC bevat vier JK flip-flops die reageren op invoerpulsen,die kan worden geleverd door een microcontroller of een timer IC.
Het ontwerp van de 74LS93 beschikt over twee resetpennen, twee klokpennen en vier uitvoeraansluitingen, waardoor het in binair van 0 tot 15 kan tellen.Met zijn compatibiliteit met verschillende microcontrollers en op TTL gebaseerde systemen, is deze teller een flexibele keuze voor verschillende digitale projecten.Het is vaak verkrijgbaar in formaten zoals DIP en SMD, die altijd 14 pins bevat.Bovendien is het IC gebouwd om high-speed-ingangen te verwerken, waardoor betrouwbare werking in dynamische omgevingen wordt gewaarborgd.

| Pin -nummer | Speldnaam | Beschrijving |
| 1, 2, 3, 6 | NC | Geen verbinding |
| 4, 5, 8, 9 | Q0, Q1, Q2, Q3 | Outputpennen |
| 7 | Grond | Verbonden met de grond van het systeem |
| 10 | CP0 | Klokinvoer - Divide door 2 |
| 11 | CP1 | Klokinvoer - Divide door 8 |
| 12, 13 | Meneer | Master Reset - Duidelijke invoer |
| 14 | VCC | Leveringsspanning - 4,5 V tot 5,5 V |
De 74LS93 is een 4-bit binaire teller ontworpen voor een breed scala aan toepassingen.Het biedt betrouwbare prestaties in systemen waarvoor tellen of frequentiedivisie nodig is, dankzij de efficiënte 4-bit architectuur.
Dit IC werkt naadloos op een standaardspanning van 5V, waardoor het compatibel is met veel digitale systemen.Het vermogen om consequent op deze spanning te presteren, zorgt voor zijn betrouwbaarheid in verschillende projecten.
Het IC ondersteunt een spanningsspectrum tussen 4,5 V en 5,5 V.Met deze flexibiliteit kunt u het gebruiken in systemen met kleine variaties in de voeding met behoud van stabiliteit.
Wanneer het IC een hoge toestand uitvoert, levert het 3,5 V en wanneer het zich in een lage toestand bevindt, voert het 0,25 V uit.Deze niveaus maken het compatibel met andere TTL -apparaten, waardoor soepele integratie in uw circuits wordt gezorgd.
De IC verwerkt -0,4 mA tijdens hoge uitgang en 8 mA tijdens lage uitgang.Met deze huidige niveaus kan de IC effectief communiceren met andere componenten zonder overbelastingen te veroorzaken.
De klokfrequentie voor invoerpen CP0 kan tot 32 MHz bereiken, terwijl CP1 tot 16 MHz ondersteunt.Deze snelle prestaties maken het IC geschikt voor taken waarvoor een snelle telling- of frequentiedivisie vereist.
CP0 vereist een pulsbreedte van ten minste 15ns, terwijl CP1 minimaal 30 ns nodig heeft.Deze specificaties zorgen voor een nauwkeurige werking, waardoor gemiste signalen tijdens het snel schakelen worden voorkomen.
De IC is verkrijgbaar in formaten zoals 14-pins PDIP, GDIP en PDSO, waardoor het veelzijdig en gemakkelijk te integreren is in verschillende ontwerpen.Met deze formaten kunt u degene kiezen die het beste bij uw specifieke applicatie past.
U kunt de IC's klokgenangen aansturen met apparaten zoals 555 timers of microcontrollers.Deze flexibiliteit maakt het gemakkelijk te gebruiken in verschillende toepassingen, van eenvoudige timers tot complexere digitale systemen.
De output van de IC bevindt zich in TTL -formaat, dat zorgt voor compatibiliteit met een breed scala aan ICS en microcontrollersystemen.Deze functie vereenvoudigt de integratie in uw digitale circuitontwerpen.
De IC presteert goed in temperaturen variërend van 0 tot 70 graden Celsius, waardoor het geschikt is voor standaardomgevingen.Het biedt consistente resultaten zonder te worden beïnvloed door matige temperatuurveranderingen.
• 74HC19
• 74LS192
• 4516
• 74LS90
• CD4017
• 74LS02
• CD4020
• CD4060
• CD4022
• CD4026
• CD40102
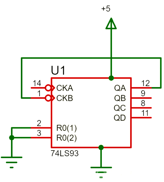
Begin met het verbinden van de voeding om de binaire teller van 74LS93 te laten werken.Bevestig de VCC -pin aan de positieve terminal en de GND -pin op de grond van uw systeem.Zodra dit is gebeurd, sluit u de eerste klokinvoer (pin 1) aan op de laatste bituitvoer (pin 12).Deze verbinding is van cruciaal belang om het telmechanisme mogelijk te maken.

Stel vervolgens de resetpennen in (pennen 2 en 3).Grond deze pinnen om ervoor te zorgen dat de teller begint vanaf nul.Als u de reset nodig hebt om anders te functioneren, kunt u deze pinnen verbinden met externe logica op basis van uw applicatiebehoeften.Met deze flexibiliteit kunt u de teller configureren volgens uw circuitvereisten.
Sluit voor de klokinvoer de tweede klokpen (pin 2) aan op een externe pulsgenerator, zoals een timer -IC of elk apparaat dat kloksignalen kan genereren.Deze klokpuls regelt de output van de binaire telling van de IC, die wordt weergegeven op pennen 8, 9, 11 en 12.
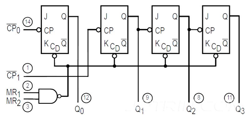
Het interne circuit van de 74LS93 is verdeeld in twee hoofdonderdelen: de Mod 2 -teller en de MOD 8 -teller.De MOD 2 -teller beheert het eerste bit en schakelt tussen 0 en 1 met elke klokpuls als het signaal overgaat van hoog naar laag.Deze uitgang dient als de klokinvoer voor de MOD 8-teller, die drie onderling verbonden JK-flip-flops gebruikt om de resterende drie bits te genereren.
Elke JK flip-flop in de MOD 8-teller haalt zijn kloksignaal uit de uitgang van de vorige flip-flop.Samen produceren de MOD 2- en MOD 8-tellers een 4-bit binaire telling dat varieert van 0000 tot 1111. Deze binaire uitgang wordt weergegeven over de vier uitgangspennen, wat een duidelijke weergave van de telling biedt.
Om het 74LS93 -tegencircuit te begrijpen, helpt het om zijn interne ontwerp en functionaliteit te onderzoeken.Het circuit is gebaseerd op JK-flip-flops, elk in staat om tussen twee toestanden te schakelen: 1 en 0. Deze toestanden vertegenwoordigen binaire waarden, en de teller vordert door deze toestanden te veranderen in reactie op klokpulsen.

In de 74LS93 verandert de toestand van elke flip-flop wanneer de uitgang van de voorgaande flip-flop-overgangen van hoog naar laag.De eerste flip-flop is echter niet direct verbonden met de tweede.Om een functionele volgorde te maken, koppelt u de eerste klokpen (CP1) aan de uitgang van de eerste flip-flop van de MOD 8-teller.Dit zorgt ervoor dat de volgorde goed stroomt.
Met vier slippers die in volgorde zijn aangesloten, ontvangt elk een klokpuls van de uitgang van de vorige flip-flop, begint de teller op 0000 en telt tot 1111 voordat hij teruggaat naar 0000. Elke toestand vertegenwoordigt een uniek binair nummer, dat vordert,volgorde.
De onderstaande tabel laat zien hoe de binaire uitvoer met elke telling verandert:
| Het tellen | Uitvoer | Q3 | Q2 | Q1 | Q0 |
| 0 | 0 | 0 | 0 | 0 | |
| 1 | 0 | 0 | 0 | 1 | |
| 2 | 0 | 0 | 1 | 0 | |
| 3 | 0 | 0 | 1 | 1 | |
| 4 | 0 | 1 | 0 | 0 | |
| 5 | 0 | 1 | 0 | 1 | |
| 6 | 0 | 1 | 1 | 0 | |
| 7 | 0 | 1 | 1 | 1 | |
| 8 | 1 | 0 | 0 | 0 | |
| 9 | 1 | 0 | 0 | 1 | |
| 10 | 1 | 0 | 1 | 0 | |
| 11 | 1 | 0 | 1 | 1 | |
| 12 | 1 | 1 | 0 | 0 | |
| 13 | 1 | 1 | 0 | 1 | |
| 14 | 1 | 1 | 1 | 0 | |
| 15 | 1 | 1 | 1 | 1 |
Bovendien laat een timingdiagram zien hoe de uitgangen van Q0 tot Q3 gedragen als reactie op het invoerkloksignaal.Deze visualisatie maakt het gemakkelijker om te zien hoe de binaire teller stap voor stap vordert:

De 74LS93 is een veelzijdige upcounter gebouwd met vier JK-flip-flops.Door zijn MOD-2 en MOD-8-tellers te combineren, wordt het vaak gebruikt om een MOD-16-teller te maken.Het wordt vaak gebruikt in circuits die moeten tellen van 0 tot 15 in binaire of het maken van sequenties voor timingdoeleinden, waardoor het een eenvoudige en betrouwbare keuze is voor dergelijke toepassingen.
Dit IC wordt ook veel gebruikt in frequentiedivisiecircuits, waar het frequenties met 2, 8 of 16 met precisie kan verdelen.Het ontwerp stelt het mogelijk om gecontroleerde timingtaken effectief af te handelen, waardoor het geschikt is voor gebruik in digitale timingsystemen zoals digitale klokken of sequentiële setups voor gebeurtenisbeheer.
Bovendien wordt de 74LS93 gebruikt in pulstellingstoepassingen, waar het inkomende signalen in binair getal opkomt.Het vermogen om MOD-2 en MOD-8-functionaliteit te combineren, maakt het een efficiënte en betrouwbare component in projecten die een nauwkeurige binair tellen vereisen.
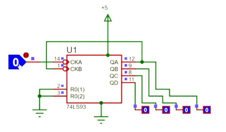
Het gebruik van de 74LS93 binaire teller is eenvoudig en efficiënt.Begin met het voeden van de IC via de VCC en grondpennen met behulp van een +5V -voeding.Dit stelt de noodzakelijke bedrijfsvoorwaarden vast voor de IC.De 74LS93 bevat twee MR (Master Reset) -pennen waarmee u de gewenste werkingsmodus kunt configureren.Sluit voor standaardtellingfunctionaliteit beide resetpennen aan op grond (laag), zoals weergegeven in de modus selectietabel.

Lever vervolgens klokpulsen aan de CP0- en CP1 -invoerpennen om het telproces te initiëren.Elke pulsingang naar deze pennen verhoogt het binaire telling met één.De CP1 -pin regelt de Q0 -uitgang, terwijl CP0 de uitgangen van Q1, Q2 en Q3 regelt.Om alle vier uitgangsbits te activeren, verbindt u de klokpuls op CP1 op de Q0 -uitgang.
De IC ondersteunt een piekklokfrequentie van 32 MHz voor CP0 en 16MHz voor CP1.Zorg ervoor dat de pulsbreedte ten minste 15ns is voor CP0 en 30NS voor CP1 om een nauwkeurige werking te behouden.Meestal kunt u het kloksignaal genereren met behulp van een 555-timer of een vergelijkbaar pulsproducerend circuit.
|
GRAAF |
Uitvoer |
|||
|
Q0 |
Q1 |
Q2 |
Q3 |
|
|
0 |
L |
L |
L |
L |
|
1 |
H |
L |
L |
L |
|
2 |
L |
H |
L |
L |
|
3 |
H |
H |
L |
L |
|
4 |
L |
L |
H |
L |
|
5 |
H |
L |
H |
L |
|
6 |
L |
H |
H |
L |
|
7 |
H |
H |
H |
L |
|
8 |
L |
L |
L |
H |
|
9 |
H |
L |
L |
H |
|
10 |
L |
H |
L |
H |
|
11 |
H |
H |
L |
H |
|
12 |
L |
L |
H |
H |
|
13 |
H |
L |
H |
H |
|
14 |
L |
H |
H |
H |
|
15 |
H |
H |
H |
H |
Overweeg om de werking van de IC te simuleren om de functionaliteit beter te begrijpen.In Mode-0 (standaard tellingmodus) wordt bijvoorbeeld zowel MR-pins als handmatig het handmatig inzetten van de logische toestand klokpulsen.Met elke overgang van hoog naar laag, verhoogt het IC het aantal.Hieronder is een voorbeeldsimulatie die dit gedrag illustreert.

Voor verdere duidelijkheid kunt u verwijzen naar video -tutorials of aanvullende bronnen.Het praktische gebruik van de 74LS93 in verschillende circuits, waaronder timing- en teltoepassingen, demonstreert het aanpassingsvermogen en het gebruiksgemak in digitale ontwerpen.
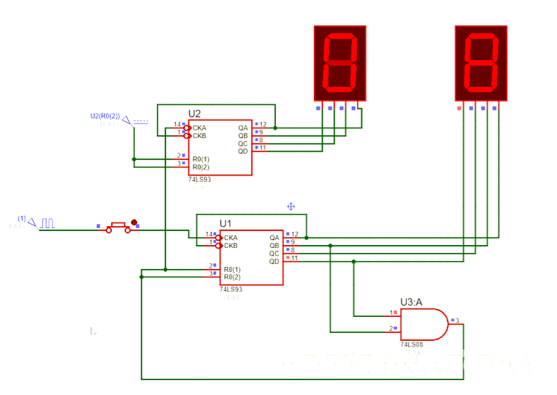
Om een teller met één cijfer te maken met behulp van de 74LS93, hebt u componenten nodig zoals een 74LS20 (vier-input NAND Gate) en een 74LS04 (drie niet poorten).Deze componenten werken samen met het IC om een BCD-display met zeven segment te stimuleren, waardoor de teller door nummers van 0 tot 9 kan doorlopen.
Hoewel de 74LS93 een 4-bits teller is die in staat is om maximaal 16 binaire tellingen te verwerken, moet deze worden gereset na het bereiken van 9 om ervoor te zorgen dat het display binnen het decimale bereik blijft.Als de teller op dit punt niet wordt gereset, kan de uitgang onjuiste of onverwachte waarden vertonen.Om dit te beheren, wordt een feedback -resetcircuit gebruikt, waarbij signalen van de NAND worden gecombineerd en geen poorten om de teller automatisch te resetten.

In dit circuit zijn twee niet -poorten verbonden met de QA- en QC -uitgangen, terwijl QB en QD rechtstreeks zijn gekoppeld aan de NAND -poortinvoer.De NAND -poort produceert alleen een hoge uitvoer wanneer alle ingangen nul zijn.Op de binaire waarde van 1010 keren de niet -poorten de signalen van QA en QC om, waardoor een hoge uitgang van de NAND -poort wordt geactiveerd.Deze output wordt omgekeerd door de 74LS04, waardoor de teller wordt gereset naar nul.Dit ontwerp zorgt ervoor dat de teller consequent vernieuwt en de juiste decimale waarden weergeeft.
De 2-cijferige tellerconfiguratie breidt het concept van de teller met één cijfer uit, waardoor deze getallen van 00 tot 99 kan weergeven. Dezelfde basislogica is van toepassing, maar in dit geval gaat het eerste display van zeven segment vordert wanneer het tweede display een verzendtklok reset signaal.Dit ontwerp zorgt voor naadloze tellen over twee cijfers met behulp van het resetsignaal van het ene display om de klokinvoer van het andere aan te sturen.

De logica achter de 2-cijferige teller blijft consistent met de setup met één cijfer en biedt een efficiënte manier om grotere numerieke waarden te tonen met behulp van twee displays met zeven segment.Door de twee tellers via hun reset- en kloksignalen te koppelen, werken de displays samen om getallen van 00 tot 99 weer te geven.
74LS93 gebaseerde 2-cijferige decimale teller
Voor een 2-cijferige teller kan de 74LS93 worden geconfigureerd om nummers van 00 tot 99 te tellen en weer te geven. De logica voor de twee-cijferige teller bouwt op dezelfde principes als de teller met één cijfer, maar breidt de functionaliteit ervan uit door twee BCD-tellers uit te breiden.
In deze opstelling bevordert het eerste BCD-display met zeven segment zijn telling op basis van het reset-signaal van het tweede display.In wezen is het kloksignaal voor het eerste display afgeleid van de reset van het tweede display.Deze trapsgewijze opstelling zorgt ervoor dat de teller logisch door twee cijfers gaat, waarbij het eerste display alleen verhoogt wanneer het tweede display de cyclus voltooit van 0 tot 9.

Dit tweecijferige tegencircuit maakt het mogelijk om maximaal 99 te tellen en biedt een duidelijk en leesbaar display met twee displays met zeven segment.De onderliggende logica- en feedbackmechanismen zorgen voor een soepele werking, waardoor het ideaal is voor toepassingen die een groter aantal tellen vereisen.
De 74LS93 is goed geschikt voor het genereren van uitgebreide timingduur in digitale circuits.Door zijn tellers op de juiste manier te configureren, kunt u lange en consistente vertragingen bereiken die nuttig zijn in timinggerelateerde toepassingen.
Deze IC fungeert als een betrouwbare frequentiedeler.Het kan de inputklokfrequenties verminderen met factoren van 2, 8 of 16, waardoor het een betrouwbare keuze is voor systemen waar stabiele frequentiedivisie nodig is voor gesynchroniseerde bewerkingen.
Wanneer nauwkeurige timing nodig is, biedt de 74LS93 een eenvoudige oplossing.Het voorspelbare telgedrag zorgt voor precisie in taken zoals sequencing en tijdgebaseerde controle in digitale projecten.
De 74LS93 is ideaal voor projecten waarbij het gebruik van een microcontroller misschien niet praktisch is.Het behandelt het tellen en timing efficiënt, waardoor de behoefte aan complexere en dure componenten wordt verminderd.
Dit IC is effectief in toepassingen die gepaard gaan met het tellen van puls of frequentie -partitionering.Het binaire telmechanisme maakt het gemakkelijk om pulsen te volgen of frequenties te verdelen zonder extra circuits.
De 74LS93 werkt naadloos met displays met zeven segmenten om numerieke uitgangen weer te geven.De compatibiliteit met binaire tot decimale converters vereenvoudigt het proces van het maken van digitale tellers en uitlezingen.
Door gebruik te maken van zijn telmogelijkheden, helpt de 74LS93 bij het opzetten van circuits die intervallen op lange duur vereisen.Dit maakt het bijzonder handig voor toepassingen zoals digitale klokken en timers.
De IC wordt vaak gebruikt om betrouwbare tegencircuits te ontwerpen.De robuuste prestaties en het gemak van configuratie maken het een gemeenschappelijke keuze voor het bouwen van zowel zelfstandige tellers als frequentiedelercircuits.
Wanneer de timingbehoeften specifiek zijn, kan de 74LS93 worden aangepast om aan deze vereisten te voldoen.Of het nu gaat om industriële timingoplossingen of doe-het-zelfprojecten, de flexibiliteit zorgt ervoor dat het bij een verscheidenheid aan timing-gerelateerde taken past.
De 74LS93 is een veelzijdige en betrouwbare binaire teller die taken voor digitale tellen en timing vereenvoudigt.Met zijn vermogen om frequenties te verdelen, pulsen te tellen en displays te tellen, past het naadloos in verschillende projecten.Of u nu tellers bouwt, timing beheert of frequentiedelers maakt, de 74LS93 biedt een efficiënte en eenvoudige oplossing.De flexibiliteit en het gebruiksgemak maken het voor veel toepassingen een praktische keuze.
Stuur een aanvraag, we zullen onmiddellijk reageren.
Nee, de 74LS93 is ontworpen als een opeenvolging, wat betekent dat het alleen telt omhoog in binair formaat.Het heeft niet de mogelijkheid om tel in omgekeerde of afname waarden.
De 74LS93 is handig in gebruik en minimaliseert de behoefte aan externe Bedrading, waardoor het eenvoudig is om in projecten te integreren.Eén Beperking is dat de flip-flops niet kunnen worden vooraf ingesteld, dus het tellen begint altijd vanaf nul, en je kunt niet beginnen te tellen vanuit een ander nummer.
De 74LS93 bevat vier JK-flip-flops die reageren op invoerpulsen, Of ze van een microcontroller of een timer IC komen.Het beschikt over twee Reset pinnen, twee klokinvoer en vier uitvoerpennen, waardoor het kan tellen Binaire getallen effectief in reactie op klokpulsen.
De 74LS93 functioneert als frequentiedeler en een teller.Het is vaak gebruikt om tijdsvertragingen te creëren of teltaken te beheren in Circuits.Deze IC is vooral nuttig in toepassingen waar het delen bij 2, 8 of 16 is vereist.
De 74LS93N is een 4-bit binaire teller die vier master-slave JK gebruikt flip-flops.Het ondersteunt een verdeling per acht tellende mechanisme, dat is Gevestigd door een overgang van hoog naar laag op zijn klokinvoer.Elk Klokpuls toegepast op de invoerpennen gaat de telling met één stap vooruit.
Op 2024/11/29
Op 2024/11/29
Op 8000/04/18 147757
Op 2000/04/18 111936
Op 1600/04/18 111349
Op 0400/04/18 83721
Op 1970/01/1 79508
Op 1970/01/1 66907
Op 1970/01/1 63037
Op 1970/01/1 63012
Op 1970/01/1 54081
Op 1970/01/1 52125