
De AD8325aru is een kosteneffectieve, digitaal gecontroleerde variabele versterkingsversterker die is ontworpen voor coaxiale lijn rijden, zoals in kabelmodems die zich houden aan de MCNS-docsis stroomopwaartse standaard.Het biedt een versterkingsbereik van 59,45 dB, instelbaar in stappen van 0,7526 dB via een 8-bits seriële ingang.Het apparaat beschikt over een digitaal gecontroleerde verzwakker (0 dB tot –59,45 dB), een low-roise fixed-gain buffer en een laagversterkte hoge vermogensversterker.Het accepteert differentiële of enkele ingangen en is geoptimaliseerd voor het aansturen van 75 Ω belastingen zoals coaxiale kabels.Met een uitgangsniveau tot 61 dBMV bij een bandbreedte van 21 MHz, behaalt het de vervormingsprestaties van –57 dBC.De AD8325Aru handhaaft een constante uitgangsimpedantie van 75 Ω tijdens verzend- en uitschakelmodi en omvat een slaapmodus die de ruststroom reduceert tot 4 mA.Werk vanuit een enkele 5 V-voeding, het komt in een 28-lead TSSOP-pakket dat geschikt is voor temperaturen van –40 ° C tot +85 ° C.
Neem voor bulkaankoopaanvragen contact op met ons verkoopteam.

|
Pin -nummer |
Speldnaam |
Beschrijving |
|
1 |
Daten |
Gegevens maken invoer inschakelen |
|
2 |
Sdata |
Seriële gegevensinvoer |
|
3 |
Kletsen |
Klokinvoer |
|
4 |
GND |
Grond |
|
5 |
VCC |
Stroomvoorziening |
|
6 |
Txen |
Verzenden inschakelen |
|
7 |
SLAAP |
Slaapmodusregeling |
|
8 |
GND |
Grond |
|
9 |
VCC |
Stroomvoorziening |
|
10 |
VCC |
Stroomvoorziening |
|
11 |
GND |
Grond |
|
12 |
GND |
Grond |
|
13 |
GND |
Grond |
|
14 |
UIT- |
Differentiële uitvoer (-) |
|
15 |
Out+ |
Differentiële uitvoer (+) |
|
16 |
GND |
Grond |
|
17 |
GND |
Grond |
|
18 |
GND |
Grond |
|
19 |
GND |
Grond |
|
20 |
VCC |
Stroomvoorziening |
|
21 |
VCC |
Stroomvoorziening |
|
22 |
BYP |
Bypass condensatorverbinding |
|
23 |
GND |
Grond |
|
24 |
VCC |
Stroomvoorziening |
|
25 |
GND |
Grond |
|
26 |
Vin- |
Differentiële invoer (-) |
|
27 |
VIN+ |
Differentiële invoer (+) |
|
28 |
GND |
Grond |
U kunt vertrouwen op de AD8325aru voor kabelmodemtoepassingen die zijn ontworpen om te voldoen aan de MCNS-Docsis Upstream-standaard.Het zorgt voor stabiele signaaltransmissie voor omgekeerde padcommunicatie.
De versterking kan worden ingesteld in stappen van 0,75 dB, waardoor precieze aanpassingen over een bereik van 59,45 dB mogelijk zijn.Deze flexibiliteit helpt de prestaties te optimaliseren voor verschillende signaalomstandigheden.
Met een uitgangsniveau van 61 dBMV handhaaft de AD8325ARU de vervormingsniveaus zo laag als –57 dbc bij 21 MHz en –55 dBc bij 42 MHz, waardoor signaalhelderheid wordt gewaarborgd.
De uitgangsruis is slechts –48 dBMV in een bandbreedte van 160 kHz, waardoor interferentie wordt verminderd en de totale signaalkwaliteit wordt verbeterd.
De AD8325Aru houdt een stabiele 75 Ω impedantie tijdens zowel verzending en uitschakelen modi, waardoor betrouwbare signaaltransmissie wordt gewaarborgd.
Het ondersteunt een bovenste bandbreedte van 100 MHz over het volledige versterkingsbereik, waardoor het geschikt is voor hoogfrequente toepassingen.
Ontworpen voor het gemak, de AD8325Aru draait op een enkele 5 V -voorraad, waardoor de integratie in verschillende systemen wordt vereenvoudigd.
Met ondersteuning voor SPI -interfaces kunt u eenvoudig de AD8325aru digitaal regelen en configureren voor naadloze werking.
Technische specificaties van Analog Devices, Inc., AD8325aru.
| Attribuut | Waarde |
| Fabrikant | Analog Devices, Inc. |
| Type | Lijnbestuurder, zender |
| Leverancier Pakket | 28-TSSOP |
| Serie | - |
| Pakket / Geval | 28-TSSOP (0.173 ", 4,40 mm Breedte) |
| Pakket | Buis |
| Montage Type | Oppervlaktemontage |
| Baseren Productnummer | AD8325 |

Het blokdiagram laat zien hoe de AD8325 werkt.Het is een signaalversterker die zwakke signalen verhoogt voordat ze ze uitzendt.
Bij de invoer is er een versterker die zowel single-ended als differentiële signalen aankan.Dit betekent dat het kan werken met verschillende soorten invoerbronnen.De ingangsweerstand is 800Ω voor een signaal met één einde en 1,6 kΩ voor een differentiaal signaal.
Na de invoerversterker gaat het signaal door een Vernier en een verzwakkingskern.Deze twee blokken passen het signaalniveau in kleine stappen aan om de juiste hoeveelheid versterking te krijgen.
Vervolgens verhoogt de stroomversterker het signaal nog meer zodat deze een 75Ω -uitgangsbelasting kan aansturen.Dit is handig voor kabelnetwerken en andere applicaties die een sterk signaal nodig hebben.
Aan de digitale kant, een schuifregister en invoeropdrachten voor gegevensvergrendelingsproces, waardoor de versterker digitaal kan worden gecontroleerd.Deze opdrachten passen de winst en andere instellingen aan.
Er is ook een power-down logic-blok dat helpt het stroomverbruik te verminderen wanneer de versterker niet nodig is.
Verschillende pinnen, zoals gegevens, CLK en daten, worden gebruikt voor digitale besturing, terwijl TXEN en slaap helpen bij het beheren van stroommodi.De versterker werkt op een 5V -voeding.

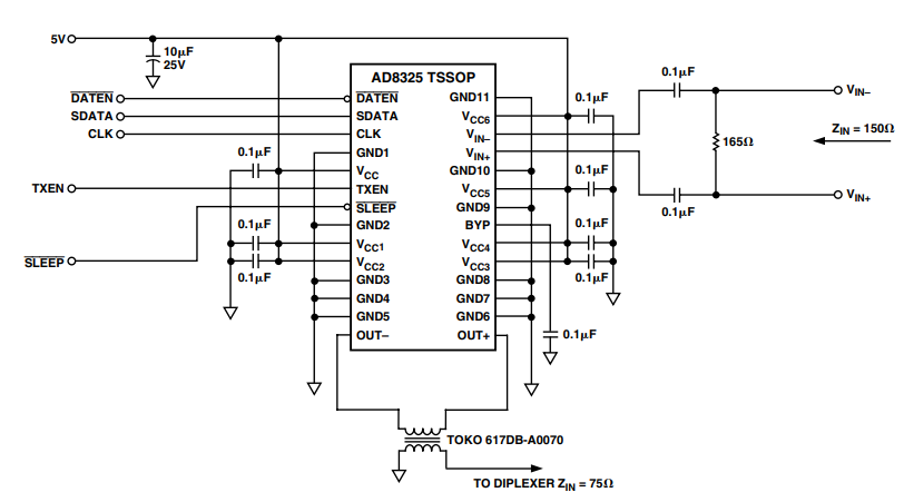
Dit circuitdiagram laat zien hoe de AD8325 -versterker is aangesloten in een systeem.Het neemt een signaal in, past zijn sterkte aan en stuurt het voor verder gebruik.
De 5V -voeding bovenaan biedt de nodige stroom voor de versterker.Een 10 µF -condensator helpt de stroomstabiele te houden door ruis eruit te filteren.Verschillende 0,1 µF -condensatoren worden door het circuit geplaatst om het vermogen en de signaallijnen verder te gladstrijken.
Aan de linkerkant laten bedieningssignalen zoals daten, sdata, clk, txen en slaap digitale controle over de versterker toe.Deze signalen passen de winst aan en zetten de versterker in of uit indien nodig.
Aan de rechterkant ontvangt de versterker een ingangssignaal bij VIN+ en VIN-, dat door 165Ω weerstanden gaat om de juiste ingangsweerstand in te stellen.De invoerimpedantie is ongeveer 150Ω, wat betekent dat het is ontworpen om te werken met signalen uit bronnen die overeenkomen met deze waarde.
Binnen de AD8325 wordt het signaal verwerkt en vervolgens naar de uitgang verzonden (Out+ en Out-).Een transformator, gelabeld TOKO 617DB-A0070, is verbonden op de uitgang om de impedantie te matchen met 75Ω, waardoor het geschikt is voor verdere transmissie, zoals een diplexer.
Over het algemeen zorgt dit circuit ervoor dat de versterker een schone voeding krijgt, een goed ingangssignaal ontvangt en een goed geconditioneerd uitgangssignaal verzendt.De digitale besturingssignalen maken aanpassingen indien nodig mogelijk, waardoor de versterker flexibel is voor verschillende toepassingen.
De AD8325Aru is ontworpen als een digitaal gecontroleerde, variabele versterkingslijndriver.Hiermee kunt u de versterking aanpassen over een breed 59,45 dB -bereik, waardoor het een geweldige keuze is voor signaalversterking in verschillende transmissie -opstellingen.
Als u met docsis-conforme kabelmodems werkt, zorgt de AD8325Aru voor stabiele stroomopwaartse communicatie.De lage vervorming en precieze versterkingscontrole helpen de betrouwbare gegevensoverdracht te behouden.
In interactieve tv- en kabelset-topboxen helpt de AD8325ARU de signaalsterkte te beheren voor een soepele gegevensuitwisseling tussen het apparaat en het kabelnetwerk, waardoor een betere kijkervaring wordt gewaarborgd.
Voor pc-gebaseerde kabelmodems biedt deze versterker een consistente signaalkwaliteit, waardoor internetconnectiviteit en gegevensoverdrachtsrente in thuis- en kantooropstellingen worden verbeterd.
Naast kabeltoepassingen kunt u de AD8325ARU gebruiken in elk systeem dat nauwkeurige digitale versterkingscontrole vereist.Het flexibele ontwerp maakt het geschikt voor verschillende signaalverwerkingstaken.

Dit diagram toont de fysieke grootte en vorm van de AD8325aru -chip.Het biedt metingen om ervoor te zorgen dat de chip correct past op een printplaat.
Het bovenaanzicht toont dat de chip rechthoekig is met 28 pins - 14 aan elke kant.De breedte ligt tussen 9,60 mm en 9,80 mm en de hoogte is ongeveer 6,40 mm.Pin 1 is gemarkeerd om te helpen met de juiste oriëntatie tijdens plaatsing.
De zijaanzichten geven meer details over de hoogte- en pin -hoeken.De maximale hoogte is 1,20 mm, wat betekent dat deze laag op het bord zit.De pennen strekken zich uit naar buiten onder een hoek tussen 0 ° en 8 °, helpen bij het solderen en verbindingsstabiliteit.
Andere details omvatten het zitvlak, dat laat zien hoe de chip op het bord zit en coplanariteit, waardoor alle pinnen goed contact maken.
Deze omtrekafmetingen volgt Jedec MO-153-AE-normen, wat betekent dat het de gemeenschappelijke richtlijnen voor de industrie volgt, waardoor het gemakkelijker wordt om in verschillende circuits te ontwerpen.
|
Onderdeelnummer |
Fabrikant |
Belangrijke functies |
Use case/notes |
|
Analog Devices Inc. |
Vergelijkbaar met AD8325, met een 28-TSSOP-pakket en Ontwerp van het oppervlak.Beschikbaar in bulkverpakkingen. |
Gebruikt bij high-speed gegevensoverdracht, met name in breedbandnetwerken. |
|
|
Analog Devices Inc. |
Lijnbestuurder en zender in een 20-QSOP-pakket, waardoor Het is compacter.Ontwerp van het oppervlak. |
Geschikt voor toepassingen waar ruimte een beperking is, maar High-performance signaaltransmissie is vereist. |
|
|
Analog Devices Inc. |
Identiek aan AD8322aru-reel maar geleverd in buis verpakking.28-TSSOP-pakket voor oppervlakte-montage. |
Gebruikt in vergelijkbare breedbandcommunicatiesystemen, die aanbieden stabiele signaaltransmissie. |
Analog Devices Inc. is een toonaangevend bedrijf dat bekend staat om het ontwikkelen van krachtige analoge en digitale signaalverwerkingoplossingen.U kunt hun technologie vinden in een breed scala van industrieën, waaronder communicatie, gezondheidszorg en industriële automatisering.Hun producten zijn ontworpen om betrouwbare prestaties en precisie te leveren, waardoor ze een vertrouwde keuze zijn voor ingenieurs en bedrijven wereldwijd.Met een sterke focus op innovatie en kwaliteit, zorgen analoge apparaten ervoor dat elk onderdeel voldoet aan de industriële normen, waardoor u de tools biedt die nodig zijn voor naadloze integratie in uw applicaties.
De AD8325aru is een betrouwbare, digitaal gecontroleerde versterker die is ontworpen voor kabelmodems en andere communicatiesystemen.Het biedt verstelbare versterking, lage ruis en stabiele signaaltransmissie, waardoor het een geweldige keuze is voor hoogfrequente toepassingen.Met eenvoudige digitale besturing, een eenvoudige 5V -voeding en een compact ontwerp, past het goed in veel setups.Of u nu signalen voor kabelnetwerken of ander gebruik moet stimuleren, deze versterker biedt een sterke en flexibele oplossing.
Stuur een aanvraag, we zullen onmiddellijk reageren.
De AD8325aru is een digitaal gecontroleerde versterker die is ontworpen voor kabelmodemtoepassingen.Het helpt signalen in coaxkabelnetwerken te stimuleren en zorgt voor een duidelijke en stabiele gegevensoverdracht.
De versterking wordt digitaal aangepast in stappen van 0,75 dB over een bereik van 59,45 dB met behulp van een 8-bits seriële interface.Dit zorgt voor een nauwkeurige controle van het signaalniveau.
Het ondersteunt zowel single-end en differentiële invoersignalen.Dit maakt het compatibel met verschillende systemen en signaalbronnen.
Het werkt op een enkele 5V -voeding, waardoor het gemakkelijk is om in verschillende circuits te integreren zonder dat meerdere spanningsniveaus nodig zijn.
Ja, het heeft een slaapmodus die het stroomverbruik vermindert tot 4 mA wanneer het niet wordt gebruikt.Het handhaaft ook een stabiele uitvoerimpedantie in zowel ingeschakelde als gehandicapte toestanden.
Op 2025/02/19
Op 2025/02/19
Op 8000/04/17 147721
Op 2000/04/17 111786
Op 1600/04/17 111328
Op 0400/04/17 83650
Op 1970/01/1 79366
Op 1970/01/1 66808
Op 1970/01/1 62967
Op 1970/01/1 62861
Op 1970/01/1 54050
Op 1970/01/1 52032