De CD4050 IC is een veelgebruikte hexbufferchip met zes niet-inverterende buffers.Het is perfect voor toepassingen zoals signaalregeneratie en spanningsniveau -conversie.Dit artikel behandelt de functies, werkprincipes, pin-configuratie en applicaties op een eenvoudige, lezervriendelijke manier.

De CD4050 IC is een hexbufferchip met zes niet-inverterende buffers die signalen doorgeven ongewijzigd, ideaal voor spanningsniveau-conversie en signaalregeneratie.Het kan maximaal twee TTL- of DTL -apparaten tegelijkertijd aandrijven, en biedt betrouwbare prestaties met een laag stroomverbruik.De huidige capaciteit van hoge gootsteen zorgt ervoor dat het meerdere belastingen efficiënt verwerkt, waardoor het een veelzijdige keuze is voor digitale circuits.
Deze sectie biedt de belangrijkste hoogtepunten en specificaties van de CD4050 IC, inclusief de bedrijfsspanning, het huidige verbruik en de prestatiestatistieken.
| Parameter | Specificatie |
| Werkspanning | 3V - 15V DC |
| Huidig verbruik (max) | 50 ma |
| Zink huidige mogelijkheid | Hoge gootsteenstroom voor het rijden 2 TTL -ladingen |
| Maximale uitgangsspanning op laag niveau | 0,5 V bij 5V VCC |
| Minimale uitgangsspanning op hoog niveau | 4.95V bij 5V VCC |

| Pin -nummer | Pin -type | Beschrijving/richting |
| 1 | VCC | Positieve invoertoevoer |
| 2 | G | Niet-omgekeerde uitgang 1 |
| 3 | A | Input 1 |
| 4 | H | Niet-omgekeerde uitgang 2 |
| 5 | B | Input 2 |
| 6 | I | Niet-omgekeerde uitgang 3 |
| 7 | C | Input 3 |
| 8 | VSS | Negatieve levering |
| 9 | D | Input 4 |
| 10 | J | Niet-omgekeerde uitgang 4 |
| 11 | E | Input 5 |
| 12 | K | Niet-omgekeerde uitgang 5 |
| 13 | NC | Geen verbinding |
| 14 | F | Input 6 |
| 15 | Lot | Niet-omgekeerde output 6 |
| 16 | NC | Geen verbinding |
De CD4050 IC is ontworpen met niet-inverterende buffers die het ingangssignaal behouden zoals het is, zonder de logische status te wijzigen.In tegenstelling tot een omvormer, die het signaal omdraait, zorgt een niet-inverterende buffer ervoor dat de uitgang overeenkomt met de invoer.Het primaire doel is om het signaal te versterken en bij de uitgang een duidelijk hoog of laag te leveren.

Elke buffer binnen de IC heeft een enkele ingang en een enkele uitgang.De uitgang is altijd gelijk aan de invoer, waardoor deze geschikt is voor toepassingen waarbij signaalintegriteit moet worden bewaard.Deze buffers kunnen ook een lichte voortplantingsvertraging introduceren, die nuttig kan zijn in specifieke circuitontwerpen.
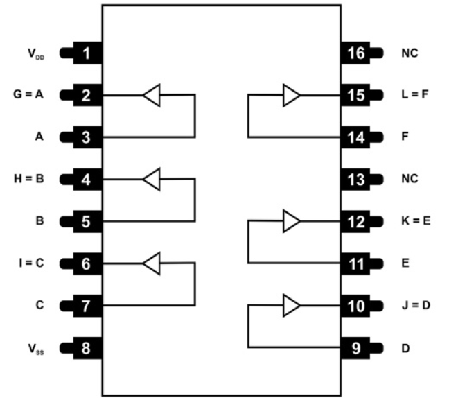
De interne structuur van de CD4050 IC bevat zes niet-omkeringsbuffers, elk gekoppeld aan specifieke invoer- en uitvoerpennen.De onderstaande afbeelding illustreert hoe deze buffers zijn gerangschikt in de IC en toont hun verbindingen met de overeenkomstige pennen.Wanneer een signaal bijvoorbeeld wordt toegepast op ingang A (pin 3), is de uitgang identiek op G (pin 2).Evenzo komt input B overeen met uitgang H, input C tot uitvoer I, enzovoort.

Dit consistente gedrag zorgt ervoor dat de IC inputsignalen betrouwbaar weerspiegelt bij zijn uitgangen zonder wijzigingen in hun logische toestand.
De onderstaande tabel benadrukt de waarheidstabel voor de IC en bevestigt dat de uitvoer altijd overeenkomt met de invoer.Of de ingang hoog of laag is, de uitgang weerspiegelt dezelfde toestand, waardoor naadloze signaalintegriteit wordt gewaarborgd.
| Ingangssignaal (A, B, C, D, E, F) | Uitgangssignaal (G, H, I, J, K, L) |
| HOOG | HOOG |
| LAAG | LAAG |
• Soic
• PDIP
• CDIP
De CD4050 IC wordt gebruikt om signalen veilig aan te passen van hogere tot lagere spanningsniveaus, waardoor compatibiliteit tussen circuits op verschillende spanningen mogelijk wordt.
Deze IC dient als een hex -converter, waardoor soepele interface tussen DTL- en TTL -logische families mogelijk is, waardoor meerdere signalen gemakkelijk worden behandeld.
De CD4050 kan fungeren als een huidige gootsteen of bron, waardoor de stabiele stroomstroom ervoor zorgt om meerdere belastingen in CMOS -systemen effectief te stimuleren.
Het 2D-model van het niet-inverterende IC, hieronder getoond, omvat de afmetingen in zowel millimeters als inches.Deze informatie is handig voor het maken van aangepaste voetafdrukken en is ideaal voor gebruik in PCB -ontwerp en CAD -modellering.

Stuur een aanvraag, we zullen onmiddellijk reageren.
Op 2024/12/20
Op 2024/12/20
Op 8000/04/18 147757
Op 2000/04/18 111936
Op 1600/04/18 111349
Op 0400/04/18 83721
Op 1970/01/1 79508
Op 1970/01/1 66909
Op 1970/01/1 63044
Op 1970/01/1 63012
Op 1970/01/1 54081
Op 1970/01/1 52125