
De Fast Fourier -transformatie (FFT) is een fundamenteel algoritme in digitale signaalverwerking, waardoor de efficiënte conversie van gegevens tussen de tijd- en frequentiedomeinen mogelijk wordt.Geïntroduceerd door Cooley en Tukey in 1965, heeft het een revolutie teweeggebracht in computationele wiskunde door de complexiteit van de discrete Fourier Transform (DFT) van N te verminderen2 bewerkingen naar 𝑁 log 𝑁.De FFT bereikt deze efficiëntie door grote sequenties af te breken in kleinere sub-sequenties, ze recursief te verwerken en de symmetrie en periodiciteit van sinusvormige golfvormen te benutten.Veelgebruikte ontledingsstrategieën zoals Radix-2 en Radix-4 maken gestroomlijnde berekeningen mogelijk, waardoor FFT praktisch maakt voor toepassingen zoals audioverwerking, telecommunicatie en beeldanalyse.Naast het berekenen van DFT's, is de FFT geweldig voor taken zoals inverse transformaties, convolutie en correlatie, waardoor een perfecte balans is tussen wiskundige theorie en computationele praktische bruikbaarheid.In de loop van de tijd hebben verfijningen in Radix -methoden en hybride benaderingen de prestaties ervan verder geoptimaliseerd, waardoor de FFT wordt gecementeerd als een belangrijk hulpmiddel in moderne technologie.
De Fast Fourier Transform (FFT) maakt een revolutie teweeg in hoe de discrete Fourier -transformatie (DFT) wordt berekend door deze te breken in kleinere, efficiënte segmenten, die eigenschappen zoals periodiciteit en symmetrie gebruiken om redundante berekeningen te elimineren.Innovaties zoals het Winograd Fourier Transform-algoritme (WFTA) en het Prime Factor-algoritme verbeteren de efficiëntie verder, met name bij het verwerken van sequenties van specifieke lengtes of prime-genummerde ingangen.Deze geavanceerde algoritmen hebben diepgaande praktische toepassingen, van het versnellen van de digitale signaalverwerking tot het optimaliseren van het gebruik van hulpbronnen in complexe gegevensanalyse.Naast technische winst, verdiepen FFT en zijn derivaten ons begrip van wiskundige en computationele principes, waardoor de elegantie van het oplossen van complexe problemen door systematische vereenvoudiging wordt getoond.
FFT -algoritmen worden geclassificeerd op basis van hun gebruik van exponentiële factoren.Elk type heeft unieke toepassingen en computationele technieken.
Het Cooley-Tukey-algoritme is een krachtige techniek die uitblinkt in het factureren van composietnummers in beheersbare componenten.Door te vertrouwen op modulaire ontleding, verbetert het de rekenprestaties.Deze methode optimaliseert berekeningen door problemen iteratief op te breken, waardoor ze gemakkelijker te oplossen zijn.De aanpak is vergelijkbaar met modulair ontwerp in engineering, omdat het complexe systemen vereenvoudigt om foutenbeheer en efficiëntie te verbeteren.

Het Radix-2-algoritme is een speciaal geval van de cooley-tukey-methode, speciaal ontworpen voor gegevenslengtes die krachten van twee zijn.Het werkt door de input te splitsen in twee interleaved segmenten, waardoor een efficiënte balancering van bewerkingen mogelijk is.Een belangrijke sterkte van deze benadering is de rechtlijnigheid en betrouwbaarheid, waardoor het veel wordt gebruikt.Dit algoritme is ideaal voor datasets met lengtes in de vorm van 2𝑛.

De algoritmen voor split-radix en gemengde Radix zijn ontworpen om invoergroottes te verwerken die niet beperkt zijn tot krachten van twee.Het split-Radix-algoritme combineert elementen van Radix-2 en Radix-4-methoden om de computationele efficiëntie te verbeteren, terwijl het gemengde Radix-algoritme zich aanpast aan niet-power-of-twee gegevenslengtes door de invoergrootte flexibel te laten factureren.Een belangrijke sterkte van deze algoritmen is hun veelzijdigheid en efficiëntie, waardoor ze goed geschikt zijn voor het verwerken van gegevens met willekeurige lengtes.Door factorisatietechnieken aan te passen, handhaven ze een hoge rekensnelheid, ongeacht de invoergrootte.

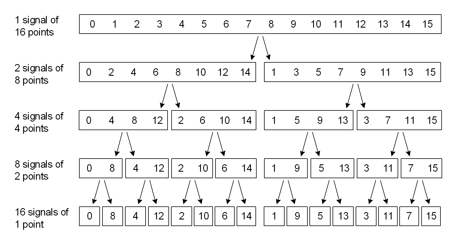
Het begrijpen van FFT (snelle Fourier -transformatie) omvat het onderzoeken van zowel de tijd- als frequentiedomeinen in detail.In het tijdsdomein worden gegevens opgesplitst in even en oneven onderdelen om de verwerking te vereenvoudigen.Deze methode, in combinatie met het algoritme "Butterfly", helpt berekeningen te organiseren en maakt het proces efficiënt door alles op zijn plaats te houden tijdens berekeningen.
Tijd-domein ontleding: Het breken van gegevens in kleinere onderdelen in het tijdsdomein maakt FFT gemakkelijker te begrijpen en efficiënter.Elke stap onthult meer details over de volgorde, vergelijkbaar met het oplossen van een groot probleem door het in te breken in kleinere, beheersbare taken.Deze stapsgewijze aanpak verbetert zowel verwerkingssnelheid als begrip.
Beginnend met het frequentiedomein: Vanaf het frequentiedomein biedt een andere manier om FFT te verwerken.Deze aanpak werkt goed wanneer frequentiegegevens de focus zijn en het werk gelijkmatiger verspreiden.Het laat zien hoe algoritmen zich kunnen aanpassen aan verschillende gegevensstructuren en behoeften.
Het algoritme "Butterfly": Het algoritme "Butterfly" is de sleutel tot FFT, en vereenvoudigt en visualiseert hoe gegevens worden getransformeerd.Het brengt de gegevensstroom bij elke stap in kaart, waardoor het gemakkelijker is om complexe berekeningen te begrijpen, net als een goed getekende kaart die navigatie vereenvoudigt.
Synchroniserende resultaten: Door middel van tussenliggende en eindresultaten afgestemd te houden met de in-place verwerking van FFT zorgt voor nauwkeurigheid en efficiëntie.Deze coördinatie vermindert fouten, middelen verstandig en handhaaft precisie in verschillende toepassingen.
De opmerkelijke capaciteit van de FFT om discrete Fourier -transformaties te stroomlijnen, maakt tijdsignaalverwerking mogelijk.In communicatiesystemen wordt de snelle verschuiving tussen tijd en frequentiedomeinen gebruikt voor het efficiënt beheren van verschillende gegevenstypen.Deze transformatie wordt aangedreven door de FFT, die computationele eisen minimaliseert, een lagere latentie en verbeterde doorvoer te bereiken, zelfs te midden van de fijne kneepjes van moderne netwerken.
De FFT is een belangrijke rol bij het verwerken van audiosignaal door de geluidskwaliteit te verfijnen, ruis te verminderen en effecten te moduleren.Naast traditionele audiotaken, heeft het nu invloed op meeslepende auditieve ervaringen zoals 3D -geluidsmodellering en tijd -audio -weergave.Gebruik de high-fidelity spectrale gegevens die door de FFT worden aangeboden om rijkelijk gedetailleerde soundscapes te maken, in navolging van de gevoelens die zijn ingebed in hun kunst.
Voor radar- en sonarsystemen staat signaalconversie -efficiëntie centraal op het detecteren, analyseren en reageren op verschillende ingangen.De FFT verandert onbewerkte gegevens in toegankelijke statistieken, waardoor snelle besluitvorming wordt vergemakkelijkt in contexten zoals militaire, luchtvaart- en maritieme operaties.Anderen zijn afhankelijk van de excellentie van de FFT om de betrouwbaarheid en nauwkeurigheid in deze toepassingen te handhaven.
Spectrumanalyse wordt sterk verbeterd door de nauwkeurigheid en snelheid van de FFT.Het vereenvoudigt ingewikkelde signalen in individuele frequenties, wat helpt bij het begrijpen van signaalgedrag en interactie, waardoor het bevorderen van geavanceerde digitale signaalverwerkingssystemen.Deze toepassing is gunstig op tal van gebieden, waaronder draadloze communicatie en elektronica, waar een duidelijke signaalinterpretatie onze intrinsieke zoektocht naar begrip aanspreekt.
Stuur een aanvraag, we zullen onmiddellijk reageren.
Op 2024/12/29
Op 2024/12/29
Op 8000/04/18 147757
Op 2000/04/18 111936
Op 1600/04/18 111349
Op 0400/04/18 83721
Op 1970/01/1 79508
Op 1970/01/1 66907
Op 1970/01/1 63040
Op 1970/01/1 63012
Op 1970/01/1 54081
Op 1970/01/1 52125