
De LM317T valt op als een zeer aanpasbare spanningsregelaar ingekapseld in een TO-220-pakket, bekend om zijn ongecompliceerde ontwerp en indrukwekkende prestaties bij het beheren van positieve spanningsuitgangen.Het is geschikt voor stromen groter dan 1,5A, waardoor het stroombeheer wordt versoepeld met behulp van een resistieve verdeler voor exacte spanningsafstemming.Deze mogelijkheid ondersteunt een breed spanningsbereik, waardoor de behoefte aan meerdere vaste toezichthouders wordt verminderd.De LM317T wordt gekenmerkt door functies die efficiënte stroomregulering ondersteunen.De vaardigheid ervan bij het handhaven van een stabiele uitgangsspanning ondanks variabele inputomstandigheden onderstreept de efficiëntie ervan.Bij het gebruik van de LM317T, de thermische overbelastingsbeveiliging en kortsluitbeveiliging, waardoor consistente prestaties en veerkracht bieden, zelfs in veeleisende omgevingen.De LM317T is vaak geïntegreerd in voedingscircuits voor apparaten met verschillende spanningsvereisten.Het eenvoudige ontwerp zorgt voor eenvoudige aanpassingen en onderhoud en biedt voordelen in educatieve instellingen en experimentele opstellingen.

|
PIN NR |
Speldnaam |
Beschrijving |
|
1 |
Aanpassen |
Deze pin past de uitgangsspanning aan |
|
2 |
Uitgangsspanning (Vout) |
De gereguleerde uitgangsspanning ingesteld door de aangepaste pin kan
worden verkregen uit deze pin |
|
3 |
Ingangsspanning (VIN) |
De ingangsspanning die moet worden gereguleerd, wordt gegeven
deze pin |


Een opvallend aspect van de LM317T is het instelbare spanningsbereik van 1,2 V tot 37V, dat geschikt is voor toepassingen die een verfijnde spanningsbeheer nodig hebben.Deze veelzijdigheid is een beroep op veel elektronische toepassingen, waardoor ontwerpcomplicaties worden verminderd.
Met ondersteuning voor stromingen boven 1,5A is de LM317T afgestemd op hoogworp circuits met een focus op het handhaven van stabiliteit over verschillende vermogensbehoeften.Dit kenmerk draagt bij aan naadloze apparaatbewerking, waardoor het een gewaardeerde component is waar stroomvereisten onvoorspelbaar zijn.
De LM317T blinkt uit in het handhaven van een strakke lijn en belastingsregeling op 0,1%, waardoor de spanningsvariabiliteit wordt geminimaliseerd die gevoelige componenten kan verstoren of afbreken.
Het drijvende spanningsontwerp van de LM317T verbetert de flexibiliteit van de circuitlay -out en ondersteunt het gebruik ervan in negatieve spanningsscenario's zonder gecompliceerde configuraties te noodzakelijk maken.Deze mogelijkheid wordt voordelig wanneer meerdere regulatoren binnen een enkel systeem worden geïntegreerd.
De LM317T is uitgerust met overstroombeveiliging, thermische afsluiting en SOA -controle en biedt robuuste waarborgen, waarbij systeemintegriteit wordt versterken tegen gemeenschappelijke bedreigingen zoals kortsluiting en oververhitting.Door deze functies creëren velen een harmonieuze mix van innovatie en betrouwbaarheid, waardoor de productprestaties en een lange levensduur worden voortgezet.
|
Type |
Parameter |
|
Levenscyclusstatus |
Actief (laatst bijgewerkt: 7 maanden geleden) |
|
Contact opnemen |
Tin |
|
Montagetype |
Door gat |
|
Aantal pinnen |
3 |
|
Fabrikantpakketidentifier |
0015988_TYPEA_REV_T |
|
Verpakking |
Buis |
|
JESD-609 Code |
E3 |
|
Vochtgevoeligheidsniveau (MSL) |
1 (onbeperkt) |
|
ECCN -code |
EAR99 |
|
Aantal functies |
1 |
|
Basisonderdeelnummer |
LM317 |
|
Aantal uitgangen |
1 |
|
Uitgangspanning |
37V |
|
Factory doorlooptijd |
24 weken |
|
Inzetten |
Door gat |
|
Pakket / kast |
TO-220-3 |
|
Gewicht |
2.299807g
|
|
Bedrijfstemperatuur |
0 ° C ~ 125 ° C |
|
Tolerantie |
5% |
|
Onderdeelstatus |
Actief |
|
Aantal beëindigingen |
3 |
|
Eindpositie |
ENKEL |
|
Eindpunt |
2,54 mm |
|
Telling |
3 |
|
Spanning - Input (Max) |
40V |
|
Uitgangstype |
Verstelbaar |
|
Max uitgangsstroom |
1.5a |
|
Max uitgangsspanning |
37V |
|
Min -ingangsspanning |
4.2V |
|
PSRR |
80db ~ 85dB (120Hz) |
|
Min -uitgangsspanning |
1.2V |
|
Hoogte |
9,15 mm |
|
Breedte |
4,6 mm |
|
Stralingsharding |
Nee |
|
Leid gratis |
Leid gratis |
|
Uitvoerconfiguratie |
Positief |
|
Aantal toezichthouders |
1 |
|
Beschermingsfuncties |
Overstroom, over temperatuur |
|
Referentiespanning |
1.25V |
|
Voedingsafwijzingsverhouding (PSRR) |
80db |
|
Lengte |
10,4 mm |
|
Bereik SVHC |
Geen SVHC |
|
ROHS -status |
ROHS3 -compatibel |

|
Onderdeelnummer |
Beschrijving |
Fabrikant |
|
LM317KC |
3/4 pin 1,5A instelbare positieve spanningsregelaar
3-tot-220 0 tot 125 |
Texas instrumenten |
|
LM317T#PBF |
IC Vreg 1.2 V-37 V Instelbare positieve regulator, PSFM3,
Plastic, TO-220, 3 PIN, instelbare positieve standaardregelaar met één uitgang |
Lineaire technologie |
|
LM317T/NOPB |
IC Vreg 1.2 V-37 V Instelbare positieve regulator, PSFM3,
ROHS-conforme, plastic, tot-220, 3 pin, verstelbare positieve enkele uitgang
Standaardregelaar |
National Semiconductor Corporation |
|
LM317T2 |
1.2 V-37V Verstelbare positieve regulator, PSFM3, Plastic,
TO-220, 3 pins |
Op halfgeleider |
Extra LM317T -equivalenten zijn onder meer:LM317EMP,,LM317AEMP,,LM317LIDR,, LM317LMX, en anderen.
De LM317 vindt uitgebreid gebruik in toepassingen met variabele spanningsvoeding vanwege de mogelijkheid om de uitgangsspanningsniveaus aan te passen.In educatieve omgevingen en elektronische laboratoria ondersteunt het de ontwikkeling en het testen van verschillende circuits.Met een flexibel outputbereik van 1,25 V tot 37V, geniet van een breed spectrum van mogelijkheden.
Voor toepassingen die de huidige beperking vereisen, levert de LM317 een effectieve en eenvoudige aanpak.Dit kenmerk blijkt gunstig in batterijladers en energiebeheersystemen waar het beveiligen tegen overstroom nodig is.Door een weerstand in serie met de uitgang in te voegen, zorgt de regulator ervoor dat de stroom binnen veilige grenzen wordt gehandhaafd, waardoor zowel de stroombron als de verbonden apparaten worden behouden.Een dergelijke methode verhoogt opmerkelijk de levensduur van het apparaat en betrouwbaarheid.
Het aanpassingsvermogen van de LM317 breidt zijn nut breidt uit tot motorcontrollers, waar het spanning regelt voor DC -motoren in robotica en automatiseringsinstellingen, en biedt een precieze motortapientregeling.Deze regulator vergemakkelijkt soepele overgangen in versnelling en vertraging, die met name worden gebruikt voor toepassingen die precieze bewegingen eisen, zoals in robotarmen of CNC -machines.De efficiëntie van het bieden van stabiele motorfunctie onder veranderende belastingsomstandigheden accentueert de bruikbaarheid ervan in gevarieerde industriële scenario's.
Ondanks zijn robuuste functies, vereist de 2.5V -dropout -spanning van de LM317 een zorgvuldige evaluatie.Dit aspect heeft mogelijk invloed op de toepassing ervan in scenario's met laag spanningen waarbij het input-to-output differentiaal minimaal moet zijn.U moet verifiëren dat de ingangsspanning de gewenste uitgang overtreft met ten minste deze uitvalwaarde om een effectieve werking te garanderen.In gevallen waarin de uitvalspanning de functionaliteit kan beperken, kan het overwegen van alternatieve regulatoren met low-dropout (LDO) geschikter zijn, waarbij technische benodigdheden worden afgewogen met creatieve oplossingen.
De LM317 vindt wijdverbreid gebruik in verschillende consumentenelektronica zoals pc's en dvd -spelers.De betrouwbaarheid en de eenvoud zijn geliefd bij de stroomreguleringstaken, die zich uitstrekken van het leveren van stroom tot logische circuits tot het stabiliseren van spanning voor gevoelige componenten.Deze veelzijdigheid benadrukt de rol van de LM317 bij het stimuleren van de prestaties en betrouwbaarheid van het apparaat, wat bijdraagt aan de ononderbroken functie van huishoudelijke apparaten.
Door de instelbare uitgangscapaciteit van de LM317 kan het de consistente spanningsuitgang handhaven ondanks schommelingen in ingangsspanning of belastingsomstandigheden, waardoor gevoelige elektronische apparaten betrouwbaar werken.Spanningsregeling speelt een rol in toepassingen zoals batterijladers en draagbare apparaten.Een stabiel spanningsniveau kan de levensduur van de batterij verlengen en de prestaties van het apparaat verbeteren.
Huidige beperking is de sleutel tot het voorkomen van overstroomcondities die circuitcomponenten kunnen schaden.Door automatisch aan te passen om de stroom te beheren, dient het als een efficiënt schild tegen onbedoelde hoogstroomscenario's.In praktische instellingen is het vereist in circuits die een verscheidenheid aan componenten met verschillende huidige beoordelingen bevatten, het handhaven van een veilige en optimale werking zonder oververhitting of falen.
Polariteitsbescherming behandelt gemeenschappelijke problemen zoals onjuiste voedingsverbindingen die vaak worden aangetroffen tijdens productprototyping of routinematige aanpassingen.Circuitontwerp en onderhoud toont de waarde van polariteitsbescherming bij het waarborgen van duurzaamheid op lange termijn en betrouwbare prestaties onder verschillende operationele omstandigheden.

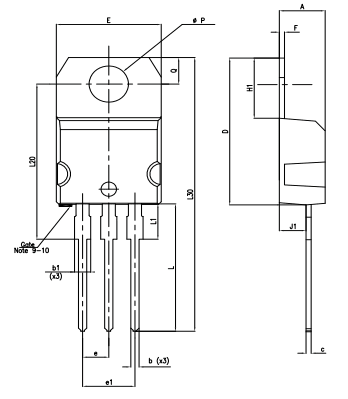
TO-220 (single gauge) pakketinformatie

TO-220 (enkele meter) Mechanische gegevens
STMICROElectronics staat prominent aanwezig in de halfgeleiderindustrie en verrijkt de ontwikkeling en creativiteit van systeem op chip (SOC) -technologie.De impact van het bedrijf strekt zich uit over verschillende micro -elektronische toepassingen, die de wereldwijde industrieën beïnvloeden en het combineren van diverse technologieën bevorderen.STMICROElectronics staat bekend om zijn vooruitgang in SOC -oplossingen, waarbij verschillende functies worden samengevoegd op een enkele chip.Deze integratie is gericht op het verbeteren van de prestaties, het verlagen van het stroomverbruik en het verkleinen van de totale grootte van het systeem.De toewijding van STMicroelectronics aan innovatie stimuleert zijn verkenning van nieuwe gebieden in micro -elektronica, wat een voortdurende ontwikkeling van vaardigheden aanmoedigt.Hun onderzoeks- en ontwikkelingsinitiatieven zijn niet alleen gericht op het verbeteren van de huidige technologieën, maar ook om nieuwe modellen te formuleren die moderne kwesties zoals duurzame ontwikkeling en energiebesparing aanpakken.
Stuur een aanvraag, we zullen onmiddellijk reageren.
In tegenstelling tot de LM337 biedt de LM317 een verstelbare output die velen in het veld elektronica fascineert.Het vereenvoudigt het circuitontwerp en verbetert de regulatiekenmerken, die een beroep doen op het zoeken naar betrouwbare oplossingen voor energiebeheer.Het aanpassingsvermogen maakt het vaak een voorkeurskeuze in aangepaste voedingen, gewaardeerd vanwege de betrouwbare prestaties.
Het vermogen van de LM317 om variabele spanningsuitgangen te leveren wordt zeer gewaardeerd.Het wordt vaak gebruikt in toepassingen met specifieke vermogens-, invoer- en belastingsvereisten.Aan deze ingewikkelde vereisten wordt vaak voldaan in zowel industriële omgevingen als doe -het -zelfprojecten waar precisiespanningscontrole vereist is, om de gewenste resultaten efficiënt te bereiken.
Hoewel af en toe verkeerd begrepen als een triode, dient de LM317 als een instelbare anode -spanningsregelaar.Deze speciale focus op spanningsregeling is belangrijk in verschillende toepassingen, zoals laboratoriumvoedingen of batterijladers, waar een gestage output onder fluctuerende inputomstandigheden nodig is.
De LM317T onderscheidt zich door te worden ondergebracht in een plastic pakket tot 220, met functies zoals verbeterde duurzaamheid en eenvoudiger montage.Deze kenmerken worden in situaties waarin het effectief beheren van warmte en het behoud van de ruimte noodzakelijk is, waardoor deze variant populair is in scenario's die efficiënte thermische prestaties vereisen.
Terwijl de vaste output van de LM78XX -serie contrasteert met de instelbare verordening van de LM317, schijnt de flexibiliteit van deze laatste in circuits die zich moeten aanpassen aan verschuivende spanningsbehoeften.Dergelijk aanpassingsvermogen is nuttig bij het ontwerpen van systemen die goed reageren op experimentele of dynamische technologische omgevingen, waardoor duidelijke voordelen bieden ten opzichte van de vaste tegenhangers.
Op 2024/11/19
Op 2024/11/19
Op 8000/04/18 147772
Op 2000/04/18 112009
Op 1600/04/18 111351
Op 0400/04/18 83768
Op 1970/01/1 79565
Op 1970/01/1 66960
Op 1970/01/1 63100
Op 1970/01/1 63040
Op 1970/01/1 54097
Op 1970/01/1 52184