
De EPM3256AQC208-10 is een programmeerbaar logisch apparaat dat is ontworpen om digitale besturings- en interfacetaken op het middenniveau binnen één component af te handelen.Het combineert configureerbare logische bronnen met voorspelbaar timinggedrag, waardoor meerdere vaste logische functies kunnen worden geconsolideerd in één flexibel ontwerp.Het apparaat ondersteunt updates na installatie, waardoor ontwerpwijzigingen kunnen worden doorgevoerd zonder vervanging van hardware.Het wordt vaak toegepast in regelcircuits, interface-aanpassing, adresdecodering en eenvoudige sequencing-functies.De structuur bevordert een stabiele signaalverwerking en consistente respons, waardoor het geschikt is voor systemen die afhankelijk zijn van gedefinieerde logische paden in plaats van verwerking met hoge dichtheid.Op zoek naar EPM3256AQC208-10?Neem contact met ons op om de huidige voorraad, levertijd en prijzen te controleren.
[AFBEELDING VAN 208-pins PQFP-pakket pin-outdiagram]
De vierkante pakketindeling definieert de fysieke pinopstelling voor het 208-pins plastic quad flat pack dat door het apparaat wordt gebruikt, met pinnen gelijkmatig verdeeld over alle vier de zijden.Pin 1 is gemarkeerd in de linkerbovenhoek en de nummering verloopt opeenvolgend rond de omtrek van het pakket, waarbij referentiepunten worden weergegeven bij pin 53, 105 en 157 om zijovergangen aan te geven.De omtrek van het pakket is niet op schaal getekend, waarbij de nadruk ligt op oriëntatie en nummering in plaats van op afmetingen.Centrale labeling identificeert compatibele apparaatvarianten, terwijl de symmetrische leadstructuur connectiviteit met een hoog aantal pinnen ondersteunt voor stroom-, aarde- en gebruikers-IO-signalen.



Het apparaat maakt deel uit van de MAX 3000A CPLD-familie, die is ontworpen voor stabiele digitale logische besturings- en interfacetaken.Deze familie richt zich op voorspelbaar gedrag en herhaalbare timing, waardoor het geschikt is voor systemen die een consistente logische werking vereisen.Hiermee kunnen meerdere vaste logische functies worden gecombineerd in één configureerbaar apparaat, waardoor de circuitcomplexiteit wordt verminderd.
De EPM3256AQC208-10 ondersteunt in-systeemprogrammering, waardoor logische configuraties kunnen worden geschreven, bijgewerkt of gecorrigeerd nadat het apparaat op een printplaat is geïnstalleerd.Deze mogelijkheid ondersteunt ontwerpwijzigingen zonder hardwarevervanging en vereenvoudigt updates tijdens ontwikkeling of onderhoud.Het helpt ook de downtime te verminderen wanneer logische aanpassingen nodig zijn.
Het apparaat biedt een maximale voortplantingsvertraging van 10 ns, waardoor een snelle reactie tussen logische in- en uitgangen mogelijk is.Dit ondersteunt toepassingen die afhankelijk zijn van tijdige signaalovergangen en gecontroleerde responspaden.Het consistente vertragingsgedrag draagt bij aan een betrouwbare werking in synchrone en op besturing gebaseerde ontwerpen.
De interne logica werkt binnen een spanningsbereik van 3,0 V tot 3,6 V, in lijn met gewone digitale laagspanningssystemen.Deze serie ondersteunt een stabiele logische werking terwijl de compatibiliteit met omliggende componenten behouden blijft.Het helpt ook bij het beheren van het stroomgedrag in compacte digitale ontwerpen.
Er zijn in totaal 256 macrocellen beschikbaar om programmeerbare logische functies te implementeren.Deze macrocellen ondersteunen combinatorische en geregistreerde logica, waardoor een flexibele implementatie van besturingslogica en interfacefuncties mogelijk is.Deze capaciteit voldoet aan de logische vereisten op het middenniveau zonder de overhead van grotere programmeerbare apparaten.
De interne architectuur is gerangschikt in 16 logische blokken, wat een gestructureerde benadering biedt voor logische plaatsing en signaalstroom.Deze organisatie helpt een voorspelbare timing te behouden en vereenvoudigt het beheer van logische paden.Het ondersteunt een ordelijke ontwerpimplementatie voor besturings- en sequentietaken.
Het apparaat biedt ongeveer 5000 bruikbare logische poorten, waardoor het meerdere discrete logische componenten binnen één pakket kan vervangen.Deze consolidatie helpt de bordruimte te verminderen en vereenvoudigt de systeemindeling.Het is zeer geschikt voor ontwerpen die een gematigde logische complexiteit vereisen.
De EPM3256AQC208-10 bevat 158 gebruikersinvoer- en uitvoerpinnen, waardoor uitgebreide aansluiting op externe signalen en apparaten mogelijk is.Dit hoge aantal pins ondersteunt complexe interfacebehoeften zoals adresdecodering, buscontrole en signaalroutering.Het maakt flexibele integratie binnen grotere digitale systemen mogelijk.
Het apparaat is gehuisvest in een 208-pins PQFP-opbouwpakket dat is ontworpen voor compacte printplaatlay-outs.Dit pakket ondersteunt betrouwbare elektrische verbindingen terwijl het in s past
| Productkenmerk | Kenmerkwaarde |
| Fabrikant | Intel |
| Voedingsspanning - intern | 3V ~ 3,6V |
| Apparaatpakket van leverancier | 208-PQFP (28x28) |
| Serie | MAX® 3000A |
| Programmeerbaar type | In systeem programmeerbaar |
| Pakket / doos | 208-BFQFP |
| Pakket | Dienblad |
| Bedrijfstemperatuur | 0°C ~ 70°C (TA) |
| Aantal macrocellen | 256 |
| Aantal logische elementen/blokken | 16 |
| Aantal I/O | 158 |
| Aantal poorten | 5000 |
| Montagetype | Opbouwmontage |
| Vertragingstijd tpd(1) Max | 10 ns |
| Basisproductnummer | EPM3256 |

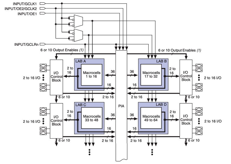
De interne architectuur is georganiseerd rond meerdere Logic Array Blocks, gelabeld van A tot en met D, die elk groepen macrocellen bevatten die worden gebruikt om programmeerbare logische functies te implementeren.Macrocellen zijn verbonden via een centrale Programmable Interconnect Array die routeringspaden tussen logische blokken biedt en signalen over het apparaat distribueert.I/O-besturingsblokken zijn rond de logische array geplaatst en beheren de gegevensstroom tussen interne logica en externe pinnen, ter ondersteuning van configureerbare invoer, uitvoer en bidirectionele werking.Globale besturingslijnen aan de bovenkant verzorgen de klokverdeling, de besturing van de uitgangssignalen en de globale clear-functies, waardoor een gesynchroniseerde werking over alle logische blokken mogelijk is.Signaalbreedte-annotaties geven het aantal beschikbare routerings- en activeringslijnen tussen blokken aan, en weerspiegelen de vaste, voorspelbare structuur die in de MAX 3000A-familie wordt gebruikt.

De macrocelstructuur combineert een selectiematrix voor producttermen met parallelle en gedeelde logische uitbreidingen om configureerbare combinatorische logica te vormen binnen een Logic Array Block.Ingangssignalen komen binnen via de Programmable Interconnect Array en lokale LAB-routering en voeden maximaal zestien producttermen die worden gecombineerd via selecteerbare logische paden.De uitvoer kan rechtstreeks worden gerouteerd of via een programmeerbaar register dat klokinschakeling, duidelijke controle en toegang tot de globale klok en globale duidelijke signalen omvat.Een register-bypass-pad maakt puur combinatiegebruik mogelijk, terwijl gecontroleerde feedback het resultaat terugstuurt naar de interconnect-array of naar het I/O-besturingsblok voor externe verbinding.

Testconfiguratie definieert het externe circuit dat wordt gebruikt om de AC-prestaties van de invoer- en uitvoerpaden van apparaten onder gecontroleerde omstandigheden te meten.Een resistief netwerk verbindt de uitgang van het apparaat met de voeding en aarde met behulp van gespecificeerde weerstandswaarden die verschillen voor werking op 2,5 V en 3,3 V, waardoor bekende belastingskarakteristieken worden vastgesteld.Een condensator die met aarde is verbonden, vertegenwoordigt de totale belastingscapaciteit, inclusief de effecten van de testopstelling, terwijl het meetknooppunt een interface heeft met het testsysteem.De opstelling beperkt de stijg- en daaltijden van de ingang tot minder dan twee nanoseconden en minimaliseert ruis veroorzaakt door aardstroomtransiënten tijdens het schakelen van de uitgang, waardoor consistente en herhaalbare AC-timingresultaten worden gegarandeerd.
De EPM3256AQC208-10 wordt vaak gebruikt om verzamelingen vaste logische apparaten zoals poorten, decoders en multiplexers te vervangen.Door deze functies in één programmeerbaar apparaat te consolideren, worden systeemlay-outs eenvoudiger en gemakkelijker te beheren.Logisch gedrag kan ook worden aangepast door middel van herprogrammering, wat ontwerpverfijning ondersteunt zonder hardwarewijzigingen.
In ingebedde systemen verzorgt het apparaat adresdecodering en besturingstaken die geheugen, randapparatuur en besturingssignalen coördineren.Het helpt bij het sturen van de gegevensstroom en het beheren van activeringssignalen met een consistente timing.Dit maakt het geschikt voor systemen die afhankelijk zijn van een duidelijke scheiding van adresruimtes en voorspelbaar besturingsgedrag.
Het apparaat wordt toegepast in businterfacerollen waarbij verschillende signaalformaten of timingvereisten moeten samenwerken.Het ondersteunt signaalconditionering, routering en basisprotocolvertaling tussen subsystemen.Dit helpt bij het handhaven van ordelijke communicatiepaden binnen gemengde of verouderde digitale omgevingen.
Binnen industriële bedieningspanelen beheert de EPM3256AQC208-10 de sequencing, vergrendelingslogica en statusbewaking.De stabiele timing ondersteunt een gecoördineerde werking van sensoren, actuatoren en besturingssignalen.Het apparaat past goed in automatiseringsapparatuur die een betrouwbare logische werking belangrijker vindt dan een hoge verwerkingscomplexiteit.
Het apparaat dient als ondersteunende logica in telecommunicatiesystemen en verzorgt de timingcontrole, interfacecoördinatie en digitale hulpfuncties.Het helpt bij het organiseren van signaalrelaties tussen functionele blokken.Deze rol ondersteunt een consistente werking in communicatieapparatuur die afhankelijk is van een ordelijke digitale besturing.
In de consumentenelektronica wordt het apparaat gebruikt voor besturings- en timingfuncties zoals invoerverwerking, modusselectie en systeemcoördinatie.Dankzij het programmeerbare karakter kan één ontwerp meerdere productvariaties ondersteunen.Deze flexibiliteit ondersteunt compacte en aanpasbare consumentenapparaten.
De EPM3256AQC208-10 is zeer geschikt voor het onderhouden of updaten van oudere systemen die pin-compatibele programmeerbare logica vereisen.Het zorgt ervoor dat bestaande hardware-indelingen ongewijzigd blijven terwijl het logicagedrag wordt herzien.Deze aanpak helpt de levensduur van het systeem te verlengen en tegelijkertijd de herontwerpinspanningen beheersbaar te houden.
• Programmeerbaarheid in het systeem ondersteunt logische updates zonder het apparaat te verwijderen
• Maximale vertraging van 10 ns maakt responsieve digitale signaalverwerking mogelijk
• Een groot aantal I O-pinnen ondersteunt brede externe connectiviteit
• Voorspelbaar timinggedrag ondersteunt een stabiele besturingslogica
• Geschikt voor lijmlogica, besturingsfuncties en interface-overbrugging
• PQFP-pakket ondersteunt eenvoudigere inspectie en montage vergeleken met arraypakketten
• Beperkte logische bronnen vergeleken met nieuwere programmeerbare logische apparaten
• Werking beperkt tot een commercieel temperatuurbereik van 0 C tot 70 C
• Hoger stroomverbruik dan recentere logische oplossingen met laag vermogen
• Grotere verpakkingsvoetafdruk vergeleken met moderne compacte alternatieven
• Minder integratiefuncties dan geavanceerde programmeerbare platforms
| Onderdeelnummer | Fabrikant | Belangrijkste kenmerken | Gebruik case/notities |
| EPM3256AQI208-10 | Intel | Lid van de MAX 3000A CPLD-familie met 256 macrocellen, programmeerbaarheid in het systeem en stabiele 3 V-werking voor betrouwbare logische besturing. | Gebruikt in industriële en ingebedde systemen voor lijmlogica, interfacecontrole en digitale ontwerpen met matige snelheid. |
| EPM3256AQI208-10N | Intel | Dezelfde logische dichtheid en architectuur als andere EPM3256-apparaten, met voorspelbare timing en flexibele I/O-verwerking. | Geschikt voor oudere ontwerpen en ingebedde platforms die betrouwbare, op CPLD gebaseerde logische integratie vereisen. |
| EPM3256AQC208-7N | Intel | Snellere variant met lagere voortplantingsvertraging, terwijl dezelfde macrocel- en I/O-structuur behouden blijft. | Ideaal voor timinggevoelige logica zoals busarbitrage, statusmachines en prestatiekritische besturingspaden. |
Intel is een wereldwijd technologiebedrijf dat bekend staat om de ontwikkeling van een breed scala aan digitale computer- en programmeerbare logische producten.Het portfolio omvat processors, programmeerbare apparaten en systeemoplossingen die worden gebruikt in de computer-, communicatie- en industriële markten.Het bedrijf heeft een lange geschiedenis in het bevorderen van digitale ontwerptools en platforms die betrouwbare systeemontwikkeling ondersteunen.Door voortdurende investeringen in procestechnologie en productintegratie ondersteunt Intel schaalbare oplossingen die zowel embedded systemen als hoogwaardige applicaties bedienen.De productfamilies worden algemeen toegepast in systemen die waarde hechten aan consistentie, ondersteuning op lange termijn en brede compatibiliteit met ecosystemen.
De EPM3256AQC208-10 biedt een duidelijke manier om digitale logica op het middenniveau in één apparaat te verwerken.U kunt groepen vaste logische onderdelen vervangen, terwijl het timinggedrag stabiel en gemakkelijk voorspelbaar blijft.Het op macrocellen gebaseerde ontwerp geeft u voldoende ruimte voor besturings-, decoderings- en interfacetaken.Het 208-pins pakket ondersteunt ook brede signaaltoegang wanneer verbindingen ertoe doen.Met in-systeemprogrammering kunt u de logica aanpassen zonder het bord aan te raken.Over het geheel genomen geeft het u een praktisch evenwicht tussen flexibiliteit en structuur voor langdurig gebruik.
Stuur een aanvraag, we zullen onmiddellijk reageren.
Het is een CPLD die programmeerbare logische functies combineert in één enkele chip voor besturings- en interfacetaken.
Ja, het ondersteunt in-systeemprogrammering, zodat u de logica kunt bijwerken terwijl deze al op het bord staat.
Het apparaat bevat 256 macrocellen voor het bouwen van combinatorische en geregistreerde logica.
Het wordt geleverd in een 208-pins PQFP-opbouwpakket.
Het wordt vaak gebruikt voor lijmlogica, adresdecodering, busbesturing en algemene digitale besturingsfuncties.
Op 2025/12/18
Op 2025/12/18
Op 8000/04/18 147765
Op 2000/04/18 111990
Op 1600/04/18 111351
Op 0400/04/18 83751
Op 1970/01/1 79546
Op 1970/01/1 66949
Op 1970/01/1 63094
Op 1970/01/1 63028
Op 1970/01/1 54092
Op 1970/01/1 52174