
De 6N136, gehuisvest in een DIP-8-plastic pakket, is een geavanceerde optocoupler die een GAAIAS-infrarood-emitting-diode optisch heeft opgenomen in combinatie met een geïntegreerde fotodetector.Deze fotodetector omvat een fotodiode en een hogesnelheidstransistor.Dit geavanceerde ontwerp maakt de overdracht van signalen tot 2 MHz tussen elektrisch geïsoleerde circuits mogelijk, zodat toegestane potentiële verschillen niet hoger zijn dan de gespecificeerde referentiespanningen.De compacte grootte, robuustheid, uitstekende anti-interferentiemogelijkheden, hoge isolatiespanning, snelheid en TTL-compatibiliteit van het logische niveau maken de 6N136 een veelzijdige component in een groot aantal toepassingen.
Vanwege de snelle transmissiecapaciteit van hoge snelheid zorgt de 6N136 voor de integriteit van signalen, zelfs wanneer omgeven door elektrische ruis.Dit kenmerk is van onschatbare waarde in industriële omgevingen waar elektromagnetische interferentie (EMI) een veel voorkomende uitdaging is.Overweeg een fabrieksautomatiseringsscenario waarbij nauwkeurige signaaloverdracht tussen controllers en actuatoren zowel operationele efficiëntie als veiligheid stimuleert.Dit is waar de 6N136 echt schijnt, met behoud van de harmonie van complexe systemen.De 6N136 is gebouwd voor duurzaamheid en is een betrouwbare optie voor toepassingen waar onderhoudstoegang beperkt of duur is.Bijvoorbeeld, externe detectietoepassingen vraagcomponenten die op betrouwbare wijze over langdurige perioden kunnen functioneren zonder interventie.
De hoge isolatiespanning van de 6N136 beschermt niet alleen gevoelige circuitelementen van hoogspanningspieken, maar zorgt er ook voor dat het apparaat snelle gegevensoverdracht kan verwerken.In data -acquisitiesystemen, waar de precisie en snelheid van gegevensoverdracht afkeurend de kwaliteit van verzamelde gegevens beïnvloeden, blijkt deze functie uiterst voordelig.De compatibiliteit van de TTL -logische niveau van de 6N136 verleent het uitzonderlijke veelzijdigheid, waardoor naadloze integratie met verschillende digitale circuits mogelijk wordt.Tijdens digitaal-naar-analoog en analoog-naar-digitale conversieprocessen wordt het handhaven van signaaltriditeit en compatibiliteit over verschillende logische niveaus gebruikt.De 6N136 koppelt moeiteloos met andere componenten in deze scenario's, waardoor soepele gegevensconversie en gestroomlijnde bewerkingen worden gewaarborgd.




|
Functie |
Beschrijving |
|
Isolatietestspanning |
5300 VRMS |
|
Verenigbaarheid |
TTL compatibel |
|
Bit tarief |
1,0 mbit/s |
|
Common-mode interferentie immuniteit |
Hoog |
|
Bandbreedte |
2.0 MHz |
|
Uitgangstype |
Open-collectoruitgang |
|
Externe basisbedrading |
Mogelijk |
|
Lead (PB) inhoud |
Loodvrije component |
|
Naleving |
ROHS 2002/95/EC, Weee 2002/96/EC |
|
Type |
Parameter |
|
Factory doorlooptijd |
6 weken |
|
Inzetten |
Door gat |
|
Montagetype |
Door gat |
|
Pakket / kast |
8-dip (0.300, 7,62 mm) |
|
Aantal pinnen |
8 |
|
Huidige overdrachtsverhouding - min |
19% @ 16MA |
|
Aantal elementen |
1 |
|
Bedrijfstemperatuur |
-55 ° C tot 100 ° C |
|
Verpakking |
Buis |
|
Gepubliceerd |
2012 |
|
Onderdeelstatus |
Actief
|
|
Vochtgevoeligheidsniveau (MSL) |
1 (onbeperkt) |
|
Aanvullende functie |
TTL compatibel |
|
Max Power Dissipation |
100 MW |
|
Basisonderdeelnummer |
6N136 |
|
Spanning - isolatie |
5300VRMS |
|
Uitgangspanning |
400 mV |
|
Uitgangstype |
Transistor met basis |
|
Configuratie |
Enkel |
|
Aantal kanalen |
1 |
|
Power Dissipation |
100 MW |
|
Spanning - vooruit (vf) (typ) |
1.33V |
|
Invoertype |
DC |
|
Opto -elektronisch apparaattype |
Logica IC -uitvoer Optocoupler |
|
Vooruitstroom |
25 ma |
|
Max uitgangsspanning |
15V |
|
Gegevenssnelheid |
1 Mbps |
|
Uitgangsstroom per kanaal |
8 ma |
|
Stijgingstijd |
800ns |
|
Fall Time (typ) |
800ns |
|
Max Collector Stroom |
8 ma |
|
Omgekeerde afbraakspanning |
5V |
|
Max Input Stroom |
25 ma |
|
Schakel de tijd in / schakel de tijd in (typ) |
200ns / 200ns |
|
Huidige overdrachtsverhouding |
35% |
|
Stralingsharding |
Nee |
|
ROHS -status |
ROHS3 -compatibel |
|
Onderdeelnummer |
Fabrikant |
Pakket / kast |
Aantal pinnen |
Aantal kanalen |
Spanning - isolatie |
Huidige overdrachtsverhouding |
Stroomoverdrachtsverhouding (min) |
Stijgingstijd |
Max uitgangsspanning |
Uitgangspanning |
Bekijk vergelijken |
|
6N136-X001 |
Vishay Semiconductor Opto Division |
8-dip (0.300, 7,62 mm) |
8 |
1 |
5300VRMS |
35% |
19% @ 16MA |
800 ns |
15 V |
400 mV |
6N136-X001 vs SFH6136-X016 |
|
SFH6136-X016 |
Vishay Semiconductor Opto Division |
8-dip (0.300, 7,62 mm) |
6 |
1 |
500VRMS |
30% |
10% @ 10MA |
- |
30 V |
- |
|
|
6N136-X016 |
Vishay Semiconductor Opto Division |
8-dip (0.400, 10,16 mm) |
8 |
1 |
5300VRMS |
35% |
19% @ 16MA |
800 ns |
15 V |
400 mV |
6N136-X001 vs 6N136-X016 |
|
4N28 |
Lite-on Inc. |
8-dip (0.400, 10,16 mm) |
8 |
1 |
5300VRMS |
35% |
19% @ 16MA |
- |
25 V |
- |
6N136-X001 vs 4N28 |
|
SFH6345-X016 |
Vishay Semiconductor Opto Division |
8-dip (0.400, 10,16 mm) |
8 |
1 |
5300VRMS |
30% |
19% @ 16MA |
- |
25 V |
- |
6N136-X001 vs SFH6345-X016 |

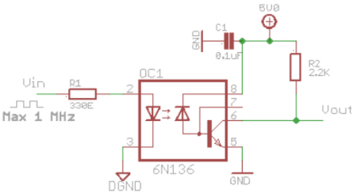
Het integreren van een pull-up weerstand in het circuit garandeert dat wanneer de transistor is uitgeschakeld, de Vout-pin consequent terugkeert naar het hoge logische niveau van 5 volt.Verbonden tussen de Vout-pin en de positieve voedingsspanning, heeft deze pull-up weerstand verschillende doeleinden.Stabilisatie van de uitgangsspanning en zorgt ervoor dat deze de gewenste logische hoge toestand bereikt.Het voorkomen van drijvende toestanden die kunnen leiden tot onvoorspelbaar circuitgedrag.Veiliging tegen ruis en vals triggering binnen het circuit.
Door deze rollen te vervullen, draagt de pull-up weerstand bij aan het handhaven van de algemene betrouwbaarheid en prestaties van het circuit.Een zorgvuldig geselecteerde pull-up weerstandswaarde kan drijvende uitgangen voorkomen.Deze stabilisatie leidt tot voorspelbare en niet aflatende logische niveaus.Door de vout-pin te handhaven in een voorspelbare spanningsstaat wanneer de transistor in een off-positie is, vermindert de pull-up weerstand de kans op storingen veroorzaakt door ruis effectief.Deze stabiliteit is meestal actief wanneer precisie en betrouwbaarheid dominant zijn bij het functioneren van digitale circuits.
De doordachte selectie van de waarde van de pull-upweerstand wordt gebruikt bij het bereiken van de gewenste prestaties.Meestal variëren waarden van enkele kilohm tot tientallen kilohms, afhankelijk van de eisen van het circuit.Een 10K ohmweerstand wordt bijvoorbeeld vaak gekozen omdat deze een balans tussen snelheid en stroomverbruik inzit, goed uit elkaar komt met een breed scala aan circuitbehoeften.U kunt hun uitgebreide expertise gebruiken om de meest geschikte weerstandswaarden voor hun specifieke toepassingen te bepalen.
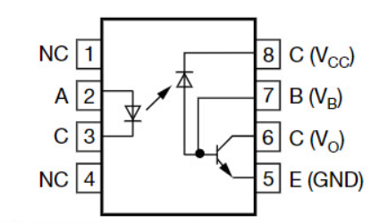
De LED -binnenkant activeert en straalt een IR -straal uit wanneer de juiste invoerstroom de terminals bereikt (+VF en -VF).Wanneer de IR -bundel de fototransistor raakt, wordt deze bijgevolg geactiveerd.In ingebedde systemen wordt dit type configuratie vaak gebruikt voor signaalisolatie.Door dit te doen, wordt verhinderd dat hoogfrequente ruis of spanningspieken schade aan gevoelige componenten veroorzaken.

In het verstrekte diagram voert de 6N136 IC de inversie van de invoerpulspolariteit uit.In het bijzonder, wanneer een hoog ingangslogisch niveau wordt toegepast, wordt een lage uitgang gegenereerd.Omgekeerd produceert een lage ingangslogica -niveau een hoge output.Dit inversiemechanisme speelt een belangrijke rol bij de verwerking van de digitale signaal, vooral wanneer er behoefte is om specifieke logische niveaus te behouden of aan te passen voor daaropvolgende fasen van een circuit.
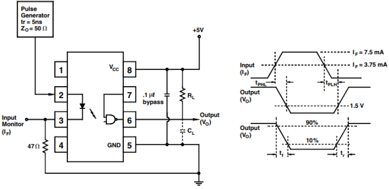
In circuitontwerpen met behulp van de 6N136 moeten rekening worden gehouden met zowel de efficiëntie als de responstijd van de optocoupler.Uit praktische ervaring blijkt dat het selecteren van geschikte weerstanden voor stroombeperking de activeringstijd van de LED kan optimaliseren, waardoor de algehele prestaties worden gestimuleerd.Nauwkeurige timing is meestal opmerkelijk in controletoepassingen, waarbij zelfs vertragingen op microseconde-niveau de systeemfunctionaliteit kunnen beïnvloeden.
|
Onderdeelnummer |
Beschrijving |
Fabrikant |
|
6n139#500 |
1 kanaal logische uitgang optocoupler, 0,1 Mbps, 0,300 inch,
Oppervlaktemontage, dip-8 |
Agilent Technologies Inc |
|
HCPL-5700#200 |
1 kanaal logische uitgang optocoupler, 0,1 Mbps, Hermetic
Verzegeld, keramisch, dip-8 |
Avago Technologies |
|
HCPL-0700 |
1 kanaal logische uitvoer optocoupler, SO-8 |
Fairchild Semiconductor Corporation |
|
HCPL-2730-020 |
Logica-uitvoer Optocoupler, 2-elementen, 5000V isolatie,
0,300 inch, DIP-8 |
Agilent Technologies Inc |
|
HCPL0500V |
8-pins Soic 1 Mbit/s Single-Channel High Speed Transistor
Output optocoupler, 3000-buis |
Onsemi |
|
HCPL-4503-560 |
1 kanaal logische uitgang optocoupler, 1 Mbps, 0,300 inch,
Oppervlaktemontage, dip-8 |
Avago Technologies |
|
HCPL-0500V |
1 kanaal logische uitgang optocoupler, 1 Mbps, loodvrij,
Soic-8 |
Rochester Electronics LLC |
|
HCNW4502E |
1 kanaal logische uitgang optocoupler, 1 Mbps, 0,400 inch,
Loodvrije, DIP-8 |
Avago Technologies |
|
SFH6325 |
Logic IC-uitvoer optocoupler, 2-elementen, 5300V isolatie,
1 Mbps, Plastic, DIP-8 |
Infineon Technologies Ag |
|
HCPL-5701#200 |
Logica-uitvoer Optocoupler, 1-element, 1500V isolatie,
0,1 Mbps, Hermetisch verzegeld, keramisch, DIP-8 |
Agilent Technologies Inc |
De 6N136 OptoCoupler vindt aanzienlijk gebruik in lijnontvangers.Het beheert efficiënt high-speed gegevensoverdracht, het minimaliseren van signaalvervorming en het handhaven van signaalintegriteit over lange afstanden.Door gebruik te maken van zijn mogelijkheden, profiteren omgevingen waar signaalbetrouwbaarheid ernstig is.Dit opto -elektronische apparaat speelt een opmerkelijke rol bij het verbeteren van communicatiesystemen, het waarborgen van een robuuste gegevensoverdracht in telecommunicatie -infrastructuren en het behoud van operationele efficiëntie in complexe netwerken.Veldtoepassingen hebben aangetoond dat de 6N136 ruisinterferentie aanzienlijk kan verminderen.In industriële omgevingen met lange kabelruns handhaaft het uitstekend signaaltroepen.
De 6N136 OptoCoupler dient als een optimale vervanging voor traditionele pulstransformatoren, die voordelen bieden zoals groottevermindering, verbeterde betrouwbaarheid en verbeterde efficiëntie.Door pulstransformatoren uit te wisselen met 6N136, zien systemen verbeterde prestaties en verminderde elektromagnetische interferentie.Deze verschuiving naar meer compacte en efficiënte elektronische architecturen benadrukt de trend in elektronica naar miniaturisatie en verbeterde prestatienormen.Implementaties in verschillende elektronische circuits laten zien dat 6N136 niet alleen de fysieke ruimte bespaart, maar ook de algemene betrouwbaarheid van het systeem verhoogt.
Een van de opvallende kenmerken van de 6N136 is de naadloze interface met CMOS-, LSTTL- en TTL -logische families.Deze veelzijdigheid maakt het een belangrijk onderdeel van verschillende digitale circuits.Door de compatibiliteitskloof tussen verschillende logische normen te overbruggen, vereenvoudigt het circuitontwerp en verbetert het de operationele flexibiliteit.U kunt de 6N136 gebruiken om compatibiliteitsproblemen tussen verschillende digitale logische families aan te pakken, ontwerpen te stroomlijnen en de complexiteit te verminderen.De efficiëntie ervan in de interface met meerdere logische niveaus heeft geleid tot wijdverbreide acceptatie in geïntegreerd circuitontwerp.
De 6N136 OptoCoupler is van onschatbare waarde voor analoge koppeling met brede bandbreedte.Met hoge snelheidsrespons en lage vervormingskenmerken zorgt het voor een nauwkeurige signaaloverdracht over brede frequentiebereiken.In velden die precieze analoge signaalreproductie vereisen, zoals audioverwerking en snelle gegevensverzameling, zijn de prestaties meestal opmerkelijk.

Vishay is een toonaangevende aanbieder die gespecialiseerd is in discrete halfgeleiders (diodes, MOSFET's, opto -elektronica) en passieve componenten (weerstanden, inductoren, condensatoren).Hun componenten vinden gebruik in diverse sectoren, waaronder industrieel, computergebruik, automotive, consumentenelektronica, telecommunicatie, militaire, ruimtevaart en medische toepassingen.
Vishay's discrete halfgeleiders en passieve componenten zijn fundamenteel voor moderne technologische apparaten.In de industriële sector dragen hun producten bij aan de betrouwbaarheid en efficiëntie van machines en automatiseringssystemen.Voor computer levert Vishay componenten fundamenteel aan zowel consumentenelektronica als servers op bedrijfsniveau.Deze elementen zorgen voor prestaties, stabiliteit en de precisie-miniaturisatie van apparaten, catering voor de steeds groeiende eisen van technologie.
De componenten van Vishay beïnvloeden ook de oprukkende wereld van elektrische voertuigen (EV's) en Advanced Driver-assistentiesystemen (ADAS).Hun MOSFET's en diodes zijn de sleutel tot batterijbeheersystemen en aandrijfvormers, waardoor de efficiëntie en betrouwbaarheid wordt verbeterd.In consumentenelektronica dragen de opto -elektronica van Vishay bij aan de miniaturisatie en energie -efficiëntie van apparaten, waardoor u een rijkere ervaring krijgt en zorgt voor een levensduur van het apparaat.Telecommunicatie -infrastructuur is sterk afhankelijk van de condensatoren en inductoren van Vishay voor het handhaven van signaalintegriteit en energiebeheer.Deze componenten ondersteunen high-speed gegevensoverdracht en robuuste netwerkprestaties, gebruikt voor het voldoen aan de escalerende vraag naar naadloze bandbreedte en connectiviteit in onze onderling verbonden wereld.
De 6N135 beschikt over een 850 nm AlgaaS LED.Bevat een geïntegreerde detector met een fotodiode, lineaire op-amp en Schottky geklemde triode.Biedt een snelle werking op 10 Mbd.Vereist minimale invoerstroom, met name 5MA.De 6N136 heeft daarentegen een infrarood LED op hoog niveau.Neemt een lichtgevoelige transistor op.Wordt erkend voor robuuste anti-interferentiemogelijkheden.Biedt een hoog-isolatiespanning en superieure TTL-compatibiliteit.Bij de beslissing tussen deze twee schijnt de 6N135 in datacommunicatie met zijn snelle respons en efficiënt stroomgebruik, ideaal voor omgevingen waar snelheid en efficiëntie precisie coax.Aan de andere kant wordt de 6N136 onmisbaar in industriële of medische toepassingen, waarbij isolatie en interferentieafwijzing de integriteit van de operatie in de loop van de tijd behouden.
Terwijl de 6N137 en 6N136 vergelijkbare doeleinden dienen in opto-isolatie.De 6N137 heeft een hogere maximale snelheid van 10 Mbd.Het werkt binnen een smaller voedingsspanningsbereik.Omgekeerd heeft de 6N136 een bredere spanningstolerantie.Het werkt met een lagere snelheid van 1 Mbd.De 6N137 is dus perfect voor geavanceerde communicatiesystemen die een snelle gegevensoverdracht vereisen, terwijl de 6N136 zich goed aanpast aan scenario's met verschillende voedingen, waardoor een evenwicht tussen snelheid en veelzijdigheid wordt gevallen.
De 6N136 is op maat gemaakt voor hogesnelheidswerkzaamheden, duidelijk in zijn typische propagatievertraging van 0,5 microseconden met een belastingsweerstand van 1,9Ω.Dit maakt het mogelijk om high-speed digitale communicatie-interfaces te ondersteunen, waardoor Baud-tarieven meer dan 500K worden bereikt, de standaardapparaten zoals de 4N25 of TILI17 aanzienlijk overtreffen.Het bereiken van dergelijke prestaties in praktische toepassingen vereist echter zorgvuldige aandacht voor circuitontwerp en lay -out.Zorgen voor deze fijne details helpt bij het beperken van elke potentiële signaalafbraak, waardoor de hogesnelheidscapaciteit wordt beloofd door de 6N136.
Stuur een aanvraag, we zullen onmiddellijk reageren.
Op 2024/10/21
Op 2024/10/21
Op 8000/04/17 147713
Op 2000/04/17 111743
Op 1600/04/17 111324
Op 0400/04/17 83637
Op 1970/01/1 79285
Op 1970/01/1 66789
Op 1970/01/1 62953
Op 1970/01/1 62840
Op 1970/01/1 54038
Op 1970/01/1 52010