
De CD4007 Integrated Circuit (IC) is een basis in hedendaagse elektronica vanwege de samenstelling van drie paar complementaire N-kanaal- en P-kanaal-MOS-transistors.Deze transistorparen bieden opmerkelijke veelzijdigheid, zoals ze kunnen worden gebruikt in zowel series als shuntconfiguraties, waardoor oplossingen op maat zijn voor verschillende circuitontwerpbehoeften.Bovendien koppelt de CD4007 moeiteloos samen met verschillende soorten apparaten.
• CMO's (complementaire metaal-oxide-halfgeleider)
• NMOS (N-kanaalmetaal-oxide-halfgeleider)
• TTL (transistor-transistor logica)
De CD4007 gloeit in scenario's die lage thermische dissipatie en substantiële ruisimmuniteit vereisen.Het beheert vakkundig de spanningsniveaus, waardoor ze tussen de voedingsspanning (VDD) en grond (VSS) binnen een smalle 0,3V -marge houden.Deze precieze spanningsregeling is een belangrijke rol bij toepassingen die prioriteit geven aan het minimaliseren van stroomverlies en het onderhouden van signaalintegriteit.
De standvastige bescherming van het IC tegen elektrostatische ontlading (ESD) is een ander opmerkelijk kenmerk.De CD4007 analyseer de nadelige effecten van ESD op elektronische componenten en is uitgerust met klemdioden tussen de spanningsafvoer (VD) en grond (VSS).Deze diodes absorberen onmiddellijk plotselinge spanningspieken, waarmee de ingangen worden beschermd tegen statische elektriciteit, een belangrijk kenmerk voor componenten die regelmatig worden blootgesteld aan variabele statische omstandigheden tijdens het hanteren en de werking.

|
PIN NR |
Speldnaam |
Beschrijving |
|
1 |
2DP |
De afvoer van P -kanaal 2 |
|
2 |
2SP |
Bron van P -kanaal 2 |
|
3 |
2a |
Input Channel 2 |
|
4 |
2SN |
Bron van N -kanaal 2 |
|
5 |
2dn |
De afvoer van N kanaal 2 |
|
6 |
1a |
Invoerkanaal 1 |
|
7 |
VSS |
Bronaanvoer |
|
8 |
1dn |
De afvoer van N kanaal 1 |
|
9 |
3SN |
Bron van N -kanaal 3 |
|
10 |
3a |
Input Channel 3 |
|
11 |
3SP |
Bron van P -kanaal 3 |
|
12 |
3y |
Uitvoer |
|
13 |
1DP |
De afvoer van P -kanaal 1 |
|
14 |
VDD |
Afvoer |


|
Type |
Parameter |
Waarde |
|
Inzetten |
Montagetype |
Oppervlaktemontage |
|
Pakket / kast |
14-Soic (0,154, 3,90 mm breedte) |
|
|
Aantal pinnen |
14 |
|
|
Leverancierapparaatpakket |
14-Soic |
|
|
Bedrijfsomstandigheden |
Bedrijfstemperatuur |
-40 ° C tot 85 ° C |
|
Max bedrijfstemperatuur |
85 ° C |
|
|
Min bedrijfstemperatuur |
-40 ° C |
|
|
Elektrische kenmerken |
Voedingsspanning |
3V tot 15V |
|
Max voedingsspanning |
15V |
|
|
Min voedingsspanning |
3V |
|
|
Voortplantingsvertraging |
50 ns |
|
|
Ontwerpspecificaties |
Serie |
4000B |
|
Logische functie |
Omvormer |
|
|
Logica type |
Complementair paar plus omvormer |
|
|
Aantal circuits |
2 |
|
|
Aantal bits |
3 |
|
|
Aantal invoerlijnen |
3 |
|
|
Aantal uitvoerlijnen |
3 |
|
|
Basisonderdeelnummer |
4007 |
|
|
Polariteit |
Omkeren |
|
|
Aanvullende details |
Verpakking |
Buis |
|
Onderdeelstatus |
Verouderd |
|
|
Vochtgevoeligheidsniveau (MSL) |
1 (onbeperkt) |
|
|
ROHS -status |
Rohs compliant |
|
|
Leid gratis |
Leid gratis |
|
|
Gepubliceerd |
199999. |
|
Functie |
Beschrijving |
|
Breed voedingsspanningsbereik |
3.0V tot 15V |
|
Hoge lawaai immuniteit |
0,45 VCC (typ.) |
|
Ruststroomtesten |
100% getest op 20V |
|
Symmetrische uitvoerkenmerken |
Gestandaardiseerd, voor betrouwbare output |
Het CD4007 Integrated Circuit, bekend om zijn aanpassingsvermogen en betrouwbare prestaties, vindt verschillende toepassingen in verschillende elektronische ontwerpen.
De CD4007 is bedreven in het construeren van signaalscherpencircuits, een noodzakelijk onderdeel van digitale systemen waar precieze signaalranden gezaghebbend zijn voor nauwkeurige timing en functionaliteit.Deze slijpen verfijnen lawaaierige signalen in schone, goed gedefinieerde pulsen, gebruikt in communicatiesystemen om timingfouten en gegevenscorruptie te voorkomen.U kunt zien dat de integratie van de CD4007 de signaalintegriteit verbetert, waardoor stabiele gegevensoverdracht zorgt voor stabiele gegevens.
In de wereld van digitale elektronica dienen omvormers als ultieme componenten.Wanneer correct geconfigureerd, functioneert de CD4007 als een zeer efficiënte omvormer, bewonderd vanwege zijn lage stroomverbruik en robuuste prestaties, waardoor het ideaal is voor grootschalige integratietoepassingen.U kunt merken dat de CD4007 consistente prestaties biedt in complexe logische circuits en microprocessors, wat aanzienlijk bijdraagt aan circuitstabiliteit en betrouwbaarheid in digitaal logisch ontwerp.
Drempeldetectoren bepalen of een ingangssignaal een specifieke waarde overtreft en actief is in automatiserings- en veiligheidssystemen.Door de CD4007 te gebruiken, werken deze detectoren met een hoge precisie en minimaal aantal componenten.Deze efficiëntie wordt meestal gewaardeerd in besturingssystemen waar nauwkeurige drempeldetectie zorgt voor geschikte systeemreacties op variërende inputniveaus.Werkelijke toepassingen presenteren de CD4007 Verbetering van de operationele veiligheid en efficiëntie met betrouwbare drempeldetectie.
Lineaire versterkers versterken kleine signalen zonder golfvormvervorming, en de CD4007, wanneer geconfigureerd als een lineaire versterker, biedt stabiele en ongerepte signaalversterking.Dit is dominant in audio- en instrumentatietoepassingen waar signaaltrede ernstig is.U kunt de CD4007 waarderen voor het handhaven van signaalintegriteit tijdens de versterking, waardoor de onmisbaarheid ervan in gevoelige analoge circuits wordt ondersteund.
Crystal -oscillatoren, die afhankelijk zijn van stabiele frequentie -uitgang door gecontroleerde kristaloscillaties, gebruiken de CD4007 vaak voor het handhaven van de consistentie in oscillatieparameters.Deze stabiliteit is actief in timingapparaten en communicatieapparatuur.U kunt gebruikmaken van de CD4007 heeft met succes kristaloscillatoren ontwikkeld die een hoge stabiliteit vertonen, waardoor de betrouwbaarheid en nauwkeurigheid aandringen op precieze elektronische toepassingen.Dergelijke stabiele oscillatoren spelen een sleutelrol bij het verbeteren van de prestaties in deze domeinen.
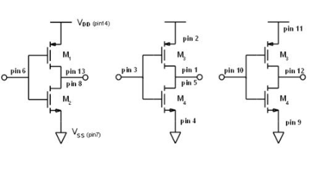
Het CD4007 -pakket heeft de mogelijkheid om maximaal drie omvormers te genereren, en biedt een veelzijdig hulpmiddel voor diverse circuittoepassingen.De ultieme omvormeropstelling omvat het verbinden van pennen 8 en 13 voor de uitgang, waarbij pin 6 als invoer werkt.Pin 14 (VDD) moet worden aangesloten op de voeding.Pin 7 (VSS) moet worden gekoppeld aan de grond.Aanvullende omvormers kunnen worden geregeld om aan specifieke vereisten te voldoen.

Pinnen 2 (VDD) en 4 (VSS) dienen als de stroomverbindingen.Pinnen 1 en 5 vormen de uitgang.Pin 3 is de invoer.Pin 11 maakt verbinding met VDD.Pin 9 is gekoppeld aan VSS.Pin 12 dient als de uitvoer.Pin 10 biedt de invoer.

Op Semiconductor (NASDAQ: ON) staat bekend om zijn energie-efficiënte innovaties, waardoor wereldwijde klanten worden geholpen in hun zoektocht om het energieverbruik te verminderen.Het bedrijf biedt een breed scala aan oplossingen in verschillende sectoren, waaronder automotive, communicatie en consumentenelektronica.
Het brede productassortiment van het bedrijf dient als een pijler van zijn marktprominentie.Op halfgeleider levert aanpasbare en betrouwbare oplossingen afgestemd op de unieke eisen van verschillende industrieën.In de autosector verbeteren hun producten de efficiëntie en veiligheid van voertuigen aanzienlijk, wat leidt tot een beter brandstofverbruik en zorgen voor een soepelere en veiliger rit.In consumentenelektronica zijn het aanbod van het bedrijf ontworpen om de prestaties van het apparaat te maximaliseren en de levensduur van de batterij te verlengen.
Op het effectieve supply chain management van Semiconductor garandeert de consequent tijdige beschikbaarheid van zijn producten om aan de wereldwijde vraag te voldoen.Het uitgebreide netwerk van faciliteiten en kantoren van het bedrijf, strategisch geplaatst in gevaarlijke markten in Noord-Amerika, Europa en Azië-Pacific, stelt het in staat om snel te reageren op marktbehoeften en klantvereisten.
|
Onderdeelnummer |
Fabrikant |
Pakket / kast |
Aantal pinnen |
Logische functie |
Aantal circuits |
Aantal uitvoerlijnen |
Voortplantingsvertraging |
Min voedingsspanning |
Voedingsspanning |
Bekijk vergelijken |
|
CD4007cm |
Op halfgeleider |
14-Soic (0,154, 3,90 mm breedte) |
14 |
Omvormer |
2 |
3 |
50 ns |
3 V |
3v ~ 15V |
CD4007cm |
|
MC14007UBD |
Op halfgeleider |
14-Soic (0,154, 3,90 mm breedte) |
14 |
- |
- |
- |
18 ns |
- |
5 V |
MC14007UBD |
|
SN74HCT04DR |
Texas instrumenten |
14-Soic (0,154, 3,90 mm breedte) |
14 |
Omvormer |
- |
- |
55 ns |
3 V |
3v ~ 18V |
SN74HCT04DR |
Cilindrische batterijhouders.pdf
De CD4007 is een veelzijdige IC die ingenieurs kunnen exploiteren voor meerdere doeleinden.Het kan een ketting van drie omvormers vormen, een omvormer met twee transmissiegoorten of meer complexe logische poorten.Omvormers en transmissiepoorten spelen een serieuze rol bij het bouwen van digitale systemen zoals D-flip-flops.Door de flexibiliteit van de CD4007 te herkennen, kunt u aangepaste circuits ontwerpen zonder het gedoe van het gebruik van meerdere IC's.De mogelijkheid om hetzelfde IC opnieuw te configureren voor verschillende toepassingen, behoudt niet alleen de ruimte op gedrukte printplaten, maar stroomlijnen ook het ontwerpproces.Dit aanpassingsvermogen maakt het een gekoesterd hulpmiddel in zowel academische als industriële omgevingen.
Het CD4007 IC wordt vaak gewaardeerd vanwege zijn gevarieerde toepassingen, lage thermische dissipatie en indrukwekkende ruisimmuniteit.Het werkt tussen VSS bij -0,3V en VDD op +0,3V.Het juiste spanningsbeheer is basic voor het handhaven van de integriteit van de IC en het verlengen van de levensduur.Ervoor zorgen dat deze operationele spanningen worden gehandhaafd, wordt gebruikt om elektrische overstress te voorkomen die de prestaties van de IC in geavanceerde circuits kan afbreken.Aandacht voor dit detail is meestal substantieel tijdens de prototypefase van elektronisch ontwerp.
Gemaakt met behulp van metaaloxide halfgeleider (MOS) -technologie, is de CD4007 beschikbaar in DIP- en SOP -pakketten.De IC omvat drie N-kanaals en drie P-kanaalverbeteringstype MOS-transistors.Deze configuratie is zeer gunstig voor het ontwikkelen van zowel discrete als geïntegreerde logische circuits.Het gebruik van MOS -technologie biedt de voordelen van hoge invoerimpedantie en een laag stroomverbruik.Deze voordelen maken de CD4007 een passende keuze voor moderne low-power-toepassingen.Door het meeste uit de eigenschappen van de MOS -transistors te halen, kunt u circuits bereiken die zowel efficiënt als betrouwbaar zijn, meestal relevant in het tijdperk van draagbare en draagbare elektronische apparaten.
Stuur een aanvraag, we zullen onmiddellijk reageren.
Op 2024/10/21
Op 2024/10/21
Op 8000/04/18 147757
Op 2000/04/18 111936
Op 1600/04/18 111349
Op 0400/04/18 83721
Op 1970/01/1 79508
Op 1970/01/1 66909
Op 1970/01/1 63045
Op 1970/01/1 63012
Op 1970/01/1 54081
Op 1970/01/1 52125