
De AD8130ar is een hogesnelheid differentiële ontvangerversterker ontworpen voor precisiesignaaltransmissie over twisted-pair kabels.Als onderdeel van de AD8129/AD8130-familie blinkt het uit in het converteren van differentiële signalen naar uitgangen met één einde met uitstekende signaaltrede.Met een brede bandbreedte van −3 dB van 270 MHz en een uitzonderlijke slawsnelheid van 1090 V/µs, is het ideaal voor het verzenden van analoge of digitale video- en hogesnelheidsgegevens.De AD8130AR biedt uitstekende afwijzing van gemeenschappelijke modus gemeten bij 94 dB bij lage frequenties en 70 dB bij 10 MHz, waardoor het effectief kan werken, zelfs zelfs boven goedkope, niet-afgeschermde bekabeling.Het ondersteunt een breed voedingsbereik, van een enkele +4,5 V tot dubbele ± 12,6 V rails, waardoor gebruik over verschillende systeemspanningen mogelijk is zonder de noodzaak van isolatietransformatoren.De AD8130 is eenheid-gain stabiel en het meest geschikt voor toepassingen met een hoge bandbreedte, low-gain.
Als u op zoek bent naar betrouwbare, krachtige ontvangers van ontvangers, is de AD8130AR een geweldige keuze.Plaats vandaag nog uw bulkorder bij ons om uw hogesnelheidssystemen soepel te laten werken met consistente, low-ruis signaalafhandeling.

|
Pin -nummer |
Speldnaam |
Beschrijving |
|
1 |
+In |
Niet-omkering input (positieve differentiële invoer) |
|
2 |
–VS |
Negatieve voedingsspanning |
|
3 |
PD̅ |
Power-down controle (actief laag) |
|
4 |
Ref |
Referentiespanningsingang (stelt de algemene modus voor de uitvoer in) |
|
5 |
FB |
Feedbackpen (voor het instellen van winst of stabiliteit) |
|
6 |
UIT |
Uitgang van de versterker |
|
7 |
+Vs |
Positieve voedingsspanning |
|
8 |
-IN |
Invoering input (negatieve differentiële invoer) |

AD8130AR -symbool

AD8130ar voetafdruk

AD8130AR 3D -model
Hoge bandbreedte: De AD8130AR ondersteunt een bandbreedte van −3 dB van 270 MHz bij eenheidsversterking, waardoor het met minimaal verlies of vertraging snelle analoge en digitale signalen kan verwerken.Dit maakt het geschikt voor hoogfrequente toepassingen zoals video-transmissie en high-speed datalinks.
Snelle snelheid: Met een zeer hoge slawsnelheid van 1090 volt per microseconde kan de versterker snel reageren op snelle veranderingen in het ingangssignaal, waardoor scherpe signaalovergangen waarborgen en vervorming in snel veranderende golfvormen verminderen.
Uitstekende afwijzingsverhouding voor gemeenschappelijke modus (CMRR): De AD8130AR bereikt 94 dB CMRR van DC tot 100 kHz, 80 dB bij 2 MHz en 70 dB bij 10 MHz.Hierdoor kan het ongewenste ruis of interferentie afwijzen die gelijkelijk op beide ingangen verschijnt, zelfs bij hoge frequenties voor gebruik met niet-afgeschermde twisted-pair kabels.
Hoge invoerimpedantie: De hoge ingangsimpedantie zorgt voor minimale belasting op de signaalbron, het behoud van signaalintegriteit en waardoor het gemakkelijker wordt om te communiceren met andere circuits.
Brede ingang Common-mode spanningsbereik: Het brede common-mode-bereik betekent dat de versterker ingangsspanningen kan accepteren die ver boven of onder de grond slingeren zonder vervorming, zelfs zonder het gebruik van transformatoren.
Lage invoerruis: De AD8130ar onderhoudt een lage geluidsvloer, waardoor het geschikt is voor precisietoepassingen zoals instrumentatie en medische hulpmiddelen.
Lage vervorming: De versterker biedt een zeer lage totale harmonische vervorming, gemeten bij -79 dBC voor een 1 V P-P-signaal bij 5 MHz.Dit zorgt voor een nauwkeurige signaalreproductie in toepassingen zoals video- of RF -basisbandtransmissie.
Breed voedingsbereik : Het kan werken vanuit een enkele voorraad beginnend bij +4,5 V of van dubbele benodigdheden tot ± 12,6 V, waardoor compatibiliteit met een breed scala aan systeemspanningen en verbetering van het ontwerp van het ontwerp wordt verbeterd.
Power-down functie: De geïntegreerde power-down pin maakt het mogelijk om het apparaat uit te schakelen wanneer het niet nodig is, het behoud van stroom in batterijbewerkte of energiegevoelige toepassingen.

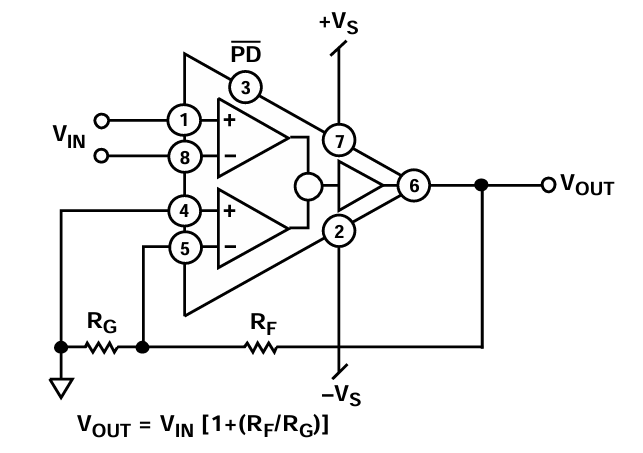
Het blokdiagram illustreert de interne structuur van de AD8130 en de variant AD8130AR, die beide functioneren als differentiële ontvangerversterker.In de kern van het apparaat zijn twee interne differentiële versterkers die zijn gerangschikt om een ingangssignaal met één einde (V_IN) te verwerken en een differentiële uitgang te produceren.Het signaal komt binnen op pin 1 (niet-inverterende ingang) en stroomt door twee gematchte interne versterkers die uitstekende afwijzing van de gemeenschappelijke modus en signaal betrouwbaarheid behouden.Pin 5 is geaard door weerstand RG, terwijl feedbackweerstand RF de uitgang terug verbindt met het omkeerpad, waardoor de versterking wordt ingesteld volgens de formule:

Deze feedbackregeling zorgt voor stabiliteit en precieze winstcontrole.Vermogen wordt aan het apparaat geleverd via PINS 2 en 7, die zijn verbonden met respectievelijk de negatieve en positieve voedingsrails (-VS en +VS).PIN 6 Uitgangen Het uiteindelijke versterkte signaal en Pin 3 (PD) maakt power-down regeling mogelijk om stroom op te slaan wanneer het apparaat niet in gebruik is.De interne differentiële architectuur minimaliseert vervorming en externe interferentie, waardoor de AD8130-serie geschikt is voor veeleisende hogesnelheidstoepassingen zoals precisievidee-signaalverdeling over gedraaide pair-lijnen.
|
Type |
Parameter |
|
Fabrikant |
Analog Devices Inc. |
|
Verpakking |
Buis |
|
Onderdeelstatus |
Verouderd |
|
Versterker type |
Differentiaal |
|
Aantal circuits |
1 |
|
Slew -tarief |
1100 V/µs |
|
-3DB bandbreedte |
290 MHz |
|
Huidige - Input Bias |
500 na |
|
Spanning - invoer offset |
400 µV |
|
Huidige - levering |
13 ma |
|
Stroom - output / kanaal |
40 Ma |
|
Spanning - Leveringsspanne (min) |
4.5 V |
|
Spanning - Supply Span (Max) |
25.2 V |
|
Bedrijfstemperatuur |
-40 ° C ~ 85 ° C |
|
Montagetype |
Oppervlaktemontage |
|
Pakket / kast |
8-soic (0.154 ", 3,90 mm breed) |
|
Leverancierapparaatpakket |
8-Soic |
|
Base Productnummer |
AD8130 |
High-speed differentiële lijnontvangers
De AD8130AR is speciaal gebouwd om hoogfrequente differentiële signalen te ontvangen die zijn verzonden over Twisted-Pair-kabels.De uitstekende afwijzing van gemeenschappelijke modus en brede bandbreedte zorgen ervoor dat het signaal schoon en nauwkeurig blijft, zelfs wanneer externe elektrische ruis aanwezig is.Dit maakt het ideaal voor gebruik in industriële automatisering, communicatielinks of omgevingen waar EMI en overspraak zich zorgen maken.
Differentiaal-naar-single-end conversie
In veel systemen worden signalen in differentiële vorm voor ruisimmuniteit overgedragen, maar moeten ze worden omgezet in signalen met één einde voor verdere verwerking.De AD8130AR behandelt deze conversie met minimale vervorming en brede spanningsondersteuning, waardoor schone en efficiënte interface tussen differentiële uitgangen en single-ended ADC's, DSP's of analoge systemen mogelijk wordt.
High-speed instrumentatie versterkers
Dankzij de hoge inputimpedantie, lage ruis en uitzonderlijke lineariteit is de AD8130AR zeer geschikt voor instrumentatietoepassingen.Het maakt nauwkeurige differentiële metingen en versterking mogelijk zonder systeemruis toe te voegen, waardoor het waardevol is in wetenschappelijke, medische of industriële sensorinterfaces.
Niveau verschuivende toepassingen
De AD8130AR biedt plaats aan een brede input Common-Mode-spanningsbereik, waardoor het de spanningsniveaus kan verschuiven tussen systemen met verschillende grondpotentialen.Dit is nuttig in systemen die lange afstanden omvatten of verschillende vermogensdomeinen verbinden zonder isolatietransformatoren of extra hardware.
Analoge en digitale videosignaaltransmissie
Met zijn brede bandbreedte en lage vervorming is de AD8130AR ideaal voor het verzenden van analoge of digitale videosignalen over Twisted-Pair-kabels.Het behoudt beeldhelderheid en timing-integriteit, waardoor het geschikt is voor videobewakingssystemen, uitzendapparatuur of machine-visie-opstellingen die overdragende overdracht vereisen.
High-speed gegevensoverdrachtsystemen
In datacommunicatiesystemen is signaalafbraak over afstand een grote zorg.De AD8130AR vermindert dit door een hoge signaal -betrouwbaarheid te handhaven, zelfs over uitgebreide kabellengtes, zodat snelle digitale signalen intact aankomen.Het is een geweldige keuze voor systemen zoals Ethernet over Twisted Pair, data -acquisitie -eenheden of backplanes voor digitale besturing.
De AD8130arz-reel is functioneel identiek aan de AD8130AR, met dezelfde 270 MHz bandbreedte, 1090 V/µs Shew Snelheid en hoge CMRR.Het belangrijkste verschil ligt in het verpakkingsformaat, deze versie wordt geleverd in een loodvrije, ROHS-conforme haspel die geschikt is voor geautomatiseerde SMT (Surface Mount Technology).Het is ideaal voor productieomgevingen met een groot volume die op zoek zijn naar naleving van het milieu en efficiënte productieprocessen.
Deze variant, AD8130ARMZ-reel, deelt alle elektrische kernkenmerken van de AD8130AR, maar wordt geleverd in een mini klein overzichtspakket (MSOP-8) in plaats van de standaard soic.Het MSOP-formaat biedt een kleinere voetafdruk, waardoor het ideaal is voor compacte of ruimtebeperkte PCB-ontwerpen zonder in gevaar te brengen.Het is een topkeuze voor draagbare of dichte ingebedde systemen.
De AD8130ARMZ-REEL7 is hetzelfde apparaat als de Armz-Reel-versie, maar geleverd in een 7-inch tape-and-reel-indeling geoptimaliseerd voor specifieke pick-and-place-systemen.Het handhaaft dezelfde hogesnelheidskenmerken met een laag verstrekkende, biedt gemak voor assemblagelijnen die strakkere haspeltoleranties of kleinere batchruns vereisen.
Actieve feedbackarchitectuur
In tegenstelling tot traditionele op-AMP's, gebruikt de AD8130AR een actief feedbackontwerp dat de invoer- en feedbackpaden scheidt.Dit vermindert de interactie tussen signaal en feedback, het verbeteren van de stabiliteit en het minimaliseren van vervorming.Het verbetert ook het vermogen van het apparaat om gemeenschappelijke mode-ruis af te wijzen, waardoor het geschikter is voor differentiële signaalverwerking over lange afstanden.
Hoge bandbreedte en gedoe
De versterker biedt een bandbreedte van 270 MHz en een bliksemsnelle-snelheid van 1090 V/µs.Met deze kenmerken kan het snelle randen en hoogfrequente inhoud afhandelen met minimale vertraging of signaalverlies, waardoor het ideaal is voor toepassingen zoals video-transmissie, RF-basisband of digitale communicatiesystemen.
Lage vervorming en ruis
Met een invoerruisniveau van slechts 12,5 nV/√Hz en harmonische vervorming zo laag als -79 dBc bij 5 MHz, zorgt de AD8130AR voor schone, high-fidelity signaalversterking.Dit maakt het ideaal voor gevoelige instrumentatie en precisiegegevensverwerving.
|
Parameter |
Dimensie (mm) |
|
Lichaamsbreedte |
3.80 - 4,00 |
|
Lichaamslengte |
4.80 - 5,00 |
|
Totale breedte (met leads) |
5.80 - 6.20 |
|
Lichaamshoogte |
1.35 - 1.75 |
|
Lead -toonhoogte (pinafstand) |
1.27 (BSC) |
|
Loodbreedte |
0,25 - 0,50 |
|
Leaddikte |
0,17 - 0,25 |
|
Leadlengte (van pakket) |
0,40 - 1,27 |
|
Stand -off hoogte |
0,10 - 0,25 |
|
Coplanariteit |
0,10 (max) |
|
Loodbuighoek |
0 ° - 8 ° |

De AD8130AR wordt vervaardigd door Analog Devices Inc. (ADI), een wereldwijd gerenommeerd halfgeleiderbedrijf dat wordt erkend voor zijn leiderschap in hoogwaardige analoge, gemengd-signaal- en digitale signaalverwerkingstechnologieën.Opgericht in 1965 en met hoofdkantoor in Wilmington, Massachusetts, heeft ADI een sterke reputatie opgebouwd voor het leveren van precisiecomponenten die alles van industriële automatisering en instrumentatie tot communicatie -infrastructuur en geavanceerde consumentenelektronica leveren.Analoge apparaten benadrukken kwaliteit, innovatie en betrouwbaarheid op lange termijn, waardoor de componenten zijn, inclusief de AD8130ar vertrouwde oplossingen in veeleisende technische omgevingen.Met uitgebreide ontwerpondersteuning, robuuste documentatie en bewezen productie -uitmuntendheid, zorgt ADI ervoor dat de AD8130AR voldoet aan rigoureuze normen voor signaaltrede en systeemprestaties.
De AD8130AR is een slimme keuze wanneer u een betrouwbare versterker nodig hebt die signalen schoon houdt, zelfs over lange kabels of op lawaaierige plaatsen.Het heeft een breed scala aan toepassingen van videosystemen en high-speed gegevens om apparatuur en sensoren te testen.Het werkt goed met verschillende voedingen en wordt geleverd in verschillende pakkettypen om bij verschillende ontwerpen te passen.De sterke prestaties, lage lawaai en vertrouwde kwaliteit van analoge apparaten maken het geweldig voor iedereen die snelle en nauwkeurige elektronica bouwt.
EOL-lead (PB) -BEARING 07/OCT/2016.PDF
Stuur een aanvraag, we zullen onmiddellijk reageren.
Ja, de hoge afwijzing van de gemeenschappelijke modus (tot 94 dB) maakt het uitstekend voor niet-afgeschermde twisted-pair-kabels, waardoor een schone signaalkwaliteit wordt gehandhaafd, zelfs in lawaaierige omgevingen.
Nee, dankzij de brede input Common-mode spanningsbereik en hoge CMRR kan het effectief werken zonder de noodzaak van isolatietransformatoren, het vereenvoudigen van het circuitontwerp en het verlagen van de kosten.
Met een totale harmonische vervorming zo laag als -79 dBC bij 5 MHz en een bandbreedte van 270 MHz, zorgt het voor schone signaalverwerking, zelfs in hoogfrequente toepassingen zoals video of RF.
Ja, het is ontworpen om zowel analoge als digitale signalen te verwerken, waardoor het veelzijdig is voor toepassingen, variërend van videoverwerking tot high-speed data-acquisitiesystemen.
De hoge CMRR en differentiële architectuur helpen de elektromagnetische interferentie te onderdrukken, waardoor schone signaalconversie mogelijk is, zelfs in elektrisch lawaaierige industriële of telecomomgevingen.
Op 2025/05/7
Op 2025/05/6
Op 8000/04/18 147772
Op 2000/04/18 112011
Op 1600/04/18 111351
Op 0400/04/18 83769
Op 1970/01/1 79565
Op 1970/01/1 66960
Op 1970/01/1 63100
Op 1970/01/1 63040
Op 1970/01/1 54097
Op 1970/01/1 52184