
EPF10K30AFC484-1 is een in het veld programmeerbare poortarray die wordt gebruikt om configureerbare digitale logica in ingebedde elektronische systemen te implementeren.Het apparaat bevat programmeerbare logische elementen, interne geheugenblokken en routeringsbronnen waarmee aangepaste digitale functies binnen één component kunnen worden gecreëerd.De interne structuur ondersteunt besturingslogica, gegevensverwerking en interfacebeheer voor een breed scala aan elektronische apparatuur.Het apparaat werkt met een voedingsbereik van 4,75 V tot 5,25 V en biedt maximaal 246 programmeerbare in- en uitgangsaansluitingen.Het pakket maakt gebruik van een BGA-formaat met een fijne steek van 484 kogels, geschikt voor op het oppervlak gemonteerde printplaten in compacte systeemontwerpen.
Op zoek naar EPF10K30AFC484-1?Neem contact met ons op om de huidige voorraad, levertijd en prijzen te controleren.

De pakketindeling laat zien hoe apparaten uit de FLEX 10K-familie een consistente kogelrasterstructuur delen in verschillende verpakkingsgroottes.Een printplaat die is ontworpen voor een 484-pins FineLine BGA-pakket ondersteunt apparaten met verschillende I/O-tellingen door dezelfde buitenste balposities te behouden.Het diagram vergelijkt een 256-pins FineLine BGA-apparaat en een 484-pins FineLine BGA-apparaat, waarbij het kleinere pakket een kleiner aantal actieve verbindingen gebruikt terwijl de uitlijning met dezelfde bordindeling behouden blijft.Deze opstelling maakt het mogelijk dat printplaten die zijn ontworpen voor het grotere pakket kleinere versies van het apparaat kunnen huisvesten wanneer er minder ingangs- of uitgangssignalen of logische bronnen nodig zijn.
Het apparaat integreert een programmeerbare logische structuur waarmee digitale circuits na installatie kunnen worden geconfigureerd.Ontwerpers kunnen besturingslogica, signaalroutering en verwerkingsfuncties in de chip implementeren door verbindingen tussen interne logische elementen te definiëren.
In totaal zijn 1728 logische elementen gerangschikt in meerdere logische arrayblokken die de interne verwerkingsstructuur vormen.Elk logisch element kan rekenkundige, combinatorische logica of opslagbewerkingen uitvoeren, waardoor het apparaat een breed scala aan digitale circuitontwerpen kan ondersteunen.
Het apparaat bevat 12288 bits intern geheugen, georganiseerd in speciale arrayblokken.Deze blokken bieden gegevensopslag op een chip die kan worden geconfigureerd voor tijdelijke buffering, opzoektabellen of kleine geheugenfuncties die door digitale systemen worden gebruikt.
Dankzij maximaal 246 programmeerbare in- en uitgangsverbindingen kan het apparaat met externe componenten communiceren.Deze verbindingen ondersteunen bidirectionele signaalpaden en kunnen worden geconfigureerd voor verschillende digitale interfacevereisten.
Signalen bewegen zich door het apparaat met behulp van een routeringsstructuur die wordt gevormd door rij- en kolomverbindingspaden.Dit interne netwerk distribueert gegevens tussen logische blokken, geheugengebieden en invoer-uitvoerpinnen over de programmeerbare array.
Het apparaat werkt met een voedingsbereik van 4,75 V tot 5,25 V, dat aansluit bij veel digitale elektronische systemen.Dit spanningsbereik ondersteunt een betrouwbaar signaalgedrag tijdens continu bedrijf van het systeem.
Het apparaat is ontworpen voor commerciële temperatuuromgevingen en functioneert binnen een temperatuurbereik van 0°C tot 70°C.Dit bedieningsvenster ondersteunt elektronische apparatuur binnenshuis en gecontroleerde systeemomgevingen.
Het onderdeel is ondergebracht in een BGA-pakket met 484 kogels en een fijne spoed van ongeveer 23 bij 23 millimeter.Dit formaat ondersteunt compacte circuitlay-outs terwijl stabiele elektrische verbindingen op meerlaagse printplaten behouden blijven.
| Productkenmerk | Kenmerkwaarde |
| Fabrikant | Altera (Intel) |
| Spanning - voeding | 4,75 V ~ 5,25 V |
| Totaal RAM-bits | 12288 |
| Apparaatpakket van leverancier | 484-FBGA (23x23) |
| Serie | FLEX-10KA® |
| Pakket / doos | 484-BBGA |
| Pakket | Bulk |
| Bedrijfstemperatuur | 0°C ~ 70°C (TA) |
| Aantal logische elementen/cellen | 1728 |
| Aantal LAB’s/CLB’s | 216 |
| Aantal I/O | 246 |
| Aantal poorten | 69000 |
| Montagetype | Opbouwmontage |
| RoHS-status | RoHS niet-conform |
| Vochtgevoeligheidsniveau (MSL) | 3 (168 uur) |
| REACH-status | BEREIK Onaangetast |
| ECCN | 3A991D |
| HTSUS | 8542.39.0001 |

De interne lay-out regelt programmeerbare logica over een raster van Logic Array Blocks die meerdere logische elementen bevatten die worden gebruikt om digitale circuits te bouwen.Ingebedde arrayblokken verschijnen binnen de array en bieden speciale geheugenbronnen die gegevens opslaan tijdens de werking van het apparaat.Horizontale en verticale routeringskanalen, gelabeld als rij- en kolomverbindingen, vormen het interne signaalnetwerk dat de logische blokken en geheugengebieden met elkaar verbindt.Ingangs- en uitgangselementen zijn rond de buitenranden van het apparaat gepositioneerd, waardoor de elektrische interface tussen interne logica en externe pinnen ontstaat.Lokale verbindingspaden binnen elk logisch array-blok zorgen ervoor dat nabijgelegen logische elementen snel signalen kunnen uitwisselen, terwijl de grotere routeringsstructuur signalen over de gehele programmeerbare array verdeelt.

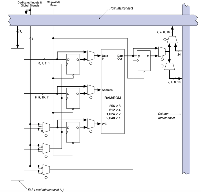
De geheugenstructuur binnen de programmeerbare array bevat een ingebed arrayblok dat speciale opslag binnen de FPGA-structuur biedt.Het blok ondersteunt configureerbare geheugengroottes, waaronder 256 × 8, 512 × 4, 1.024 × 2 en 2.048 × 1, waardoor flexibele databreedte- en diepte-arrangementen mogelijk zijn, afhankelijk van het ontwerp.Gegevensinvoer, gegevensuitvoer, adresselectie en schrijftoegangspaden verbinden de geheugencel met de omringende logica via interne registers en besturingsmultiplexers.Lokale verbindingslijnen leiden signalen van nabijgelegen logische array-blokken rechtstreeks naar de geheugeninterface, terwijl rij- en kolomverbindingskanalen het blok verbinden met het bredere routeringsnetwerk over het apparaat.Speciale invoerpaden en globale besturingssignalen beheren de timing en synchronisatie, zodat opgeslagen gegevens toegankelijk zijn voor programmeerbare logische elementen binnen de FPGA.
Het apparaat kan digitale besturingstaken binnen geautomatiseerde apparatuur beheren.Programmeerbare logica stelt systeemontwerpers in staat timingcontrole, sensorverwerking en actuatorcoördinatie te implementeren binnen industriële machines en productiesystemen.
Ingebouwde logische bronnen en intern geheugen zorgen ervoor dat het apparaat signaalmanipulatie en filtertaken ondersteunt.Het kan worden gebruikt in systemen die bemonsterde datastromen verwerken, waarbij digitale bewerkingen in voorspelbare tijdsintervallen moeten plaatsvinden.
Communicatieapparatuur vereist vaak configureerbare logica om de protocolafhandeling en signaalroutering te beheren.Het apparaat kan datapaden coördineren tussen communicatiekanalen en digitale verwerkingseenheden binnen netwerkapparatuur.
Elektronische meetsystemen verzamelen signalen van meerdere sensoren en zetten deze om in digitale datastromen.Het apparaat kan signaaltiming, buffering en interfacecontrole beheren in systemen die worden gebruikt voor monitoring en meting.
Netwerkinterfaceapparatuur maakt gebruik van programmeerbare logica om de pakketverwerking en interne signaalcoördinatie te beheren.Het apparaat kan datapaden organiseren tussen verwerkingseenheden en externe communicatie-interfaces.
Ontwikkelingssystemen maken vaak gebruik van programmeerbare logische apparaten om digitale circuitontwerpen te testen en evalueren.Met het apparaat kunnen ingenieurs en ontwikkelaars het systeemgedrag verifiëren voordat ontwerpen worden vastgelegd in vaste hardware-implementaties.
• Het hoge aantal I/O-pinnen maakt verbinding met veel externe componenten in complexe systemen mogelijk
• Een groot aantal logische elementen maakt de implementatie van geavanceerde digitale logische circuits mogelijk
• Ingebed RAM ondersteunt interne gegevensbuffering en geheugenbewerkingen
• Programmeerbare architectuur maakt ontwerpwijzigingen mogelijk zonder de hardware-indeling te wijzigen
• Opbouwmontage FBGA-pakket ondersteunt compacte printplaatintegratie
• Geschikt voor aangepaste hardwareversnelling en parallelle logische verwerking
• Vereist gespecialiseerde FPGA-ontwikkeltools en kennis van hardwareontwerp
• Hoger stroomverbruik vergeleken met kleinere programmeerbare logische apparaten
• Oudere FPGA-familie met lagere efficiëntie vergeleken met moderne FPGA-architecturen
• Het ontwikkel- en foutopsporingsproces kan voor beginners complex zijn
| Onderdeelnummer | Fabrikant | Belangrijkste kenmerken | Gebruik case/notities |
| EPF10K30AFC484-2 | Intel | Lid van de FLEX-10KA FPGA-familie met ongeveer 1.728 logische elementen en 12.288 bits ingebed RAM.Biedt maximaal 246 I/O-pinnen en ondersteunt een voedingsbereik van 5 V.Met het apparaat kunnen ontwerpers programmeerbare digitale logische functies implementeren binnen een enkel geïntegreerd circuit. | Wordt vaak gebruikt in industriële besturingssystemen, telecommunicatiehardware en ingebedde computerplatforms waar configureerbare logica nodig is voor aangepaste digitale verwerking. |
| EPF10K30AFC484-3 | Intel | FPGA-apparaat gebaseerd op de FLEX-10KA-architectuur met programmeerbare logische blokken, interne RAM-bronnen en een interface met een hoog aantal pins.Het stelt ontwerpers in staat digitale circuits te configureren zonder een aangepaste ASIC te produceren. | Vaak toegepast in communicatieapparatuur, signaalverwerkingsborden en prototypes van digitale systemen waarbij hardwareflexibiliteit vereist is tijdens de ontwikkeling. |
| EPF10K30AFC484-3 | Altera | Programmeerbaar logisch apparaat met hoge dichtheid uit de FLEX-10KA-serie, dat configureerbare logische cellen, ingebedde geheugenblokken en flexibele routeringsbronnen combineert.De architectuur ondersteunt complexe digitale ontwerpen met een grote poortcapaciteit. | Geschikt voor telecommunicatiesystemen, ingebedde verwerkingshardware en op maat gemaakte digitale besturingskaarten waarbij programmeerbare logica vaste hardwarecircuits vervangt. |
Altera was een halfgeleiderbedrijf dat bekend stond om het ontwerpen van programmeerbare logische apparaten die worden gebruikt in digitale elektronische systemen.Het bedrijf ontwikkelde een breed scala aan in het veld programmeerbare poortarrays en programmeerbare logische componenten die worden gebruikt in communicatie, computers, industriële apparatuur en ingebedde platforms.Dankzij de producten konden ontwerpers op maat gemaakte digitale circuits maken die na productie opnieuw konden worden geconfigureerd.Altera introduceerde verschillende programmeerbare logicafamilies, waaronder MAX-, FLEX- en Stratix-apparaten die op grote schaal werden gebruikt in elektronisch ontwerp.Het bedrijf werd later onderdeel van Intel, waar de programmeerbare logica-technologie nog steeds wordt ontwikkeld voor gegevensverwerking, netwerksystemen en ingebedde digitale platforms.
Als u de EPF10K30AFC484-1 begrijpt, ziet u hoe programmeerbare logica complexe digitale systemen kan vereenvoudigen.Dit apparaat combineert configureerbare logische elementen, intern geheugen en flexibele routing, zodat u aangepaste logische functies binnen één component kunt bouwen.Je zag ook hoe de pakketstructuur, de apparaatarchitectuur en de ingebedde geheugenblokken een betrouwbare databeweging over een circuit ondersteunen.De toepassingen omvatten industriële besturing, signaalverwerking, communicatieapparatuur en systeemprototyping.Door de kenmerken en ontwerpstructuur te bekijken, krijgt u een duidelijker beeld van hoe deze FPGA aanpasbare en efficiënte ontwikkeling van elektronische systemen kan ondersteunen.
Stuur een aanvraag, we zullen onmiddellijk reageren.
De EPF10K30AFC484-1 is een veldprogrammeerbare poortarray die dit mogelijk maakt digitale logische circuits die moeten worden geconfigureerd nadat het apparaat is geïnstalleerd een systeem.
Het apparaat ondersteunt maximaal 246 programmeerbare invoer en uitvoer verbindingen die communicatie met externe componenten in een circuit.
Het apparaat werkt binnen een voedingsspanningsbereik van 4,75 V tot 5,25 V, wat aansluit bij veel digitale elektronische systemen.
Het apparaat bevat ingebouwde geheugenblokken die 12.288 bits leveren opslagruimte voor het bufferen van gegevens en het ondersteunen van interne logische bewerkingen.
Het wordt vaak gebruikt in industriële besturingssystemen en communicatie apparatuur, hardware voor gegevensverzameling en prototyping van digitale systemen platforms.
Op 2026/03/13
Op 2026/03/13
Op 8000/04/18 147757
Op 2000/04/18 111936
Op 1600/04/18 111349
Op 0400/04/18 83721
Op 1970/01/1 79508
Op 1970/01/1 66909
Op 1970/01/1 63046
Op 1970/01/1 63012
Op 1970/01/1 54081
Op 1970/01/1 52127