
WS2813 is een type LED dat zowel het besturingscircuit als de RGB -chip combineert in één kleine component.Deze LED wordt vaak gebruikt in verlichtingsprojecten omdat het grote controle biedt over kleuren en helderheid.WS2813 bevat technologie waarmee het signalen effectief zonder vervorming kan overbrengen, waardoor het licht consistent blijft.Het heeft ook een ingebouwd resetsysteem, dat ervoor zorgt dat het soepel werkt, zelfs na een stroomonderbreking.Elke pixel in de WS2813 kan een breed scala aan kleuren weergeven en ondersteunt een verversingssnelheid die de lichten helder en vloeiend houdt.Het is zeer geschikt voor projecten die heldere, kleurrijke verlichting en betrouwbare prestaties vereisen.

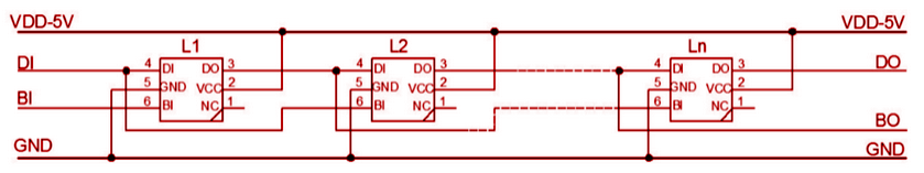
| NEE. | Symbool | PIN | Functiebeschrijving |
| 1 | NC | Hangend | Opgehangen in PCB -lay -out, zal het circuit buiten gebruik zijn wanneer het verbinding maakt met andere circuits |
| 2 | VDD | Vermogensspanning | Vermogenspanning, verbinding maken met "+5V" |
| 3 | DOEN | Gegevens uit | Besturingsgegevenssignaaluitgang |
| 4 | Landen | Gegevens in | Besturingsgegevenssignaalinvoer |
| 5 | GND | GROND | Data & Power aarding |
| 6 | Bak | Back -upgegevens in | Back -upbesturingsgegevenssignaalinvoer |


Technische specificaties, functies, parameters en vergelijkbare onderdelen gerelateerd aan de WorldSemi WS2813C.
| Type | Parameter |
| Montagetype | Oppervlaktemontage |
| Pakket / kast | SMD, 5x5mm |
| Verpakking | Tape & Reel (TR) |
| Verlichtingkleur | RGB |
| Dominante golflengte / coördinaat rang | 620625nm rood, 515525nm Green, 465 ~ 475nm blauw |
| Lankachtige intensiteit (als = 20 mA) | 60mcd@5ma rood, 245mcd@5ma groen, 60mcd@5ma blauw |
| ROHS -status | Rohs compliant |
Het besturingscircuit en LED in de WS2813 delen dezelfde voeding.Dit betekent dat u geen afzonderlijke stroombronnen nodig hebt voor de verschillende componenten.Het vereenvoudigt uw opstelling door de benodigde hoeveelheid bedrading en energiebeheer te verminderen.
Het besturingscircuit en RGB -chip worden gecombineerd in een enkele component.Deze integratie zorgt voor een soepelere werking van de LED's, waardoor een betere kleurregeling en meer consistente verlichting biedt zonder afzonderlijke componenten nodig te hebben.
WS2813 wordt geleverd met een ingebouwd signaalhapingcircuit.Dit zorgt ervoor dat naarmate gegevens door elke LED gaan, het signaal sterk en duidelijk blijft, zonder enige vervorming.Dus, hoeveel LED's u ook op een rij gebruikt, het signaal blijft nauwkeurig, waardoor uw verlichting er consistent uitziet.
WS2813 heeft ingebouwde resetcircuits.De power-on reset zorgt ervoor dat de LED's correct opstarten nadat je ze hebt ingeschakeld, terwijl de Brown-Out Reset hen helpt om soepel te herstellen in het geval van korte elektrische druppels.Dit houdt uw verlichting stabiel, zelfs tijdens stroomschommelingen.
Elke pixel in de WS2813 kan tot 16.777,216 verschillende kleuren weergeven.Dit is mogelijk omdat elke pixel 256 grijsniveaus heeft, waardoor een extreem precieze kleurregeling mogelijk is.Met deze functie kunt u levendige en dynamische verlichtingsdisplays maken met een breed scala aan kleuren.
U hebt slechts één gegevenssignaallijn nodig om meerdere WS2813 -LED's in een serie aan te sluiten.Dit betekent minder bedrading en een meer eenvoudige opstelling, vooral in grote projecten.De gegevens reizen door elke LED in een keten, zodat u alle LED's kunt regelen met behulp van een enkele regel.
WS2813 maakt gebruik van twee signaaldraden, waardoor het kan worden verzenden, zelfs als één signaaldraad is verbroken.Dit betekent dat zelfs als één pixel faalt, de rest van uw LED's blijven werken.Deze functie maakt uw project betrouwbaarder, omdat een enkel faalpunt niet het hele systeem zal verlagen.
U kunt uw WS2813 LED's meer dan 3 meter uit elkaar plaatsen zonder extra circuits nodig te hebben om het signaal te stimuleren.Dit is geweldig voor grootschalige projecten waarbij de lichten mogelijk ver uit elkaar moeten staan, omdat u geen extra componenten hoeft toe te voegen om het signaal sterk te houden.
WS2813 ondersteunt een verversingssnelheid van 2 kHz per seconde.Deze hoge verversingssnelheid zorgt ervoor dat uw verlichting soepel en snel verandert, zonder een merkbare flikkering, waardoor het ideaal is voor projecten die snelle of dynamische verlichtingseffecten vereisen.
De gegevensoverdrachtsnelheid voor WS2813 is maximaal 800 kbps.Deze snelle transmissie zorgt voor snelle updates van uw verlichtingsinstellingen, zodat u realtime wijzigingen kunt aanbrengen in de kleuren en patronen zonder vertragingen.
De WS2813 is ontworpen om betrouwbare kleurconsistentie te bieden voor alle LED's.Dit zorgt ervoor dat alle lichten tegelijkertijd dezelfde kleuren zullen weergeven, wat een uniform en visueel aantrekkelijk resultaat oplevert in uw project.
WS2813 wordt vaak gebruikt in de verlichting van de vangrailbuis.Dit type toepassing is gebruikelijk bij buitenverlichting, vooral langs paden of architectonische kenmerken, waar consistente en levendige verlichting vereist is.De duurzaamheid en het opstellen van de opstelling maken het een geschikte keuze voor deze omgevingen.
WS2813 is ideaal voor puntlichtdisplays, waarbij elke LED dient als een individueel lichtpunt in een groter display.Dit kan worden gebruikt voor decoratieve verlichting, bewegwijzering of creatieve installaties waarbij precieze kleurregeling en helderheid belangrijk zijn.
WS2813 werkt goed in zowel flexibele als rigide LED -strips.Deze strips kunnen in verschillende toepassingen worden gebruikt, van onder-cabinetverlichting in huizen tot grootschalige installaties in commerciële ruimtes.De flexibiliteit van de strips, gecombineerd met de betrouwbaarheid van WS2813, geeft u veel ontwerpopties.
WS2813 wordt ook vaak gebruikt in LED-modules, die op zichzelf staande eenheden zijn die de LED en het benodigde circuit omvatten.Deze modules zijn nuttig in toepassingen waar de ruimte beperkt is, maar betrouwbare verlichting is nog steeds vereist, zoals in kleinere installaties of aangepaste verlichtingsarmaturen.
WS2813 kan worden opgenomen in podiumverlichtingskostuums, waardoor dynamische verlichtingseffecten worden toegevoegd aan prestatie -outfits.Het full-colour display en de hoge verversingssnelheid maken het een uitstekende keuze voor kostuums die tijdens een prestatie snel van kleuren en patronen moeten veranderen.
WS2813 kan worden gebruikt in verschillende innovatieve gadgets of elektronische producten die heldere, kleurrijke verlichting vereisen.Of u nu een unieke gadget ontwerpt of verlichting aan een bestaand product toevoegt, WS2813 biedt u controle over de kleur en helderheid in een compact en gemakkelijk te gebruiken pakket.
Wanneer u met WS2813 werkt, heeft u slechts één voeding nodig die zowel het besturingscircuit als de LED ondersteunt.De WS2813 is ontworpen om de bedrading te vereenvoudigen door de RGB -chip en het besturingscircuit in één te combineren.Het ingebouwde circuit hervormt het signaal en zorgt ervoor dat er geen verlies is in signaalkwaliteit als het door elke pixel gaat.Dit is belangrijk om uw verlichtingssysteem correct te laten werken zonder te flikkeren of mis te maken.De bedrading wordt verder vereenvoudigd omdat WS2813 ingebouwde resetcircuits heeft die ervoor zorgen dat de lichten na een reset of een stroomafval goed online komen.

Om de WS2813 te gebruiken, wordt de gegevensoverdracht afgehandeld via een enkele communicatiemethode die bekend staat als NZR.Wanneer u de pixel voor het eerst inschakelt, ontvangt de DIN -poort DIN (Data Input) informatie van uw controller.De eerste pixel in de keten zal de eerste 24 bits gegevens vastleggen en intern opslaan.Vervolgens wordt het hervormde signaal naar de volgende pixel gestuurd en dit proces gaat door totdat elke pixel zijn gegevens heeft.
Een geweldig kenmerk van de WS2813 is het vermogen om signalen automatisch te herschikken.Dit betekent dat het niet uitmaakt hoeveel LED's je aan elkaar ketent, het signaal zal sterk blijven als het van de ene pixel naar de volgende gaat.Als er schade optreedt aan een van de pixels, neemt de back -upingang (bin) automatisch het over, waardoor het signaal zonder onderbreking doorgaat.Deze installatie houdt uw verlichtingsproject functioneren, zelfs als één pixel faalt.

Het grootste verschil tussen WS2813 en WS2812B ligt in hoe ze omgaan met signaalonderbrekingen.Met WS2812B stopt als iemand in de ketting wordt geleid, werkt de rest van de LED's niet omdat het circuit is gebroken.WS2813 lost dit probleem echter op met zijn dubbele signaalsysteem.Dit betekent dat als de ene LED faalt, de anderen zullen blijven werken zolang het falen niet in twee aangrenzende LED's zit.Dit maakt WS2813 een betrouwbaardere optie bij het werken aan projecten die langere ketens van LED's vereisen.
U hoeft zich geen zorgen te maken dat uw hele project wordt afgesloten, alleen omdat een LED faalt met WS2813.Het systeem is ontworpen om de gebroken pixel te omzeilen, waardoor alles soepel werkt.Deze verbetering ten opzichte van WS2812B maakt WS2813 een voorkeurskeuze voor mensen die op zoek zijn naar meer betrouwbare verlichtingsopstellingen.

WS2813 wordt gemaakt door een bedrijf genaamd WorldSemi.Sinds het begin van 2007 is Worldsemi bekend geworden om zijn expertise in LED -technologie.Ze hebben verschillende producten ontwikkeld die verder gaan dan LED's, waaronder LED -controllers en andere gerelateerde componenten.Hun focus op betrouwbare, innovatieve verlichtingsoplossingen heeft hen tot een sterke speler in de markt gemaakt.Of u nu op zoek bent naar een klein verlichtingsproject of iets groters, de producten van WorldSemi zoals de WS2813 zijn gebouwd om u te helpen de resultaten te bereiken die u op zoek bent met gemak en zelfvertrouwen.
U kunt WS2813 LED -strips bedienen met behulp van de Fastled Library met Arduino.Selecteer het type "WS2812" in de bibliotheek en geef de gegevenspen op voor de strip op.Sluit de DIN-pin van de LED-strip (data-invoer) aan op Arduino Pin 6 en plaats voor extra bescherming een optionele 470-ohm weerstand daartussen.
De WS2813 heeft een resettijd van 250μs, waardoor het efficiënter kan werken bij lagere frequenties en op goedkopere microcontrollers in vergelijking met de WS2812B.
WS2813 LED's worden vaak gebruikt in toepassingen zoals vangrailbuizen, pixelschermen, flexibele en rigide strips, modulaire verlichtingssystemen, podiumverlichting en innovatieve elektronische gadgets.
Stuur een aanvraag, we zullen onmiddellijk reageren.
Op 2024/10/18
Op 2024/10/18
Op 8000/04/18 147758
Op 2000/04/18 111938
Op 1600/04/18 111349
Op 0400/04/18 83721
Op 1970/01/1 79508
Op 1970/01/1 66914
Op 1970/01/1 63058
Op 1970/01/1 63012
Op 1970/01/1 54081
Op 1970/01/1 52131