
Een typisch display met één cijfer 7-segment heeft 10 pennen.Elke pin regelt een specifiek segment, behalve de twee pinnen die als gemeenschappelijke terminals voor vermogen werken.Pin 1 verbindt bijvoorbeeld met segment ‘E’ (linksonder), terwijl pin 2 segment ‘D’ (onder) regelt.Pinnen 3 en 8 zijn de gemeenschappelijke terminals die allemaal zijn verbonden met grond (gemeenschappelijke kathode) of kracht (gemeenschappelijke anode).De rest van de pennen verlichten segmenten ‘c’, ‘b’, ‘a’, ‘f’, ‘g’ en het decimale punt.

Afbeelding 2. 7-segment display pin configuratie
| Pin -nummer | Speldnaam | Beschrijving |
| 1 | e | Regelt de linker onderste LED van het display van 7 segment |
| 2 | D | Regelt de onderste LED van het display van 7 segment |
| 3 | Com | Verbonden met grond/VCC op basis van het type display |
| 4 | C | Bestuurt de rechterkled van het display van 7 segment |
| 5 | Dp | Regelt het decimale punt-LED van het display van 7 segment |
| 6 | B | Bestuurt de LED rechtsboven op het display van 7 segment |
| 7 | A | Bestuurt de bovenste LED van het display van 7 segment |
| 8 | Com | Verbonden met grond/VCC op basis van het type display |
| 9 | F | Bestuurt de LED linksboven van het display met 7 segment |
| 10 | G | Regelt de middelste LED van het display van 7 segment |
• Segmentstructuur: Een display van 7 segment omvat zeven lichtbare balken die zijn gerangschikt om getallen te vormen, die lijkt op de vorm van een "8."Deze segmenten zijn gelabeld met ‘A’ via ‘G’, met een optioneel achtste segment, het decimale punt (DP), meestal rechtsonder.Door deze segmenten in verschillende patronen te combineren, kan het display cijfers 0–9 en een paar eenvoudige letters zoals A - F vertegenwoordigen.Deze eenvoudige lay -out maakt het ideaal voor numerieke displays vanwege het gebruiksgemak.
• Display -technologie: Deze displays gebruiken meestal LED's, waarbij elk segment oplicht wanneer de elektrische stroom erdoorheen stroomt.Op LED-gebaseerde modellen zijn helder, energiezuinig en zichtbaar in verschillende lichtomstandigheden.Sommige versies gebruiken LCD-technologie, die minder stroom verbruikt en goed geschikt is voor apparaten op batterijen, hoewel LCD's over het algemeen dimmer zijn en minder zichtbaar zijn in heldere instellingen.
• Configuratietypen: Er zijn twee primaire bedradingsmethoden: Common Cathode (CC) en gemeenschappelijke anode (CA).In CC -displays zijn alle negatieve terminals met elkaar verbonden en worden segmenten geactiveerd door een positieve spanning te leveren.In CA -displays zijn alle positieve terminals verbonden en worden segmenten ingeschakeld door de individuele kathoden te aarden.De keuze hangt af van het circuitontwerp en hoe het display wordt aangedreven.
• Karakterrepresentatie : Hoewel voornamelijk ontworpen voor nummers, kunnen deze displays ook een beperkt scala aan letters tonen, met name A tot F, wat nuttig is voor hexadecimale uitgangen.Omdat ze slechts zeven segmenten hebben, kunnen ze de meeste letters of complexe symbolen niet nauwkeurig vormen, maar ze voldoende zijn voor basisalfanumerieke behoeften.
• Controle en interface: Elk segment kan afzonderlijk worden ingeschakeld of uitgeschakeld, vaak worden bestuurd door Microcontroller GPIO -pinnen.Om de controle te vereenvoudigen, kunnen decoder/stuurprogramma's zoals de 7447 of CD4511 binaire ingangen omzetten in de juiste segmentcombinaties, waardoor het aantal benodigde verbindingen wordt verminderd.
• Voordelen: Hun belangrijkste sterke punten zijn onder meer lage kosten, gemak van controle en leesbaarheid.LED -typen zijn helder en duurzaam, terwijl LCD -varianten het vermogen behouden.Deze eigenschappen maken ze populair voor veel elektronische apparaten, vooral waar eenvoudige numerieke uitvoer voldoende is.
• Beperkingen: Het grootste nadeel is de beperkte tekenset, ze kunnen geen volledige tekst of ingewikkelde afbeeldingen weergeven.LED -modellen kunnen een smalle kijkhoeken hebben, terwijl LCD's kunnen worstelen met zichtbaarheid in fel licht.Deze beperkingen moeten worden overwogen bij het selecteren van een weergavetype voor een project.
|
Weergave
Type |
Beschrijving |
Voordelen |
Beperkingen |
|
7-segment displays |
Zeven LED -segmenten voor cijfers
en een paar karakters. |
Zeer gemakkelijk te gebruiken |
Geeft alleen cijfers en beperkte tekens weer |
|
DOT MATRIX Displays |
Rooster van LED's (bijv. 5x7 of 8x8) die aanpasbaar is
tekens en animaties. |
Goedkoop en algemeen beschikbaar |
Niet geschikt voor tekst of afbeeldingen |
|
Laag stroomverbruik |
Complexer om te programmeren |
||
|
Gebruikt in bewegwijzering, klokken, enz. |
|||
|
Alfanumerieke LCD's |
Voorgevormde LCD's (bijv. 16x2, 20x4) met rijen van
tekens met een vaste grootte (meestal 5x8 punt-indeling). |
Eenvoudig te interface (standaard protocollen) |
Tekens met een vaste grootte |
|
Geweldig voor menu's/statusdisplays |
Beperkte grafische mogelijkheden |
||
|
Leesbaar in verschillende verlichting |
Langzamer vernieuwen dan grafische displays |
||
|
OLED -schermen |
Zelf-emitterende displays met hoog contrast;Beschikbaar in
Monochrome of full colour. |
Hoog contrast en brede kijkhoeken |
Hogere kosten |
|
Dun en licht |
Kortere levensduur (vooral blauwe pixels) |
||
|
Laag vermogen bij het tonen van donkere inhoud |
Heeft meer geheugen en verwerking nodig |
||
|
TFT -schermen |
Full-colour, hoge resolutie LCD's met actieve matrix,
Vaak aanraakt ingeschakeld. |
Rijke kleur en detail |
Hoog stroomverbruik |
|
Kan aanraking zijn |
Vereist meer RAM/verwerking |
||
|
Ideaal voor video's, GUI's, dashboards |
Duurder en complex om te integreren |
De werking van een display met 7 segment is gebaseerd op voorwaartse biasing van de lichtemitterende diodes (LED's) in elk segment.Wanneer een spanning in de juiste richting wordt toegepast, van de anode tot de kathode, licht het segment op.Elk segment kan onafhankelijk worden gecontroleerd, meestal via de digitale uitvoerpennen van een microcontroller of een gespecialiseerde display -stuurprogramma IC.Deze controllers bepalen welke segmenten op enig moment worden geactiveerd op basis van het gewenste karakter.
Om schade aan de LED's van overmatige stroom te voorkomen, is een stroombeperkende weerstand in serie verbonden met elk segment.Deze weerstand zorgt ervoor dat de stroom die door elke LED stroomt, binnen een veilig bereik blijft, dat meestal ongeveer 20 tot 30 milliamere (MA) is.De exacte waarde kan echter variëren, afhankelijk van het gebruikte type LED en de vereiste helderheid.Er zijn twee belangrijke operationele modi voor displays van 7 segment:
1. Statische modus: In deze modus worden elk cijfer en de overeenkomstige segmenten continu ingeschakeld.Deze opstelling vereist een afzonderlijke besturingslijn voor elk segment van elk cijfer, dat inefficiënt kan worden als veel cijfers worden gebruikt.Het biedt echter eenvoud en constante helderheid.
2. Multiplex -modus : Om het aantal controlelijnen en het stroomverbruik te verminderen, worden displays vaak uitgevoerd in de multiplexmodus.In deze modus wordt slechts één cijfer tegelijk verlicht, maar het systeem schakelt snel tussen cijfers met een snelheid hoog genoeg om alle cijfers als continu verlicht te beschouwen.Dit schakelen wordt vaak afgehandeld met behulp van microcontroller timers of shift -registers, die precieze timing en controle mogelijk maken.

Figuur 3. Segmentmapping in een LED-display met 7 segment
Bovenstaande figuur illustreert de structuur en labeling van een display van 7 segment.Het toont de rechthoekige opstelling van de zeven segmenten (A, B, C, D, E, F en G) over tien verschillende weergaven van het display.In elke afbeelding zijn verschillende segmenten gearceerd groen om hun activering weer te geven.Dit helpt visualiseren hoe elk individueel segment bijdraagt aan het vormen van cijfers.De figuur benadrukt systematisch verschillende combinaties en helpt bij het begrijpen van hoe het inschakelen van specifieke segmenten herkenbare tekens creëert.
Om een cijfer te tonen, verzendt de microcontroller een binaire code die de juiste combinatie van segmenten inschakelt.Segmenten A, B, C, D, E en F worden bijvoorbeeld ingeschakeld om "0" weer te geven, en G is bijvoorbeeld uitgeschakeld.Voor een gemeenschappelijk kathodedisplay is dit binaire 0B00111111 (of 0x3f in hex).Voor een gemeenschappelijke anode is de logica omgekeerd 0B11000000 (0xc0).De code moet overeenkomen met het weergavetype, of de verkeerde segmenten zullen oplichten.Het gebruik van binaire opzoektabellen bespaart de verwerkingstijd en zorgt voor snelle, nauwkeurige updates, met name in dynamische toepassingen zoals tellers of timers.
De onderstaande tabel illustreert hoe getallen verschijnen op een display met 7 segment met een gemeenschappelijke anodeconfiguratie:
|
Nummer |
G F E D C B A |
Hexcode |
|
0 |
1000000 |
C0 |
|
1 |
1111001 |
F9 |
|
2 |
0100100 |
A4 |
|
3 |
0110000 |
B0 |
|
4 |
0011001 |
99 |
|
5 |
0010010 |
92 |
|
6 |
0000010 |
82 |
|
7 |
1111000 |
F8 |
|
8 |
0000000 |
80 |
|
9 |
0010000 |
90 |
De onderstaande tabel geeft de cijfers weer zoals deze op een display van 7 segment verschijnen met behulp van een gemeenschappelijke kathodeconfiguratie:
|
Nummer |
G F E D C B A |
Hexcode |
|
0 |
0111111 |
3F |
|
1 |
0000110 |
06 |
|
2 |
1011011 |
5B |
|
3 |
1001111 |
4F |
|
4 |
1100110 |
66 |
|
5 |
1101101 |
6d |
|
6 |
1111101 |
7d |
|
7 |
0000111 |
07 |
|
8 |
1111111 |
7f |
|
9 |
1001111 |
4F |
In deze opstelling is elk segment van een display met dubbele cijfers 7-segment verbonden met de Arduino UNO via een stroombeperkende weerstand (meestal 220Ω tot 330Ω).De segmenten met het label A tot G (en optionele decimale punt DP) zijn parallel aangesloten in beide cijfers en verbonden met digitale pennen D2 tot d9 op de Arduino.Segment 'A' is bijvoorbeeld verbonden met D2, 'B' tot D3, enzovoort.Elk cijfer heeft zijn eigen gemeenschappelijke kathode -pin (CC), die bepaalt of dat cijfer is ingeschakeld.Deze gemeenschappelijke pennen zijn verbonden met Arduino -pennen D10 en D11 en worden gebruikt voor multiplexing: slechts één cijfer wordt tegelijk geactiveerd, maar schakelen tussen hen snel genoeg (meestal> 50Hz) laat beide cijfers tegelijkertijd verschijnen.Gebruik digitalWrite () om te bepalen welke segmenten er zijn en welk cijfer actief is.Een opzoektabel in uw schetskaarten -nummers (0–9) naar hun overeenkomstige segmentcombinaties.Gebruik multiplexing in uw code of een bibliotheek die deze ondersteunt om meerdere cijfers efficiënt af te handelen.Dit vermindert het aantal vereiste Arduino I/O -pennen terwijl het dynamische weergave -updates inschakelt.

Figuur 4. 7-segment displaycircuit met Arduino
In een gemeenschappelijke kathode (CC) 7-segment display zijn alle kathode-terminals van de afzonderlijke LED's die de weergavesegmenten vormen intern verbonden en gerouteerd naar een of meer externe gemeenschappelijke kathodepennen.Deze gemeenschappelijke kathodepennen zijn meestal verbonden met grond (GND) in het circuit.Elk van de afzonderlijke segmenten, gelabeld uit ‘A’ tot en met ‘G’, evenals het optionele decimale punt (DP), heeft zijn eigen anodepin, die onafhankelijk wordt gecontroleerd.
Om een specifiek segment op dit type display te verlichten, moet een hoge spanning (meestal +5V of +3,3 V, afhankelijk van het systeem) worden toegepast op de overeenkomstige anodepen.Omdat de kathoden geaard zijn, vloeit stroom van de anode naar de kathode, waardoor het LED -segment kan oplichten.Het gebruik van een gemeenschappelijke kathode vereenvoudigt interface met microcontrollers, omdat de controller actief stroom kan besturen naar de afzonderlijke segmentpennen in plaats van het te zinken.
Deze configuratie is populair bij beginnerselektronica -projecten vanwege de eenvoudige bedrading en programmeerlogica.Hiermee kunnen numerieke of beperkte alfabetische tekens maken door verschillende segmenten te combineren.Om bijvoorbeeld het nummer "2" weer te geven, worden de segmenten A, B, D, E en G ingeschakeld.De microcontroller activeert elk segment door de respectieve pin hoog in te stellen.
Er ontstaat echter bij het proberen om personages zoals "8" weer te geven, waarbij alle zeven segmenten tegelijkertijd worden ingeschakeld.Elk LED-segment trekt een bepaalde hoeveelheid stroom (meestal ongeveer 10-20 mA) en het verlichten van alle segmenten kan tot 140 mA of meer opleveren.De meeste Microcontroller I/O -pinnen zijn niet ontworpen om zo'n grote totale stroom over meerdere pins tegelijkertijd te vinden.Als teveel stroom wordt getrokken, kan dit de microcontroller beschadigen of ervoor zorgen dat deze niet goed is.Om dit te verzachten, gebruiken velen externe driver IC's (zoals de ULN2003A), transistorarrays of stroombeperkende weerstanden om de belasting veilig te hanteren zonder de microcontroller te overbelasten.

Figuur 5. Gemeenschappelijke kathode 7-segment display-circuitdiagram
De figuur toont de interne en externe bedrading van een gemeenschappelijke kathode 7-segment display.Het display is gelabeld met segmenten A tot en met G en een decimaal punt (DP).Elk segment is verbonden met een diodesymbool (D1 tot D8), die de afzonderlijke LED -segmenten vertegenwoordigen.Alle kathoden zijn met elkaar verbonden en gekoppeld aan de grond, wat de gemeenschappelijke kathodeconfiguratie aangeeft.Door een hoog signaal toe te passen op de anode van elk segment kan de stroom door het segment stromen en het verlichten.
In een gemeenschappelijke anode (Ca) 7-segment display zijn alle anode-terminals van de LED-segmenten intern met elkaar verbonden en worden ze naar een gemeenschappelijke pin gebracht als de gemeenschappelijke anode (CA).Deze gemeenschappelijke pin is verbonden met een positieve spanningsvoorraad, vaak +5V.Elk individueel segment van het display, gelabeld A tot en met G (met een optioneel decimaal punt met het label DP), heeft zijn kathode blootgesteld voor externe verbinding en besturingselement.
Om een specifiek segment te verlichten, moet de kathode worden verbonden met grond (laag), terwijl de gemeenschappelijke anode op +5V (hoog) blijft.Dit houdt in dat de logica om de segmenten te regelen is omgekeerd, in tegenstelling tot een gemeenschappelijk kathodescherm, waarbij segmenten worden ingeschakeld met een hoog signaal, in een gemeenschappelijk anode -display, worden ze ingeschakeld met een laag signaal.Als gevolg hiervan moet uw besturingscode het binaire patroon omkeren dat wordt gebruikt voor een gemeenschappelijk kathode -display.Een patroon dat bijvoorbeeld de cijfer "0" in een gemeenschappelijk kathode -display verlicht, kan een hexadecimale waarde zoals 0x3f gebruiken;Hetzelfde patroon voor een gemeenschappelijk anode -display zou 0xc0 zijn, wat de bitgewijze omgekeerde is.
Microcontrollers die in staat zijn om stroom te zinken (d.w.z. het trekken van de uitgangspen naar de grond) zijn beter geschikt voor het besturen van CA -displays, omdat ze het circuit effectief kunnen voltooien voor elk segment dat moet worden ingeschakeld.Deze displays zijn ook voordelig in systemen waar andere componenten werken met actieve lage logica, zoals bij het gebruik van NPN-transistoren of bepaalde soorten logische poorten.U moet er echter voor zorgen dat de firmware- of stuurprogramma -logica correct is geconfigureerd om dit omgekeerde gedrag te verklaren om weergavefouten te voorkomen.

Figuur 6. Gemeenschappelijke anode 7-segment display-circuitdiagram
De figuur bestaat uit twee delen.Links is er een diagram van een gemeenschappelijke anode 7-segment display met de interne segmentlabels (A tot G en DP) en hoe ze zijn gerangschikt om cijfers te vormen.Een enkele gemeenschappelijke anode -pin wordt bovenaan aangesloten.Aan de rechterkant illustreert een vereenvoudigd circuitschema hoe elk segment (A tot G, DP) is verbonden met de overeenkomstige diode (D1 tot D8), met alle anodes gebonden aan een gemeenschappelijke hoge spanning (CA).Elke kathode kan afzonderlijk worden gecontroleerd door het aarding om het overeenkomstige segment in te schakelen.

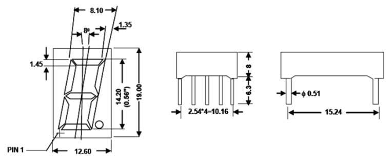
Figuur 7. 7-segment DIP-display Overzicht
Het bovenstaande diagram illustreert de standaardafmetingen voor een display van 7 segment in een dubbele in-line pakket (DIP) -indeling, die vaak wordt gebruikt voor PCB-installaties door middel van hole.Het display staat 19,00 mm lang van basis naar boven, met cijfers van 14,20 mm (0,56 inch) hoog, een veel gebruikte grootte die zorgt voor een goed zicht in zowel binnen- als buitenomgevingen.De segmenten worden naar binnen in 8 ° naar binnen gebogen, waardoor de leesbaarheid wordt verbeterd vanuit een overheadperspectief.
De body van het display is ongeveer 12,60 mm breed en heeft een dikte geoptimaliseerd voor standaard PCB -lay -outs.PIN -afstand volgt de conventionele toonhoogte van 2,54 mm, waarbij elke rij vier pins bevat en 10,16 mm in totale lengte meet.De rijen liggen op een afstand van 15,24 mm uit elkaar over het pakket.Elke pin heeft een diameter van 0,51 mm, compatibel met standaard DIP-sockets of doorgaande gatafmetingen.De impasse tussen het PCB -oppervlak en de displaybasis varieert van 6,3 mm tot 8,0 mm, wat voldoende goedkeuring biedt voor het solderen en de luchtstroom.
Om het juiste display van 7-segment te kiezen, begint u met het bepalen van de juiste maat.Kleinere werken goed voor draagbare apparaten, terwijl grotere mensen de leesbaarheid in meters of openbare displays verbeteren.Denk vervolgens aan kleur.Rode LED's komen vaak voor omdat ze energiezuinig zijn en een lagere spanning nodig hebben.Andere kleuren zoals groen of blauw gebruiken meer vermogen en vereisen een hogere spanning.
U moet ook het type van het display (gemeenschappelijke anode of gemeenschappelijke kathode) matchen met uw circuit.Als uw microcontroller bijvoorbeeld stroom kan leveren (bron), past een gemeenschappelijk kathodedisplay beter.Als het alleen maar stroom kan zinken, ga dan met een gemeenschappelijke anode.Controleer altijd het gegevensblad op huidige beoordelingen, helderheid en pin -opdrachten.Dit zorgt ervoor dat uw display werkt zoals verwacht en voorkomt schade door onjuiste spanningen of stromen.
Een van de meest voorkomende toepassingen van displays van 7 segment is in digitale klokken en polshorloges.Deze displays zijn ideaal voor het tonen van tijd in uren, minuten en seconden vanwege hun duidelijkheid en eenvoud.Of het nu gaat om een wekker op een nachtkastje of een wandklok op de muur, 7-segment displays bieden een snelle en gemakkelijke manier om de tijd van een afstand te lezen.Hun heldere verlichting maakt ze ook zichtbaar in lage licht of donkere omgevingen.
In zowel thuis- als medische omgevingen gebruiken digitale thermometers vaak 7-segment displays om temperatuurwaarden te tonen.Ze worden gebruikt in thermometers binnen/buiten weer, bodythermometers en HVAC -systemen.Omdat ze alleen nummers moeten weergeven, meestal twee of drie cijfers, zijn displays met 7 segment een perfecte pasvorm, die snelle, gemakkelijk te lezen uitvoer bieden zonder een volledig grafisch display te vereisen.
7-segment displays zijn een standaardfunctie in digitale voltmeters en multimeters, die hulpmiddelen zijn die worden gebruikt om spanning, stroom en weerstand te meten.Deze displays staan mogelijk nauwkeurige numerieke uitlezingen te zien.Hun snelle responstijd en leesbaarheid maken hen goed geschikt voor het testen van elektronica en probleemoplossing.
Bij benzinestations gebruiken brandstofdispensers grote, robuuste 7-segment displays om de hoeveelheid brandstof weergegeven, de kosten per gallon/liter en de totale kosten te tonen.Hun vermogen om leesbaar te blijven in zonlicht en harde buitenomstandigheden maakt hen ideaal voor deze omgeving.Ze zijn ook robuust en langdurig, wat onderhoudsbehoeften vermindert.
Veel keukenapparatuur, met name magnetrons, gebruiken displays van 7 segment om kooktijd, aftellen of stroominstellingen weer te geven.Het display is intuïtief en gemakkelijk te interpreteren, zelfs u bent niet technologisch geneigd.Omdat ze minimale stroom en ruimte vereisen, zijn het kosteneffectieve oplossingen voor fabrikanten van apparaten.
Zowel badkamers in de thuisbadkamer als weegingssystemen voor industriële kwaliteit gebruiken displays met 7 segment om gewichtswaarden te presenteren.Deze displays worden vaak gekozen vanwege hun betrouwbaarheid en leesbaarheid.In industriële contexten kunnen de displays groot genoeg zijn om te worden gezien op afstand in magazijnen of productievloeren.
In professionele instellingen worden displays met 7 segment vaak gevonden op meetinstrumenten, voedingen en monitoringsystemen.Ze worden gebruikt om belangrijke numerieke gegevens zoals frequentie, druk, spanning of bedrijfstijd weer te geven.Deze displays bieden duurzaamheid, nauwkeurigheid en gemak van integratie in paneel gemonteerde systemen.
In veel ingebedde toepassingen waar alleen nummers nodig zijn, zoals tellers, timers, scoreborden of basisdiagnostische tools, bieden displays met 7 segment een goedkoop alternatief voor complexere grafische interfaces.Ze verbruiken weinig vermogen en zijn eenvoudig te programmeren, waardoor ze geschikt zijn voor batterij-aangedreven of resource-beperkte systemen.
Een eenvoudige manier om een display met 7 segment te besturen, is door een weerstand voor elk segment te plaatsen.Dit helpt de kleine lichten in het display, LED's, te beschermen tegen te veel elektriciteit.Te veel stroom kan de LED's oververhit maken of stoppen met werken.Deze weerstanden helpen ook het lichtniveau zelfs over alle segmenten te houden.De waarde van elke weerstand ligt meestal tussen 220 ohm (Ω) en 470 ohm (Ω).Het exacte aantal hangt af van twee dingen: de voedingsspanning en hoe helder u wilt dat het display is.Als u bijvoorbeeld een 5-volt voeding gebruikt en elk segment ongeveer 2 volt gebruikt, laat een weerstand van 150-ohm ongeveer 20 milliamprenten (MA) stroom door.Dit is een goede hoeveelheid stroom om het display helder genoeg te maken, maar nog steeds veilig voor de LED's.
Als u grotere weerstanden gebruikt, vloeit minder stroom en ziet het display er dimmer uit.Maar dit kan de LED's helpen langer mee te gaan en minder stroom te gebruiken.Als u kleinere weerstanden gebruikt, meer stroomstromen en het display ziet er helderder uit, maar het kan sneller verslijten en heter wordt.In meer geavanceerde opstellingen, zoals wanneer een weerstand wordt gedeeld tussen verschillende segmenten (multiplexing genoemd), kan de helderheid er ongelijk uitzien.Dat komt omdat verschillende segmenten verschillende hoeveelheden stroom kunnen trekken.In die gevallen is het beter om één weerstand voor elk segment te gebruiken of speciale chips te gebruiken die de stroom automatisch regelen.Deze methoden laten het display er beter uitzien en werken betrouwbaarder.

Figuur 8. Basisweerstand gebaseerd 7-segment display-diagram
De figuur illustreert een basiscircuitdiagram voor het besturen van een enkel LED-display met 7 segment met behulp van individuele weerstanden voor elk segment.Elk van de segmenten van het display (gelabeld A, B, C, D, E, F, G en DP (Decimal Point)) is in serie verbonden met een weerstand van 220Ω, die de stroom beperkt tot veilige niveaus.Deze weerstanden worden geregeld door schakelaars die de invoer tussen logica "hoog" en logica "laag" schakelen, waardoor elk segment onafhankelijk kan worden ingeschakeld of uitgeschakeld.De gemeenschappelijke pin van het display met 7 segment is verbonden met een gedeelde spanningsbron, waardoor de afzonderlijke LED's binnen het display op basis van de invoerlogica-signalen kunnen worden uitgevoerd.Deze configuratie is een voorbeeld van de eenvoudigste en meest directe manier om handmatig een display van 7 segment te testen en te bedienen.
Transistoren zijn als kleine elektronische schakelaars die helpen regelen welke delen van een display met 7 segment oplichten.In een "gemeenschappelijke kathode" -opstelling worden alle negatieve uiteinden (kathoden) van de LED's samengevoegd en verbonden met de grond.Om een segment te verlichten, stuurt de microcontroller een signaal naar het positieve uiteinde (anode).Omdat de grond moet worden ingeschakeld en uitgeschakeld om elk cijfer te regelen, worden NPN -transistoren gebruikt.De microcontroller stuurt een klein signaal naar de basis (middenbeen) van de transistor, en hierdoor kan de stroom erdoorheen stromen, het segment verlichten.
In een "gemeenschappelijke anode" -opstelling zijn alle positieve uiteinden (anodes) met elkaar verbonden en aangesloten op kracht (meestal 5V).Hier kunt u PNP-transistoren of speciale schakelaars zoals N-kanaalmosfets gebruiken om de negatieve uiteinden (kathoden) te regelen.Het display verlicht wanneer de microcontroller een signaal verzendt om de kathode laag te trekken (dicht bij 0V).Voor displays met meer dan één cijfer wordt multiplexing gebruikt.Dit betekent dat de microcontroller heel snel één cijfer tegelijk inschakelt, zo snel dat het lijkt alsof alle cijfers tegelijk zijn.Elk cijfer gebruikt zijn eigen transistor, die de microcontroller in en uit schakelt, terwijl de rechter signalen naar de segmenten worden verzonden.
Om de microcontroller te beschermen en ervoor te zorgen dat de transistors goed werken, wordt een kleine weerstand (meestal ongeveer 1.000 ohm) geplaatst tussen de microcontroller en de basis van de transistor.Dit beperkt hoeveel stroom erin stroomt. Ook is het belangrijk om transistors te kiezen die de hoeveelheid stroom kunnen verwerken die de LED's nodig hebben.Als de transistoren te zwak zijn, kunnen ze oververhit raken of stoppen met werken en het display ziet er mogelijk niet goed uit.Het kiezen van de juiste onderdelen en het beheren van warmte zorgvuldig helpen om het display goed te werken en langer mee te gaan.

Figuur 9. Op transistor gebaseerde controle van een diagram met 7 segment weergave
Het diagram illustreert een eenvoudige methode voor het besturen van een enkelcijferige display met zeven segmenten met behulp van acht schakelaars (SW1 tot SW8), elk verbonden via een 220Ω weerstand tegen de afzonderlijke segmenten van het display.De segmentbesturingslijnen worden naar de display -ingangen geleid, die worden aangedreven via een transistorschakelaar (Q1).Een weerstand van 1kΩ (R9) verbindt de transistorbasis met de 5V -regelkolie, waardoor het display kan worden geactiveerd wanneer de transistor wordt ingeschakeld.Deze installatie zorgt voor een juiste stroomregeling en efficiënte werking van het display.
Een 7-segment displays zijn een eenvoudige en nuttige manier om nummers in elektronische apparaten weer te geven.Elk segment is als een klein licht, en door de juiste in te schakelen, kunt u elk cijfer van 0 tot 9 tonen. U kunt een gemeenschappelijke kathode of een gemeenschappelijk anode -display gebruiken, afhankelijk van uw circuit.Om het display en uw microcontroller te beschermen, moet u weerstanden of transistoren gebruiken.Als je meer dan één cijfer hebt, kun je een methode gebruiken die multiplexing wordt genoemd om ze een voor een te verlichten, dus ze zien er allemaal verlicht uit.Deze displays worden gebruikt in veel dingen zoals digitale klokken, schalen, meters en keukenapparatuur omdat ze goedkoop, gemakkelijk te gebruiken en duidelijk zijn om te lezen.Met de tips van deze handleiding kunt u veilig en gemakkelijk 7-segment displays toevoegen aan uw eigen projecten.
Stuur een aanvraag, we zullen onmiddellijk reageren.
De meest voorkomende IC's die worden gebruikt om displays van 7 segment te sturen, zijn BCD tot 7-segment decoder/stuurprogramma's, zoals de 74LS47 (voor gemeenschappelijke anode) of CD4511 (voor gemeenschappelijke kathode).Deze IC's nemen een 4-bit binair gecodeerde decimaal (BCD) -invoer en verlichten automatisch de juiste segmenten om nummers 0–9 weer te geven.Dit bespaart microcontroller -pinnen en vereenvoudigt de bedrading.Voor geavanceerde besturing kunnen schuifregisters zoals 74HC595 of display-stuurprogramma's zoals MAX7219 worden gebruikt voor multi-cijfers of multiplex-displays.
Een BCD-opstelling van BCD tot 7-segment betekent dat u een binaire gecodeerde decimale (BCD) -waarde gebruikt (vier digitale bits die een getal vertegenwoordigen van 0 tot 9) en deze in het rechterpatroon converteert om een display van 7 segment te verlichten.Een speciale IC zoals de CD4511 leest de BCD -waarde en schakelt automatisch de juiste segmenten in.BCD-ingang 0100 (decimaal 4) verlicht bijvoorbeeld segmenten die het nummer 4 op het 7-segment weergeven.
Om een decoder met 7 segment te verbinden, zoals de CD4511:
Sluit de BCD -ingangspinnen aan (meestal gelabeld A, B, C, D) op vier digitale uitgangen van uw microcontroller.
Sluit de segmentuitgangen (A tot G) aan van de decoder met de bijpassende segmentpennen op het display.
Bevestig de weerstanden van stroombeperkende weerstanden (meestal 220Ω tot 470Ω) tussen de decoderuitgangen en display-segmenten om de LED's te beschermen.
Zorg ervoor dat u de decoder overeenkomt met het displaytype: CD4511 is voor Common Cathode en 74LS47 is voor een gemeenschappelijke anode.
Geef vermogen (+5V en GND) aan het IC en schakel de uitvoer in door alle besturingspennen (zoals BI of LE) correct in te stellen.
Elk van de zeven segmenten (exclusief het decimale punt) kan onafhankelijk van of uit zijn, dus het totale aantal combinaties is 2⁷ = 128. Niet al deze combinaties vertegenwoordigen zinvolle cijfers of letters.In de meeste praktische use cases (zoals BCD) worden alleen de combinaties voor 0 tot 9, en soms A tot F voor hexadecimaal, gebruikt.Dat betekent dat ongeveer 16 standaard karakterpatronen regelmatig worden gebruikt in de dagelijkse elektronica.
De meeste LED-displays van 7 segment werken op ongeveer 2V per segment, wat de voorwaartse spanningsval is van een typisch rood LED-segment.De werkelijke benodigde voedingsspanning hangt echter af van het circuitontwerp.Indien direct aangedreven van een microcontroller of door weerstanden, wordt het display meestal uitgevoerd op +5V of +3.3V -systemen en worden weerstanden gebruikt om de extra spanning te laten vallen en de stroom te beperken.Voor LCD -typen kan de spanning lager zijn, vaak ongeveer 1,5 V tot 3V, en gecontroleerd met behulp van verschillende technieken.
Op 2025/05/6
Op 2025/05/6
Op 8000/04/18 147778
Op 2000/04/18 112032
Op 1600/04/18 111351
Op 0400/04/18 83788
Op 1970/01/1 79589
Op 1970/01/1 66973
Op 1970/01/1 63109
Op 1970/01/1 63043
Op 1970/01/1 54097
Op 1970/01/1 52195