
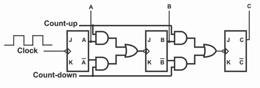
Figuur 1: Teller op/omlaag
Een up/down teller of bidirectionele teller, bewaakt en past numerieke waarden aan in zowel opwaartse als neerwaartse richtingen op basis van een ingangssignaal.Deze dubbele functionaliteit is fundamenteel in systemen die het aantal en afnemende tellingen vereisen en dynamisch reageren op veranderingen in de operationele omgeving.Deze tellers beginnen meestal met nul en verhogen totdat ze een vooraf bepaalde limiet bereiken, die een actie in het systeem activeert.Als alternatief kunnen ze beginnen met een ingestelde maximale waarde en tot nul dalen, waardoor een vergelijkbare respons wordt geactiveerd bij het bereiken van de ondergrens.

Figuur 2: TTL 74LS190 -modellen
De TTL 74LS190- en 74LS191 -modellen zijn bijvoorbeeld veel voorkomende versies van deze teller.Ze hebben een modus -ingangspen waarmee schakelt tussen opwaartse en neerwaartse tellen.Deze modusschakelaar vindt soepel plaats, zonder de telvolgorde te onderbreken.

Figuur 3: 4-bit up/down teller
Een typische 4-bit up/down teller illustreert duidelijk deze operationele flexibiliteit.Wanneer geconfigureerd om naar boven te tellen, beweegt de teller van de binaire waarde 0000 naar 1111, met alle mogelijke combinaties binnen een 4-bits systeem (0 tot 15 in decimaal).Overschakelen om naar beneden te tellen keert dit proces om en verlaagt terug naar 0000. De verandering tussen elk nummer gebeurt met precisie, geregeld door een kloksignaal dat het tellen in synchronisatie met de timingvereisten van het systeem drijft.

Figuur 4: D-type flip-flop
Elk van de vier bits wordt geregeld door een D-type flip-flop in een rand-geactiveerde opstelling.Deze flip-flops werken samen in een ketting, met de uitvoer van elke flip-flop die de volgende voedt.Om een nauwkeurig tellen te garanderen, gebruikt de teller de omgekeerde output van elke flip-flop als feedback op de gegevensinvoer, vooral tijdens de neerwaartse telling.Dit ontwerp creëert een soepele, voorspelbare overgang tussen getallen.De toestandsverandering van elke flip-flop heeft direct invloed op het volgende, waardoor het telproces betrouwbaar en in volgorde houdt.

Figuur 5: 3-bit omhoog/omlaag teller
Het circuitontwerp voor een 3-bit omhoog/omlaag teller maakt gebruik van een efficiënte opstelling waarbij JK flip-flops opnieuw worden geconfigureerd als T-type (toggle) flip-flops.Met deze aanpassing kan de teller soepel schakelen tussen het tellen van 0 (binair 000) tot 7 (binair 111) en omgekeerd aftellen.De eenvoud van dit ontwerp verbetert zijn functionaliteit en betrouwbaarheid.
In de up-counting-modus wordt de reeks geregeld door de uitgang van elke flip-flop.In het bijzonder is de 'Q'-uitgang van één flip-flop direct verbonden met de klokinvoer van de volgende flip-flop.Deze opstelling zorgt ervoor dat elke flip-flop schakelt in reactie op de één ervoor.Naarmate de klokpulsen worden ontvangen, verhoogt de teller één stap tegelijk, beginnend vanaf 000 en het verplaatsen van opeenvolgend tot 111. Deze directe koppeling tussen flip-flops zorgt voor een soepele en logische progressie tijdens de up-counting fase, met elke flip-Flop's staatsverandering rijdt de volgende in de rij.
Wanneer de teller is ingesteld om af te tellen, keert het mechanisme om.In plaats van de directe 'Q'-uitgangen te gebruiken, vertrouwt het systeem op de omgekeerde uitgangen van elke flip-flop.Deze omgekeerde signalen voeden zich in de klokinvoer van de volgende flip-flops, waardoor de teller op een gecontroleerde, opeenvolgende manier afvalt.Elke klokpuls veroorzaakt nu een afname van de binaire volgorde, van 111 terug naar 000. Deze methode zorgt ervoor dat de overgangen ordelijk blijven, waardoor verstoringen in het telproces worden vermeden.
De werking van een up/down -teller wordt geregeld door een ingangssignaal Up/Down, dat direct de telrichting instelt.Deze input zorgt ervoor dat de teller op of aftelt, maar nooit beide tegelijkertijd.Het systeem bereikt deze exclusiviteit met behulp van een omvormer, die het besturingssignaal omdraait, waardoor ervoor zorgt dat slechts één telmodus op elk bepaald moment actief is.
Telling modus: Wanneer de teller is ingesteld om te tellen, wordt een specifieke set logische poorten geactiveerd.Deze poorten leiden de teller door een stapsgewijze progressie, beginnend bij binair 000 en verplaatsen tot 111 (of van 0 tot 7 in decimaal).Elke klokpuls leidt tot een sprong naar het volgende binaire getal, waarbij een soepele en voorspelbare volgorde wordt gehandhaafd.Het ontwerp zorgt ervoor dat de teller volgt op een duidelijk en consistent patroon, dat zich houdt aan standaard binaire progressieregels.
Down tellende modus: Door de teller af te schakelen, wordt het circuit op een gecontroleerde manier aangepast.De logische poorten die de opwaartse telling beheren, worden nu uitgeschakeld, terwijl een andere set Gates het overneemt om het neerwaartse telproces af te handelen.In deze modus vertrouwt het systeem op omgekeerde signalen die door de flip-flops stromen, die verantwoordelijk zijn voor het beheersen van het aftellen.Terwijl klokpulsen doorgaan, stapt de teller achteruit van 111 tot 000, net zo soepel en betrouwbaar als het omhoog telt.Deze verandering in werking toont het vermogen van de teller om beide richtingen efficiënt af te handelen.
De Way Up/Down -tellers interageren met klokpulsen biedt waardevol inzicht in hun vermogen om timing- en sequentiebesturing te beheren.In een asynchrone teller beïnvloedt elke klokpuls direct de toestanden van de slippers van de teller, waardoor het telproces wordt gestimuleerd.
In een typische down-counting-modus kan de teller beginnen met een binaire waarde van 111 (die gelijk is aan 7 in decimaal).Het systeem reageert op de negatieve rand van elke klokpuls, waardoor de uitgang van de eerste flip-flop (QA) verandert.Deze verandering veroorzaakt vervolgens een trapsgewijze effect, waarbij de output van QA de volgende flip-flop (QB) beïnvloedt, en uiteindelijk de derde flip-flop (QC) beïnvloedt.Naarmate elke klokpuls arriveert, gaat deze cascade verder, waardoor de telling van 7 naar 0 wordt verminderd. Elke flip-flop wordt in volgorde beïnvloed door de vorige, zodat het tellen soepel en voorspelbaar vordert.
Tijdens up-counting is het proces iets anders.Hier activeert de uitgang van elke flip-flop de volgende flip-flop in de rij.Vanaf 000 (binaire 0) verhoogt elke klokpuls de teller, waarbij de eerste flip-flop de tweede activeert en de tweede de derde activeert.Dit proces gaat door totdat de teller 111 bereikt (binair 7).Elke achtste klokpuls voltooit de telcyclus, op welk punt de teller terugkeert naar 000 en begint opnieuw.Dit zorgt voor een consistente en repetitieve cyclus die nauwkeurige timing handhaaft.
De 74193 IC is een veelzijdige 4-bit synchrone binaire teller die in beide richtingen kan tellen, tot modulo-16.Het maakt gebruik van dubbele klokinvoer - één voor het tellen en een voor het tellen - waardoor nauwkeurige controle over de telrichting mogelijk is.Dit ontwerp zorgt ervoor dat de output van de teller in perfecte synchronisatie blijft met de invoerkloksignalen, waardoor zowel nauwkeurigheid als reactievermogen in zijn activiteiten worden verbeterd.
Een belangrijk kenmerk van de 74193 IC is de master reset pin.Deze pin wist onmiddellijk de huidige telling, waardoor alle uitgangen op nul worden ingesteld.Het is vooral handig tijdens het testen van het systeem of wanneer u de teller in een bekende staat opnieuw moet starten.Dit maakt het opnieuw configureren of probleemoplossing van systemen sneller en efficiënter.Bovendien heeft de IC toegewijde uitrekening en aftellen-terminals, waardoor de flexibiliteit verder wordt verbeterd, waardoor het geschikt is voor verschillende digitale telapplicaties waar precieze controle nodig is.

Figuur 6: 74193 IC Pinout
De pinout -lay -out van de 74193 IC is ontworpen voor maximale functionaliteit.Het bevat invoerpennen waarmee gebruikers de teller kunnen presenteren om te beginnen met een specifieke waarde, die ideaal is voor aangepaste toepassingen die specifieke initiële toestanden vereisen.Uitvoerpennen geven realtime feedback over de huidige telling, waardoor het gemakkelijk is om de teller te controleren of te integreren in grotere systemen die live updates nodig hebben.Een opmerkelijk kenmerk van de 74193 IC is de ripple carry output pin.Deze pin maakt het gemakkelijk om de capaciteit van de teller uit te breiden door meerdere IC's aan te sluiten (of trapsge Cascade).Door deze functie te gebruiken, kunt u hoge-orde tellers bouwen die grotere tellingen afhandelen, wat geschikt is voor meer geavanceerde digitale systemen die een hogere precisie of grotere tellen vereisen.
De IC 74193 is een veelzijdige component die wordt gebruikt om flexibele telcircuits te bouwen die kunnen worden aangepast voor een breed scala aan toepassingen.In de kern werkt het betrouwbaar door pin 16 aan te sluiten op VCC, waardoor een stabiele voeding wordt gewaarborgd.Deze verbinding wordt gebruikt voor het handhaven van de consistente werking in elk systeem.De IC 74193 is ontworpen met verschillende invoerpennen die verschillende operationele modi kunnen configureren.Een van de belangrijkste functies is de actieve lage parallelle belastinginvoer, die gebruikers de mogelijkheid biedt om te beginnen met tellen vanuit elke vooraf ingestelde waarde.Deze functie is met name handig wanneer een precieze controle over de telvolgorde vereist is, omdat de teller naar een specifieke waarde kan springen voordat de telling begint.
Een groot voordeel van de IC 74193 is het vermogen om eenvoudig te schakelen tussen de tellingsmodi.Dit kan worden gedaan door eenvoudige aanpassingen aan de relevante pennen aan te brengen.De mogelijkheid om tussen deze modi te schakelen zonder gecompliceerde configuraties, maakt de IC zeer flexibel, waardoor het zowel basis- als complexere teltaken gemakkelijk kan verwerken.
Up -tellers en neerwaartse tellers dienen verschillende doeleinden op basis van hun telrichtingen.Een UP-teller begint op nul en verhogingen tot een ingestelde limiet, waardoor het goed geschikt is voor taken die de voortgang vereisen in een voorwaartse reeks.Voorbeelden zijn applicaties zoals het volgen van tijd of eventsequencing, waarbij elke stap op een lineaire manier omhoog beweegt totdat een doelwaarde is bereikt.
Aan de andere kant begint een omlaag aanrecht op een gedefinieerde maximale waarde en telt naar beneden naar nul.Dit type teller is vooral handig in scenario's waarin u een omgekeerde proces moet volgen.Gemeenschappelijk gebruik omvat countdown -timers, waarbij de resterende tijd wordt gevolgd tijdens het afnemen, of het volgen van middelen, waarbij u controleert hoeveel van een bron er nog over is zoals deze wordt geconsumeerd.
Tellers omhoog/omlaag worden zeer gewaardeerd voor hun eenvoudige ontwerp en synchrone werking, waardoor ze gunstig zijn in systemen die snel en betrouwbaar tellen.Hun vermogen om zowel op als omlaag te tellen, zorgt voor flexibele controle, wat vooral nuttig is in toepassingen waar timingprecisie en snelle reacties zich vestigen.Of het nu wordt gebruikt voor het volgen van evenementen, tijdwaarneming of het beheren van bronnen, deze tellers bieden een eenvoudige en effectieve oplossing in verschillende digitale systemen.
Hun ontwerp zorgt voor soepele en voorspelbare overgangen tussen staten, waardoor ze ideaal zijn voor realtime toepassingen.Ze worden bijvoorbeeld vaak gebruikt in gebeurtenis tellers, timers of systemen die opeenvolgende tellen in beide richtingen nodig hebben, zoals in industriële automatisering of digitale klokken.
Ondanks hun sterke punten kunnen op/neer tellers worden geconfronteerd met uitdagingen bij hogere snelheden.Naarmate de kloksnelheid toeneemt, worden de vertragingen van de voortplanting meer opvallend, wat kan leiden tot telfouten.Deze vertragingen treden op omdat het signaal langer duurt om door elke fase van de teller te bewegen, waardoor de nauwkeurigheid van de timing van het systeem wordt verminderd, vooral in high-speed omgevingen.
Een andere beperking ontstaat naarmate de bitgrootte van de teller groeit.Grotere tellers, die hogere getallen afhandelen, voegen complexiteit toe aan het systeem.Deze toename van complexiteit kan synchronisatieproblemen of onnauwkeurige tellingen introduceren, met name wanneer meerdere tellers zijn aangesloten in een groter digitaal circuit.Systemen die afhankelijk zijn van precieze synchronisatie op verschillende tellers, zoals grootschalige digitale systemen, kunnen glitches of onnauwkeurigheden ervaren als het ontwerp niet zorgvuldig wordt beheerd.
Tellers omhoog/omlaag worden veel gebruikt in veel industriële en technologische toepassingen vanwege hun vermogen om in beide richtingen te tellen.

Figuur 7: Auto-omkeringsmechanismen
Een van de belangrijkste toepassingen van UP/Down-tellers is in automatische omkeringsmechanismen.In systemen zoals transportbanden of motorische controle maken deze tellers bidirectioneel tellen mogelijk, waardoor nauwkeurig beheer van mechanische bewegingen mogelijk is.Ze zorgen er bijvoorbeeld voor dat machines de richting soepel kunnen schakelen wanneer dat nodig is, waardoor de controle over productieprocessen wordt verbeterd.

Figuur 8: Tijd- en signaalbeheer
Tellers omhoog/omlaag spelen ook een belangrijke rol in klokdivisiecircuits, waar ze tijdsintervallen beheren om digitale signalen correct getimed te houden.In deze systemen verdeelt de teller het kloksignaal in kleinere intervallen, waardoor het hele circuit synchroon werkt.Dit is serieus in digitale apparaten die afhankelijk zijn van nauwkeurige signaaltiming voor goed functioneren, zoals processors of communicatiesystemen.

Figuur 9: Parkeersystemen voor voertuigen
Een andere praktische toepassing is in parkeersystemen voor voertuigen, waar tellers omhoog/omlaag de beschikbare parkeerplaatsen bijhouden.Elke keer dat een auto binnenkomt of uitgaat, past de teller de telling aan om het aantal open plekken weer te geven.Deze automatische tracking verbetert ruimtebeheer en verbetert de algehele efficiëntie van parkeerfaciliteiten door nauwkeurige, realtime gegevens over bezettingsgraad te bieden.

Figuur 10: Frequentiedivisie in digitale elektronica
Op het gebied van digitale elektronica dienen op/neer tellers als frequentiedividers, waardoor een invoerfrequentie wordt afgebroken in kleinere, beter beheersbare.Dit is vooral belangrijk in signaalverwerking en communicatiesystemen, waar verschillende componenten precieze frequentiebeheer vereisen.Door inputfrequenties te moduleren, zorgen deze tellers voor een soepele werking op apparaten die afhankelijk zijn van nauwkeurige signaaltiming en modulatie.
Gedurende het artikel zijn de complexiteit en veelzijdigheid van UP/Down -tellers grondig geanalyseerd, wat hun nuttige rol in het ontwerp van het digitale circuit presenteert.De gedetailleerde verkenning in verschillende modellen, zoals de 74193 IC, benadrukt het aanpassingsvermogen en de precisie die deze componenten bieden aan digitale systemen.Door op en neer tellers te vergelijken, benadrukt de discussie hun specifieke voordelen in diverse toepassingen, van eenvoudige gebeurtenistelling tot complexe frequentiedivisie.Bovendien behandelt het artikel potentiële beperkingen, zoals vertraagingen van propagatie en uitdagingen voor synchronisatie, waardoor inzicht wordt gegeven in effectieve ontwerpoverwegingen die de betrouwbaarheid van het systeem kunnen verbeteren.Het gedeelte Expanded Applications bevestigt het vereiste nut van de tellers in precisiecontrole en signaalbeheer, waaruit bewijst dat Up/Down -tellers fundamenteel zijn voor de vooruitgang en efficiëntie van hedendaagse technologische infrastructuren.Dit gedetailleerde onderzoek onderstreept niet alleen de operationele nuances van omhoog/omlaag tellers, maar ook hun aanzienlijke impact op het ontwerp en de functionaliteit van moderne digitale systemen.
De 74193 is een specifiek type geïntegreerd circuit (IC) dat is ontworpen als een synchrone up-down teller.Het kan in beide richtingen tellen: verhogen (omhoog) en afnemende (omlaag).Het beschikt over een 4-bit binaire uitvoer en kan worden ingesteld om in elke reeks binnen het 4-bits bereik te tellen.Operators gebruiken het doorgaans in toepassingen waar omkeerbaar tellen vereist is, zoals in digitale klokken of evenemententellers in industriële systemen.
De IC 74192 is een ander model van een synchrone up-down teller.In tegenstelling tot de 74193 is de 74192 ontworpen om een decennium (0 tot 9 of 9 tot 0) te tellen of omlaag te tellen en is het dus een decennium.Het wordt gebruikt waar tellingen moeten worden weergegeven of berekend in decimale in plaats van binaire vorm, zoals in rekenmachines of digitale meters.
Een up-down teller werkt door zijn status te wijzigen met elke puls van een klokinvoer, omhoog of omlaag te tellen, afhankelijk van de geselecteerde modus.Elke puls zorgt ervoor dat de output van de teller verhoogt of afneemt met één eenheid.In praktische toepassingen kunnen technici deze tellers gebruiken om de frequentie en tijdsintervallen te meten, of de positie in mechanische systemen bepalen door het aantal voorwaartse of omgekeerde bewegingen bij te houden.
Gemeenschappelijke IC-nummers voor up-down tellers omvatten 74193 en 74192, zoals hierboven besproken.Deze cijfers maken deel uit van de 7400 -serie digitale logische IC's, die aangeeft dat ze zijn ontworpen voor digitale teltaken naast andere functies.
Integrated Circuits (ICS) die in tellers worden gebruikt, omvatten een verscheidenheid aan typen op basis van de telbehoeften.Veelgebruikte IC's zijn respectievelijk de 74193 en 74192 voor binair en decimalen.Anderen kunnen de 4029 omvatten, een programmeerbare up-down teller, geschikt voor meer complexe toepassingen waar vooraf ingestelde tellimieten en meerdere telmodi nodig zijn.In praktische scenario's, zoals productielijnen of digitale systemen, helpen deze IC's nauwkeurige tellingen van bewerkingen of objecten te behouden.
Stuur een aanvraag, we zullen onmiddellijk reageren.
Op 2024/09/21
Op 2024/09/20
Op 8000/04/18 147758
Op 2000/04/18 111938
Op 1600/04/18 111349
Op 0400/04/18 83721
Op 1970/01/1 79508
Op 1970/01/1 66914
Op 1970/01/1 63058
Op 1970/01/1 63012
Op 1970/01/1 54081
Op 1970/01/1 52131