
De ISPPAC-Clk5320S-01TN64C is een veelzijdige, in-systeem programmeerbare nul-delay fan-out buffer ontworpen voor klokdistributietoepassingen.Het biedt maximaal 12 ultra-lage scheefuitgangen, waarbij elk paar uitgangen aanpasbaar zijn om verschillende I/O-normen te ondersteunen, zoals LVTTL, LVCMOS, SSTL en HSTL.Gebruikers kunnen de uitvoerfrequenties, de beëindiging, de slawsnelheid en de timing die voor elke uitvoer onafhankelijk van de uitgang onafhankelijk worden aangepast.
Dankzij de krachtige PLL zorgt dit apparaat voor minimale propagatievertraging.Het bevat drie programmeerbare 5-bits tellers om meerdere frequenties te genereren, die naar elke uitgangspen kunnen worden geleid.Het apparaat biedt vier bedieningsmodi, waaronder nul-vertraging en niet-nul vertragingsbufferopties.
Of u nu een enkele eenheid of bulkhoeveelheden nodig hebt, de ISPCLOCK5300S-01TN64C biedt betrouwbare, flexibele oplossingen voor klokbeheer.Neem contact met ons op voor bulkaankoopopties en profiteer van onze concurrerende prijzen!

De ISPPAC-CLK5320S-01TN64C biedt vier flexibele bedrijfsmodi, zodat u de beste installatie kunt kiezen voor uw klokverdelingsbehoeften.De nulvertragingsbuffer-modus synchroniseert invoer- en uitvoerklokken met minimale vertraging, terwijl de nulvertraging en niet-nul vertragingsbuffermodus beide functies combineert voor extra flexibiliteit.De dubbele niet-nul vertragingsbuffer-modus biedt twee onafhankelijke vertragingspaden, en de niet-nul vertragingsbuffer met uitgangsverdelermodus zorgt voor verdeelde klokuitgangen met aangepaste timingaanpassingen.
Met ondersteuning voor frequenties variërend van 8MHz tot 267 MHz, biedt dit apparaat een breed scala aan klokkenmogelijkheden, waardoor het geschikt is voor verschillende timingtoepassingen.Of uw systeem nu lage of hoogfrequente signalen vereist, deze flexibiliteit zorgt voor een naadloze werking op verschillende apparaten.
Dit apparaat levert een precieze signaaltiming met minder dan 100 pk output-to-output scheeftrekking en onder 70 ps piek-tot-piek jitter.Deze lage waarden helpen de signaalintegriteit te behouden en minimaliseren timingfouten in hogesnelheidstoepassingen, waardoor een soepele werking in complexe circuits wordt gewaarborgd.
De ISPPAC-CLK5320S-01TN64C biedt maximaal 20 onafhankelijk programmeerbare fan-out buffers, waardoor u volledige controle hebt over uitvoerconfiguraties.Het ondersteunt meerdere uitgangsnormen met één einde, waaronder LVTTL, LVCMOS, HSTL, EHSTL en SSTL.U kunt de uitgangsimpedantie tussen 40Ω tot 70Ω aanpassen in verhogingen van 5Ω en de slawsnelheid wijzigen voor betere signaalovergangen.Bovendien heeft het apparaat maximaal 10 uitgangsbanken, elk met een eigen voeding (1,5 V, 1,8 V, 2,5 V of 3,3 V), waardoor afzonderlijke spanningsniveaus voor verschillende uitgangen mogelijk zijn.
De geïntegreerde PLL zorgt voor stabiele en betrouwbare kloksignalen met programmeerbare vergrendelingsdetectie voor het bewaken van nauwkeurigheid.Het omvat drie programmeerbare uitvoerverdelers die werken in bevoegdheden van 2 (1, 2, 4, 8, 16, 32), waardoor frequentie -aanpassingen eenvoudig worden.Het on-chip lusfilter helpt ruis te verminderen, terwijl de spreidingspectrumklokcompatibiliteit elektromagnetische interferentie minimaliseert.Het apparaat ondersteunt zowel interne als externe feedback en biedt flexibele kloksynchronisatie -opties.
U kunt elke uitgang verfijnen met maximaal ± 5ns faseveroctie om signalen nauwkeurig uit te lijnen.Het apparaat biedt acht programmeerbare fase -instellingen met een minimale stapgrootte van 156ps, waardoor een precieze timingregeling wordt gewaarborgd.Het ondersteunt grove en fijne aanpassingsmodi, zodat u aan verschillende systeemvereisten kunt voldoen.
De ISPPAC-CLK5320S-01TN64C ondersteunt maximaal drie afzonderlijke klokfrequentiedomeinen, waardoor meerdere timingsignalen efficiënt kunnen worden beheerd binnen een enkel apparaat.Deze functie is ideaal voor systemen die onafhankelijke klokbronnen vereisen voor verschillende componenten.
Dit apparaat biedt een reeks programmeerbare invoer- en feedbackstandaarden, waaronder LVTTL, LVCMOS, SSTL, HSTL, LVDS, LVPECL, Differential HSTL en differentiële SSTL.De Clock A/B Selection Multiplexer maakt het mogelijk om te schakelen tussen ingangsbronnen, terwijl het programmeerbare feedbackpad LVTTL, LVCMOS, SSTL en HSTL ondersteunt.Bovendien vereenvoudigt ingebouwde programmeerbare beëindiging signaalbeheer, het verbeteren van de algehele prestaties.
De ISPPAC-CLK5320S-01TN64C is compliant, wat betekent dat alle ingangen en uitgangen volledig functioneel blijven, zelfs tijdens hot swapping.Dit zorgt voor continue werking zonder het risico van gegevensverlies of onderbrekingen.
Het apparaat ondersteunt JTAG-grensscan en in-systeemprogrammering, waardoor configuratie en testen eenvoudig worden zonder het uit het circuit te hoeven verwijderen.Dit vereenvoudigt foutopsporing en versnelt de ontwikkelingstijd.
Ontworpen om de stroomvoorziening van de voeding te weerstaan, zorgt dit apparaat voor stabiele en betrouwbare werking, zelfs in elektrisch lawaaierige omgevingen.Dit maakt het een ideale keuze voor krachtige toepassingen die precisieklokbeheer vereisen.
De ISPPAC-CLK5320S-01TN64C is beschikbaar in zowel commerciële (0 ° C tot 70 ° C) als industriële (-40 ° C tot 85 ° C) temperatuurbereiken, waardoor betrouwbare prestaties over verschillende omgevingscondities worden gewaarborgd.Het wordt geleverd in 48-pins en 64-pins TQFP-pakketten, waardoor het gemakkelijk te integreren is in verschillende systemen.
Technische specificaties van rooster halfgeleider, ISPPAC-Clk5320S-01TN64C.
|
Attribuut |
Waarde |
|
Fabrikant |
Rooster halfgeleider |
|
Serie |
ISPCLOCK ™ |
|
Type |
Klokgenerator, fanout -verdeling, nul vertragingsbuffer |
|
Aantal circuits |
1 |
|
Spanning - levering |
3v ~ 3.6V |
|
Operationele temp. |
0 ° C ~ 70 ° C |
|
Frequentie - Max |
267 MHz |
|
Ratio - Input: output |
2:20 |
|
PLL |
Ja met bypass |
|
Verdeler/vermenigvuldiger |
Ja/Nee |
|
Differentieel - invoer: uitvoer |
Ja/Nee |
|
Invoeren |
HSTL, LVCMOS, LVDS, LVPECL, LVTTL, SSTL |
|
Uitvoer |
Ehstl, HSTL, LVCMOS, LVTTL, SSTL |
|
Pakket / kast |
64-lqfp |
|
Leverancierspakket |
64-tqfp (10x10) |
|
Montagetype |
Oppervlaktemontage |
|
Pakket |
Dienblad |
|
Base Productnummer |
ISPPAC-Clk53 |

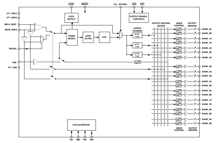
Het diagram laat zien hoe de ISPPAC-Clk5320S-01TN64C werkt als een programmeerbare klokgenerator.Er zijn meerdere referentiekloksignalen (REFA, REFB) en een feedbacksignaal (FBK) nodig om alles synchroon te houden.Een selectie -invoer (Refsel) kiest naar welke verwijzen naar gebruik.De fasedetector vergelijkt de geselecteerde referentie met het feedbacksignaal en het lusfilter gladstrijken alle variaties glad voordat het signaal wordt doorgegeven aan de spanningsgestuurde oscillator (VCO).De VCO genereert een hoogfrequente klok, die vervolgens wordt verdeeld in verschillende klokuitgangen.Deze uitgangen doorlopen een routeringsmatrix, waar ze kunnen worden aangepast voor timing (skew -besturing) voordat ze via uitgangsduurprogramma's worden verzonden.Het systeem bevat ook uitvoerinschakelingsregels, een PLL -bypass -optie en een vergrendelingsdetectiefunctie om aan te tonen wanneer alles stabiel is.Bovendien is een JTAG -interface opgenomen voor programmeren en testen.Deze opstelling zorgt voor een nauwkeurige klokverdeling over verschillende delen van een systeem, waardoor het nuttig is voor processors, communicatieapparaten en andere digitale circuits.
De ISPPAC-CLK5320S-01TN64C wordt veel gebruikt voor het distribueren van een gemeenschappelijk kloksignaal over printplaten.Het zorgt ervoor dat alle verbonden componenten gesynchroniseerde timingsignalen ontvangen, waardoor de communicatie tussen verschillende delen van het systeem wordt verbeterd.Met zijn lage scheve en jitter helpt het de signaalnauwkeurigheid te behouden, waardoor fouten bij gegevensoverdracht worden verminderd.
Dit apparaat heeft een krachtige PLL, zodat u stabiele en programmeerbare klokfrequenties kunt genereren.Of u nu de frequenties moet vermenigvuldigen, delen of synchroniseren, de ISPPAC-CLK5320S-01TN64C biedt flexibel klokbeheer voor een reeks toepassingen, waaronder gegevensverwerking, communicatiesystemen en ingebedde apparaten.
Wanneer een enkele kloksignaal meerdere componenten moet aandrijven, werkt de ISPPAC-Clk5320S-01TN64C als een betrouwbare buffer met hoge ventilator.Met maximaal 20 programmeerbare uitgangen kan het kloksignalen efficiënt verdelen met behoud van de lage scheefheid tussen uitgangen.Dit is handig in grote systemen waar meerdere subsystemen een gesynchroniseerde klok vereisen.
De nul-vertragingsbufferfunctie van de ISPPAC-Clk5320S-01TN64C zorgt ervoor dat de uitgangsklok in lijn blijft met de referentieklok, waardoor timingmismatches voorkomen.Dit is met name handig in toepassingen waar precieze synchronisatie vereist is, zoals geheugeninterfaces, netwerkapparaten en high-speed gegevensverwerkingssystemen.

Het diagram biedt de fysieke afmetingen en lay-outdetails van het ISPPAC-CLK5320S-01TN64C-pakket.Het omvat verschillende weergaven-onderaan, onder, zij en een dwarsdoorsnede-om een duidelijk idee te geven van zijn vorm en grootte.Het pakket heeft 64 pins gerangschikt rond de randen.Het bovenaanzicht toont de pin -opstelling, met een kleine marker die pin 1 aangeeft voor de juiste oriëntatie.Het onderaanzicht biedt een soortgelijk perspectief, maar van onderaan.
Het zijaanzicht benadrukt de hoogte van het pakket, de vorm van de leads en hoe ze zich uit het lichaam uitstrekken.Een gedetailleerde zoom-in (detail 'a') laat zien hoe de leads buigen en de printplaat aanraken.Het zitvlak is het deel dat contact maakt met het bord wanneer het wordt gemonteerd.
Een tabel bevat verschillende metingen, waaronder pakkethoogte, loodbreedte en afstand tussen pennen.Alle dimensies zijn in millimeters.De notes verklaren toleranties, hoe het pakket wordt gemeten en aanvullende details zoals schimmeluitsteeksels en loodafwerking.De exacte vorm van de hoeken is niet vast, wat betekent dat er kleine variaties kunnen zijn.Deze tekening zorgt voor de juiste montage en plaatsing van de component op een printplaat.
|
Onderdeelnummer |
Fabrikant |
Belangrijke functies |
Use case/notes |
|
Rooster halfgeleider |
Vergelijkbaar met de ISPPAC-clk5320s maar met een 2:16 Input-to-output-verhouding.Ondersteunt hetzelfde spanningsbereik, frequentie en Meerdere uitvoerformaten.Wordt geleverd in een 64-tqfp-pakket. |
Geschikt voor klokverdeling in middelgrote digitale systemen waar 16 uitgangen voldoende zijn. |
|
|
Rooster halfgeleider |
Een lagere output-versie met een 2:12 ingang tot output-verhouding. Ondersteunt dezelfde klokkenmerken, maar werkt in een bredere temperatuurbereik (-40 ° C tot 85 ° C).Wordt geleverd in een kleiner pakket van 48 tqfp. |
Het beste voor industriële toepassingen die robuust vereisen Temperatuurtolerantie en matige klokverdeling. |
|
|
Rooster halfgeleider |
Biedt een klokverdeling van 8 output met een vergelijkbare functieset, inclusief een PLL, meerdere invoer-/uitvoerindelingen en een max Frequentie van 267 MHz.Het werkt ook in het bereik van -40 ° C tot 85 ° C. |
Ontworpen voor compact klokbeheer met een hoge betrouwbaarheid in harde omgevingen of ruimte-beperkte toepassingen. |
Lattice Semiconductor ontwikkelt low-power, krachtige programmeerbare oplossingen voor klokbeheer, connectiviteit en verwerking.Als fabrikant van de ISPPAC-Clk5320S-01TN64C biedt rooster betrouwbare en flexibele klokdistributietechnologie die is ontworpen voor nauwkeurige timing en synchronisatie.Met een focus op innovatie en efficiëntie blijft Lattice moderne elektronica ondersteunen met vertrouwde, hoogwaardige oplossingen.
De ISPPAC-CLK5320S-01TN64C is een flexibele en betrouwbare oplossing voor klokbeheer die is ontworpen om uw systeem soepel te laten werken.Met zijn programmeerbare functies, lage scheve en meerdere uitvoeropties, zorgt het voor een nauwkeurige timing voor verschillende applicaties.Of u nu een nul-vertragingsbuffer, frequentieverlening of hoge ventilatorverdeling nodig hebt, dit apparaat biedt de prestaties en flexibiliteit die u nodig hebt.Als u op zoek bent naar een betrouwbare manier om kloksignalen te beheren, is dit een geweldige keuze.
Stuur een aanvraag, we zullen onmiddellijk reageren.
Het is een programmeerbare klokgenerator en fan-out buffer die is ontworpen om kloksignalen te beheren en te distribueren.Het helpt verschillende delen van een systeem gesynchroniseerd te houden door een nauwkeurige timing te waarborgen.
Ja, met het apparaat kunt u verschillende uitvoerfrequenties instellen met behulp van programmeerbare scheiders.Elke uitgang kan worden aangepast om te voldoen aan specifieke timingbehoeften.
Het ondersteunt meerdere invoer- en uitvoerstandaarden, waaronder LVTTL, LVCMOS, SSTL, HSTL, LVDS en LVPECL.Dit maakt het compatibel met verschillende systemen en apparaten.
In de nulvertragingsmodus blijven de invoer- en uitvoerklokken uitgelijnd met minimale vertraging.Dit helpt bij het handhaven van de synchronisatie tussen verschillende componenten in een circuit.
Ja, het heeft een JTAG-interface voor programmering en testen in het systeem.Hiermee kunt u het configureren zonder het uit het circuit te verwijderen.
Op 2025/02/24
Op 2025/02/21
Op 8000/04/18 147766
Op 2000/04/18 111994
Op 1600/04/18 111351
Op 0400/04/18 83756
Op 1970/01/1 79550
Op 1970/01/1 66952
Op 1970/01/1 63094
Op 1970/01/1 63028
Op 1970/01/1 54094
Op 1970/01/1 52176