
De Atmega168 is een 8-bit microcontroller die CMOS-technologie gebruikt en is ontworpen voor een laag stroomverbruik.Het werkt op de AVR® RISC -architectuur, waarmee het instructies in een enkele klokcyclus kan uitvoeren.Dit ontwerp helpt de stroomefficiëntie te optimaliseren met behoud van de verwerkingssnelheid, waardoor het apparaat tot een miljoen instructies per seconde per seconde per megahertz kan verwerken.De microcontroller is beschikbaar in drie pakkettypen: PDIP, MLF en TQFP.De PDIP- en MLF -pakketten worden geleverd met 28 pins, terwijl het TQFP -pakket 32 pins bevat.
De ATMEGA168 heeft 16 KB flash-geheugen voor het opslaan van programma's, 1 KB RAM en 512 bytes EEPROM, die zorgt voor langetermijngegevensbehoud van ongeveer 20 jaar.Het bevat ook een ingebouwde 10-bit ADC-module, die 8 kanalen biedt voor het omzetten van analoge signalen in digitale signalen-nuttig voor sensorinterfaces.
Een van de opvallende aspecten van de Atmega168 is dat het SPI-, I2C- en USART-communicatieprotocollen ondersteunt, waardoor het flexibel is in termen van communicatie met apparaat-tot-apparaat.Deze functie maakt het een veelzijdige keuze voor projecten die communicatie vereisen met meerdere externe componenten.
Andere nuttige functies zijn een waakhond timer, power-up timer, oscillator opstarttimer en Brown-Out-detectie.Deze ingebouwde functies helpen ervoor te zorgen dat uw systeem soepel verloopt zonder onverwachte onderbrekingen.
De ATMEGA168 verschilt van andere microcontrollers zoals de PIC -serie omdat deze de meeste instructies in één klokcyclus uitvoert, terwijl PIC -microcontrollers meerdere cycli kunnen nemen voor vergelijkbare taken.Bovendien wordt de AVR-microcontroller geleverd met 32 algemene registers, in tegenstelling tot het 'W' -register van de foto.Dit helpt bij het versnellen van de verwerkingstaken en verbetert de flexibiliteit bij het programmeren.




De Atmega168 is van een familie van microcontrollers die zijn ontworpen om hoge prestaties te bieden en tegelijkertijd minimaal vermogen te consumeren.Met deze balans kunt u het gebruiken in toepassingen waar zowel efficiëntie als verwerkingskracht nodig zijn zonder de levensduur van de batterij of energieverbruik op te offeren.
• 131 Instructies: met 131 beschikbare instructies, waarvan de meeste kunnen worden uitgevoerd in een enkele klokcyclus, biedt de ATMEGA168 een responsieve ervaring, waardoor uw systeem sneller wordt.
• 32 x 8 Werkregisters: u kunt profiteren van 32 algemene registers, zodat u gegevens effectiever kunt opslaan en verwerken binnen uw programma's.
• 20 MIPS -doorvoer: bij 20 MHz kan de Atmega168 tot 20 miljoen instructies per seconde leveren, waardoor u veel snelheid krijgt voor uw taken.
• On-chip 2-cyclus multiplier: deze functie helpt u om multiplicaties sneller uit te voeren, waardoor de verwerking in complexe berekeningen wordt verbeterd.
• Flash -geheugen: u kunt kiezen uit 4KB, 8KB, 16KB of 32 KB flash -geheugen, afhankelijk van uw applicatiebehoeften.Dit zorgt voor programmering in het systeem, zodat u de software van de microcontroller kunt bijwerken zonder deze uit het circuit te verwijderen.
• EEPROM: met 512 bytes tot 1 KB van EEPROM, kunt u kleine hoeveelheden gegevens opslaan, zoals kalibratiewaarden, configuraties of andere instellingen die moeten blijven bestaan tussen stroomcycli.
• SRAM: de interne SRAM, variërend van 512 bytes tot 2KB, is beschikbaar voor snelle gegevensopslag tijdens de uitvoering van uw programma.
• Schrijf/wissen cycli: het flash -geheugen ondersteunt maximaal 10.000 schrijf-/wissen cycli, en de EEPROM ondersteunt 100.000 cycli, waardoor u duurzaamheid in gegevensopslag krijgt.
• Gegevensbehoud: gegevens die zijn opgeslagen in EEPROM kunnen maximaal 20 jaar duren bij 85 ° C of 100 jaar bij 25 ° C, waardoor het betrouwbaar is voor langdurige toepassingen.
• Capacitieve aanraking: de ATMEGA168 ondersteunt aanraaksensoren zoals knoppen, schuifregelaars en wielen, zodat u aanraakinvoer in uw projecten kunt integreren.
• Sense -kanalen: u kunt maximaal 64 touch -sense -kanalen hebben, waardoor het mogelijk is om complexe aanraakinterfaces voor verschillende toepassingen te maken.
• Timer/tellers: het bevat twee 8-bit timers en een 16-bit timer, waardoor u flexibiliteit hebt bij het beheren van getimede taken of het genereren van precieze vertragingen.
• PWM -kanalen: er zijn zes PWM -kanalen (pulsbreedtemodulatie), nuttig voor toepassingen zoals motorbesturing of dimmen.
• ADC-kanalen: de microcontroller wordt geleverd met een 10-bit ADC (analoog-naar-digitale converter) met 8 kanalen in TQFP- en QFN/MLF-pakketten of 6 kanalen in PDIP-pakketten.Dit is perfect om te interfaceren met sensoren.
• Seriële communicatie: u kunt verschillende communicatieprotocollen zoals USART, SPI en I2C gebruiken, waardoor eenvoudige communicatie met andere apparaten mogelijk is.
• Watchdog -timer: deze functie helpt de systeembetrouwbaarheid te waarborgen door de microcontroller te resetten als deze niet meer reageert.
• Power-on reset en brown-out detectie: deze functies zorgen ervoor dat uw systeem correct begint na een stroomcyclus en dat het veilig kan omgaan met laagspanningsomstandigheden.
• Slaapmodi: de Atmega168 biedt zes slaapmodi, waaronder inactief, power-save en standby.Hiermee kunt u het stroomverbruik verminderen wanneer volledige prestaties niet nodig zijn, waardoor de levensduur van de batterij wordt bespaard.
• Programmeerbare I/O -lijnen: met 23 programmeerbare ingang/uitvoerlijnen kunt u eenvoudig verschillende sensoren, knoppen of andere randapparatuur aansluiten op uw systeem.
• Meerdere pakketopties: de ATMEGA168 is beschikbaar in verschillende pakketten, zoals 28-pins PDIP en 32-lead TQFP, zodat u het meest geschikte pakket voor uw project kunt selecteren.
Microchip-technologie ATMEGA168A-AU Technische specificaties, attributen, parameters en onderdelen met vergelijkbare specificaties als microchip-technologie Atmega168A-au.
| Type | Parameter |
| Factory doorlooptijd | 8 weken |
| Contact opnemen | Tin |
| Inzetten | Oppervlaktemontage |
| Montagetype | Oppervlaktemontage |
| Pakket / kast | 32-tqfp |
| Aantal pinnen | 32 |
| Gegevensconverters | A/D 8x10b |
| Aantal I/OS | 23 |
| Waakhond timers | Ja |
| Bedrijfstemperatuur | -40 ° C ~ 85 ° C TA |
| Verpakking | Dienblad |
| Serie | Avr® Atmega |
| Gepubliceerd | 1997 |
| JESD-609 Code | E3 |
| PBFree -code | Ja |
| Onderdeelstatus | Actief |
| Vochtgevoeligheidsniveau (MSL) | 3 (168 uur) |
| Aantal beëindigingen | 32 |
| Eindpositie | Quad |
| Eindvorm | Meulvleugel |
| Piekrefllowtemperatuur (° C) | 260 |
| Voedingsspanning | 5V |
| Frequentie | 20MHz |
| Time @ peak reflow -temperatuur (max) | 40s |
| Basisonderdeelnummer | Atmega168a |
| Supply Voltage-Max (VSUP) | 5.5V |
| Voedingsvoorraden | 2/5V |
| Voedingsspanning-min (VSUP) | 4.5V |
| Interface | 2-draads, I2C, SPI, Serial, UART, USART |
| Geheugengrootte | 16KB |
| Oscillatortype | Intern |
| RAM -maat | 1k x 8 |
| Spanning - Supply (VCC/VDD) | 1.8V ~ 5.5V |
| UPS/UCS/perifeer ICS -type | Microcontroller, RISC |
| Kernprocessor | AVR |
| Randapparatuur | Brown-Out Detect/Reset, Por, PWM, WDT |
| Programma -geheugentype | FLASH |
| Kerngrootte | 8-bit |
| Programma -geheugengrootte | 16KB 8k x 16 |
| Connectiviteit | I2c, spi, uart/usart |
| Bit -maat | 8 |
| Heeft ADC | JA |
| DMA -kanalen | NEE |
| Gegevensbusbreedte | 8B |
| Aantal timers/tellers | 3 |
| EEPROM -maat | 512 x 8 |
| Grensschaal | NEE |
| Low Power Mode | NEE |
| Formaat | Vaste punt |
| Geïntegreerde cache | NEE |
| Aantal ADC -kanalen | 8 |
| Aantal serieel I/OS | 1 |
| Aantal externe onderbrekingen | 2 |
| Aantal PWM -kanalen | 6 |
| Aantal I2C -kanalen | 1 |
| Hoogte | 1,05 mm |
| Lengte | 7 mm |
| Breedte | 7 mm |
| Bereik SVHC | Geen SVHC |
| Stralingsharding | Nee |
| ROHS -status | ROHS3 -compatibel |
| Leid gratis | Leid gratis |
De drie delen aan de rechterkant hebben specificaties die vergelijkbaar zijn met die van de microchip-technologie Atmega168A-au.
| Onderdeelnummer | ATMEGA168A-AU | Atmega88pa-au | Atmega48a-au | Atmega88a-au |
| Fabrikant | Microchip -technologie | Microchip -technologie | Microchip -technologie | Microchip -technologie |
| Pakket / kast | 32-tqfp | 32-tqfp | 32-tqfp | 32-tqfp |
| Aantal pinnen | 32 | 32 | 32 | 32 |
| Gegevensbusbreedte | 8 B | 8 B | 8 B | 8 B |
| Aantal I/O | 23 | 23 | 23 | 23 |
| Interface | 2-draads, I2C, SPI, Serial, UART | I2c, spi, serial, uart, usart | 2-draads, I2C, SPI, Serial, UART | I2c, spi, usart |
| Geheugengrootte | 16 kb | 4 kb | 8 kb | 8 kb |
| Voedingsspanning | 5 V | 5 V | 5 V | 5 V |
| Randapparatuur | Brown-out detecteren/resetten | Brown-out detecteren/resetten | Brown-out detecteren/resetten | Brown-out detecteren/resetten |
| Bekijk vergelijken | Atmega168a-au vs Atmega88pa-au | Atmega168a-au vs Atmega88pa-au | Atmega168a-au vs Atmega48a-au | Atmega168a-au vs Atmeg |

De AVR-kern van de ATMEGA168 is ontworpen met 32 algemene registers, die rechtstreeks interageren met de Arithmetic Logic Unit (ALU).Met deze installatie kunnen twee onafhankelijke registers gelijktijdig worden toegankelijk, waardoor de instructies in slechts één klokcyclus worden voltooid.Deze efficiëntie maakt de Atmega168 veel efficiënter in vergelijking met traditionele CISC -microcontrollers, waardoor verwerkingssnelheden tot tien keer sneller worden geleverd.
De ATMEGA168 biedt tot 8kbytes programmeerbaar flash-geheugen in het systeem, 1kbytes SRAM en 1KBYTES EEPROM.Het wordt ook geleverd met 23 algemene I/O-lijnen, drie timer/tellers en een reeks communicatie-interfaces, zoals USART, SPI en I2C.Bovendien bevat de microcontroller een 6-kanaals, 10-bit ADC voor taken die analoog naar digitale conversie vereisen.
Het apparaat ondersteunt verschillende stroombesparende modi om de prestaties te optimaliseren en de levensduur van de batterij te verlengen.In de inactieve modus wordt de CPU uitgeschakeld terwijl de randapparatuur zoals timers en communicatie -interfaces actief blijft.Power-down modus schakelt alle functies uit, behalve voor de asynchrone timer, die minimaal stroomverbruik mogelijk maakt.Power-Save-modus houdt de timer actief terwijl de rest van het apparaat in slaap wordt gesteld, en de ADC-ruisreductiemodus vermindert ruis tijdens analoog-naar-digitale conversies door onnodige componenten uit te schakelen.Standby-modus biedt snel opstarten terwijl het stroomverbruik laag blijft door de oscillator te laten draaien terwijl de rest van het systeem slaapt.
Met ondersteuning voor Read-While-Write kunt u het Application Flash-geheugen bijwerken zonder de Boot-flash-bewerkingen te onderbreken.Dit zorgt voor continue werking terwijl het geheugen herprogrammeert, waardoor de Atmega168 een solide keuze is voor ingebedde besturingssystemen.
Het primaire onderscheid tussen de Atmega168 en de Atmega328 is de hoeveelheid beschikbare flash -geheugen.De ATMEGA168 heeft 16 KB flash -geheugen, terwijl de ATMEGA328 32KB biedt, wat ideaal is als u werkt aan grotere projecten die meer opslagruimte vereisen voor programmagegevens.Voor de meeste hobbyistische toepassingen is dit verschil echter misschien niet significant.Beide microcontrollers delen vergelijkbare functies, pin -configuraties en prestatiekenmerken, waardoor ze in veel gevallen uitwisselbaar zijn.
Als uw project meer geheugen vereist om een grotere codebase of meer uitgebreide gegevensverwerking op te slaan, kunt u kiezen voor de ATMEGA328.Anders, voor kleinere toepassingen of wanneer geheugenbeperkingen geen probleem zijn, zal de ATMEGA168 net zo goed presteren.
| Onderdeelnummer | Beschrijving | Fabrikant |
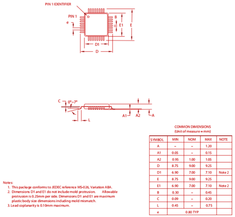
| Atmega168-24AI Microcontrollers en processors | RISC Microcontroller, 8-bit, flash, 24MHz, CMOS, PQFP32, 7 x 7 mm, 1 mm hoogte, 0,80 mm toonhoogte, plastic, MS-026ABA, TQFP-32 | Atmel Corporation |
De Atmega168 is een geweldige keuze voor educatieve projecten.Het gebruiksgemak en uitgebreide functies maken het geschikt voor een verscheidenheid aan kleinschalige toepassingen, van eenvoudige besturingssystemen tot het leren van sensoren en motoren.
Als u werkt aan ingesloten systemen of robotica, biedt de ATMEGA168 alle belangrijke componenten die u nodig hebt.De efficiënte architectuur en de mogelijkheid om communicatieprotocollen zoals SPI en I2C te verwerken, maken het een uitstekende keuze voor het beheersen van robotarmen, sensoren of autonome voertuigen.
In industriële automatisering wordt de ATMEGA168 vaak gebruikt om machines of processen te regelen.Met de timers, ADC's en communicatie -interfaces kunt u systemen bouwen die repetitieve taken automatiseren of apparaten in productieomgevingen bedienen.
De microcontroller is ideaal voor thuisbeveiligingssystemen, waar deze kan worden gebruikt om te communiceren met sensoren, indringers of bedieningsdeursloten te detecteren.Met zijn lage stroomverbruik is het perfect voor apparaten op batterijen die over lange periodes betrouwbaar moeten worden uitgevoerd.
Als je van drone -ontwerp houdt, kan de Atmega168 de hersenen van je quadcopter zijn.Het kan motorbesturing omgaan met behulp van PWM -kanalen, processensorgegevens met zijn ADC's en draadloos communiceren met andere apparaten, waardoor het een goede optie is voor lichtgewicht, efficiënte quadcopters.

Microchip Technology Inc. is het bedrijf achter de ATMEGA168.Bekend om het produceren van betrouwbare en kostenefficiënte microcontroller- en analoge halfgeleideroplossingen, bevindt het hoofdkantoor van Microchip zich in Chandler, Arizona.Hun focus ligt op het leveren van producten die de ontwikkelingsrisico's verminderen, de algehele systeemkosten verlagen en de tijd om de markt voor verschillende industrieën op de markt te brengen te versnellen.
De ATMEGA168 biedt een volledige set tools om uw ontwikkeling gemakkelijker te maken.Deze omvatten C-taalcompilers, macro-assemblers, programma-debuggers en simulatoren, in-circuit-emulators en evaluatieborden.Deze tools helpen u om uw systeem efficiënt te programmeren, foutopsporen en te testen.De microcontroller zelf wordt geleverd met 16KB programmeerbare flash in-systeem, 512 bytes EEPROM, 1K van SRAM, 23 algemene I/O-lijnen en meerdere communicatie-interfaces zoals USART, SPI en een 8-kanaals 10-bit ADC.
De ATMEGA48, ATMEGA88 en ATMEGA168 verschillen voornamelijk in geheugengrootte, ondersteuning voor laders voor laders en hoe ze omgaan met interrupts.De ATMEGA88 en ATMEGA168 ondersteunen gelijktijdige lees- en schrijfbewerkingen via een onafhankelijk bootladergebied, terwijl de Atmega48 dat niet doet.De Atmega8 daarentegen mist enkele interruptfuncties en heeft een kleinere geheugengrootte.Alle vier de chips delen dezelfde pin -configuratie, zodat u er eenvoudig tussen kunt upgraden zolang het pakket hetzelfde is.
De ATMEGA168V-10PU is een variatie van de ATMEGA168 microcontroller, ontworpen om op lagere spanningen te werken.Het wordt vaak gebruikt in systemen waar een laag stroomverbruik een prioriteit is, waardoor het een geweldige keuze is voor toepassingen op batterijen.
Stuur een aanvraag, we zullen onmiddellijk reageren.
Op 2024/10/21
Op 2024/10/21
Op 8000/04/18 147757
Op 2000/04/18 111936
Op 1600/04/18 111349
Op 0400/04/18 83721
Op 1970/01/1 79508
Op 1970/01/1 66907
Op 1970/01/1 63040
Op 1970/01/1 63012
Op 1970/01/1 54081
Op 1970/01/1 52125