
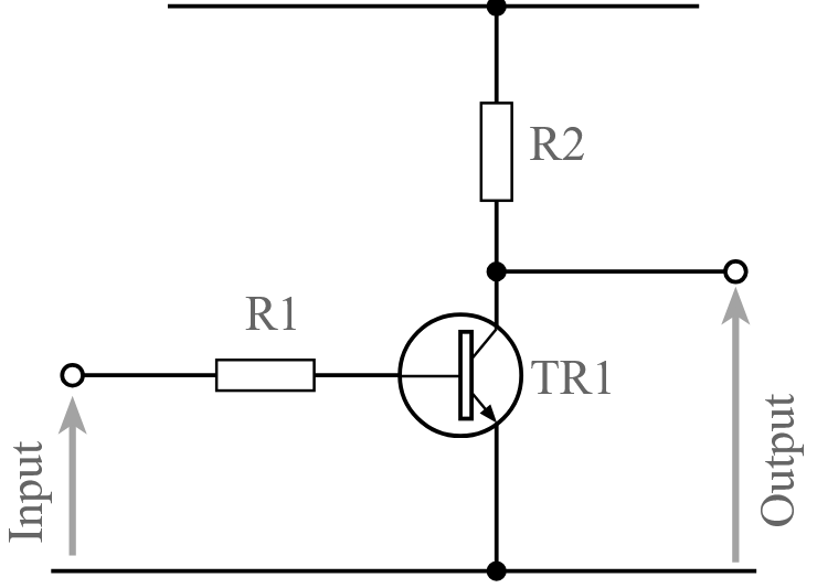
Figuur 1. Emitter transistorcircuit
De veel voorkomende emitter Versterker is een van de meest populaire transistorcircuits die je tegenkomt.Het wordt op veel elektronische apparaten gebruikt omdat het biedt Goede winst en is vrij eenvoudig in elkaar te zetten.Het goede nieuws is - u hoeft geen expert te zijn om er een te ontwerpen.Met slechts een paar duidelijke stappen en een beetje begrip, kunt u een betrouwbaar en effectief circuit ontwerpen dat goed werkt voor veel toepassingen.
Wat dit versterkerontwerp benaderbaar maakt, is hoe eenvoudig de wiskunde is.Je zult niet overweldigd worden door complexe formules.Een paar eenvoudige berekeningen gebruiken Ohm's wet en basistransistorigenschappen kunnen u naar de juiste weerstands- en condensatorwaarden leiden.Zodra u het proces onder de knie hebt, wordt het kiezen van onderdelen een stuk eenvoudiger, vooral omdat u vaak standaardweerstandswaarden kunt kiezen zonder het circuit eraf te gooien.
Er is ook veel flexibiliteit met dit type versterker.U kunt beginnen met een zeer eenvoudige versie - een basis logische buffer of Outputstuurprogramma- alleen een transistor gebruiken, een weerstand bij de input en één bij de verzamelaar.Zelfs in deze basisvorm kan het circuit nuttig zijn, vooral wanneer u een signaal van hoog naar laag moet omzetten of vice versa.Dit komt omdat het circuit kindt het signaal om: Wanneer de ingang hoog wordt, daalt de uitgang laag.
Als je dingen nog een stap verder wilt gaan, kun je een paar extra onderdelen toevoegen.Deze omvatten condensatoren om AC -signalen en weerstanden te verwerken om het juiste werkpunt voor de transistor in te stellen.Een emitter bypass -condensator Kan ook worden toegevoegd om de versterking voor AC -signalen te verbeteren.Deze toevoegingen maken het circuit niet veel ingewikkelder, maar ze geven je betere controle over hoe de versterker presteert.Met slechts een beetje oefening en tweaken kunt u een versie ontwerpen die goed werkt voor uw specifieke behoeften.
Dit type van gemeenschappelijk emittercircuit is waarschijnlijk een van de gemakkelijkste transistorcircuits je kunt bouwen.Het wordt vaak gebruikt als een simpele logische buffer of signaal omvormer, en het is een geweldig uitgangspunt als je net in transistor gebaseerde elektronica begint.De opstelling is minimaal - je hebt alleen een transistor, een weerstand verbonden met de invoer (de basis van de transistor), en een andere weerstand verbonden bij de verzamelaar.Zelfs met alleen deze paar delen doet het circuit iets heel nuttigs.
De invoerweerstand helpt door de hoeveelheid stroom te regelen die in de basis van de transistor stroomt.Dit voorkomt dat te veel stroom de transistor beschadigt of andere delen van uw circuit beïnvloedt.Ondertussen de verzamelweerstand speelt een andere rol.Het is waar de uitgangsspanning is ontwikkeld.Wanneer de transistor wordt ingeschakeld, stroomt de stroom erdoorheen en daalt de collectorspanning, waardoor een Laag signaal bij de uitgang.
De manier waarop het circuit werkt, is eenvoudig maar slim.Wanneer de Inputsignaal is hoog- Zeg van een logische poort of microcontroller - het duwt een kleine stroom in de basis van de transistor.Deze kleine basisstroom maakt een grotere stroom om te stromen Van de verzamelaar tot de emitter, die de transistor "aan" zet.Wanneer dat gebeurt, valt de spanning bij de verzamelaar dicht bij nul en krijgt u een lage output.Met andere woorden, een hoge input geeft je een lage output, dat wordt genoemd inversie of faseomkering.Dit is een belangrijke functie van de gemeenschappelijke emitterversterker.

Figuur 2. Basis gemeenschappelijke emitter transistorversterker voor logisch gebruik
Dit soort circuit is erg handig als je dat wilt Drijf een apparaat met een laag signaal aan of moet Verschuivingsniveaus tussen verschillende delen van een digitaal systeem.Het kan bijvoorbeeld worden gebruikt Controle een LED of fungeren als een simpele interface tussen logische IC's.Zijn snel te bouwen,, gemakkelijk te begrijpen, En neemt niet veel ruimte in beslag of stroom.Dus als u een circuit op het logica op de hoogte brengt en een Betrouwbare schakelfase, deze gemeenschappelijke emitteropstelling is een Slimme en eenvoudige optie.
Het bouwen van een gemeenschappelijke emitterlogica -versterker is eenvoudig zodra u deze in eenvoudige stappen afbreekt.Dit deel van de gids helpt u de juiste onderdelen te kiezen en hun waarden te achterhalen, zodat uw circuit werkt zoals het zou moeten.Elke stap richt zich op een deel van de opstelling, waardoor het gemakkelijk is om te volgen.
Begin met het kiezen van een transistor die bij uw project past.Denk na over hoeveel stroom uw circuit zal gebruiken en hoe snel de transistor moet in- en uitschakelen.Voor logische circuits is snel schakelen belangrijk, dus een schakeltransistor is meestal de beste keuze.Zorg ervoor dat het de spanning tussen de verzamelaar en emitter kan aan.Controleer ook de huidige winst (weergegeven als β of HFE).Dit vertelt u hoeveel basisstroom nodig is om de transistor te regelen.Een hogere winst betekent dat je minder basisstroom nodig hebt, maar het is altijd veiliger om te plannen voor een lagere winst voor het geval dat.
De collectorweerstand stelt de uitgangsspanning in wanneer de transistor aan of uitgaat.Om de waarde ervan te achterhalen, moet u eerst weten hoeveel stroom uw belasting nodig heeft.Vervolgens kunt u met behulp van de wet van Ohm (r = v / i) de weerstandswaarde berekenen.Als u bijvoorbeeld een 5V -voeding hebt en 5 mA stroom wilt, heeft u een weerstand van 1kΩ nodig (5V ÷ 0.005A).Het is prima om het af te ronden tot de dichtstbijzijnde standaardweerstandswaarde.
Om de transistor volledig in te schakelen, heeft deze voldoende stroom aan de basis nodig.Verdeel de collectorstroom door de versterking (β) om de basisstroom te vinden.Gebruik vervolgens het spanningsverschil tussen uw invoer en de base-emitterspanning (meestal ongeveer 0,6 V voor siliciumtransistoren) om de weerstandswaarde te vinden.Als uw invoer bijvoorbeeld 5V is en u wilt 0,25 mA aan de basis, moet de weerstand (5V - 0,6V) ÷ 0,00025a = 17,6kΩ zijn.Je kunt dat rondom een standaardwaarde zoals 18KΩ afgeven.
Ga voordat je eindigt terug en controleer al je nummers.Zorg ervoor dat de transistor de stroom en spanning aankan.Controleer of de uitgangsspanning laag genoeg daalt wanneer deze is ingeschakeld en dat uw invoerbron de benodigde basisstroom kan bieden.Bevestig ook dat uw weerstanden standaardwaarden zijn en het vermogen kunnen verwerken zonder te veel op te warmen.Als er iets lijkt, pas het dan aan en herbereken.Een snelle cheque kan nu veel tijd later besparen.
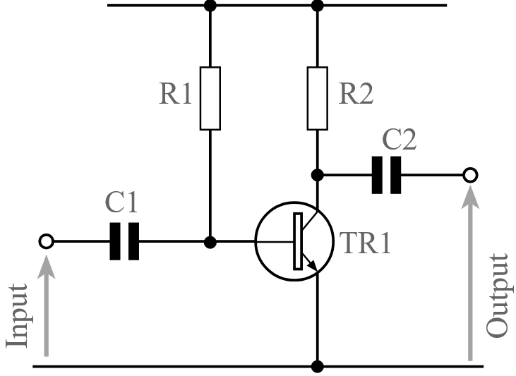
Deze versie van de gemeenschappelijke emitterversterker bevat een koppelingscondensator, wat het geschikter maakt om mee te werken AC -signalen zoals audio of andere veranderende spanningsingangen.De condensator wordt op de invoer geplaatst Blokkeer elke DC -spanning dat zou kunnen komen uit de vorige fase, waardoor alleen de AC -deel van het signaal om door te gaan.Deze opstelling helpt wanneer u dat wilt Versterken signalen die in de loop van de tijd variëren, zonder de DC Biasing van de transistor.
Dit ontwerp gebruikt echter alleen een enkele weerstand om de basis voor te voorspellen van de transistor.Hoewel dat de dingen eenvoudig houdt, betekent het ook dat de transistor werkpunt, of DC Bias, is niet erg stabiel.Dat komt omdat de vooringenomenheid sterk afhangt van de transistor Huidige winst (β), die veel kan variëren van de ene transistor tot de andere - zelfs binnen hetzelfde type.Als gevolg hiervan werkt de versterker misschien niet altijd op dezelfde manier als de Transistor wordt vervangen of als de Temperatuur verandert, omdat beide β kunnen beïnvloeden.
Toch kan dit circuit nuttig zijn als u geen perfecte stabiliteit nodig heeft en gewoon een Snelle, eenvoudige AC -versterker.Zijn Een goed uitgangspunt om te leren hoe AC -koppeling Werkt en hoe transistoren zich in een versterker gedragen.Zodra u de basis hier begrijpt, bent u beter voorbereid om te bouwen stabielere en flexibele versies Door later meer weerstanden en andere componenten toe te voegen.

Figuur 3. AC-gekoppelde gemeenschappelijke emitterversterker met één basisweerstand
Het samenstellen van een eenvoudige AC-gekoppelde versterker is een eenvoudig proces wanneer u een paar duidelijke stappen volgt.Dit soort versterker wordt vaak gebruikt voor signalen die in de loop van de tijd veranderen, zoals audio.De volgende stappen helpen u de juiste onderdelen te kiezen en te controleren of alles werkt zoals verwacht.
Begin met het kiezen van een transistor die overeenkomt met de behoeften van uw circuit.Denk na over hoeveel spanning het zal verwerken tussen de verzamelaar en emitter, hoeveel vermogen het nodig heeft om aan te kunnen en in welk frequentiebereik het zou moeten werken. Voor versterkers in de algemene doeleinden, een basis NPN-transistor zoals de 2N3904 werkt vaak goed, maar u kunt anderen kiezen op basis van uw specifieke project.
De verzamelweerstand helpt bij het instellen van de uitgangsspanning.Een goed uitgangspunt is om de collector in te stellen op ongeveer de helft van de voedingsspanning.Dit geeft je signaalruimte om zowel op als omlaag te slingeren.Gebruik de wet van Ohm (r = v / i) om de waarde te vinden.Bepaal gewoon hoeveel stroom je wilt stromen door de weerstand en verdeel de spanning erover door die stroom.
Om de transistor correct te laten werken, moet u de juiste hoeveelheid stroom in de basis voeden.Deel eerst de collectorstroom door de winst van de transistor (β) om de basisstroom te vinden.Gebruik vervolgens de voedingsspanning en het feit dat de basis meestal ongeveer 0,6 V boven de grond zal zitten om de basisweerstand te vinden.De wet van Ohm komt hier weer van pas.
Condensatoren worden gebruikt om DC te blokkeren en AC -signalen door te geven.Om de juiste maat te kiezen, kijkt u naar de laagste frequentie die uw signaal zal gebruiken en de invoer- of uitvoerweerstand die deze doorloopt.Gebruik de formule XC = 1 / (2πfc) om ervoor te zorgen dat de reactantie van de condensator overeenkomt met de impedantie bij die frequentie.Dit houdt uw signaal sterk zonder de lage kant af te snijden.
Zodra je alle onderdelen hebt gekozen, neem je even de tijd om alles te controleren.Bekijk uw weerstandswaarden, huidige niveaus en condensatorkeuzes.Zorg ervoor dat de transistor in het rechterbereik werkt en het signaalpad duidelijk is.Kleine tweaks in dit stadium kunnen uw versterker veel beter laten presteren zodra deze is gebouwd.
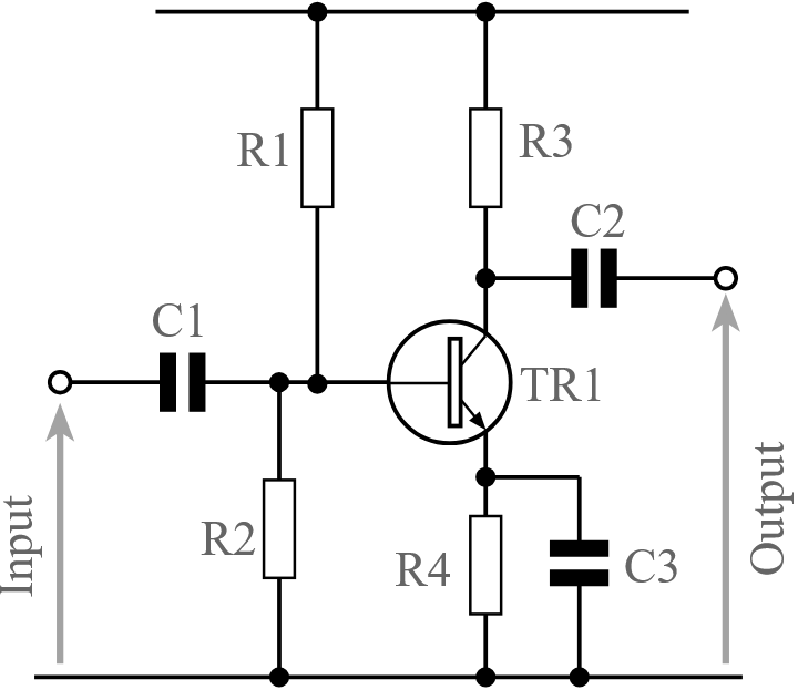
Als je een betrouwbaarder En beter presterende versterker, Deze versie van het gemeenschappelijke emittercircuit is de beste keuze.Door een paar extra componenten toe te voegen - zoals meer weerstanden en condensatoren- Je maakt het circuit stabieler En Verbeter zijn winst, vooral voor AC -signalen.Deze toegevoegde onderdelen helpen de versterker te blijven consistent, zelfs als de eigenschappen van de transistor enigszins veranderen of de temperatuur verschuift.
Een van de belangrijkste verbeteringen in dit ontwerp is het gebruik van een spanningsverdeler gemaakt met twee weerstanden naar Vooroordeel de basis.Dit maakt het basisspanning veel voorspelbaarderwat betekent dat de transistor in het juiste werkgebied meer betrouwbaarder blijft.Het circuit omvat ook een emitterweerstand Dat stelt de emitterspanning in en helpt bij stabiliteit.Deze weerstand maakt de transistor Minder gevoelig voor veranderingen in de huidige versterking (β), Dat is belangrijk als u streeft naar consistente prestaties.
Naar stimuleer de AC -winst, A condensator is toegevoegd over de emitterweerstand.Dit omzeilen condensator Hiermee kunnen AC -signalen de weerstand "overslaan", het verhogen van de algehele winst van het circuit voor die signalen terwijl de DC nog steeds stabiel houdt.Het resultaat is een circuit dat niet alleen is meer betrouwbaar maar geeft je ook een sterker, schoner uitgangssignaal.
Deze versie is vooral handig als je iets bouwt meer permanent of wanneer uw versterker moet Maak verbinding met andere fasen zonder de signaalkwaliteit te verliezen.Het ziet er misschien een beetje complexer uit dan de basisversie, maar de Voordelen die het oplevert in prestaties en betrouwbaarheid Maak het een geweldige stap voorwaarts als u zich prettig voelt bij de eenvoudigere ontwerpen.

Figuur 4. Verbeterde gemeenschappelijke emitterversterker met meer componenten
Deze versie van de versterker bevat meer componenten, wat u betere prestaties geeft, vooral als het gaat om winst- en DC -stabiliteit.De volgende stappen splitsen het proces van het kiezen van waarden en het duidelijk en eenvoudig ontwerpen van uw circuit af.
Kies een transistor op basis van wat uw circuit nodig heeft in termen van spanning, stroom en signaaltype.Een algemene NPN-transistor werkt goed voor veel gevallen, maar zorg ervoor dat deze zonder problemen uw voedingsspanning en stroom aan kan.
Bepaal hoeveel stroom uw circuit nodig heeft om de volgende fase in te voeren.Kies vervolgens een collectorspanning die ongeveer de helft van de voedingsspanning is - dit geeft uw signaalruimte om op en neer te bewegen.Gebruik de wet van Ohm (r = v / i) om de juiste weerstandswaarde te achterhalen.
Stel voor een betere stabiliteit de emitterspanning op ongeveer 1V of ongeveer 10% van uw voedingsspanning.Omdat de emitterstroom bijna hetzelfde is als de verzamelstroom, kunt u de emitterweerstand berekenen door de emitterspanning door de stroom te delen.
Om de basisstroom te vinden, deel de collectorstroom door de winst van de transistor (β of HFE).Als de versterking varieert, is het veiliger om het onderste uiteinde van het bereik te gebruiken om ervoor te zorgen dat de transistor nog steeds goed wordt ingeschakeld.
De basisspanning is de emitterspanning plus de basis-emitter junction-spanning.Voor siliciumtransistoren is dit ongeveer 0,6 V.Dus als de emitter op 1V staat, moet de basis ongeveer 1,6 V zijn.
Gebruik twee weerstanden in een spanningsverdeler (R1 en R2) om de juiste spanning aan de basis te krijgen.Een goede regel is om de stroom door hen te laten stromen, ongeveer tien keer de basisstroom.Dit helpt de basisspanning stabiel te houden.Kies de weerstandswaarden op basis van de benodigde spanning en uw voedingsspanning.
Om de AC -versterking te verbeteren, voeg je een condensator toe over de emitterweerstand.Hierdoor kunnen AC -signalen de weerstand omzeilen, toenemende versterking.Kies een condensator met een reactantie gelijk aan de emitterweerstand op de laagste frequentie van uw circuit.
De invoercondensator moet een reactantie hebben die overeenkomt met de invoerweerstand met de laagste frequentie van uw signaal.Dit zorgt ervoor dat laagfrequente signalen worden geblokkeerd.U kunt de invoerweerstand schatten als de winstmeer van de transistor de emitterweerstandswaarde.
Deze condensator geeft het versterkte signaal door aan de volgende fase terwijl hij DC blokkeert.Kies een waarde die overeenkomt met de weerstand van de belasting (het volgende deel van het circuit) op de laagste frequentie waarmee u werkt.
Zodra uw ontwerp is voltooid, neemt u even de tijd om terug te gaan en alles te controleren.Zorg ervoor dat de transistor nog steeds de stroom en spanning kan verwerken, uw weerstandswaarden zijn zinvol en al uw condensatorkeuzes ondersteunen de juiste frequenties.Een snelle review helpt later problemen te voorkomen.
Wanneer u een gemeenschappelijke emitterversterker bouwt, helpt het om te weten hoe het omgaat ander signaal frequenties.Sommige signalen gaan gemakkelijk door, terwijl anderen misschien zwakker worden, afhankelijk van de onderdelen die u gebruikt - vooral de condensatoren en weerstanden.
Het bereik van frequenties dat uw versterker goed aankan, wordt het genoemd bandbreedte.Bij erg laag frequenties, de condensatoren kunnen als blokken werken omdat hun Weerstand (reactantie genoemd) gaat omhoog.Bij Hoge frequenties, ze laten signalen gemakkelijker voorbijgaan.Daarom is het belangrijk om te kiezen condensatorwaarden gebaseerd op de laagste frequentie Uw circuit moet werken.Als uw signaal bijvoorbeeld naar beneden gaat 20 Hz, je condensatoren moeten groot genoeg zijn om dat zonder al te veel verlies door te laten.
De condensator over de emitterweerstand - bekend als de Bypass -condensator- maakt ook een groot verschil.Het helpt Verhoog de winst van de versterker voor AC -signalen.Als deze condensator te klein is, kan uw circuit Verlies winst bij lagere frequenties.Maar met de juiste waarde verhoogt het de prestaties zonder uw DC -opstelling te beïnvloeden.
Inzicht in dit helpt u onderdelen te kiezen die uw versterker maken Werk beter Voor de signalen die u gebruikt, of het nu is audio, sensoren of andere AC -bronnen.Zodra u het onder de knie hebt, wordt het aanpassen van uw ontwerp voor verschillende frequentiebereiken veel eenvoudiger.
Nadat het uw versterkercircuit heeft samengesteld, is het een goed idee Controleer dat alles is Werken zoals verwacht.U hebt geen gecompliceerde tools nodig - een eenvoudige multimeter is vaak genoeg om aan de slag te gaan, en een oscilloscoop is nuttig als u het signaal in meer detail wilt bekijken.
Begin met het gebruik van de multimeter om de voedingsspanning en bevestig dat het het circuit bereikt.Meet vervolgens de spanning op de verzamelaar, basis, En emitter van de transistor.In de meeste gevallen de verzamelaar moet ergens rond de helft van de voedingsspanning zijn, terwijl de emitter een beetje boven de grond zal zijn.De baseren zou moeten zijn 0,6 volt hoger dan de emitter Als u een siliciumtransistor gebruikt.Deze metingen helpen u te weten of de Transistor is goed bevooroordeeld en klaar om te versterken.
Als je een signaalgenerator en een oscilloscoop, u kunt testen hoe de versterker met een klein AC -signaal omgaat.Verbind een laagfrequente sinusgolf naar de invoer en controleer de uitvoer op de reikwijdte.Je zou een grotere versie van het ingangssignaal, ondersteboven omgedraaid.Als de uitvoer eruit ziet te zwak of vervormd, controleer uw weerstand of condensatorwaarden dubbel.
Zelfs zonder reikwijdte kunt u proberen een audiosignaal- zoals van een telefoon of muziekspeler - en verbind een kleine spreker naar de output door een condensator.Als je het geluid hoort, betekent dit dat de versterker werkt.
Testen helpt ervoor te zorgen dat uw circuit doet wat het zou moeten doen, en het geeft u ook een beter voelen hoe het zich gedraagt.Het is een eenvoudige maar nuttige stap die uw project maakt betrouwbaarder.
Naarmate je meer tijd doorbrengt met werken met transistorcircuits, vooral gebruikelijk emitterversterkers, het kiezen van de Juiste transistor wordt gemakkelijker en natuurlijker.In het begin kan het voelen alsof er te veel opties zijn, maar na verloop van tijd krijg je een beter idee van wat het beste werkt voor verschillende soorten circuits.Je begint patronen te herkennen - zoals waar transistoren goed voor zijn algemene versterkers en welke zijn meer geschikt voor schakel.
Voor versterkingscircuits, je wilt meestal een transistor die een Fatsoenlijke winst, behandelt je voedingsspanning comfortabel, en presteert goed op de frequentie Je werkt mee.Je hebt niet altijd iets high-end nodig-veel veel voorkomende, betaalbare transistoren werk perfect goed voor Basisaudio- of signaalversterkers.
Aan de andere kant, als je een circuit bouwt waar de transistor meer als een aanschakeling—Sucho als het controleren van een LED, motor of estafette- Het is beter om een Wisseling van transistor.Deze zijn ontworpen om Schakel snel in en uit en hanteren Scherpe veranderingen in stroom zonder vertraging.Zelfs als een transistor een hoge snelheidsclassificatie of een Snelle responstijd (zoals een hoge FT), betekent dit niet altijd dat het goed zal presteren in een schakelcircuit. Transistors schakelen zijn gemaakt om te hanteren Snelle overgangen en plotselinge ladingen effectiever.
Dus als algemene regel, probeer het Match de transistor aan het werk het moet doen.Met oefening vind je er een paar Go-to-opties Dat werkt in de meeste van uw circuits.Of het voor is een signaal versterken of handelen als een digitale schakelaar, met behulp van de Juiste type transistor Zal je circuits helpen betrouwbaarder te werken en precies uit te voeren zoals je verwacht.
Nu je hebt onderzocht hoe een gemeenschappelijke emitterversterker werkt en hoe je een stap voor stap kunt bouwen, zou je je zelfverzekerder moeten voelen om je eigen circuit samen te stellen.Of u nu met eenvoudige logische signalen werkt of AC -ingangen zoals audio versterken, dit type circuit is een solide keuze.Vergeet niet om de tijd te nemen met de berekeningen en controleer uw componentwaarden dubbel.Met een beetje oefening vindt u het gemakkelijker om versterkers te maken die goed werken voor het project waaraan u werkt.
Stuur een aanvraag, we zullen onmiddellijk reageren.
Een gemeenschappelijke emitterversterker neemt een klein ingangssignaal en maakt het groter.Het wordt vaak gebruikt om audio of andere signalen te stimuleren, zodat ze een ander podium of apparaat kunnen aansturen.
De output is omgekeerd vanwege hoe de transistor werkt in deze opstelling.Wanneer de ingang hoog wordt, gaat de transistor aan en trekt de uitgang laag, waardoor het tegenovergestelde signaal ontstaat.
U hoeft er geen te gebruiken, maar het toevoegen van een bypass -condensator aan de emitterweerstand helpt de AC -versterking te verhogen.Het laat AC -signalen passeren en toch de DC -stabiliteit behouden.
Gebruik de wet van Ohm om de weerstandswaarden te berekenen op basis van uw voedingsspanning en de gewenste stroom.Standaard weerstandswaarden dicht bij uw resultaat werken meestal prima.
U kunt de meeste NPN-transistoren voor algemeen gebruik gebruiken, maar het is beter om er een te kiezen die overeenkomt met uw spanning-, stroom- en snelheidsbehoeften.Gebruik voor het schakelen tussen logica een transistor die is gemaakt voor het schakelen.
Op 2025/04/1
Op 2025/03/31
Op 8000/04/18 147757
Op 2000/04/18 111936
Op 1600/04/18 111349
Op 0400/04/18 83721
Op 1970/01/1 79508
Op 1970/01/1 66909
Op 1970/01/1 63045
Op 1970/01/1 63012
Op 1970/01/1 54081
Op 1970/01/1 52125