
De XC3S200-4TQG144I maakt deel uit van de Spartan-3 FPGA-familie van AMD Xilinx, op maat gemaakt voor kostengevoelige toepassingen die hoge prestaties vereisen.Dit model heeft 200.000 systeempoorten en gebruikt 4.320 logische cellen, waardoor robuuste verwerkingsmogelijkheden in een compacte vormfactor mogelijk worden.Het apparaat beschikt over substantiële interne bronnen, waaronder 480 configureerbare logische blokken (CLB's), 216 kbits blok RAM voor gegevensopslag en 12 speciale 18x18 vermenigvuldigers voor verbeterde rekenkundige bewerkingen.Het ondersteunt maximaal 97 gebruiker I/O -pinnen, waardoor veelzijdige connectiviteitsopties mogelijk zijn.Klokbeheer wordt efficiënt afgehandeld door vier digitale klokmanagers (DCM's), waardoor precieze timing en controle in digitale omgevingen in hoge snelheid worden vergemakkelijkt.De XC3S200-4TQG144I werkt op een 1,2V kernspanning, met een toegestaan bereik van 1,14 V tot 1,26 V, en is ontworpen om betrouwbaar te presteren in industriële omgevingen met een temperatuurbereik van -40 ° C tot +100 ° C.De maximaal haalbare klokfrequentie voor deze FPGA is maximaal 630 MHz, waardoor snelle gegevensverwerking en responsiviteit in toepassingen worden gewaarborgd.
Als u een bedrijf runt en een gestage aanbod van betrouwbare, krachtige FPGA's nodig heeft, is de XC3S200-4TQG144I een slimme keuze.Het plaatsen van uw bulkorder bij ons verhoogt de prestaties van uw systeem en we zijn hier om u elke stap van de weg te ondersteunen.

XC3S200-4TQG144I Symbool

XC3S200-4TQG144I voetafdruk

XC3S200-4TQG144I 3D-model
• Logische capaciteit: De XC3S200-4TQG144I biedt een substantiële logische capaciteit met 200.000 systeempoorten en 4.320 logische cellen.Hiermee kunt u complexe digitale circuits en systemen binnen één chip implementeren, waardoor het ideaal is voor een verscheidenheid aan applicaties die rekenkracht en flexibiliteit vereisen.
• Configureerbare logische blokken (CLB's): Deze FPGA is uitgerust met 480 configureerbare logische blokken, die de belangrijkste logische bron zijn voor het implementeren van door de gebruiker gedefinieerde logische functies.Elke CLB kan worden geprogrammeerd om een breed scala aan logische bewerkingen uit te voeren, wat de flexibiliteit biedt die nodig is om de prestaties en het gebruik van middelen te optimaliseren.
• Geheugenbronnen: Het omvat 216 kbits blok RAM en tot 520 kbits aan gedistribueerde RAM.Dit on-chip geheugen is belangrijk voor toepassingen die snel en efficiënte gegevensopslag en -opslag vereisen, wat alles ondersteunt, van buffering en data-caching tot complexe toestandsmachines.
• Toegewijde multiplicatoren: Met 12 speciale 18x18 vermenigvuldigers, blinkt de XC3S200-4TQG144I uit in toepassingen die intensieve wiskundige berekeningen vereisen, zoals digitale signaalverwerking, videoverwerking en besturingssystemen.
• Digital Clock Managers (DCMS): De FPGA bevat vier digitale klokmanagers die geavanceerde klokmogelijkheden bieden.DCM's verbeteren de flexibiliteit en nauwkeurigheid van klokbeheer, waardoor frequentiesynthese, faseverschuiving en jitterreductie mogelijk zijn, die nodig zijn voor digitale communicatie met hoge snelheid en precieze timingtoepassingen.
• I/O -mogelijkheden : Met 97 gebruiker I/O-pinnen ondersteunt de FPGA een verscheidenheid aan Single Ended en Differential I/O-normen, waaronder LVD's en RSD's.Deze uitgebreide I/O -mogelijkheid maakt eenvoudige integratie mogelijk met een breed scala aan randapparatuur en systemen, waardoor veelzijdigheid in de implementatie in verschillende hardware -omgevingen wordt gewaarborgd.
• Bedrijfsomstandigheden: Ontworpen om betrouwbaar in industriële omgevingen te presteren, werkt de XC3S200-4TQG144I binnen een temperatuurbereik van –40 ° C tot +100 ° C.Deze robuuste temperatuurtolerantie maakt het geschikt voor inzet in harde operationele omstandigheden.
• Stroomvoorziening: Het werkt op een kernspanning van 1,2 V, met een toegestane bereik van 1.14V tot 1,26 V.Deze lage vermogensoperatie is geweldig voor toepassingen die gevoelig zijn voor stroomverbruik, waardoor de algemene energievereisten voor systeem worden verminderd.
• Naleving: De XC3S200-4TQG144I voldoet aan ROHS en bereikt normen, wat zorgt voor naleving van de huidige milieu- en veiligheidsvoorschriften.Deze naleving ondersteunt bedrijven bij het handhaven van duurzame en verantwoordelijke productiepraktijken.

Het pinout-diagram voor het XC3S200-4TQG144I FPGA van de Xilinx Spartan-3-familie toont de fysieke pin-configuratie en signaalopdrachten voor het 144-pins dunne quad flat pack (TQFP) -pakket.Het diagram is aangelegd in een vierkant formaat dat het bovenaanzicht van de chip weergeeft, met pinnummers die rond de omtrek zijn gelabeld.Elke zijde komt overeen met een specifieke bank (bank 0 tot bank 7), die I/O -pinnen groeit met gedeelde spanningsreferenties.
Elke gekleurde doos geeft een signaaltype of spanningsfunctie weer, zoals I/O -signalen, voedingspennen (VCCINT, VCCO), grond (GND), configuratiepennen (zoals init_b of klaar) en speciale functiepinnen (zoals klokinvoer of JTAG).De IO_L Naming Convention identificeert differentiële I/O-paren (zoals IO_LXXN_PXXX of IO_LXXP_PXXX), nuttig in high-speed gegevensinterfaces.Sommige pinnen zijn gereserveerd voor configuratie-, programmerings- of speciale klokfuncties, die belangrijk zijn voor apparaatinstellingen en bediening.

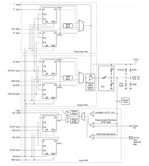
Het blokdiagram van de XC3S200-4TQG144I, een Spartan-3 FPGA van AMD (voorheen Xilinx), illustreert de interne architectuur van een I/O-blok (IOB), waarin wordt beschreven hoe signalen vloeien tussen de FPGA-stof en de externe pennen.Dit diagram geeft de programmeerbare logica en configureerbare paden weer die invoer-, uitvoer- en tristaatgedrag regelen voor elke I/O -pin.
Bovenaan behandelt het drie-staten pad de uitvoerschakelsignalen.Flip-flops (TFF1, TFF2) ontvangen besturingssignalen (T1, T2) en timingcontrolesignalen (TCE, TCK) om te bepalen of de uitgangsdrivers actief zijn of in een hoge impedantietoestand.Een multiplexer selecteert tussen verschillende bronnen op basis van programmeerbare configuratie.
In het midden omvat het uitvoerpad flip-flops (off1, off2) die uitvoergegevenssignalen (O1, O2) opslaan gesynchroniseerd met uitgangsklokken (OTCLK1, OTCLK2).Met een multiplexer en optionele DDR -logica kunnen gegevens worden aangedreven op zowel stijgende als dalende klokranden.Het uitgangsduurprogramma maakt verbinding met verschillende logica voor DCI (digitaal gecontroleerde impedantie) en ondersteunt pull-up/pull-down weerstanden, ESD-bescherming en bewaarsterkeringen om de lijnstatus te behouden wanneer ze niet worden aangedreven.
Onderaan laat het invoerpad zien hoe invoersignalen (IQ1, IQ2) worden vergrendeld in flip-flops (IFF1, IFF2) met behulp van invoerklokken (ICLK1, ICLK2).Optionele vertragingen zijn programmeerbaar om timing te verfijnen.Ingangen ondersteunen meerdere I/O -normen, waaronder LVCMOS, LVTTL en differentiële signalen met behulp van VREF en aangrenzende pinnen.
|
Type |
Parameter |
|
Fabrikant |
AMD |
|
Serie |
Spartan®-3 |
|
Verpakking |
Dienblad |
|
Onderdeelstatus |
Verouderd |
|
Aantal laboratorium/CLB's |
480 |
|
Aantal logische elementen/cellen |
4320 |
|
Totaal rambits |
221184 |
|
Aantal I/O |
97 |
|
Aantal poorten |
200000 |
|
Spanning - levering |
1.14V ~ 1.26V |
|
Montagetype |
Oppervlaktemontage |
|
Bedrijfstemperatuur |
-40 ° C ~ 100 ° C (TJ) |
|
Pakket / kast |
144-lqfp |
|
Leverancierapparaatpakket |
144-tqfp (20x20) |
|
Base Productnummer |
XC3S200 |
Digitale signaalverwerking (DSP)
De XC3S200-4TQG144i blinkt uit in DSP-toepassingen vanwege de speciale multiplicatoren en substantiële blok RAM.Dit maakt het ideaal voor taken die intensieve wiskundige berekeningen vereisen, zoals audio- en videoverwerking, waar het operaties zoals filtering, modulatie en compressie efficiënt kan verwerken.
Ingebedde systemen
Deze FPGA ondersteunt soft-core processors zoals Microblaze en PicoBlaze, die de ontwikkeling van complexe ingebedde systemen mogelijk maken.Het wordt gebruikt in aangepaste besturingssystemen, slimme apparaten en gebruikersinterfaces waar op maat gemaakte functionaliteit belangrijk is.
Industriële automatisering
Met zijn robuuste I/O-mogelijkheden en het vermogen om betrouwbaar in extreme temperaturen te werken, is de XC3S200-4TQG144I perfect geschikt voor industriële automatisering.Het beheert motorbesturing, sensor -interface en monitoringsystemen, waardoor complexe industriële processen worden geoptimaliseerd en automatiseren.
Auto -elektronica
In auto-elektronica maakt de FPGA functionaliteiten mogelijk, variërend van infotainmentsystemen tot complexe dashboardbesturing en geavanceerde chauffeur-assistentie-systemen (ADAS).De hoge betrouwbaarheid en het aanpassingsvermogen maken het een go-to-choice voor autofabrikanten.
Communicatiesystemen
De XC3S200-4TQG144I is een belangrijke rol bij communicatie-infrastructuur, zoals routers, schakelaars en draadloze basisstations.De high-speed verwerkingsmogelijkheden zorgen voor efficiënte gegevensverwerking en communicatie tussen netwerken.
Educatieve en prototypingplatforms
Vanwege de kosteneffectiviteit en veelzijdigheid wordt de FPGA veel gebruikt in educatieve instellingen voor het onderwijzen van digitaal ontwerp en FPGA-technologie.Het is ook de voorkeur in prototyping voor het testen en ontwikkelen van nieuwe digitale en elektronische concepten.
Medische hulpmiddelen
Het vermogen van de FPGA om te verwerking en het vermogen om complexe algoritmen te verwerken, maken het geschikt voor medische apparaten, met name bij beeldvorming en diagnostische apparatuur die precisie en snelheid vereisten.
1. Hardwareverbindingen leggen: Begin met het aansluiten van de JTAG -programmeerkabel (bijv. Digilent JTAG3 of Xilinx -platformkabel) op uw pc en de JTAG -header op het FPGA -bord.Zorg ervoor dat het bord wordt ingeschakeld en de kabel correct is beveiligd om betrouwbare communicatie mogelijk te maken.
2. Lanceer Impact Tool: Open de Xilinx ISE Project Navigator op uw computer.Binnen het paneel "processen", navigeer naar en dubbelklik op "Configureer doelapparaat (Impact)" om te starten van de apparaatprogrammering.
3. Initialiseer de JTAG -keten: Zodra de impact open is, stelt u deze in op de modus "Boundary Scan".Klik met de rechtermuisknop op het gebied van de werkruimte en selecteer "Keten initialiseren".De tool zal automatisch alle apparaten die via de JTAG -keten zijn verbonden, detecteert en vermeldt, waaronder de FPGA en alle aangesloten prom -chips.
4. Wijs configuratiebestanden toe: Klik voor de FPGA met de rechtermuisknop op zijn pictogram in de impactwerkruimte en kies "Wijs een nieuw configuratiebestand toe".Blader door naar uw eerder gecompileerde .bit -bestand en selecteer het.Als u ook een prom programmeert, wijst u het bijbehorende .mcs -bestand toe aan het prom -apparaat op dezelfde manier.
5. Stel opstartopties in: Klik met de rechtermuisknop op "Programmeerbestand genereren" in het paneel "Processen" en kies vervolgens "Eigenschappen".Zorg ervoor dat de "FPGA opstartklok" is ingesteld op "JTAG Clock" om de opstartklok van de FPGA te synchroniseren met de JTAG-programmeerklok "op het tabblad" FPGA Start-Up Clock "om de FPGA te synchroniseren.Klik op "OK" om deze instellingen op te slaan.
6. Programmeer de apparaten: Om de FPGA te programmeren, klikt u met de rechtermuisknop op het pictogram in impact en selecteert u "Programma".In het dialoogvenster Programmering kunt u ervoor kiezen om "verifiëren" te controleren om het proces te versnellen.Klik op "OK" om te beginnen met programmeren.Als u een prom programmeert, voert u een vergelijkbare actie uit, maar zorgt u ervoor dat "vóór programmeren" en "verifiëren" -opties worden geselecteerd voor grondigheid.
7. Controleer de configuratie : Zodra het programmeren is voltooid, controleer of de configuratie van de FPGA succesvol was door de status van de "gedaan" LED op het FPGA -bord te observeren.Het moet verlichten, wat aangeeft dat het apparaat correct is geprogrammeerd.Bovendien kunt u de verificatiehulpmiddelen van Impact gebruiken om verder te bevestigen dat de programmering succesvol was.
Kosteneffectiviteit
De XC3S200-4TQG144I is ontworpen om zeer betaalbaar te zijn en tegelijkertijd robuuste prestaties te bieden, waardoor het ideaal is voor projecten die budgetbeperkingen vereisen.Deze FPGA combineert functionaliteit en kostenefficiëntie en biedt een concurrentievoordeel in groot volume markten.
Adequate logische bronnen
Uitgerust met 4.320 logische cellen en 480 configureerbare logische blokken (CLB's), kan deze FPGA complexe digitale ontwerpen verwerken en een veelzijdige oplossing bieden voor middelgrote toepassingen.De middelen zijn voldoende voor een breed scala aan gebruik, van elektronica tot industriële automatisering, zonder dat duurdere, hoogwaardige alternatieven nodig zijn.
Veelzijdige I/O -opties
Met 97 gebruiker I/O-pinnen ondersteunt de XC3S200-4TQG144I talloze single-end en differentiële I/O-normen, waardoor het extreem aanpasbaar is voor verschillende integratie-eisen.Deze flexibiliteit is goed voor systemen die interface met een reeks perifere apparaten.
Industriële temperatuurbereik
De FPGA werkt betrouwbaar over een breed temperatuurbereik van –40 ° C tot +100 ° C, waardoor het geschikt is voor gebruik in harde omgevingen.Deze functie is waardevol voor applicaties in auto- en industriële instellingen waar bedrijfsomstandigheden extreem kunnen zijn.
Rijpe toolchain -ondersteuning
De Spartan-3-familie, inclusief de XC3S200-4TQG144I, wordt ondersteund door Xilinx's ISE Design Suite, die robuuste tools biedt voor FPGA-programmering en ontwerpoptimalisatie.Bovendien is er uitgebreide documentatie en een ondersteunende gemeenschap, die de ontwikkelingstijd kan versnellen en ontwerpuitdagingen kan verminderen.
• Pakkettype: TQFP-144 (ook wel LQFP-144 genoemd)
• Lichaamsgrootte: 20 mm × 20 mm
• Zittende hoogte (max): 1,6 mm
• Eindpunt: 0,5 mm
• Pakketstijl: Flatpack, laag profiel, fijne toonhoogte
• Eindvorm: Gull Wing
De XC3S200-4TQG144i wordt vervaardigd door AMD, een wereldwijd erkende leider in high-performance computing en halfgeleidertechnologie.Na de acquisitie van Xilinx heeft AMD zijn portfolio uitgebreid met een breed scala aan programmeerbare logische apparaten, zoals de Spartan-3-familie waartoe deze FPGA behoort.AMD blijft de XC3S200-4TQG144I onder zijn uniforme merk ondersteunen, waardoor betrouwbaarheid, langetermijnbeschikbaarheid en toegang tot volwassen ontwikkelingstools zoals de ISE Design Suite wordt gewaarborgd.Deze integratie weerspiegelt de toewijding van AMD om schaalbare en efficiënte programmeerbare oplossingen te leveren voor zowel oudere als moderne elektronische systemen.
De XC3S200-4TQG144I is een slimme en betaalbare keuze voor veel elektronische projecten.Het werkt goed in moeilijke omgevingen, biedt flexibele verbindingen en ondersteunt snelle gegevensverwerking.Of u nu werkt aan industriële machines, auto -elektronica, signaalverwerking of studentenprojecten, deze chip geeft u wat u nodig hebt zonder te veel te kosten.Met sterke ondersteuning van AMD en eenvoudig te gebruiken ontwerptools, is het een geweldige optie voor iedereen.
Stuur een aanvraag, we zullen onmiddellijk reageren.
Ja, het ondersteunt de integratie van soft-core processors zoals microblaze, waardoor aangepaste verwerkingslogica in de FPGA kan worden ingesloten voor complexe controle- en signaalverwerkingstaken.
Ja, de XC3S200-4TQG144I wordt volledig ondersteund door de Xilinx ISE-ontwerpsuite, waardoor naadloze projectinstellingen, simulatie, synthese en hardware-programmering mogelijk zijn.
Ja.De XC3S200-4TQG144I ondersteunt verschillende differentiële I/O-normen, waaronder LVD's, waardoor het geschikt is voor high-speed, low-roise gegevensoverdracht.
De belangrijkste verschillen liggen in het pakkettype, de snelheidsgraad en het aantal pincodes.De "-4TQG144i" is een industriële versie met een lagere snelheid met een 144-pins TQFP-pakket, terwijl "-5pq208c" een hogere snelheidsgraad en een groter 208-pins PQFP-pakket heeft.
In de meeste toepassingen zijn standaard PCB -lay -out en natuurlijke convectie voldoende.Voor een hoge snelheid of hoog-I/O-gebruik in hete omgevingen wordt echter een kleine koellichaam of luchtstroom aanbevolen om de thermische stabiliteit te behouden.
Op 2025/04/22
Op 2025/04/22
Op 8000/04/18 147758
Op 2000/04/18 111938
Op 1600/04/18 111349
Op 0400/04/18 83721
Op 1970/01/1 79508
Op 1970/01/1 66914
Op 1970/01/1 63058
Op 1970/01/1 63012
Op 1970/01/1 54081
Op 1970/01/1 52131