
De RC4558 Operationele versterker beschikt over opmerkelijke veelzijdigheid in elektronische toepassingen en biedt een dwingende balans tussen betaalbaarheid en prestaties.De RC4558, gepositioneerd als een dubbel alternatief voor de gerenommeerde LM741, weerspiegelt de RC4558 -functionaliteiten van de laatste nauw, ondanks het ontbreken van offset- of nulaanpassingen.Dit maakt het een naadloos vervanging voor soortgelijke toepassingen, zorgt voor betrouwbare werking zonder complexiteit en de uitbreiding van zijn beroep op ontwerpers die op zoek zijn naar kosteneffectieve maar robuuste oplossingen.
Een van de bepalende sterke punten van de RC4558 ligt in zijn operationele veelzijdigheid, benadrukt door een gemeenschappelijke ingangsspanningsbereik van ± 14V.Dit brede bereik stelt het in staat om uit te blinken in zowel inverterende als niet-inverterende configuraties in verschillende voedingsspanningen.De weerstand tegen opkleding verhoogt de betrouwbaarheid bij ernstige ontwerpen, zoals spanningsvolgers, waarbij het handhaven van signaal-betrouwbaarheid dominant is.Deze attributen maken het een vereiste keuze voor circuits die prioriteit geven aan stabiliteit en aanpassingsvermogen onder dynamische bedrijfsomstandigheden.
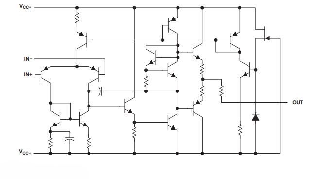
De RC4558 onderscheidt zich verder door geïntegreerde functies zoals interne frequentiecompensatie en ingebouwde kortsluitbeveiliging.Deze verbeteringen verminderen de behoefte aan externe componenten, waardoor het ontwerpproces wordt vereenvoudigd en de betrouwbaarheid verhoogt.Voor toepassingen zoals audiocircuits, waar lage ruis en consistente winst beslissend zijn, levert de RC4558 een superieure geluidskwaliteit, waardoor het ideaal is voor apparaten zoals dvd -spelers en gitaarversterkers.Het lage stroomverbruik en de kosteneffectiviteit, geërfd van de eerbiedwaardige 1485-serie, bevestigt zijn positie als een praktische, alledaagse oplossing voor batterij-aangedreven en consumentenelektronische apparaten.

|
PIN Nr. |
Speldnaam |
Type |
Beschrijving |
|
1 |
1 -out |
O |
Uitvoer |
|
2 |
1in- |
I |
Invoering input |
|
3 |
1in+ |
I |
Niet -input niet |
|
4 |
VCC- |
- |
Negatieve levering |
|
5 |
2in+ |
I |
Niet -input niet |
|
6 |
2in- |
I |
Invoering input |
|
7 |
2 -out |
O |
Uitvoer |
|
8 |
VCC+ |
- |
Positief aanbod |
|
Functie |
Beschrijving |
|
Laag stroomverbruik |
Verbruikt slechts 6,5 mA aan leveringsstroom, waardoor het
Energie-efficiënt. |
|
Brede gemeenschappelijke modus ingangsspanningsbereik |
Verwerkt gemeenschappelijke modelleputspanningen binnen het bereik van
± 14V. |
|
Uitstekende afwijzingsverhouding voor gemeenschappelijke modus (CMRR) |
Vertoont een opmerkelijke verslagverhouding tussen 90 dB gemeenschappelijke modus. |
|
Lage ruis |
Input -transistoren hebben lage ruiskenmerken,
Typisch 8 nV/√Hz bij 1 kHz. |
|
Unity Gain bandbreedte |
Werkt met een eenheidswinst bandbreedte van 3 MHz, zorgt voor
Vervormingsvrije output bij eenheidstoename. |
|
Bedrijfstemperatuurbereik |
Presteert optimaal binnen een temperatuurbereik van 0 ° C tot
70 ° C. |
|
Interne frequentiecompensatie |
Zorgt voor stabiliteit zonder externe
componenten. |
|
Kortcircuitbescherming |
Beschermt de uitgangen tegen kortsluiting. |
|
Flexibele voedingsconfiguratie |
Kan opereren als een single-supply of dual-supply operationeel
Versterker (aanbevolen single-levering). |
|
Pakketopties |
Beschikbaar in TO-99, CDIP-, DSBGA-, SOIC- en PDIP-pakketten. |
|
Aanvullende voordelen
|
- Geen behoefte aan frequentiecompensatie. |
|
- Immuun voor het vasthouden. |
|
|
- Winst en fase -matching voor versterkers. |
Het RC4558 geïntegreerde circuit schijnt in spanningsgeregelde oscillator (VCO) -toepassingen dankzij de dubbele op-amp-functionaliteit, die de delicate dans van spanningsregulering vakkundig kan uitvoeren.Traditioneel vereist een VCO -opstelling een paar operationele versterkers om behendig spanningsvariabiliteit te navigeren.Toch kan de RC4558, met zijn Twin OP-AMP-ontwerp, elegant de plaats innemen van afzonderlijke op-AMP's, waardoor de schema's vereenvoudigen en de operationele effectiviteit verhoogt.
In een typische VCO -configuratie met behulp van de RC4558 vindt de besturingsspanning zijn doel op pin 2, toegepast met strategische intentie.Deze opstelling vraagt om een scherpgemaakte spanningsverdeler om een precieze koppeling tussen pennen 2 en 3 te garanderen. Het ontwerp van deze spanningsverdeler is de sleutel;Het scheidt de besturingsspanning, die de helft naar pin 3 kanaliseert 3. Dergelijke precieze routing overstijgt louter circuitmechanica;Het is een berekende techniek om de prestaties van de oscillator te wijzigen en te stabiliseren.
U kunt vaak opmerken dat het assembleren van deze circuits een diepgaande greep van spanningsniveaus en hun subtiele zwaai over circuitstabiliteit vereist.Verdere aandacht is gerechtvaardigd voor nuances zoals componenttoleranties en de effecten van temperatuurschommelingen - variabelen die lagen van complexiteit injecteren, wendbare en inventieve aanpassingen eisen.Een exacte uitdaging bij het gebruik van de RC4558 ligt om ervoor te zorgen dat de besturingsspanning behendig de beoogde functie van het circuit orkestreert.De complexiteit van deze taak is een eigen kunst;Lichte variaties in spanning kunnen leiden tot opmerkelijke prestaties.Het opnemen van feedbacksystemen en het gebruik van temperatuurcompensatietechnieken blijken vaak voordelig bij het handhaven van de gewenste resultaten.

In deze oscillatorblauwdruk initieert de operationele versterker, genoteerd als op-amp a, de creatie van driehoekige golfvormen bij activering.Deze magische transformatie begint wanneer de stroom door een 100kΩ weerstand stroomt, methodisch een 0,05 μF -condensator ontladen, wat uiteindelijk resulteert in een driehoekige golfvorm.U kunt dit ontwerp vaak omarmen in scenario's waarbij de betrouwbare generatie van golven continuïteit en efficiëntie veroorzaakt.
Zodra op-amp a triomfantelijk de driehoekige output produceert, gaat het naadloos over om op-amp b te voeden door een 51kΩ weerstand.Deze overdracht is dynamisch voor het handhaven van signaalconsistentie en het mogelijk maken van een soepele communicatie tussen fasen.In de praktijk kan het kiezen van de juiste weerstandswaarden de harmonie en de algehele werkzaamheid tussen verschillende circuitelementen aanzienlijk beïnvloeden.
OP-AMP B werkt met de precisie van een Schmitt-trigger en beoordeelt de spanningsniveaus van inkomende signalen.De drempel voor operatie regelt het overgangsgedrag en produceert een hoge output wanneer de input het aangewezen niveau overtreft.Als de ingang onder deze actieve drempel daalt, zakt de uitgang terug naar nul.Dit exacte proces van het transformeren van lopende driehoekige golven in verschillende vierkante golfvormen vindt frequente toepassingen in de wereld van digitale signaalverwerking.

• LM741
• LM358
• MCP602
• LM2904M
• NE5532
• OPA2228
• OPA2134
• OPA2604
De RC4558 -operationele versterker is diep ingebed in verschillende elektronische velden, meestal het verbeteren van moderne audio -ervaringen.In dvd -apparaten beheert het vakkundig complexe audiosignalen om een rijke geluidskwaliteit te bieden.De precisie in audiomixers valt niet te ontkennen, waardoor het naadloze vermenging van meerdere geluidsbronnen wordt vergemakkelijkt, wat een verfijnde audiobesturing mogelijk maakt-een praktijk gekoesterd in professionele geluidstechniek.
Het aanpassingsvermogen ervan schijnt in transducerversterkers, waar het behendig fysieke signalen omzet in gemakkelijk interpreteerbare elektrische signalen.Dit is een fundamentele stap in industriële meetsystemen, die de capaciteit van de RC4558 aantoont om ruwe gegevens in duidelijkheid te brengen, waardoor inzichtelijke analyse en toepassing mogelijk is.
De versterker staat als een hoofdelement in tijdloze op-amp circuitontwerpen zoals integrators en onderscheiders.Deze ontwerpen worden gebruikt voor signaalverwerkingstaken en zijn nuttig bij wetenschappelijke en technische inspanningen.De toepassing ervan in DC-winstblokken ondersteunt verder de efficiënte werking van langetermijncommunicatiesystemen, wat zijn betrouwbaarheid in controlemechanismen onderstreept.
Precisie is waar de RC4558 echt uitblinkt, zoals te zien in multimeters, waar het nauwkeurige spanning en stroommetingen mogelijk maakt.Dit is van onschatbare waarde voor betrouwbare gegevensverwerving in zowel experimentele opstellingen als scenario's voor probleemoplossing.Oscilloscopen profiteren ook van zijn vermogen om golfvormen getrouw te reproduceren, waardoor het een belangrijk onderdeel wordt gemaakt in diagnostische en onderzoeksinstellingen.
Binnen luscontrolesystemen bewijst de RC4558 zijn waarde in vergelijkers, het optimaliseren van de reacties en het handhaven van de balans in dynamische systemen.Deze verfijning weerspiegelt jaren van verfijning in controle-engineering.Het wordt ook gevonden in square golf oscillatoren, waar het grote klokpulsen genereert, dominant voor digitale elektronica en timingtoepassingen.
In audiosystemen zorgt de dapperheid van de versterker in het verbeteren van de duidelijkheid en het bereik van de geluidszorg en het bereik zorgt voor een levendige audio -ervaring.Lampstuurprogramma's gebruiken de RC4558 om de gereguleerde stroomstroom te handhaven, waardoor de levensduur van het verlichtingssysteem wordt verlengd en een efficiënt energieverbruik bevordert, wat zijn aanpassingsvermogen in hedendaagse elektronische processen benadrukt.







Texas Instruments (TI), opgericht in Dallas, heeft een wereldwijde identiteit opgesteld op het gebied van halfgeleider en geïntegreerde circuittechnologie, die belangrijke innovaties en oplossingen bieden voor elektronische ontwerpers en fabrikanten wereldwijd.De affiniteit van TI voor analoge chips en ingebedde processors beïnvloedt zijn financiële prestaties sterk, omdat deze segmenten een opmerkelijk deel van de inkomsten van het bedrijf omvatten, meer dan 80%.De toewijding van het bedrijf reikt verder dan deze kerngebieden;Het is ook prominent in het ontwikkelen van oplossingen voor digitale lichtverwerking en educatieve hulpmiddelen, waaronder rekenmachines en microcontrollers.Met ongeveer 45.000 patenten over de hele wereld vanaf 2016 is TI's toewijding aan baanbrekende technologie en gevulde exploratie van innovatie duidelijk.Deze indrukwekkende patentcollectie voegt diepte en breedte toe aan zijn portfolio en illustreert een meedogenloos streven naar excellentie en nieuwe ideeën.De expertise van Texas Instrument in analoge chips en ingebedde processors stimuleert de aanwezigheid van de markt.Analoge technologie overbrugt vakkundig de kloof met elementen zoals temperatuur en geluid, terwijl ingebedde processors zorgen voor adaptief en intelligent beheer van deze interfaces.Deze combinatie voldoet niet alleen aan verschillende marktbehoeften, maar bevordert ook bloeiende financiële resultaten.
Stuur een aanvraag, we zullen onmiddellijk reageren.
De RC4558 vereist een minimale enkele voedingsspanning van 10V om correct te functioneren.Houd er rekening mee dat het geen streef-naar-rail ingang of uitvoer ondersteunt, en de input Common-Mode-spanning kan niet bereiken 0V.
De RC4558 op-amp wordt vaak gebruikt in spanningsvolger-toepassingen.
De RC4558 is een dual-operationele versterker, wat betekent dat het twee versterkers in één pakket heeft, terwijl de LM741 een enkele operationele versterker is.Een ander verschil is dat de RC4558 niet de offset -nulfunctie bevat die de LM741 biedt.
De RC4558 werkt op een langzamere snelheid, maar biedt lage ruis, waardoor het geweldig is voor toepassingen zoals microfoon voorversterkers of afspeelkop voorversterkers met lagere invoerimpedanties.De TL072 daarentegen is sneller en werkt beter voor toepassingen die hogere invoer- en uitgangsspanningen vereisen.
Op 2024/11/30
Op 2024/11/29
Op 8000/04/18 147760
Op 2000/04/18 111970
Op 1600/04/18 111351
Op 0400/04/18 83741
Op 1970/01/1 79527
Op 1970/01/1 66934
Op 1970/01/1 63084
Op 1970/01/1 63025
Op 1970/01/1 54092
Op 1970/01/1 52166