

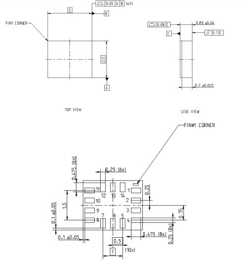
|
PIN Nr. |
Beschrijving |
|
1 |
SDO, seriële gegevensuitvoer in SPI 4W |
|
2 |
ASDX, AUX -interface / OIS -interface |
|
3 |
ASCX, AUX -interface / OIS -interface |
|
4 |
Int1, interrupt pin 1 |
|
5 |
VDDIO, Digital VO -voedingsspanning (1.2 .. 3.6V) |
|
6 |
Gndio, grond voor V0 |
|
7 |
GND, terrein voor digitaal en analoog |
|
8 |
VDD, voeding analoog en digitaal (1.71 .. 3.6V) |
|
9 |
Int2, onderbrekeren pin 2 |
|
10 |
OCSB, OIS -interface |
|
11 |
OSDO, OIS -interface |
|
12 |
CSB, chip selecteren voor SPI -modus |
|
13 |
SCX, SP/4C seriële klok (SCK/SCL) |
|
14 |
SDX, seriële gegevens vo |



De BMI270 is zorgvuldig vervaardigd voor draagbare apparaten die prioriteit geven aan een laag stroomverbruik, terwijl ze buitengewone bewegingsdetectie hebben door zijn ensemble van geïntegreerde sensoren.Dit ingewikkelde apparaat combineert een triaxiale gyroscoop met een 16-bit versnellingsmeter in zijn strakke structuur, waarbij een balans wordt geslagen tussen efficiënt ruimtegebruik en volwaardige functionaliteit.
Het vermogen van de BMI270 om het energieverbruik te minimaliseren en tegelijkertijd een precieze bewegingsanalyse te bieden, vertegenwoordigt een opmerkelijke technologische sprong.In de wereld van Wearable Tech, waar machtsefficiëntie uw ervaring vormt, kunnen dergelijke vorderingen uw tevredenheid aanzienlijk beïnvloeden.Voor technische liefhebbers die het gemak waarderen, vermindert een langere levensduur van de batterij het gedoe van regelmatig opladen.
De consolidatie van de triaxiale gyroscoop en versnellingsmeter in één eenheid optimaliseert zowel de precisie van gegevens als het verkleinwoordontwerp van het apparaat.Ervaringen in de technologische sector suggereren dat de naadloze opname van onderdelen cruciaal is in het handhaven van de prestaties van een apparaat, terwijl de build wordt vereenvoudigd en de grootte ervan wordt verminderd.Deze strategie komt niet alleen ten goede aan u door de ontwikkelingskosten te verlagen, maar biedt ook een gevarieerd scala aan gebruik, van het volgen van fitnessactiviteiten tot het mogelijk maken van functies voor gebaarcontrole.
|
Functie |
Beschrijving |
|
Pakket |
Compact standaard maat LGA -schimmelpakket, 14 pins,
voetafdruk 2,5x3,0 mm², hoogte 0,83 mm |
|
Digitale interface |
Primaire digitale interface met 10 MHz SPI (4-draads,
3-draads) en maximaal 1 MHz I²C (FM+) |
|
Uitvoergegevenssnelheden (ODR) |
25 Hz - 6,4 kHz (gyroscoop), 0,78 Hz - 1,6 kHz
(versnellingsmeter) |
|
Low-pass filter |
Programmeerbaar laagdoorlaatfilter met bandbreedte ~ 513-680 Hz
(versnellingsmeter), ~ 890 Hz (gyroscoop) |
|
Stroomvoorziening |
Analog VDD: 1.71V - 3.6V;Onafhankelijke VDDIO: 1.2V - 3.6V |
|
Stroomverbruik |
Ultra-lage stroomverbruik, typisch 685 μA (volledig
ODR en aliasing-vrije werking) |
|
Gyroscope prestatiemodus |
Laag geluidsniveau, typisch < 8 mdps/√Hz |
|
Power Management Unit (PMU) |
Ingebouwde PMU voor geavanceerd energiebeheer en lage stroom
modi |
|
Opstarttijd |
2 ms voor gyroscoop (snelle startmodus), 2 ms voor
versnellingsmeter |
|
Secundaire interface |
Vrij configureerbaar;400 kHz I²C (FM) hoofdinterface
Hub voor één AUX -sensor (bijv. Magnetometer, druk) |
|
High-Speed SPI |
10 MHz SPI (4-draads, 3-draads) voor hogesnelheidstoepassingen;
tot 6,4 kHz ODR met max 676 μs groepsvertraging |
|
On-chip FIFO-buffer |
2 kb FIFO -buffer voor versnellingsmeter, gyroscoop,
tijdstempels en AUX -sensorgegevens |
|
Compensatiecompensatie
|
Snel offset foutcompensatie voor versnellingsmeter en
gyroscoop |
|
Gevoeligheidscompensatie |
Snelle gevoeligheidsfoutcompensatie voor gyroscoop (CRT,
Max gevoeligheidsfout < 1%) |
|
Synchronisatie |
HW -synchronisatie van versnellingsmeter, gyroscoop en aux
sensor (< 1 μs) |
|
Tijdstempels |
Sensor tijdstempels voor nauwkeurige systeem- en sensortijd
synchronisatie (< 40 μs) |
|
Programmeerbare I/O -pinnen |
2 onafhankelijke programmeerbare VO -pins voor interrupt en
Synchronisatie -evenementen |
|
Naleving |
ROHS-conforme, halogeen en loodvrij |
De BMI270-sensor vindt zijn plaats in verschillende geavanceerde technologieën vanwege zijn kleine omvang en nauwkeurigheid.De integratie ervan is geschikt voor industrieën gericht op het verhogen van uw betrokkenheid en ervaringen.
Voor draagbare apparaten schijnt de BMI270 met zijn bewegingsgevoelige dapperheid.Deze component levert nauwkeurige gegevens die nuttig zijn voor het volgen van fitness, het monitoren van gezondheid en het herkennen van activiteiten.U kunt vaak merken dat dergelijke naadloze sensorintegraties dagelijkse activiteiten verrijken en een gezondere levensstijl inspireren.De efficiëntie van de sensor bij het beheren van stroomverbruik verlengt de levensduur van deze apparaten, waardoor ze draagbaarder en toegankelijker worden.
In de wereld van audio -accessoires verbetert het vermogen van de sensor om versnellingsgegevens te verwerken functies zoals ruisonderdrukking en audio -aanpassingen.Deze adaptieve technologie reageert op uw bewegingen en veranderingen in het milieu en biedt een rijkere en meer intuïtieve auditieve ervaring die moeiteloos past in iemands dagelijkse ritme.
Het veld van innovatief textiel is een revolutie teweeggebracht met de BMI270 -sensor.Slimme kledingstukken uitgerust met deze sensor bieden activiteitsanalyse, assisteren bij de correctie van lichaamshouding.Naarmate de vraag naar veelzijdige kleding stijgt, biedt het integreren van deze sensoren inzicht in uw gedrag en ergonomie, waardoor meer geïndividualiseerde oplossingen in welzijn en fitness worden bevorderd.
Binnen augmented en virtual reality is de BMI270 fundamenteel voor het inschakelen van Swift en Precise Motion Tracking.Het stelt u toe om in de digitale wereld te duiken met verbeterde controle en interactie.Door bewegingsziekte te minimaliseren, verhoogt de sensor comfort en betrokkenheid, met inzichten van AR/VR -implementaties die deze baanbrekende ervaringen verbeteren om beter aan te passen aan uw verlangens en behoeften.

De BMI270 -sensor blinkt uit in zijn toepassing tot eigentijdse draagbare en hoorbare technologie.Met bedreven ondersteuning voor zowel I2C- als SPI -interfaces, opent het deuren voor toepassingen zoals gebaarherkenning en activiteiten/contextdetectie, waardoor een naadloze ervaring met technologie en een verbeterd bewustzijn van hun omgeving bevordert.
Gebaarherkenning gefaciliteerd door de BMI270 zorgt voor een verfijnde maar toch natuurlijke interactie tussen u en uw technologische apparaten.Door uw gebaren correct te interpreteren, definieert de sensor de functionaliteit van uw interfaces opnieuw.In de wereld van draagbare technologie komen gebaren vaak in voor conventionele knopcontroles.Dit maakt het voor u mogelijk om apparaten discreet en effectief te beheren, een meestal voordelige functie wanneer fysieke interactie minder haalbaar is.Voortdurende verbeteringen in gebaarherkenning -algoritmen dragen bij aan een meer aanpasbaar en responsief systeem dat aansluit bij verschillende voorkeuren en vereisten.
Fitness -trackers hebben gewoonlijk gebaarherkenning, zodat u trainingsmodi kunt wisselen of workout -sessies kunt initiëren met een loutere film van de pols.Deze gebaargestuurde functionaliteit wordt weerspiegeld in slimme oordopjes, waar u geniet van het gemak van het wijzigen van nummers of het aanpassen van volumeniveaus zonder dat u fysiek met hun apparaten moet communiceren.De vooruitgang van een dergelijke gebaartechnologie wijst op het vermogen om uw tevredenheid te verhogen en de betrokkenheid bij verschillende toepassingen te verdiepen.
|
Type |
Parameter |
|
Factory doorlooptijd |
14 weken |
|
Montagetype |
Oppervlaktemontage |
|
Pakket / kast |
14-vflga |
|
Bedrijfstemperatuur |
-40 ° C ~ 85 ° C |
|
Verpakking
|
Tape & Reel (TR) |
|
Onderdeelstatus |
Actief |
|
Vochtgevoeligheidsniveau (MSL) |
1 (onbeperkt) |
|
Uitgangstype |
I2c, spi |
|
Sensortype |
Versnellingsmeter, gyroscoop, 6 as |
|
ROHS -status |
ROHS3 -compatibel |

Bosch SensorTec GmbH, die werkt onder de paraplu van Robert Bosch GmbH, onderscheidt zich voor zijn expertise in MEMS (Micro-Electromechanical Systems) -technologie.De primaire missie van dit bedrijf is om geavanceerde sensoroplossingen te maken die verhogen hoe verschillende apparaten omgaan met hun omgevingen.De hier ontwikkelde technologie vindt zijn weg naar talloze consumentenelektronica en het steeds groter wordende domein van IoT-apparaten (Internet of Things).De diepgaande invloed van deze sensoren is duidelijk in hun verbetering van de nauwkeurigheid en functionaliteit van innovaties zoals draagbare technologie, smart home -apparaten en verschillende industriële toepassingen.
Door meedogenloze innovatie en opmerkelijke investeringen in onderzoek en ontwikkeling heeft Bosch SensorTec GmbH sensoren ontworpen die worden gekenmerkt door verhoogde precisie, efficiëntie en betrouwbaarheid.Hun op MEMS gebaseerde innovaties bedienen verschillende gebieden, waaronder bewegingsdetectie, milieumonitoring en energiebeheer.De sensoren spelen bijvoorbeeld een serieuze rol bij het upgraden van mobiele apparaatmogelijkheden, zoals oriëntatiedetectie, gebaarherkenning en aanpassing aan veranderingen in het milieu.Deze vooruitgang verrijkt niet alleen uw ervaringen, maar stelt ook nieuwe industrienormen vast voor ultramoderne sensortechnologie.
Stuur een aanvraag, we zullen onmiddellijk reageren.
BMI270 integreert bewegingsgerichte kenmerken door precieze versnellings- en hoeksnelheidsmetingen te combineren.Deze integratie ondersteunt verbeterde bewegingsdetectie- en trackingmogelijkheden die worden gebruikt in verschillende elektronische toepassingen voor consumenten.Door gebruik te maken van deze geavanceerde metingen, kunnen apparaten superieure prestaties bereiken bij het volgen van fysieke beweging en oriëntatie.Dit maakt een breed spectrum van functionaliteiten mogelijk, variërend van meeslepende gaming -ervaringen tot zorgvuldige fitnessvolgingen.
De BMI270 is vervaardigd door Bosch SensorTec, een bedrijf dat is geprezen om zijn hoogwaardige sensoren die worden gebruikt in verschillende industrieën.De diepgewortelde expertise van Bosch in sensortechnologie zorgt ervoor dat de BMI270 voldoet aan de rigoureuze benchmarks van moderne elektronische apparaten, die consequent betrouwbare prestaties leveren.
BMI270 beschikt over verschillende verbeteringen verbeterde versnellingsmeter, ontworpen voor een hogere nauwkeurigheid onder dynamische omstandigheden.Deze verbetering is vooral voordelig in scenario's die precieze bewegingsdetectie vereisen, zoals virtual reality of autonome navigatie, waarbij zelfs kleine onnauwkeurigheden uw ervaring kunnen verstoren.
De prestaties van de BMI270 worden verhoogd door uitgebreide verbeteringen in de functionaliteit van de versnellingsmeter.Deze verbeteringen omvatten ruisreductie en minimalisatie van meetfouten, waardoor apparaten zijn uitgerust met BMI270 om effectiever onder verschillende omstandigheden effectiever te werken.In industrieën waar precisie dominant is, zoals medische of ruimtevaarttechnologie, bieden deze upgrades substantiële voordelen.
BMI270 bereikt opmerkelijke verbeteringen door de nul-g offset te verminderen en de gevoeligheidsfout te verminderen.De vermindering van de nul-g offset versterkt de nauwkeurigheid van de sensor tijdens stationaire periodes, terwijl de verlaagde gevoeligheidsfout ervoor zorgt dat een betrouwbaardere werking over verschillende omgevingscondities.Deze dubbele verbeteringen maken BMI270 een dwingende optie voor u die prioriteit geeft aan precisie en betrouwbaarheid in sensoroplossingen.
Op 2024/11/4
Op 2024/11/4
Op 8000/04/18 147758
Op 2000/04/18 111938
Op 1600/04/18 111349
Op 0400/04/18 83721
Op 1970/01/1 79508
Op 1970/01/1 66914
Op 1970/01/1 63058
Op 1970/01/1 63012
Op 1970/01/1 54081
Op 1970/01/1 52131