



Als een vooraanstaand lid van de MegaAVR® 0-serie, valt de ATMEGA4809 op door een AVR®-processor op te nemen met een hardwaremultiplier die kan werken met frequenties tot 20 MHz.Deze microcontroller is beschikbaar in verschillende configuraties, met maximaal 48 kb flash-geheugen, 6 kb SRAM en 256 bytes EEPROM binnen 28- tot 48-pins pakketten.Het ontwerp draait om een flexibele, low-power architectuur die geavanceerde functies integreert, zoals het evenementensysteem, slaapwandelen, nauwkeurige analoge functionaliteiten en ultramoderne randapparatuur, als gevolg van de nieuwste innovaties van Microchip.
• AVR -processor en hardwaremultiplier: Uitgerust met een AVR® -processor aangevuld met een hardwaremultiplier, levert de ATMEGA4809 een opmerkelijke rekenefficiëntie en prestaties.Met snelheden tot 20 MHz, verbetert dit duo de uitvoeringssnelheid voor complexe wiskundige bewerkingen.Dergelijke mogelijkheden maken de microcontroller geschikt voor toepassingen die een hoge precisie en snelle verwerking eisen.Het ontwerp doet een beroep op diegenen die ernaar streven een evenwicht te vinden tussen stroomverbruik en prestaties, en biedt een harmonieuze pasvorm voor verschillende technische behoeften.
•Geheugenconfiguraties: Met zijn flexibele geheugenopties biedt de ATMEGA4809 configuraties van maximaal 48 kb flash -geheugen, 6 kb SRAM en 256 bytes EEPROM.Dit aanpassingsvermogen is geschikt tot een breed scala aan toepassingsbehoeften, van eenvoudige taken die minimaal geheugen vereisen tot complexere toepassingen die aanzienlijke opslag nodig hebben.Real-world scenario's laten zien dat een evenwichtige geheugeninstelling de systeemprestaties en responsiviteit aanzienlijk kan verbeteren.
• Evenementsysteem: Het evenementensysteem van de ATMEGA4809 maakt directe perifere-tot-perifere communicatie mogelijk, waardoor de behoefte aan CPU-interventie wordt geëlimineerd.Deze functie verlaagt het stroomverbruik en verhoogt de efficiëntie door taken toe te staan te kunnen worden voltooid met minimale CPU-wake-ups.Door de CPU -belasting te verminderen, verlengt het de levensduur van de batterij in draagbare apparaten en verbetert het de algehele systeemefficiëntie.Deze ontwerpfilosofie benadrukt een mix van prestaties en energiebesparing, resonerend met toepassingen die prioriteit geven aan het gebruik van lage energie.
• Slaapwalking -technologie: Sleepwalking-technologie stelt randapparatuur in staat om onafhankelijk te werken, terwijl de CPU in een slaapmodus met een lage kracht blijft.Deze mogelijkheid zorgt ervoor dat belangrijke taken worden uitgevoerd met minimale stroomafname, waardoor de levensduur en operationele efficiëntie van het apparaat worden geoptimaliseerd.Ervaringen uit verschillende implementaties benadrukken het belang van dergelijke energiebesparende technieken in toepassingen waar energie-efficiëntie prime is.
De ATMEGA4809 beschikt over precieze analoge functionaliteit, met analoge-tot-digitale converters (ADC), digitale-naar-analoog converters (DAC) en vergelijkers.Deze analoge randapparatuur bieden nauwkeurige analoge signaalverwerking, gebruikt in toepassingen met sensorgegevensverzameling, audiosignaalverwerking en andere scenario's waarbij precieze analoge metingen vereist zijn.Praktisch gebruik tonen vaak aan dat het handhaven van een hoge analoge nauwkeurigheid eenvoudig is voor het bereiken van betrouwbare en consistente systeemprestaties.
Begiftig met geavanceerde randapparatuur, ondersteunt de ATMEGA4809 een breed scala aan toepassingen.Deze randapparatuur breidt de mogelijkheden van de microcontroller uit met interfaces voor communicatieprotocollen, timers en pulsbreedtemodulatie (PWM).Zo'n uitgebreide perifere set stelt de ATMEGA4809 in staat zich aan te passen aan diverse en complexe ontwerpen, waardoor innovatieve oplossingen worden bevorderd door de flexibiliteit en uitbreidbaarheid.
Hier is de technische specificatietabel voor de microchip -technologie Atmega4809-AFR.
|
Type |
Parameter |
|
Fabriek
Doorlooptijd |
13
Weken |
|
Montage
Type |
Oppervlak
Inzetten |
|
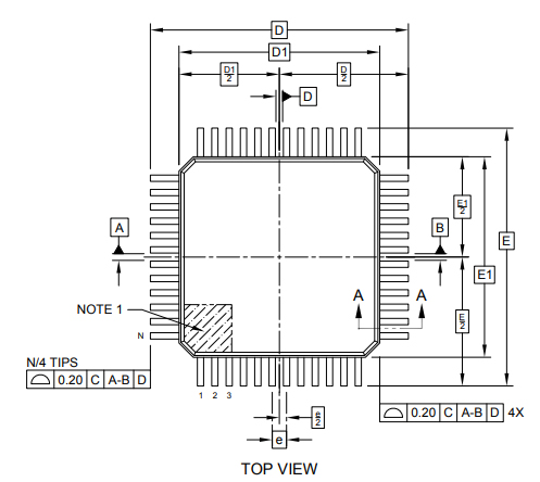
Pakket
/ Geval |
48-tqfp
Blootgestelde kussen |
|
Oppervlak
Inzetten |
JA |
|
Gegevens
Converters |
ADVERTENTIE
16x10b |
|
Nummer
van i/os |
41 |
|
ROM
(woord) |
24.576 |
|
Werkzaam
Temperatuur |
-40 ° C
tot 125 ° C TA |
|
Verpakking |
Tape
& Reel (TR) |
|
Serie |
Megaavr®
0 |
|
Deel
Status |
Actief |
|
Vocht
Gevoeligheidsniveau (MSL) |
3
(168 uur) |
|
Nummer
van beëindiging |
48 |
|
HTS
Code |
8542.31.00.01 |
|
Terminal
Positie |
Quad |
|
Terminal
Formulier |
Gullwing |
|
Levering
Spanning |
3V |
|
Terminal
Toonhoogte |
0,5 mm |
|
Baseren
Onderdeelnummer |
Atmega4809 |
|
Jesd-30
Code |
S-PQFP-G48 |
|
Levering
Spanning-max (VSUP) |
5.5V |
|
Levering
Spanningsmin (VSUP) |
1.8V |
|
Oscillator
Type |
Intern |
|
Snelheid |
20MHz |
|
RAM
Maat |
6k x
8 |
|
Spanning
- Supply (VCC/VDD) |
1.8V
tot 5.5V |
|
UPS/UCS/perifeer
ICS -type |
Microcontroller,
Riscus |
|
Kern
Verwerker |
AVR |
|
Randapparatuur |
Bruin
Detecteren/resetten, por, pwm, wdt |
|
Klok
Frequentie |
20MHz |
|
Programma
Geheugentype |
FLASH |
|
Kern
Maat |
8-bit |
|
Programma
Geheugengrootte |
48KB
(48k x 8) |
|
Connectiviteit |
I2c,
Spi, uart/usart |
|
Beetje
Maat |
16 |
|
Heeft
ADC |
JA |
|
DMA
Kanalen |
NEE |
|
PWM
Kanalen |
NEE |
|
DAC
Kanalen |
NEE |
|
Eeprom
Maat |
256
x 8 |
|
On-chip
Programma ROM breedte |
16 |
|
Grens
Scannen |
NEE |
|
Formaat |
Vaste punt |
|
Geïntegreerd
Stampache |
NEE |
|
RAM
(woorden) |
512 |
|
Nummer
van serieel I/OS |
4 |
|
Nummer
van timers |
5 |
|
Nummer
van externe onderbrekingen |
41 |
|
On-chip
Data RAM -breedte |
16 |
|
Lengte |
7 mm |
|
Hoogte
Zittend (max) |
1,2 mm |
|
Breedte |
7 mm |
|
ROHS
Status |
ROHS3
Meewerkend |

De ATMEGA4809 beschikt over een krachtige hardwaremultiplier die rekenkundige bewerkingen enorm versnelt.Dit is meestal voordelig voor toepassingen met intensieve wiskundige verwerking, waardoor de computerefficiëntie wordt verbeterd.Voorbeelden zijn cryptografie, signaalverwerking en daadwerkelijke gegevensanalyse, waarbij de hardwaremultiplier de verwerkingstijd aanzienlijk kan verminderen, het optimaliseren van de systeemprestaties.
De microcontroller ondersteunt drie slaapmodi.
• Idle -modus: behoudt CPU -activiteit en behoudt het vermogen tot randapparatuur, ideaal voor scenario's die snelle responstijden vereisen.
• Standby -modus: behoudt meer energie door de CPU te stoppen en nuttige operationele toestanden te handhaven, aan te passen aan toepassingen met periodieke activiteit.
• Power Down-modus: biedt maximale stroombesparingen door alle activiteiten te stoppen, geschikt voor apparaten met batterijen met sporadisch gebruik.
Een opmerkelijk kenmerk is het gebeurtenissysteem, waarmee randapparatuur rechtstreeks kan interageren zonder CPU -betrokkenheid.Dit vermindert de latentie en verstopt de algehele responsiviteit van het systeem door perifere coördinatie te ontladen.Een dergelijk mechanisme is van onschatbare waarde in werkelijke besturingssystemen waar timing en precisie actief zijn.De architectuur van het evenementensysteem, vergelijkbaar met technieken voor directe geheugentoegang, minimaliseert CPU -knelpunten, waardoor de efficiëntie wordt verbeterd.
De geïntegreerde waakhond timer verstopt de betrouwbaarheid van het systeem door te monitoren en te herstellen van operationele hik.De WDT fungeert als een failsafe-mechanisme, waarbij de microcontroller opnieuw wordt ingesteld bij het detecteren van niet-responsiviteit, waardoor het systeemcrashtes wordt afgewend.Deze betrouwbaarheidslaag wordt meestal gebruikt in industriële controlesystemen en consumentenelektronica, waardoor verbeterde beveiliging en stabiliteit wordt gewaarborgd.
Voor veilige startup en betrouwbare werking omvat de ATMEGA4809.
• Power-on Reset (POR): initieert de microcontroller bij stroomherstel en zorgt voor een consistente opstartstatus.
• Brown-Out Detection (BZV): beschermt tegen spanningsschommelingen die de stabiliteit van het apparaat in gevaar kunnen brengen en het systeem automatisch opnieuw instellen wanneer de spanning onder een ingestelde drempel daalt.
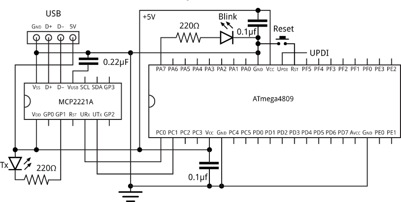
De Single-Pin Unified Program Debug Interface (UPDI) vergemakkelijkt de ontwikkeling en foutopsporingsprocessen aanzienlijk.Deze interface vermindert de fysieke en procedurele complexiteit die meestal geassocieerd zijn met microcontroller -programmering en foutopsporing, waardoor de productiviteit van ontwikkelaars wordt verbeterd.De eenvoud van Updi is meestal gunstig in iteratieve ontwikkelingscycli, waar snelle testen en foutopsporing belangrijk zijn voor tijdige voltooiing van het project.
In wezen leveren de attributen van de Atmega4809 een veelzijdig en efficiënt platform dat geschikt is voor een breed scala aan applicaties, waaronder consumentenelektronica en industriële automatisering.Door geavanceerd energiebeheer, snelle berekeningsmogelijkheden en robuuste betrouwbaarheidsfuncties te integreren, biedt het een formidabele basis voor het ontwikkelen van krachtige, betrouwbare systemen.

Beide Atmega4809 En Atmega328 leveren vergelijkbare prestatieniveaus.De Atmega328, gewoonlijk gevonden in Arduino -boards, valt op in vermogensefficiëntie.Deze microcontroller integreert de picopower -technologie van Atmel, waardoor een lager stroomverbruik mogelijk is zonder prestaties op te offeren.
De Atmega4809 onderzoekt de architecturen nader en biedt bepaalde verbeteringen ten opzichte van de Atmega328.De ATMEGA4809 biedt een flexibel perifeer configuratiesysteem.Deze flexibiliteit biedt betere algehele systeemprestaties.Het systeem is meer aanpasbaar, vooral in toepassingen met meerdere sensoren of randapparatuur.
In termen van programmering en ontwikkeling is de achterwaartse compatibiliteit van de Atmega4809 met de Atmega328 voordelig.Deze compatibiliteit vereenvoudigt het migratieproces van bestaande projecten die oorspronkelijk zijn ontworpen voor de ATMEGA328.Geavanceerde foutopsporingstools die worden ondersteund door de ATMEGA4809 kunnen zeer voordelig zijn in complexe projecten, waardoor de identificatie en resolutie van vroege uitgifte mogelijk is.
De stroomverbruikverschillen worden meestal duidelijk in werkelijke toepassingen.Voor apparaten op batterijen kunnen de picopower-mogelijkheden van de Atmega328 de operationele periodes tussen kosten verlengen.De geavanceerde vermogensbesparende functies van de ATMEGA4809 kunnen het energieverbruik verder optimaliseren, vooral gunstig in ultra-low-power-applicaties.
Overweegt toekomstbestendig, de vele verbeterde functionaliteiten van de ATMEGA4809 maken het een meer veelzijdige optie.De bredere ondersteuning voor randapparatuur en verbeterde geheugenbeheer zijn actief voor complexe, evoluerende toepassingen.Deze functies bieden een robuuste basis voor toekomstige innovaties en uitbreidingen, waardoor het ideaal is voor het plannen van upgrades.


Microchip Technology Inc., gevestigd in Chandler, Arizona, blinkt uit in het aanbieden van een breed scala aan microcontrollers en analoge halfgeleiders.Dit bedrijf staat bekend om het verlagen van ontwikkelingsrisico's, het verlagen van de systeemkosten en het versnellen van time-to-market.Door hun hoogwaardige ondersteuning en betrouwbare producten heeft Microchip zijn leiderschap in de industrie stevig vastgesteld.
De ATMEGA4809 onderscheidt zich tussen het aanbod van Microchip vanwege de geavanceerde mogelijkheden en aanpasbare architectuur, waardoor het geschikt is voor verschillende toepassingen die robuuste en efficiënte oplossingen vereisen.Deze microcontroller ondersteunt een breed scala aan functionaliteiten, waardoor het moeiteloos wordt geïntegreerd in verschillende systemen.
De ATMEGA4809 is een verfijnde microcontroller die de 8-bit AVR®-processor gebruikt.Deze geavanceerde hardware wordt geleverd met een geïntegreerde multiplier en werkt met snelheden tot 20 MHz.Het biedt een aanzienlijk 48 kb flash-geheugen, 6 kb SRAM, en omvat 256 bytes EEPROM, allemaal netjes gehuisvest binnen een 48-pins pakket.Met zijn robuuste ontwerp is het geschikt voor een verscheidenheid aan ingewikkelde toepassingen en opdrachten.
De microchip-technologie ATMEGA4809 8-bit microcontroller is gepland om zeer responsieve opdracht- en besturingstoepassingen te optimaliseren.Het verbetert de functionaliteit van werkelijke besturingssystemen aanzienlijk.De veelzijdige aard ervan maakt het mogelijk om te worden gebruikt in uitgebreide microprocessor-gebaseerde architecturen of als onafhankelijke processors binnen command-and-control frameworks.Het gebruik van deze microcontroller kan de prestaties van verschillende projecten verhogen.
De ATMEGA4809 voldoet aan de toenemende vereisten voor snelheid en efficiëntie in werkelijke systemen.De hardwaremultiplier en de hoge werkfrequentie (tot 20 MHz) maken snelle verwerking en snelle responstijden mogelijk.Deze voordelentoepassingen die onmiddellijke feedback en precieze controle vereisen, zoals robotica en automatiseringssystemen.Door de Atmega4809 op te nemen, kunt u voldoen aan de veeleisende behoeften van werkelijke toepassingen.
Inderdaad, de Atmega4809 is uitgerust met tal van perifere kenmerken die de bruikbaarheid ervan vergroten.Deze omvatten meerdere communicatie -interfaces zoals UART, SPI en I2C, die naadloze integratie met andere digitale apparaten vergemakkelijken.Bovendien beschikt het over robuuste analoge functies, waaronder ADC's en DAC's, waardoor het zeer geschikt is voor sensorinterface en analoge signaalverwerking.Deze functies combineren om de ATMEGA4809 een veelzijdig hulpmiddel te maken voor een breed scala aan digitale en analoge taken.
In vergelijking met andere microcontrollers in zijn klasse valt de ATMEGA4809 op vanwege de evenwichtige combinatie van geheugencapaciteit, verwerkingssnelheid en perifere integraties.De 8-bit architectuur, aangevuld met efficiënte functies voor energiebeheer, maakt het een optimale keuze voor toepassingen waarbij stroomverbruik een serieuze factor is.Deze balans zorgt ervoor dat het betrouwbare prestaties levert zonder in gevaar te brengen van efficiëntie.
De ATMEGA4809 dient als een uitstekend platform voor educatieve doeleinden.De eenvoudige architectuur en uitgebreide documentatie maken het geschikt voor leren en experimenten.Door contact te maken met deze microcontroller, kunt u waardevolle inzichten krijgen in ingebedde systeemontwikkeling, commando- en controle -logica, evenals het daadwerkelijke systeemontwerp.De Atmega4809 creëert een praktische omgeving die u kunt verkennen en innoveren.
Stuur een aanvraag, we zullen onmiddellijk reageren.
Op 2024/10/11
Op 2024/10/11
Op 8000/04/17 147721
Op 2000/04/17 111807
Op 1600/04/17 111330
Op 0400/04/17 83665
Op 1970/01/1 79403
Op 1970/01/1 66819
Op 1970/01/1 62977
Op 1970/01/1 62872
Op 1970/01/1 54052
Op 1970/01/1 52036