
De TIP142 Transistor is gebouwd met geavanceerde technologie en heeft een uniek ontwerp dat de prestaties verbetert.Het gebruikt wat een "basiseiland" structuur wordt genoemd en een Darlington -configuratie, die samenwerken om een sterke versterking te bieden en het vermogensverlies laag te houden.Dankzij het geavanceerde ontwerp is de TIP142 stabiel en betrouwbaar, waardoor het een geweldige keuze is voor taken die consistente prestaties nodig hebben in verschillende omgevingen.De lay -out "Base Island" helpt bij het creëren van een soepelere elektrische stroom, waardoor interferentie en energieverspilling wordt verkort.In de loop van de tijd heeft dit ontwerp bewezen de levensduur en effectiviteit van de component in verschillende toepassingen te verlengen.De Darlington -configuratie combineert twee transistoren in één pakket, waardoor een hogere stroomuitgang mogelijk is en de efficiëntie verbetert.Deze opstelling vereenvoudigt het circuitontwerp door het aantal onderdelen te verminderen, wat vaak leidt tot minder storingen en spaar ruimte in het ontwerp.Met zijn hoge versterkingsmogelijkheden kan de TIP142 de stroom stimuleren met zeer weinig invoer, waardoor het nuttig is voor degenen die efficiënte circuits willen.De lage verzadigingsspanning van de TIP142 helpt het vermogensverlies te verminderen, wat belangrijk is voor energie-efficiënte toepassingen.Dit sluit goed aan bij de groeiende focus op duurzaamheid, omdat efficiënt energieverbruik nu een belangrijk doel is in technologieontwerp.




• Spanning: Kan tot 100V verwerken tussen collector en emitter, en 5V tussen emitter en basis.Dit maakt het betrouwbaar voor hoogspanningstoepassingen.
• Huidig: Ondersteunt maximaal 10A, wat handig is voor hoogstroom circuits zoals stroomversterkers en motorbesturing.
• Power Dissipation: Kan 125W stroom wegnemen, dus het heeft een goede koeling nodig (zoals een koellichaam) om oververhitting te voorkomen.
• Temperatuurbereik: Werkt in temperaturen van -65 ° C tot +150 ° C, dus het is geschikt voor harde omgevingen.
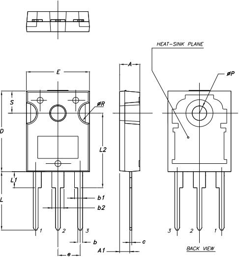
• Ontwerp en versterking: Wordt geleverd in een TO-247-pakket voor eenvoudige montage en heeft een hoge stroomversterking (1000), die signalen effectief versterkt.
In de signaalverwerking vereisen systemen vaak componenten die bedreven zijn in het beheren van fluctuerende spanningen en stromen.De TIP142 blinkt hier uit en speelt een rol in versterkers en signaalmodulatie -apparaten, waarbij effectieve verwerking een kunst is voor prestaties.
Power Management Systems zijn gebieden waar de TIP142 schijnt in zijn effectiviteit bij stroomconversie en regelgeving.Deze transistor zorgt niet alleen voor stabiele prestaties;Het fungeert als een voogd van stroomvoorziening.Crafting-systemen die gestage stroomstromen vereisen in diverse en steeds veranderende omstandigheden.
Smartphones, tablets en andere draagbare gadgets plukken de voordelen van de energiebeheermogelijkheden van de TIP142.Dit onderdeel helpt de levensduur van de batterij te verlengen en de levensduur van apparaten te stimuleren.Anderen geven door op dergelijke vooruitgang om de grenzen van compact energiebeheer te verleggen, zowel de uitdagingen als de sensatie van miniaturisatiegedreven innovatie te omarmen.
De TIP142 siert consumentenelektronica, van televisies tot huishoudelijke apparaten.De duurzaamheid ervan draagt bij aan het verlagen van de faalpercentages van de componenten, waardoor een harmonie van prestaties en kosteneffectiviteit wordt geïntroduceerd.
Als het gaat om industriële machines, is veerkracht cruciaal, omdat deze componenten worden geconfronteerd met uitdagende omgevingen en veeleisende cycli.De TIP142 is een keuze voor motorbesturingscircuits en stroomregelgeving.Het biedt inzicht in het verbeteren van de efficiëntie van machines en het minimaliseren van downtime door de sleur van industriële eisen te doorstaan.
• 2SD1197
• 2SD2390
• 2SD2390-O
• 2SD2390-P
• 2SD2390-y
• BDV65B
• BDV65BG
• BDV67B
• BDV67C
• BDV67D
• TIP142G

Het bouwen van een eenvoudig testcircuit om een belasting te schakelen met een TIP142 NPN -transistor is een goede manier om te beginnen met het controleren van hoe het circuit zal presteren.Om deze testopstelling samen te stellen, heb je een TIP142 -transistor nodig, een weerstand die overeenkomt met de verwachte stroom- en vermogensniveaus, een voeding en tools zoals een oscilloscoop en een multimeter.Begin door een circuitdiagram zorgvuldig te volgen om alles te monteren.Verhoog vervolgens de belasting geleidelijk om te zien hoe de transistor reageert, waardoor de omstandigheden simuleren.Deze aanpak helpt u de grenzen van het circuit te vinden en eventuele problemen te vinden die ertoe kunnen leiden dat het faalt.Bekijk na het testen de resultaten, gericht op dingen als huidige versterking, verzadigingsspanning en warmte.Dit helpt u patronen te zien die kunnen beïnvloeden hoe u het circuit ontwerpt.

De stroomversterker biedt sterke prestaties en levert 100 watt continu vermogen op 8 ohm en 150 watt bij 4 ohm.Het kan 12-inch luidsprekers aandrijven die geschikt zijn voor mid-range, midbass en subwoofer geluiden.De versterker maakt gebruik van TIP142- en TIP147 -transistors in een speciale NPN/PNP Darlington -opstelling om het vermogen te stimuleren.In de sectie Buffer en stuurprogramma's gebruikt het een BC556AP PNP -transistor en een TIP41 NPN -transistor.Voor de beste resultaten wordt voorgesteld om de TIP41 -transistor te koppelen met een koellichaam en een thermische schakelaar.
|
Type |
Parameter |
|
Factory doorlooptijd |
8 weken |
|
Montagetype |
Door gat |
|
Aantal pinnen |
3 |
|
Transistorelementmateriaal |
SILICIUM |
|
Aantal elementen |
1 |
|
Bedrijfstemperatuur |
150 ° C TJ |
|
JESD-609 Code |
E3 |
|
Vochtgevoeligheidsniveau (MSL) |
1 (onbeperkt) |
|
Beëindiging |
Door gat |
|
Eindafwerking |
Tin (sn) |
|
Max Power Dissipation |
125W |
|
Basisonderdeelnummer |
TIP142 |
|
Polariteit |
NPN |
|
Power Dissipation |
125W |
|
Transistortype |
NPN - Darlington |
|
Inzetten |
Door gat |
|
Pakket / kast |
TO-247-3 |
|
Gewicht |
6.500007G |
|
Breakdown-spanning van de collector-emitter |
100V |
|
hfe min |
500 |
|
Verpakking |
Buis |
|
Onderdeelstatus |
Actief |
|
Aantal beëindigingen |
3 |
|
ECCN -code |
EAR99 |
|
Spanning - beoordeelde DC |
100V |
|
Huidige beoordeling |
10a |
|
Telling |
3 |
|
Elementconfiguratie |
Enkel |
|
Transistortoepassing |
Schakel |
|
Collector emitter spanning (VCEO) |
100V |
|
Max Collector Stroom |
10a |
|
Current - Collector Cutoff (Max) |
2MA |
|
Collector Base Voltage (VCBO) |
100V |
|
VCESAT-MAX |
3 V |
|
Lengte |
15,75 mm |
|
Bereik SVHC |
Geen SVHC |
|
ROHS -status |
ROHS3 -compatibel |
|
DC Current Gain (HFE) (min) @ IC, VCE |
1000 @ 5A 4V |
|
VCE verzadiging (max) @ ib, ic |
3V @ 40MA, 10A |
|
Emitter basisspanning (vebo) |
5V |
|
Hoogte |
20,15 mm |
|
Breedte |
5,15 mm |
|
Stralingsharding |
Nee |
|
Leid gratis |
Leid gratis |

STMICROECTRONICS is een toonaangevende figuur in de halfgeleidersfeer, bekend om het ontwikkelen van geavanceerde micro-elektronica-oplossingen.Met behulp van geavanceerde technologie naast substantiële productiemogelijkheden, biedt het bedrijf een breed scala aan baanbrekende producten.Het streven naar technologische verbetering en superieure engineering stimuleert de voortgang van halfgeleiders, diep ingebed in hedendaagse elektronica.De bekwaamheid van dit bedrijf is duidelijk in de ontwikkeling van ingewikkelde halfgeleideroplossingen voor tal van elektronisch gebruik.Door substantiële investeringen in onderzoek en ontwikkeling, breidt STMicroelectronics consequent de grenzen van micro -elektronica uit, waardoor klanten in staat worden gesteld de efficiëntie, snelheid en prestaties in verschillende sectoren te optimaliseren.De elegante mengsel van geavanceerde materialen en methoden manifesteert zich in alledaagse gadgets, subtiel maar toch de tevredenheid verbeteren.De productie van stmicro-elektronica komt voort uit een wereldwijd netwerk van faciliteiten die zijn uitgerust met geavanceerde productietechnologieën.Deze opstelling maakt schaalbaarheid, aanpassingsvermogen en standvastigheid mogelijk, waardoor uniformiteit en hoge normen voor productlijnen worden gewaarborgd.
Mult Dev Adv Materiaal Kennisgeving 8/apr/2019.pdf
Stuur een aanvraag, we zullen onmiddellijk reageren.
De TIP142 valt op als een krachtige NPN Power Darlington-transistor, die geavanceerde technologie integreert om de huidige versterking te versterken en tegelijkertijd de verzadigingsspanning te verminderen.Dergelijke transistoren passen gelukzalig in scenario's waarbij efficiëntie en adept energiebeheer gewenst zijn.Ze zijn vaak ingebed in het ontwerp van audioversterkers, stroomregelaars en motorcontrollers.De goedkeuring van de TIP142 kan de energieverliezen merkbaar verminderen, die doen denken aan praktijken in sectoren die graag het stroomgebruik willen optimaliseren.Tijdens de toepassing is een delicaat evenwicht tussen prestaties en kosteneffectiviteit elegant gemaakt door gedetailleerde technische inzichten.
De TIP147 fungeert als de PNP-tegenhanger van de TIP142, die deze perfect aanvult voor push-pull versterkerarrangementen die de uitgang en efficiëntie verhogen.Bovendien is de TIP142G, die een loodvrije versie is, op maat gemaakt voor instellingen die de naleving van strikte voorschriften met betrekking tot gevaarlijke materialen vereisen.Dit alternatief vestigt de aandacht van milieuvriendelijke industrieën en benadrukt de nadruk op duurzaamheid en verantwoording van het milieu.Bij het kiezen van componenten zoals de TIP142G, moet men navigeren door de complexiteit van zowel wettelijke vereisten als de genuanceerde details van de materiële wetenschap.
Op 2024/11/14
Op 2024/11/14
Op 8000/04/18 147757
Op 2000/04/18 111936
Op 1600/04/18 111349
Op 0400/04/18 83721
Op 1970/01/1 79508
Op 1970/01/1 66907
Op 1970/01/1 63041
Op 1970/01/1 63012
Op 1970/01/1 54081
Op 1970/01/1 52125