
De TB6600 Stapper Motor Driver Module is een apparaat dat wordt onderscheiden door de veerkracht en het aanpassingsvermogen voor het regelen van 2-fase stappenmotoren.Het verbindt naadloos met een breed scala aan microcontrollers, meestal Arduino, die het creëren van nauwkeurige 5V digitale pulsuitgangen bevordert.Deze uitgangen zijn dynamisch voor het handhaven van de delicate balans tussen motorbesturingselement.Werken binnen een spanningsbereik van 9-42V DC en het ondersteunen van een piekstroom van 4 ampère, is het een veelzijdige keuze voor verschillende motorgestuurde projecten.Dit aanpassingsvermogen stelt u in staat om de motorpositionering en snelheid efficiënt te beheren, wat zeer gunstig is in toepassingen die bedoeld zijn om de coderingscomplexiteit te minimaliseren.De hoogfrequente optocoupler-isolatie van de module verbetert de betrouwbaarheid ervan aanzienlijk door de interferentierisico's te verminderen en een gestage werking te waarborgen.
De harmonie met talloze microcontrollers maakt de TB6600 -driver een passende keuze voor projecten die ingewikkelde motorbesturing vereisen.Het integreert soepel met platforms zoals Arduino, wat zijn vermogen weerspiegelt om te voldoen aan verschillende verwachtingen.Het gebruik van deze driver in CNC -machines of 3D -printers maakt bijvoorbeeld precieze en gecontroleerde beweging mogelijk, die het nut ervan op verschillende gebieden illustreert.
Deze module valt op dankzij de ondersteuning voor zowel 2-fase als 4-fase stepper-motoren en hybride configuraties.Het bipolaire H-Bridge-ontwerp is een integraal onderdeel van het efficiënt beheren van spanning en stroom, zodat de bestuurder piekprestaties levert in zijn toepassingen.In omgevingen waar precisie en betrouwbaarheid prioriteit krijgen, zoals geautomatiseerde productielijnen en robotica, worden deze functies zeer gewaardeerd.
|
Functie |
Beschrijving |
|
Type bestuurder |
Bipolaire H-Bridge DC-driver |
|
Uitvoerstroomopties |
8 typen (0,5a tot 3,5a), selecteerbaar tot 4 ampère |
|
Onderverdelingsmodi |
Verdeelt maximaal 32, selecteerbaar in 6 modi |
|
Micro -stappenopties |
8 soorten (1, 2/a, 2/b, 4, 8, 16, 32) |
|
Invoersignaalisolatie |
Snelle foto-elektrische scheiding |
|
Interface |
Volledige standaard enkele pulsinterface |
|
Offline hold -functie |
Ja |
|
Milieu -geschiktheid |
Semi-afgesloten lichaam voor harde omgevingen |
|
Power Lock -functie |
Semi-automatisch, energiebesparend |
|
Specificatie |
Details |
|
Werkspanning |
9-40V DC |
|
Uitgangsstroom |
0.7A-4.0A (selecteerbaar in 8 stappen via DIP-schakelaars) |
|
Voer de pulsfrequentie in |
Tot 20 kHz |
|
Invoer signaalniveaus |
5V signaalniveaus |
|
Pulse per revolutie |
200-6400 |
|
Logische signaalstroom |
8a-15a |
|
Motorische compatibiliteit |
Geschikt voor 2-fase en 4-fase stappenmotoren |
|
Beschermingsfuncties |
Overstroom, oververhitting bescherming |
|
Invoer isolatie |
Optisch geïsoleerd |
|
Isolatieweerstand |
500 megohms |
|
Ondersteunde modus |
PUL/FIR -modus |
|
Kosten |
Lage kosten |
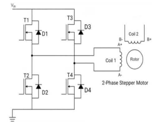
De Module TB6600 Stepper Motor Driver is een serieuze component die is ontworpen om zowel 2-fase als 4-fase stappenmotoren te regelen, met behulp van een bi-polaire H-Bridge-configuratie voor een efficiënte werking.Deze configuratie maakt gebruik van MOSFET -transistoren om hoge prestaties te garanderen in termen van huidige behandeling en thermische stabiliteit.De module werkt door te interageren met twee primaire besturingspennen: de stappen, die de motor activeert die met elke puls stapt, en de richtingspen, die de rotatierichting van de motor bepaalt op basis van de toegepaste spanning.Samen maken deze ingangen nauwkeurige controle over de stappenvolgorde van de motor en de rotatierichting.

Het circuitdiagram benadrukt vier belangrijke transistoren, T1, T2, T3 en T4, gerangschikt in een H-Bridge-structuur.Deze MOSFET's zijn de ruggengraat van de werking van de module, waardoor de bidirectionele stroomstroom nodig is die nodig is om de stappenmotor aan te sturen.Bovendien omvat het diagram flyback -diodes (D1, D2, D3 en D4), die cruciaal zijn voor het beschermen van het circuit tegen spanningspieken veroorzaakt door de inductieve belasting van de motor.Deze diodes voorkomen overstroom en schade aan gevoelige componenten tijdens het bedrijf.De A+, A-, B+en B-terminals worden gebruikt om de motor te verbinden, waardoor een nauwkeurige en gereguleerde beweging van de motoras wordt gewaarborgd.
De TB6600-bestuurder werkt door de gecoördineerde werking van de MOSFET-transistoren in de H-brug.Bijvoorbeeld:
• Rotatie met de klok mee treedt op wanneer transistors T1 en T4 worden geactiveerd, waardoor de stroom van A+ naar A- wordt gericht.
• Rotatie tegen de klok in gebeurt wanneer T2 en T3 zijn ingeschakeld, waardoor de stroom van A- naar A+wordt omgedraaid.
Deze afwisselende activering van transistoren zorgt voor soepele bidirectionele beweging.Om een optimale koppel- en efficiënte werking te bereiken, zijn precieze timing en spanningsregeling essentieel.
De TB6600 ondersteunt vier verschillende bedrijfsmodi, elk ontworpen om het koppel, precisie en stapgrootte in evenwicht te brengen, afhankelijk van de toepassingsvereisten:
• Golfmodus: In deze modus wordt slechts één spoel tegelijkertijd bekrachtigd.Het activeren van een enkele spoel roteert de motor met 90 graden in één richting terwijl het omkeren van de stroom deze in de tegenovergestelde richting draait.Door af te wisselen tussen spoelen, bereikt de motor een continue werking.Deze modus is eenvoudig maar biedt minder koppel in vergelijking met andere modi.
• Volledige stappenmodus: Beide spoelen worden tegelijkertijd bekrachtigd in deze modus en genereren een sterker magnetisch veld.Dit resulteert in een verhoogd koppel, waardoor het ideaal is voor toepassingen die meer kracht en stabiliteit vereisen.
• Halfstapsmodus: Een combinatie van golfmodus en volledige stappenmodus, deze modus wisselt af tussen het stimuleren van een enkele spoel en beide spoelen.Het vermindert effectief de stapgrootte tot 45 graden, waardoor een evenwicht is tussen precisie en koppel.Het koppel kan echter variëren, afhankelijk van of een of beide spoelen tijdens een bepaalde stap worden bekrachtigd.
• Microstep -modus : De meest precieze van alle modi, de microstep -modus vermindert de stapgrootte nog verder door de stroom zorgvuldig door de motorfasen te moduleren.Dit wordt bereikt met behulp van geavanceerde circuits om soepele en geleidelijke overgangen tussen stappen te creëren.Deze modus is ideaal voor toepassingen die een hoge precisie en consistent koppel vereisen, zoals CNC -machines of robotica.
Efficiënte controle van stappenmotoren vereist een combinatie van betrouwbare hardware en zorgvuldig geprogrammeerde software.De TB6600 Stepper Motor Driver valt op als een uitstekend hulpmiddel voor het bedienen van 2-fase stappenmotoren.Het ondersteunt meerdere operationele modi, zoals Wave, Full-Step, Half-Step en Micro-Steping.De ingebouwde beschermingsfuncties-inclusief waarborgen tegen lage spanning, overstroom en oververhitting-maken het een solide keuze voor projecten die precisie en duurzaamheid eisen.
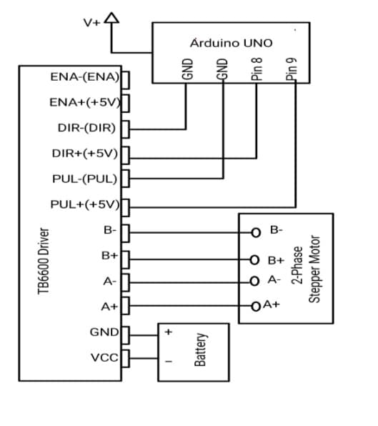
Verzamel de volgende componenten om de TB6600 op te zetten met een Arduino UNO:
• Arduino Uno R3
• TB6600 Stepper Motor Driver (4A -versie)
• Stappermotor (met een aanbevolen beoordeling van 1.65a)
• Betrouwbare voeding (bijv. Een batterij of gereguleerde DC -stroombron)
• Jumper -draden
• Arduino IDE geïnstalleerd op uw computer
Volg deze gedetailleerde instructies om de TB6600 te integreren met de Arduino
Sluit de richting en polssignalen aan
• Koppel de DIR+ en PUL+ -aansluitingen op de TB6600 aan respectievelijk Arduino Pins 8 en 9.Deze pinnen sturen richting en polssignalen.
• Bevestig de dir- en pul-terminals aan de grond (GND) pin van de Arduino.
• Sluit de motor aan op de TB6600: bevestig de stappenmotor draden op de TB6600 -terminals.
• A+ en A- voor één spoel van de motor.
• B+ en B- voor de andere spoel.
• Stuur het TB6600 -stuurprogramma voor: Sluit de VCC en GND -pinnen op de TB6600 aan op uw voeding.Zorg ervoor dat de spanning overeenkomt met de vereisten van uw motor en bestuurder om schade te voorkomen.

Microstep -resolutie aanpassen
Met de TB6600 kunt u de bewegingsprecisie van de steppermotor verfijnen met behulp van de SW1- en SW2-schakelaars.Pas deze schakelaars als volgt aan:
• ¼ Stapresolutie: stel SW1 in en SW2 uit.
• ⅛ Stapresolutie: stel SW1 uit en SW2 aan.
• 1/32 Stapresolutie: stel zowel SW1 als SW2 uit.
• Volledige stappenmodus: stel zowel SW1 als SW2 in.
Waarheidstabel
|
SW2 |
Microstep -resolutie |
|
UIT |
1/32 stap |
|
OP |
1/8 stap |
|
UIT |
1/4 stap |
|
OP |
Volledige stap |
Met schakelaanpassingen kunt u de balans tussen precisie en snelheid optimaliseren op basis van de behoeften van uw project.
Om ervoor te zorgen dat uw motor binnen veilige stroomlimieten werkt, heeft de TB6600 extra schakelaars (SW4 en SW6) voor het aanpassen van de stroomstroom.Deze instellingen zijn nuttig voor:
• Overbelastingsschade voorkomen.
• Het handhaven van consistente motorprestaties.
• Controleer altijd dat de motorstroom onder de maximum van de bestuurder blijft van 4A om beide componenten te beschermen.
• Besturingsmotor richting: als u wilt dat de motor tegen de klok in roteert, wijzigt u de status van de DIR+ Pin in uw Arduino -code.
• Testen en probleemoplossing: upload na het voltooien van de instelling een basisschets voor stappenmotorbediening om de bedrading en de bestuurderfunctionaliteit te verifiëren.
• Vermijd oververhitting: zorg voor een goede ventilatie voor de TB6600-driver, vooral in hoogstroomtoepassingen.
De TB6600 -module speelt een actieve rol in verschillende sectoren waar nauwgezette motorbesturing wordt gebruikt.Het aanpassingsvermogen ervan straalt door in verschillende implementaties die de unieke mogelijkheden benadrukken:
Op het gebied van telecommunicatie is het bereiken van optimale antenne -uitlijning verplicht voor kwaliteitssignaalontvangst en transmissie.De TB6600 vergemakkelijkt de precisiebeweging, waardoor de effectiviteit van communicatiesystemen wordt verbeterd.
Binnen automatisering en robotica wordt precieze stappenmotorbehandeling bereikt via de TB6600, waardoor u beweging precisie kunt verfijnen en de betrouwbaarheid van het systeem kunt versterken.
Voor computer -numerieke besturing (CNC) machines, verbetert de TB6600 ingewikkelde snij- en freesprocessen, waardoor u een hoge niveaus van nauwkeurigheid en herhaalbare precisie in hun werk kunt behouden.
In additieve productie, met name 3D -printen, biedt de TB6600 gedetailleerde motorbesturingselement, ter ondersteuning van de nauwkeurige positionering van printkoppen die nodig zijn voor het maken van complexe vormen en vormen.
De module is waardevol voor ingewikkelde motorbesturingstaken binnen complexe automatiseringssystemen, waardoor de efficiëntie wordt verbeterd en verfijnd beheer mogelijk wordt.
De TB6600 blinkt uit in scenario's die exacte snelheid en rotatiecontrole vereisen, meestal gebruikt voor het optimaliseren van de prestaties in constant veranderende omgevingen.
De module ondersteunt de betrouwbare werking van camera's en geldautomaten door te zorgen voor soepele, exacte motorbewegingen, die de operationele levensduur van de apparaten verlengen.
Voor gravure tools en machines biedt de TB6600 de precieze controle die nodig is voor het uitvoeren van fijn gedetailleerde ontwerpen, een gevaarlijke factor in industrieën waar precisie en detail dominant zijn.
Stuur een aanvraag, we zullen onmiddellijk reageren.
De TB6600 Stepper Motor Driver werkt met een voedingsspanning tussen 8V en 45V.
De TB6600 maakt gebruik van pulsbreedtemodulatie (PWM) om de motorsnelheid aan te passen.U kunt de snelheid wijzigen door de PWM -frequentie te wijzigen.
Ja, de TB6600 kan tot 4,5A aan, waardoor het compatibel is met stappenmotoren die tot deze stroom zijn beoordeeld.
Om de motorrichting om te keren, schakelt u de inputsignaalsequentie op de besturingspennen (bijv. In1-in2-in3-in4 voor vooruit, in4-in3-in2-in1 voor reverse).
De TB6600 is gemaakt voor Stepper-motoren met 4-draads.Als uw motor meer dan 4 draden heeft, heeft u een andere driver nodig.
De TB6600 werkt goed met NEMA17 -motoren, maar is over het algemeen niet geschikt voor NEMA23 -motoren vanwege hun hogere huidige vereisten.
Op 2024/12/12
Op 2024/12/12
Op 8000/04/18 147757
Op 2000/04/18 111936
Op 1600/04/18 111349
Op 0400/04/18 83721
Op 1970/01/1 79508
Op 1970/01/1 66909
Op 1970/01/1 63045
Op 1970/01/1 63012
Op 1970/01/1 54081
Op 1970/01/1 52127