
Afbeelding 1. Trainermodule met RC-gekoppelde versterker
Een RC-gekoppelde versterker is een type versterker waarin meerdere versterkingstrappen zijn verbonden via weerstand-condensatornetwerken.Elke trap verhoogt het signaalniveau, terwijl het RC-netwerk het signaal van de ene trap naar de volgende overbrengt zonder de bedrijfsomstandigheden te verstoren.Deze configuratie wordt vaak gebruikt wanneer een zwak ingangssignaal geleidelijk moet worden versterkt om een bruikbaar niveau te bereiken.
De primaire rol van RC-koppeling is om het wisselstroomgedeelte (AC) van een signaal tussen fasen te laten passeren, terwijl gelijkstroom (DC) wordt geblokkeerd.De koppelcondensator biedt een pad voor het AC-signaal, maar voorkomt dat gelijkspanning naar de volgende fase stroomt, waardoor elke fase onafhankelijk een stabiele voorspanning kan behouden.
Door DC-niveaus te isoleren, helpt RC-koppeling verschuivingen in bedrijfspunten te voorkomen die tot vervorming of onstabiel gedrag kunnen leiden.Elke trap blijft op de juiste manier ingesteld, wat een consistente spanningsversterking ondersteunt met behulp van eenvoudige, economische componenten.
Een RC-gekoppelde versterkerschakeling wordt doorgaans ingericht met behulp van twee of meer in serie geschakelde versterkertrappen, waarbij elke trap in een gemeenschappelijke-emitterconfiguratie werkt.Elke trap versterkt het signaal dat hij ontvangt, terwijl koppelcondensatoren de weerstand-condensatorverbindingen vormen die het signaal tussen de trappen overbrengen zonder hun bedrijfsomstandigheden te beïnvloeden.

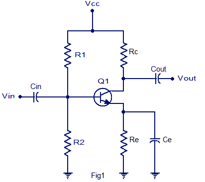
Figuur 2. Eentraps RC-gekoppeld versterkercircuit
In een eentraps RC-gekoppelde versterker wordt het ingangssignaal via een ingangscondensator aan de basis van de transistor toegevoerd, zoals weergegeven in het circuit.Deze condensator zorgt ervoor dat het wisselsignaal de versterker binnenkomt terwijl de gelijkstroom wordt geblokkeerd, waardoor het werkpunt van de transistor stabiel blijft.De voorspanningsweerstanden stellen de vereiste basisspanning in, waardoor een goede werking van de transistor tijdens versterking wordt gegarandeerd.
Zodra het signaal de transistor bereikt, wordt het versterkt en verschijnt het bij de collector.De versterkte uitvoer wordt vervolgens door een uitgangscondensator geleid, die het signaal doorgeeft aan het volgende circuit of de volgende belasting zonder dat er gelijkstroom naar buiten kan stromen.Hoewel er slechts één versterkingstrap aanwezig is, laat deze opstelling duidelijk zien hoe RC-koppeling werkt en wordt deze vaak gebruikt in toepassingen waar een bescheiden signaalversterking voldoende is.

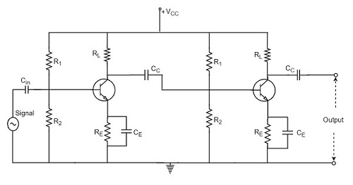
Figuur 3. Tweetraps RC-gekoppeld versterkercircuit
In een tweetraps RC-gekoppelde versterker wordt het door de eerste trap versterkte signaal overgebracht naar de tweede trap via een koppelcondensator die tussen de collector van de eerste transistor en de basis van de tweede transistor is geplaatst, zoals weergegeven in de schakeling.Deze condensator laat alleen het wisselende deel van het signaal door, terwijl de gelijkstroom wordt geblokkeerd, zodat de bedrijfsomstandigheden van elke trap onafhankelijk blijven.
De tweede trap gebruikt dezelfde gemeenschappelijke emitteropstelling als de eerste trap en versterkt het binnenkomende signaal verder.Voorspanningsweerstanden in elke trap zorgen voor het juiste werkpunt voor de transistors, terwijl emitterweerstanden en bypass-condensatoren een stabiele werking en effectieve versterking ondersteunen.Het uiteindelijke uitgangssignaal wordt van de collector van de tweede trap gehaald via een uitgangscondensator, die het versterkte signaal levert zonder gelijkstroom door te laten.
Deze tweetrapsopstelling verhoogt de algehele spanningsversterking in vergelijking met een eentrapscircuit.Extra trappen kunnen op dezelfde manier worden aangesloten als er meer versterking nodig is, terwijl het weerstands- en condensatornetwerk het signaal soepel van ingang naar uitgang blijft geleiden en stabiele prestaties in alle trappen behouden.

Figuur 4. Signaalstroom in RC-gekoppelde versterkertrappen
Een RC-gekoppelde versterker bestaat uit meerdere versterkertrappen die in een vergelijkbare structuur zijn gerangschikt, waarbij elke trap bijdraagt aan het verhogen van het signaalniveau.Het signaal wordt toegepast op de eerste trap, versterkt, overgedragen via het koppelnetwerk en vervolgens verder versterkt door de volgende trap.Deze opstelling zorgt ervoor dat het signaal soepel door het circuit kan bewegen, terwijl het consistente gedrag over de fasen behouden blijft.
De koppelcondensator bevindt zich tussen de collector van de ene trap en de basis van de volgende trap en vormt de elektrische verbinding daartussen.Het zorgt ervoor dat het wisselende deel van het versterkte signaal naar voren kan gaan terwijl de gelijkstroom wordt geblokkeerd.Door te voorkomen dat er gelijkstroom tussen de trappen vloeit, zorgt de koppelcondensator ervoor dat de bedrijfsomstandigheden van de ene trap niet interfereren met die van de volgende.
Voorspanningsweerstanden zijn verbonden met de basis van elke transistor en zorgen voor een stabiele basisspanning die nodig is voor een goede werking.Deze weerstanden houden elke transistor binnen het beoogde werkingsgebied, wat een consistente en gecontroleerde versterking ondersteunt.De vergelijkbare weerstandsopstellingen over de fasen zorgen ervoor dat de prestaties in het hele circuit uniform blijven.
Bij de emitter van elke transistor werken de emitterweerstand en de bypass-condensator samen.De emitterweerstand verbetert de stabiliteit door de gevoeligheid voor temperatuurveranderingen en variaties in het transistorgedrag te verminderen.De parallel geschakelde bypass-condensator biedt een pad met lage weerstand voor het wisselsignaal, waardoor de trap een hogere spanningsversterking kan bereiken terwijl stabiele gelijkstroomomstandigheden behouden blijven.

Figuur 5. Frequentie- en faserespons van RC-gekoppelde versterker
In een RC-gekoppelde versterker gaat het signaal fase voor fase door het circuit, waarbij elke fase het signaalniveau verhoogt voordat het naar voren wordt gestuurd.Het ingangssignaal wordt toegevoerd aan de basis van de eerste transistor, waar versterking optreedt en het versterkte signaal bij de collector verschijnt.Vanaf de collector wordt het signaal via een koppelcondensator naar de volgende trap overgedragen.Deze methode zorgt ervoor dat het signaal soepel door opeenvolgende fasen kan gaan, terwijl de bedrijfsomstandigheden van elke fase elektrisch onafhankelijk blijven, wat een stabiele en voorspelbare werking ondersteunt.
Elke versterkingstrap in een RC-gekoppelde versterker maakt doorgaans gebruik van een gemeenschappelijke emitterconfiguratie.In deze opstelling wordt het uitgangssignaal afkomstig van de collector geïnverteerd ten opzichte van de ingang die aan de basis wordt aangelegd.Deze inversie introduceert in elke fase een faseverschuiving van 180 graden.Terwijl het signaal door meerdere fasen beweegt, voegt elke fase een nieuwe fase-omkering toe.Wanneer het totale aantal trappen gelijk is, worden de fase-omkeringen opgeheven en blijft de uiteindelijke uitvoer in fase met de invoer.Als het aantal trappen oneven is, blijft er één fase-omkering over, waardoor de uitvoer 180 graden wordt verschoven.
De frequentierespons beschrijft hoe de spanningsversterking van de versterker varieert met de signaalfrequentie.Bij lage frequenties wordt de versterking verminderd omdat de condensatoren in het circuit langzame signaalvariaties beperken, waardoor de signaaloverdracht tussen trappen verzwakt.Naarmate de frequentie toeneemt naar het middenfrequentiebereik, bereikt de versterker stabiele bedrijfsomstandigheden en levert hij een vrijwel constante versterking.Dit gebied vertegenwoordigt het normale werkbereik van de RC-gekoppelde versterker.Bij hogere frequenties neemt de versterking weer af naarmate de belastingseffecten tussen de trappen en de interne capaciteit merkbaarder worden, waardoor het vermogen van de versterker om te reageren op snelle signaalveranderingen wordt beperkt.
De spanningsversterking van een RC-gekoppelde versterker wordt bereikt door meerdere versterkingstrappen in cascade te plaatsen, waarbij elke trap bijdraagt aan de algehele versterking.In ideale omstandigheden is de totale spanningsversterking gelijk aan het product van de versterkingen van de afzonderlijke trappen.In praktische circuits is de werkelijke versterking echter iets lager als gevolg van belastingseffecten, waarbij elke trap stroom trekt uit de vorige trap.Deze interactie vermindert de effectieve versterking en stelt praktische grenzen aan de mate waarin spanningsversterking kan worden bereikt met behulp van RC-koppeling.
| Voordelen | Beperkingen |
| Eenvoudig circuitontwerp | Slechte laagfrequente respons |
| Goedkope componenten | De versterking neemt af bij zeer hoge frequenties |
| Compact en lichtgewicht | Beperkte vermogenswinst |
| Goede spanningsversterking | Niet geschikt voor vermogensversterking |
| Stabiele werking voor kleine signalen | Impedantie-matching is slecht |
| Brede middenfrequentiebandbreedte | Gevoelig voor geluid en veroudering van componenten |
| Eenvoudig te ontwerpen en te monteren | Condensatorwaarden beïnvloeden de prestaties |
| Geschikt voor audio- en signaaltrappen | Prestaties beïnvloed door temperatuurschommelingen |
| Geen transformator nodig | Uitgangsimpedantie relatief hoog |

Afbeelding 6. Installatie van RC-gekoppelde versterkertoepassingen
RC-gekoppelde versterkers worden veel gebruikt in elektronische systemen waar kleine signalen duidelijk en betrouwbaar moeten worden versterkt.Een van hun meest voorkomende toepassingen is in audiovoorversterkers, waar zwakke audiosignalen van microfoons, sensoren of audiobronnen worden versterkt voordat ze naar latere fasen worden gestuurd.In deze systemen zorgt RC-koppeling voor een stabiele spanningsversterking en behoudt de signaalkwaliteit over het hele audiofrequentiebereik.
In communicatiecircuits worden RC-gekoppelde versterkers gebruikt om signalen op laag niveau te versterken vóór verwerking of verzending.Ze zijn zeer geschikt voor deze rol omdat ze een consistente versterking bieden over een breed middenfrequentiebereik en gemakkelijk kunnen worden geïntegreerd in meertrapsontwerpen zonder complexe componenten.Dit maakt ze praktisch voor gebruik in bedrade communicatieapparatuur en signaalconditioneringscircuits.
RC-gekoppelde versterkers worden ook vaak aangetroffen in radio- en televisieontvangers, waar ze dienen als versterkingstrappen voor kleine signalen.In deze ontvangers vereisen zwakke signalen die door antennes worden opgepikt, aanvankelijke versterking voordat ze worden gedetecteerd en verder verwerkt.Met RC-koppeling kunnen meerdere versterkingstrappen worden aangesloten, terwijl de stabiele werking behouden blijft en interferentie tussen de trappen wordt geminimaliseerd.
Over het algemeen zijn RC-gekoppelde versterkers geschikt voor deze toepassingen omdat ze eenvoudig en kosteneffectief zijn en betrouwbare spanningsversterking bieden voor kleine signalen.Hun vermogen om een stabiele bias tussen de trappen te behouden terwijl ze een breed scala aan frequenties kunnen verwerken, maakt ze tot een praktische keuze in veel alledaagse elektronische systemen.
RC-gekoppelde versterkers bieden een praktische manier om kleine signalen te versterken met behulp van eenvoudige en betaalbare componenten.Door te begrijpen hoe het circuit is gerangschikt, hoe signalen door elke fase stromen en hoe frequentie en versterking zich gedragen, kunt u beter beoordelen waar dit type versterker bij uw behoeften past.Hun stabiele werking en brede middenfrequentieprestaties maken ze nuttig in veel alledaagse elektronische systemen waar heldere spanningsversterking van belang is.
Stuur een aanvraag, we zullen onmiddellijk reageren.
Een RC-gekoppelde versterker wordt gebruikt om zwakke signalen te versterken waardoor elke versterkingsfase elektrisch onafhankelijk en stabiel blijft.
Condensatoren zorgen ervoor dat wisselende signalen tussen de fasen kunnen passeren het blokkeren van gelijkstroom, waardoor een goede werking behouden blijft omstandigheden.
Bij lage frequenties zijn condensatoren langzame signaalveranderingen tegen, waardoor de effectieve signaaloverdracht wordt verminderd en de versterking afneemt.
Ze zijn vooral geschikt voor spanningsversterking van kleine signalen en zijn niet ideaal voor het leveren van hoog vermogen aan belastingen.
Je vindt ze vaak in audiovoorversterkers, communicatie circuits en kleinsignaaltrappen van radio- en televisieontvangers.
Op 2025/12/22
Op 2025/12/22
Op 8000/04/18 147757
Op 2000/04/18 111936
Op 1600/04/18 111349
Op 0400/04/18 83721
Op 1970/01/1 79508
Op 1970/01/1 66909
Op 1970/01/1 63043
Op 1970/01/1 63012
Op 1970/01/1 54081
Op 1970/01/1 52125