



DePCA9615 Dient als een integrale buffer voor SMBUS/I2C-BUS-communicatie, waardoor de gegevensoverdracht in elektrisch lawaaierige omgevingen aanzienlijk wordt verbeterd.Door een differentiële fysieke laag (DI2C) te gebruiken die de transparantie voor de protocollaag handhaaft, vermindert het de gegevenscorruptie in plaats daarvan.Deze mogelijkheid zorgt voor betrouwbare communicatie in verschillende toepassingen, waaronder industriële automatisering, autosystemen en complexe onderling verbonden apparaten.
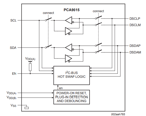
De PCA9615 is uitgerust met twee differentiaal differentiaal driverkanalen op maat voor de SCL-lijn.Breidt het bereik en de snelheid van SMBUS/I2C -signalen uit.Behoudt signaalintegriteit.Door signalen met één einde te converteren naar differentiële signalen, vermindert de PCA9615 effectief elektromagnetische interferentie (EMI) en overspraak, die voorkomen in high-ruisomgevingen.
Differentiële signalering in de PCA9615 biedt een groot aantal voordelen en biedt superieure ruisafwijzing in vergelijking met signalen met één einde.Voornamelijk voordelig in industriële en auto -instellingen waar elektrische ruis gegevensintegriteit bedreigt.Ondersteunt langere kabellengtes en hogere gegevenssnelheden.Maakt meer flexibele systeemontwerpen mogelijk.In werkelijke toepassingen integreert de PCA9615 naadloos in systemen die robuuste communicatie nodig hebben over uitgebreide afstanden.Differentiële signalering zorgt voor betrouwbare sensorgegevensoverdracht tussen componenten zoals de motorbesturingseenheid en verschillende sensoren verspreid over het voertuig.De PCA9615 onderhoudt duidelijke communicatie tussen meerdere controllers en veldapparaten over een grote productievloer.

Hier is het tabelformaat met technische specificaties, attributen en parameters van de NXP USA Inc. PCA9615DPJ , samen met onderdelen met vergelijkbare specificaties.
|
Type |
Parameter |
|
Fabriek
Doorlooptijd |
7
Weken |
|
Montage
Type |
Oppervlak
Inzetten |
|
Pakket
/ Geval |
10-TFSOP,
10-msop (0,118, 3,00 mm breed) |
|
Oppervlak
Inzetten |
Ja |
|
Werkzaam
Temperatuur |
-40 ° C
~ 85 ° C |
|
Verpakking |
Tape
& Reel (TR) |
|
Gepubliceerd |
2010 |
|
Deel
Status |
Actief |
|
Vocht
Gevoeligheidsniveau (MSL) |
1
(Onbeperkt) |
|
Nummer
van beëindiging |
10 |
|
Type |
Buffer,
Redrivier |
|
Toepassingen |
I2C |
|
Spanning
- Levering |
2.3V
~ 5.5V |
|
Terminal
Positie |
Dual |
|
Terminal
Formulier |
Meeuw
Vleugel |
|
Piek
Reflowtemperatuur (CEL) |
Niet
Gespecificeerd |
|
Nummer
van functies |
1 |
|
Levering
Spanning |
3.3V |
|
Terminal
Toonhoogte |
0,5 mm |
|
Tijd@piek
Reflow-temperatuur-max (s) |
Niet
Gespecificeerd |
|
Baseren
Onderdeelnummer |
PCA9615 |
|
Uitvoer |
2-draads
Bus |
|
Pin
Graaf |
10 |
|
Jesd-30
Code |
S-PDSO-G10 |
|
Nummer
van kanalen |
2 |
|
Huidig
- Levering |
16μa |
|
Invoeren |
2-draads
Bus |
|
Gegevens
Tarief (max) |
400 kHz |
|
Levering
Spanning1-nom |
5V |
|
Capaciteit
- Input |
7pf |
|
Lengte |
3 mm |
|
Hoogte
Zittend (max) |
1,1 mm |
|
Breedte |
3 mm |
|
ROHS
Status |
ROHS3
Meewerkend |
Het ontwerp van de PCA9615 omvat een robuuste hot-swap-mogelijkheden, waarmee modules kunnen worden aangesloten en losgekoppeld zonder gegevensstroomonderbrekingen te veroorzaken.Deze functie is vooral voordelig in complexe systemen waar uptime en betrouwbaarheid dominant zijn, zoals in telecommunicatie en datacenters.Door naadloze vervanging en uitbreiding van module mogelijk te maken, zorgt de hot-swap-functie voor consistente systeemprestaties en minimale downtime, catering voor de altijd aanwezige behoefte aan stabiliteit en efficiëntie in dergelijke veeleisende omgevingen.
• En signaalinvoer: De invoer van de EN (Enable) Signal Input speelt een beslissende rol bij het beheren van de hot-swap-procedure.Wanneer een nieuwe module is aangesloten, zorgt het EN -signaal ervoor dat de procedure op een ordelijke manier wordt uitgevoerd.Dit mechanisme voorkomt communicatiefouten die kunnen optreden als modules worden toegevoegd of willekeurig worden verwijderd.In veel praktische toepassingen handhaaft precieze signaalbeheer gegevensintegriteit, wat vooral waardevol is in omgevingen waar gegevensverlies onaanvaardbaar is en de inzet hoog is.
Het interne businmodel detectmechanisme verbetert verder de hot-swap-functionaliteit door ervoor te zorgen dat verbindingen alleen worden gemaakt wanneer de bus inactief is.Deze functie helpt bij het voorkomen van potentiële gegevensbotsingen en corruptie, waardoor de nauwkeurigheid van de verzonden informatie wordt beschermd.Bus Idle detectie werkt transparant en werkt achter de schermen om een stabiele communicatieomgeving te bieden, zelfs onder dynamische omstandigheden.
• Systeembeschermers: Het samenspel van deze componenten binnen de PCA9615 laat zien hoe moderne technologie meerdere lagen waarborgen integreert om zowel operationele efficiëntie als gegevensbeveiliging te verzekeren.De harmonieuze coördinatie tussen de EN-signaalinvoer en de bus Idle detectie vormt de basis van betrouwbare hot-swapping in gevaarlijke systemen.Deze elementen dragen gezamenlijk bij aan een veerkrachtig en betrouwbaar systeem, met de exacte behoeften van omgevingen met hoge inzet met precisie en zorg.
De PCA9615 presenteert veelzijdige oplossingen voor een groot aantal technische hindernissen, met betrekking tot het onderscheid van specifieke toepassingen.Deze omvatten het bewaken van externe sensoren in lawaaierige omgevingen, het beheren van voedingen die vatbaar zijn voor hoge interferentie, het koppelen van I2C -bussen over verschillende apparatuurtypen en het regelen van complexe industriële systemen zoals verlichting, verwarming en koeling.
In omgevingen met ruis kan de betrouwbaarheid van sensorgegevens verslechteren.De PCA9615 ondersteunt standvastige communicatie tussen externe sensoren en dominante verwerkingseenheden.Gebruiksgevallen zoals industriële automatisering en milieumonitoringstations illustreren de voordelen ervan intens.Het handhaven van gegevensintegriteit wordt minder een gok, vergelijkbaar met methoden in telecommunicatie -infrastructuren waarbij signaaltrede over lange afstanden wordt gebruikt.U kunt differentiële signaleringstechnieken benutten, vergelijkbaar met die van PCA9615, om ruisgerelateerde problemen effectief te verlichten.
Een uitdagende heerschappij is het beheren van voedingen onder hoge interferenties.De PCA9615 voedt signaalintegriteit ondanks elektromagnetische ruis, een frequent dilemma in voedingen met variabele belastingen.Werkelijke toepassingen combineren de PCA9615 vaak met afscherming en aardingstactieken, waardoor de interferentie verder wordt verminderd.Dit doet denken aan productiepraktijken van de ruimtevaart, waarbij systemen worden vervaardigd om betrouwbaar te presteren onder opmerkelijke elektronische ruis.
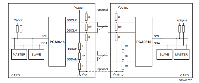
Complexe systeemintegratie vereist vaak om I2C -bussen tussen verschillende apparatuur te verbinden.De PCA9615 maakt deze verbinding glad door het communicatiebereik te verlengen en immuniteit te beveiligen op grondpotentiaalverschillen.In de context van de auto, bijvoorbeeld, de communicatie over meerdere elektronische besturingseenheden (ECU's) overbrugt met de PCA9615, vermindert de zorgen met betrekking tot grondoffersets en signaalintegriteit.Dit aspect toont de bruikbaarheid ervan bij het harmoniseren van verschillende elektronische componenten.
Binnen industriële omgevingen omvatten het beheersen van systemen, zoals verlichting, verwarming en koeling, nauwkeurigheid en betrouwbaarheid.Het vermogen van de PCA9615 om stabiele communicatie onder verschillende omstandigheden te behouden, draagt bij aan de allure.Smart Building Management weerspiegelt het belang van consistente, betrouwbare gegevensoverdracht om energie -efficiëntie en operationele werkzaamheid te waarborgen.Hier illustreert de PCA9615 zijn rol bij het orkestreren van naadloze controle.
Lange afstand I2C-communicatie en systemen met meerdere voedingen introduceren unieke uitdagingen, voornamelijk als gevolg van opmerkelijke gemalen offsets.De PCA9615 verzet deze problemen door differentiële signalering te gebruiken en gegevensintegriteit over uitgebreide afstanden te beschermen.Deze strategie is vergelijkbaar met praktijken in datacenterbeheer, waarbij het behoud van de signaalkwaliteit over lange kabelstrekken nuttig is voor netwerkbetrouwbaarheid.De techniek versterkt de verbinding en zorgt voor robuuste communicatie in veeleisende omgevingen.



NXP Semiconductors N.V., een prominente kracht in veilige connectiviteitsoplossingen die zijn aangepast voor ingebedde toepassingen, heeft consequent innovatie in verschillende sectoren gestimuleerd, waaronder automotive, industriële en IoT-, mobiele en communicatie -infrastructuurmarkten.Hun onsterfelijke ambitie is om slimmere, veiliger en beter verbonden oplossingen te creëren.
De vooruitgang van NXP in de autosector valt aanzienlijk op.Hun geavanceerde microcontrollers en processors hebben de veiligheid van voertuigen, verbeterde infotainmentsystemen en geavanceerde autonome rijmogelijkheden aanzienlijk gestimuleerd.Integratie van deze technologieën op hoog niveau verrijkt de rijervaring en zorgt voor de veiligheid en efficiëntie van voertuigen.Toonaangevende autofabrikanten die hun oplossingen opnemen, benadrukken de drive om aan de moderne transporteisen te voldoen.
In de industriële en IoT Dominions hebben de oplossingen van NXP grote veranderingen aangebracht in fabrieksautomatisering, slimme meting en sensornetwerken.Hun producten zijn bedoeld om prestaties en betrouwbaarheid te optimaliseren, dynamisch in industriële omgevingen in hoge stress.De continue verfijning en implementatie van hun IoT -oplossingen bevorderen onderling verbonden ecosystemen die soepele gegevensuitwisseling, effectief resource management en superieure operationele controle bevorderen.
De aanwezigheid van NXP op de mobiele markt verbetert de privacy aanzienlijk, beveiligt betalingsmechanismen en vergemakkelijkt contactloze interacties.Levering Near Field Communication (NFC) -technologie, ze revolutioneren een revolutie teweeg in interacties tussen consumenten en apparaten, waardoor snellere en veiliger transacties worden geleverd.Lopende innovaties in deze sfeer richten zich op het versterken van gegevensbeveiliging en tegelijkertijd het gemak van de gebruiker te vergroten temidden van een groeiend digitaal landschap.
In de communicatie-infrastructuur zijn de krachtige RF-oplossingen en processors van NXP vereist voor het bevorderen van netwerkmogelijkheden.Deze bijdragen maken de ontwikkeling mogelijk van efficiëntere en betrouwbare communicatiesystemen, major voor wereldwijde connectiviteitsuitbreiding.Door netwerkefficiëntie en schaalbaarheid te verbeteren, ondersteunt NXP de infrastructuur die nodig is voor de vooruitgang van moderne communicatietechnieken zoals 5G.
PCA9615 dient om de busbuffer uit te schakelen, wat instrumenteel blijkt te zijn bij het vinden van fout, power-up sequencing en segmentisolatie in grote bussystemen.Door te helpen bij het vinden van fout en het segment isolatie, verbetert het de herconfiguratie en maakt het mogelijk dat specifieke secties inactief zijn wanneer het niet constant vereist is.In instellingen waar operationele efficiëntie voorrang heeft, vergemakkelijkt PCA9615 het strategische beheer van systeembronnen.Het tijdelijk uitschakelen van ongebruikte bussegmenten optimaliseert de prestaties van het algemene systeem.In complexe industriële omgevingen waar continue werking en minimale downtime vereist zijn, wordt de rol van PCA9615 vereist voor grootschalige productie-fabrieken, het isoleren van bussegmenten voor onderhoud zonder het gehele systeem te stoppen verhoogt de productiviteit en vermindert het risico's.Dynamische herconfiguratie van bussegmenten creëert een meer adaptieve en veerkrachtige infrastructuur.Wat de power-up sequencing betreft, zorgt PCA9615 voor gecontroleerde activering van verschillende bussysteemonderdelen.Deze benadering bevordert stabiliteit en voorkomt potentiële opstartoverbelasting in gegevensomgevingen met hoge dichtheid, zoals datacenters, het zorgt voor gesynchroniseerde activering van componenten, het vermijden van knelpunten en het zorgen voor soepele initialisatie.
Stuur een aanvraag, we zullen onmiddellijk reageren.
Op 2024/10/14
Op 2024/10/14
Op 8000/04/18 147757
Op 2000/04/18 111936
Op 1600/04/18 111349
Op 0400/04/18 83721
Op 1970/01/1 79508
Op 1970/01/1 66909
Op 1970/01/1 63045
Op 1970/01/1 63012
Op 1970/01/1 54081
Op 1970/01/1 52127