
De EPM7128SQI100-10 is een programmeerbaar logisch apparaat dat is ontworpen om op maat gemaakte digitale besturings- en interfacetaken binnen elektronische systemen uit te voeren.Het bevat 128 logische elementen waarmee meerdere logische functies in één component kunnen worden gecombineerd, waardoor de circuitlay-outs worden vereenvoudigd en het aantal onderdelen wordt verminderd.Het apparaat ondersteunt een snelle logische respons die geschikt is voor timingcontrole, signaalroutering en op beslissingen gebaseerde bewerkingen.Het 100-pins opbouwpakket maakt integratie in compacte bordontwerpen mogelijk met behoud van stabiele elektrische prestaties.Veel voorkomende toepassingen zijn onder meer lijmlogica, statuscontrole, adresdecodering en interface-aanpassing in industriële en ingebedde toepassingen.Op zoek naar EPM7128SQI100-10?Neem contact met ons op om de huidige voorraad, levertijd en prijzen te controleren.

De pin-indeling wordt weergegeven voor het 84-pins PLCC-pakket, waarbij de signaalnamen en pinnummers gelijkmatig over alle vier de zijden van het apparaat zijn verdeeld.User I O-pinnen bezetten de meeste posities en worden afgewisseld met speciale stroom-, aarde- en controlepinnen om een stabiele werking te ondersteunen.VCC- en GND-pinnen worden op regelmatige afstanden geplaatst om een consistente stroomverdeling over het pakket te garanderen.Speciale pinnen voor de globale klok, uitgangsinschakeling en JTAG-functies zijn duidelijk gelabeld om ze te onderscheiden van I O voor algemene doeleinden. Het diagram weerspiegelt een gestandaardiseerde lay-out die voorspelbare signaalroutering, vereenvoudigd bordontwerp en compatibiliteit tussen gerelateerde apparaten uit de MAX 7000-serie ondersteunt.
De EPM7128SQI100-10 ondersteunt directe logische programmering terwijl deze op de printplaat is gemonteerd.Hierdoor zijn logische updates mogelijk tijdens de ontwikkeling of na de implementatie zonder het apparaat te verwijderen.Het helpt de downtime te verminderen en vereenvoudigt revisies wanneer het systeemgedrag moet worden aangepast.
Het apparaat beschikt over 128 macrocellen waarmee meerdere logische functies binnen één component kunnen worden geïmplementeerd.Deze capaciteit ondersteunt besturingslogica, decoderingstaken en interface-afhandeling, terwijl de behoefte aan extra discrete logische apparaten wordt verminderd.
Acht interne logische arrayblokken organiseren de logische bronnen op een voorspelbare manier.Deze structuur ondersteunt stabiele signaalroutering en consistent logisch gedrag onder verschillende bedrijfsomstandigheden.
Met ongeveer 2500 bruikbare logische poorten kan het apparaat statusmachines, timingcontrole en aangepaste digitale functies ondersteunen.Dit integratieniveau helpt de bordindelingen te vereenvoudigen en het totale aantal componenten te verlagen.
Het apparaat ondersteunt maximaal 84 door de gebruiker configureerbare invoer- en uitvoerpinnen.Deze flexibiliteit maakt het mogelijk om te communiceren met een breed scala aan externe signalen, bussen en randapparatuur in ingebedde systemen.
Dankzij een maximale voortplantingsvertraging van 10 ns kan het apparaat snel reageren op invoerwijzigingen.Dit maakt het geschikt voor toepassingen die een voorspelbare timing en responsieve digitale besturing vereisen.
Het apparaat is ontworpen om betrouwbaar te werken binnen een industrieel temperatuurbereik.Dit maakt stabiele prestaties mogelijk in omgevingen waar temperatuurschommelingen worden verwacht, zoals besturingssystemen en industriële elektronica.
| Productkenmerk | Kenmerkwaarde |
| Fabrikant | Intel |
| Voedingsspanning - intern | 4,5 V ~ 5,5 V |
| Apparaatpakket van leverancier | 100-PQFP (20x14) |
| Serie | MAX® 7000S |
| Programmeerbaar type | In systeem programmeerbaar |
| Pakket / doos | 100-BQFP |
| Pakket | Dienblad |
| Bedrijfstemperatuur | -40°C ~ 85°C (TA) |
| Aantal macrocellen | 128 |
| Aantal logische elementen/blokken | 8 |
| Aantal I/O | 84 |
| Aantal poorten | 2500 |
| Montagetype | Opbouwmontage |
| Vertragingstijd tpd(1) Max | 10 ns |
| Basisproductnummer | EPM7128 |

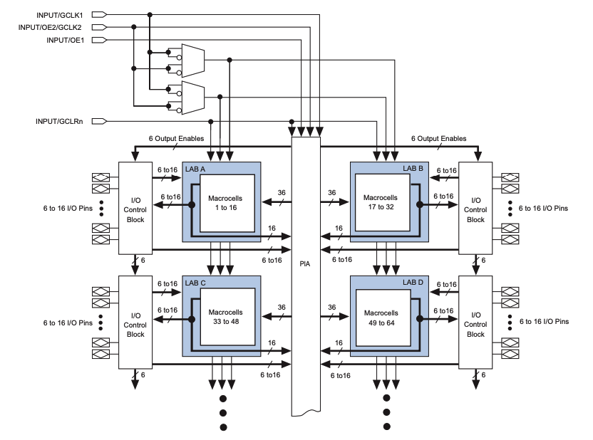
De interne architectuur is gerangschikt rond meerdere logische arrayblokken, die elk een gedefinieerde groep macrocellen bevatten die worden gebruikt om combinatorische en geregistreerde logische functies te implementeren.Deze logische array-blokken zijn met elkaar verbonden via een centrale programmeerbare interconnect-array die signaalroutering tussen blokken met voorspelbaar timinggedrag mogelijk maakt.Speciale IO-besturingsblokken omringen de logische array-blokken en beheren invoerbuffering, uitvoeraansturing, tri-state-besturing en feedbackpaden tussen externe pinnen en interne logica.Globale bronnen, waaronder klokingangen, uitgangssignalen en een globaal helder signaal, worden over het apparaat verdeeld om synchrone werking en gecoördineerde controle van uitgangen te ondersteunen.Deze structuur weerspiegelt de organisatie die wordt gebruikt door de EPM7128SQI100-10, die meerdere logische arrayblokken en macrocellen integreert ter ondersteuning van programmeerbare logica met gemiddelde dichtheid met deterministische signaalroutering en gecentraliseerde besturingspaden.

De logica binnen een enkele macrocel is georganiseerd rond een productterm-selectiematrix die ingangssignalen ontvangt van de programmeerbare interconnect-array en lokale logische expanders.Meerdere producttermen worden gecombineerd om de som van productenlogica te vormen, die een combinatorische uitgang of een programmeerbaar register kan aansturen.Het register omvat klokinschakel-, wis-, vooringestelde en bypass-paden, waardoor flexibele selectie tussen geregistreerde en niet-geregistreerde werking mogelijk is.Globale klok- en globale heldere signalen worden rechtstreeks naar de macrocel geleid om synchrone besturing over het hele apparaat te ondersteunen.Uitgangsgegevens worden doorgegeven aan het IO-besturingsblok of teruggevoerd naar de interconnect-array, waardoor hergebruik van logische resultaten en efficiënte signaalverdeling binnen de EPM7128SQI100-10 mogelijk wordt.

Testconfiguratie definieert de elektrische omstandigheden die worden gebruikt voor AC-timingmetingen door resistieve belastingen, capacitieve belasting en signaalpaden tussen het apparaat en het testsysteem te specificeren.De apparaatuitgang is verbonden met VCC via een pull-up-weerstand en met aarde via een gedefinieerd belastingsnetwerk dat het gedrag van de uitgangsaansturing tijdens het schakelen modelleert.Een condensator vertegenwoordigt de totale belastingscapaciteit, inclusief armatuureffecten, terwijl de testsysteemverbinding signaalovergangen bewaakt.De stijg- en daaltijden van de invoer zijn beperkt tot minder dan 3 ns om consistente meetomstandigheden te garanderen.De opstelling weerspiegelt hoe voedingstransiënten en aardstroom de waargenomen wisselstroomprestaties kunnen beïnvloeden en stelt gestandaardiseerde voorwaarden vast voor de timingkarakterisering van de EPM7128SQI100-10.
De EPM7128SQI100-10 wordt vaak gebruikt in industriële besturingsomgevingen voor het verwerken van sequencing, interlocklogica en signaalcoördinatie.Het helpt bij het beheren van de ingangsomstandigheden van sensoren en schakelaars en genereert tegelijkertijd stabiele besturingssignalen voor actuatoren en besturingsmodules.Dankzij de programmeerbare structuur kan het besturingsgedrag worden aangepast als de systeemvereisten veranderen.
In telecommunicatieapparatuur ondersteunt het apparaat besturingspaden die de timing, signaalroutering en interfacecoördinatie beheren.Het wordt vaak gebruikt om besturingssignalen tussen verwerkingseenheden en communicatie-interfaces te organiseren, waardoor een ordelijke gegevensstroom binnen schakel- en transmissiehardware wordt gehandhaafd.
Het apparaat wordt toegepast als lijmlogica in netwerkhardware om processors, geheugenapparaten en randapparatuur met elkaar te verbinden.Het ondersteunt adresdecodering, busarbitrage en signaaluitlijning, waardoor verschillende digitale blokken samen kunnen werken binnen compacte netwerksystemen.
Binnen embedded systemen biedt de EPM7128SQI100-10 interfacelogica tussen controllers en externe apparaten.Het wordt gebruikt voor adresdecodering, het genereren van stuursignalen en het afhandelen van basisprotocollen, waardoor het systeemontwerp wordt vereenvoudigd en het aantal discrete logische componenten wordt verminderd.
Het apparaat is zeer geschikt voor oudere computerplatforms en instrumentatiesystemen die een stabiele logica-vervanging vereisen.Het kan oudere discrete logische functies consolideren in één enkel programmeerbaar apparaat, terwijl de compatibiliteit met bestaande signaalniveaus en timinggedrag behouden blijft.
De EPM7128SQI100-10 wordt gebruikt om protocolbridging en state-machines te implementeren die gestructureerde digitale processen beheren.Het ondersteunt gedefinieerde statusovergangen en besturingssequenties, waardoor het geschikt is voor het coördineren van communicatie- en besturingstaken over verschillende systeemblokken.
• Ondersteunt systeemlogica-updates zonder het apparaat van het bord te verwijderen
• Biedt 128 macrocellen die geschikt zijn voor middelgrote besturing en interfacelogica
• Biedt voorspelbare timing met een maximale voortplantingsvertraging van 10 ns
• Werkt binnen een industrieel temperatuurbereik voor stabiele prestaties in het veld
• Bevat een groot aantal door de gebruiker configureerbare invoer- en uitvoerpinnen voor flexibele interfaces
• Werkt op een voeding van 5 V, wat de compatibiliteit met systemen met een lagere spanning beperkt
• De logische capaciteit is lager vergeleken met recentere programmeerbare logische apparaten
• Het stroomverbruik is hoger dan bij moderne programmeerbare alternatieven met laag vermogen
• Het pakketformaat is mogelijk niet geschikt voor zeer compacte ontwerpen of ontwerpen met beperkte ruimte
| Onderdeelnummer | Fabrikant | Belangrijkste kenmerken | Gebruik case/notities |
| EPM7128SQI100-10N | Intel | 128 macrocellen met in-systeem programmeerbaarheid, 5 V intern voedingsbereik en snelle maximale voortplantingsvertraging van 10 ns in een opbouwpakket. | Gebruikt in digitale lijmlogica, besturingslogica en interfacetoepassingen die een betrouwbare timing en een gematigde logische dichtheid vereisen. |
| EPM7128SQI160-10 | Intel | Dezelfde 128 macrocell-architectuur met een snelheidsklasse van 10 ns, aangeboden in een pakket met een groter pinaantal voor uitgebreide routeringsflexibiliteit. | Zeer geschikt voor ontwerpen die extra I/O-toegang of compatibiliteit met bestaande bordindelingen nodig hebben. |
| EPM7128SQI160-10N | Intel | 128 macrocellen, in het systeem programmeerbare CPLD met stabiele 5 V-werking en uitgebreide temperatuurondersteuning. | Geschikt voor industriële en ingebedde systemen die een betrouwbare logische besturing over een groter temperatuurbereik vereisen. |
Intel is een wereldwijd technologiebedrijf dat bekend staat om de ontwikkeling van een breed scala aan digitale computer- en programmeerbare logische oplossingen.Het bedrijf heeft een lange geschiedenis in het bevorderen van halfgeleiderontwerp voor computers, communicatie en ingebedde systemen.Het programmeerbare logicaportfolio ondersteunt systeemcontrole, signaalbeheer en interfacelogica voor industriële, netwerk- en embedded applicaties.Intel richt zich op het leveren van schaalbare logische platforms die een balans bieden tussen prestaties, stabiliteit en platformondersteuning op de lange termijn.De producten worden op grote schaal gebruikt in zowel gevestigde systeemarchitecturen als in evoluerende digitale ontwerpen, wat een sterke aanwezigheid in het bredere elektronica-ecosysteem weerspiegelt.
De EPM7128SQI100-10 brengt logische besturing, timing en interface-afhandeling samen in één programmeerbaar apparaat.Je krijgt een duidelijke structuur met logische arrayblokken en macrocellen die gedrag voorspelbaar maken.De pin-indeling en I/O-flexibiliteit helpen de boardrouting te vereenvoudigen.Snelle responstijden ondersteunen een stabiele digitale besturing in veel systemen.Het apparaat werkt ook goed als u logica moet bijwerken zonder hardwarewijzigingen.Over het geheel genomen biedt het een praktische manier om middelgrote digitale logica op één plek te beheren.
Stuur een aanvraag, we zullen onmiddellijk reageren.
Het is een CPLD die kan worden geprogrammeerd om aangepaste digitale logische functies uit te voeren, zoals besturing, decodering en signaalroutering.
Het apparaat bevat 128 macrocellen, waardoor meerdere logische functies in één chip kunnen worden gecombineerd.
Ja, het ondersteunt in-systeemprogrammering, zodat u de logica kunt bijwerken terwijl het apparaat op het bord is gemonteerd.
Het wordt geleverd in een 100-pins opbouwpakket dat goed past in compacte PCB-ontwerpen.
Het wordt vaak gebruikt voor besturingslogica, lijmlogica, toestandsmachines en interface-afhandeling in ingebedde en industriële systemen.
Op 2026/01/6
Op 2026/01/6
Op 8000/04/18 147772
Op 2000/04/18 112009
Op 1600/04/18 111351
Op 0400/04/18 83768
Op 1970/01/1 79565
Op 1970/01/1 66960
Op 1970/01/1 63100
Op 1970/01/1 63040
Op 1970/01/1 54097
Op 1970/01/1 52184