
De LTC6957HMS-3#TRPBF, ontwikkeld door lineaire technologie/analoge apparaten, dient als een geavanceerde fanout -klokbuffer.De werking ervan strekt zich efficiënt uit tot 300 MHz, waardoor invoertypen zoals CML, CMO's, LVD's en LVPecl worden aangepast.Met een voedingsspanning die is gericht op tussen 3,15 V en 3,45 V, past deze zich goed aan een verscheidenheid aan toepassingen aan.Velen waarderen het vermogen om diverse inputformaten te beheren.Dit aanpassingsvermogen vergemakkelijkt de integratie in verschillende systemen, waardoor de behoefte aan uitgebreide herontwerp en het bevorderen van naadloze compatibiliteit met bestaande technologische omgevingen wordt bespaard.
Het bedienen van maximaal 300 MHz stemt de IC uit met hoogfrequente toepassingen.Dit maakt het geschikt voor geavanceerde communicatiesystemen, waarbij precieze timing en synchronisatie de systeembetrouwbaarheid verhogen en de prestaties bij praktisch gebruik verbeteren.Met een leveringsbereik van 3,15 V tot 3,45 V, handhaaft de IC functionaliteit tussen verschillende omstandigheden, waardoor stabiliteit lenen en de levensduur van het apparaat mogelijk uitbreidt.Deze flexibiliteit kan toepassingen in staat stellen te gedijen in dynamische instellingen.
Het opnemen van dit IC in een systeem vereist inzicht in zijn elektrische kenmerken en interacties met bestaande componenten.Een evenwicht vinden tussen ontwerpbeperkingen en prestatiedoelen is vaak nodig, en het kiezen van een klokbuffer zoals de LTC6957HMS-3#TRPBF kan deze uitdagingen vereenvoudigen.De LTC6957HMS-3#TRPBF belichaamt een harmonie van flexibiliteit, frequentiecapaciteit en spanningscompatibiliteit.De doordachte ontwerpoverweging is geschikt voor gevarieerde use cases, waardoor het een gewaardeerde component is in krachtige elektronische ontwerpen.Door dit IC te integreren, kunnen de bewerkingen worden gestroomlijnd, waardoor de kosten mogelijk worden verlaagd door een verminderde systeemcomplexiteit.
De LTC6957HMS -3#TRPBF is gebouwd om temperaturen van -40 ° C tot 125 ° C te weerstaan, waarbij projecten worden aangebracht die de limieten van temperatuur uithoudingsvermogen testen.De veerkracht ervan zorgt voor standvastige prestaties in zowel industriële als auto -instellingen, resonerend met degenen die navigeren, veeleisende omgevingen waar temperatuurschommelingen een constante uitdaging zijn.
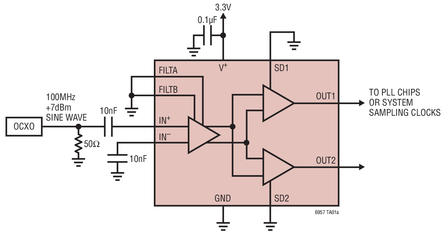
Dit apparaat biedt uitgangen in een CMOS-opstelling, gewaardeerd vanwege zijn energiebesparende voordelen en minimale interferentie.De 1: 2 -ingang tot uitgangsverhouding, in combinatie met differentiële ingang/uitgang, stimuleert de signaalintegriteit en ruisweerstand.Deze aspecten worden gebruikt wanneer hoogfrequente toepassingen een onberispelijke signaalhelderheid vereisen, aangedreven door behoeften om verstoringen van het systeem te voorkomen.
De LTC6957HMS-3#TRPBF is ingekapseld in een 12-TSSOP-pakket en biedt een elegante oplossing voor ontwerpen met beperkte ruimte, die naadloos integreert in kleinere boards zonder in gevaar te brengen op mogelijkheden.De naleving van ROHS3-normen onderstreept een toewijding aan milieuvriendelijke praktijken, waarbij een groeiende industrie wordt weerspiegeld naar duurzaamheid.
Het apparaat werkt op een 3,3V-aanbod en sluit aan bij hedendaagse laagspanningsnormen, waardoor energie-efficiëntie en naadloze integratie met huidige systemen wordt vergemakkelijkt.Deze spanningskeuze weerspiegelt moderne trends om het stroomverbruik te optimaliseren en tegelijkertijd hoge prestaties te behouden.
Het opnemen van de LTC6957HMS-3#TRPBF in ontwerpen kan aanzienlijke voordelen opleveren, met name bij bezigheden die prioriteit geven aan efficiëntie en betrouwbaarheid onder rigoureuze omstandigheden.De synergie tussen zijn compacte build, geavanceerde signaalmogelijkheden en milieu-mindfulness presenteert dit apparaat als een flexibel bezit in het hedendaagse elektronische ontwerplandschap.
De LTC6957HMS-3#TRPBF speelt een rol in klokverdeling voor communicatiesystemen, netwerkapparatuur en industriële automatiseringsopstellingen.Deze scenario's vereisen nauwkeurige timing om efficiënte gegevensoverdracht en -verwerking te vergemakkelijken.In praktische omgevingen kan het bereiken van hoog-nauwkeurige klokverdeling de betrouwbaarheid van het systeem en de algehele prestaties verbeteren.
Deze component wordt ook gebruikt in medische apparaten, automotive -elektronica en ruimtevaart- en defensiesystemen.Op medisch gebied beeldvorming van nauwkeurige timinghulpmiddelen en diagnostische hulpmiddelen, wat resulteert in precieze metingen en betere patiëntresultaten.Automotive -elektronica profiteert van betrouwbare klokverdeling, die geavanceerde systemen voor moderne voertuigen ondersteunt en zowel veiligheid als innovatie beïnvloedt.Aerospace- en defensiesectoren zijn afhankelijk van precieze timing voor bewerkingen waar zelfs kleine fouten belangrijk kunnen zijn.
De LTC6957HMS-3#TRPBF integreert met microcontrollers, FPGA's en ASIC's, die voldoen aan de distributiebehoeften van hoge snelheid.De opname ervan in deze systemen vergemakkelijkt snelle gegevensverwerking en verbetert de synchronisatie.Naadloze integratie in complexe systemen heeft direct invloed op de efficiëntie en functionaliteit van de systeem.

In high-speed data-acquisitiesystemen verbeteren referentieontwerpen de efficiëntie en nauwkeurigheid, waardoor de integriteit van gegevens wordt gewaarborgd en de latentie wordt geminimaliseerd.Deze ontwerpen benutten geavanceerde signaalverwerking algoritmen voor grotere doorvoer en verbeterde resolutie.Door adaptieve filtertechnieken te omarmen, verminderen systemen effectief ruis, waardoor de prestaties worden verhoogd.
Het bereiken van precieze kloksynchronisatie in draadloze communicatienetwerken is gebaseerd op referentieontwerpen.Deze synchronisatie zorgt voor soepele gegevensoverdracht, het verminderen van pakketverlies en jitter.Door gebruik te maken van fase-vergrendelde lussen (PLL's) en vergelijkbare synchronisatiemethoden maakt stabiele connectiviteit mogelijk in zelfs de meest veeleisende omgevingen.Implementaties van stedelijke netwerk laten zien dat het zorgvuldig beheer van tijdvertragingsvariabelen de transmissie-efficiëntie verhoogt.
In radarsystemen ondersteunen PLL -toepassingen binnen referentieontwerpen nauwkeurige frequentiesynthese en modulatie.Deze ontwerpen verbeteren de doeldetectie en het volgen door coherente signaalverwerking.Inzichten in het veld Operatie benadrukken de optimalisatie van lusfilterparameters om snelle vergrendelingstijden te bereiken en de systeemstabiliteit te behouden voor snelle respons en toepassingen met een hoge betrouwbaarheid.
|
Type |
Parameter |
|
Factory doorlooptijd |
16 weken |
|
Pakket / kast |
12-TSSOP (0.118, 3,00 mm breed) |
|
Frequentie (max) |
300 MHz |
|
Verpakking |
Tape & Reel (TR) |
|
JESD-609 Code |
E3 |
|
Vochtgevoeligheidsniveau (MSL) |
1 (onbeperkt) |
|
ECCN -code |
EAR99 |
|
Eindafwerking |
Mat tin (sn) |
|
Eindpositie |
Dual |
|
Peak Reflow -temperatuur (Celsius) |
260 |
|
Voedingsspanning |
3.3V |
|
Temp@piek Reflow Temperatuur-Max (s) |
30 |
|
Uitvoer |
CMO's |
|
Aantal circuits |
1 |
|
Ratio - Input/output |
1:02 |
|
Lengte |
4.039 mm |
|
ROHS -status |
Rohs compliant |
|
Montagetype |
Oppervlaktemontage |
|
Oppervlaktemontage op |
Ja |
|
Bedrijfstemperatuur |
-40 ° C -125 ° C |
|
Gepubliceerd |
2013 |
|
Onderdeelstatus |
Actief |
|
Aantal beëindigingen |
12 |
|
Fanout -buffer (distributie) |
Ja |
|
Spanning - levering |
1.5V-3.45V |
|
Eindvorm |
Meulvleugel |
|
Aantal functies |
1 |
|
Eindpunt |
0,65 mm |
|
Basisonderdeelnummer |
LTC6957 |
|
Telling
|
12 |
|
Invoeren |
CML, CMOS, LVDS, LVPECL |
|
Differentieel - invoer/uitvoer |
Ja/Nee |
|
Breedte |
3 mm |
• LTC6957HMS-2#TRPBF: Klokbuffer met een 1: 1 ingang-tot-output-verhouding.
• LTC6957HMS-4#TRPBF: Clock Buffer met een 1: 4 ingang-tot-output-verhouding.
• LTC6957HMS-5#TRPBF: klokbuffer ontworpen met een 1: 5 ingang-tot-output-verhouding.
De uitgebreide analyse van de LTC6957HMS-3#TRPBF in dit artikel biedt een diepe duik in zijn mogelijkheden, specificaties en uitgebreide toepassingen in verschillende veelgevraagde industrieën.Van robuuste klokverdeling in communicatiesystemen tot precieze timingvereisten in ruimtevaart en verdediging, deze klokbuffer is een voorbeeld van flexibiliteit en efficiëntie.De verkenning van de referentieontwerpen en alternatieve onderdelen benadrukt niet alleen het aanpassingsvermogen van de component om technologische behoeften te evolueren, maar zorgt er ook voor dat u de nodige informatie hebt om geïnformeerde beslissingen te nemen bij het integreren van dit IC in complexe systemen.Naarmate de technologie vordert, valt de LTC6957HMS-3#TRPBF op als een kerncomponent in het verbeteren van de systeemprestaties en betrouwbaarheid, waardoor de waarde ervan wordt aangetoond in zowel huidige als toekomstige elektronische ontwerplandschappen.
Mult dev mark chg 4/feb/2020.pdf
Dit apparaat beheert frequenties tot 300 MHz, waardoor het veelzijdig is voor toepassingen zoals communicatiesystemen en signaalverwerking.Het omgaan met hoge frequenties betekent een robuust ontwerp, gebruik in precieze omgevingen.In de praktijk betekent dit consistente, betrouwbare prestaties, vooral onder veelgevraagde omstandigheden.
Ja, het ondersteunt LVPECL -ingangen, naast andere signaaltypen.Ondersteuning van LVPECL-voordelen High-Speed Data Transmission, het verbeteren van de ruismarge en signaalintegriteit.Deze compatibiliteit is voordelig in complexe systemen en helpt bij foutvermindering.Dergelijke functies zijn praktisch in het verminderen van downtime en het zorgen voor soepele bewerkingen in verschillende scenario's.
Het apparaat werkt bij een 3,3V-aanbod en heeft een laag stroomverbruik en aantrekkelijk in energiegevoelige contexten.Deze efficiëntie verlaagt de bedrijfskosten en vermindert warmte, waardoor de levensduur en betrouwbaarheid worden verlengd.In scenario's waarin stroomefficiëntie de budgetten beïnvloedt, bevordert deze eigenschap duurzame praktijken in de loop van de tijd.
Stuur een aanvraag, we zullen onmiddellijk reageren.
Op 2024/10/28
Op 2024/10/28
Op 8000/04/18 147778
Op 2000/04/18 112032
Op 1600/04/18 111351
Op 0400/04/18 83788
Op 1970/01/1 79589
Op 1970/01/1 66973
Op 1970/01/1 63109
Op 1970/01/1 63043
Op 1970/01/1 54097
Op 1970/01/1 52195