
De LM393N is vervaardigd als een flexibele dubbele onafhankelijke laagspanningsvergelijker, geschikt voor scenario's die profiteren van single-supply-bewerkingen over een breed spanningsbereik.Het ontwerp is geschikt voor het gebruik van het splitsing en biedt een veelzijdige oplossing voor gevarieerde elektrische configuraties.De invoer van de input Common-Mode-spanningsbereik strekt zich aanzienlijk uit om het grondniveau op te nemen, zelfs binnen een single-supply-omgeving, wat de mogelijkheid illustreert om zich aan te passen aan veeleisende energiesituaties.
Binnen zijn structurele ontwerp ondersteunt de LM393N talloze toepassingen.Deze omvatten van apparaten op batterijen tot meer ingewikkelde systemen waar stabiliteit gewenst is onder veranderende vermogensomstandigheden.In werkelijke contexten kunt u vaak een gevoel van vertrouwen ervaren met dergelijke componenten, waardoor u op hen vertrouwt om de betrouwbaarheid in ingebedde systemen te beschermen te midden van onstabiele voedingen.
De LM393 -serie omvat de LM393DR,, LM393M,, LM393D,, LM331N, En LM393MX varianten, elk dienen verschillende functionaliteiten.Deze modellen voldoen aan specifieke behoeften, het verbeteren van de ontwerpefficiëntie en aanpassing aan projectspecifieke eisen.Het selecteren van de juiste variant kan een opmerkelijke impact hebben op het integratieproces en de algemene prestaties van de elektronische configuratie.




|
Functie |
Specificatie |
|
Voedingsspanningsbereik |
+2 V tot +36 V (single-supply) of ± 1 V tot ± 18 V (Dual
levering) |
|
Leveringsstroom |
0,45 Ma onafhankelijk van de voedingsspanning (1 MW/vergelijker bij
+5 v) |
|
Input Bias Current |
20 NA (typisch) |
|
Input offset stroom |
± 3 NA (typisch) |
|
Input offset spanning |
± 1 mV (typisch) |
|
Voer Common-mode spanningsbereik in |
Inclusief grond |
|
Uitgang verzadigingsspanning |
80 mV (typisch, isink = 4 ma) |
|
Differentiaal ingangsspanningsbereik |
Gelijk aan de voedingsspanning |
|
Uitvoercompatibiliteit |
TTL, DTL, ECL, MOS, CMOS compatibel |
|
Type |
Parameter |
|
Montagetype |
Door gat |
|
Pakket / kast |
8-dip (0.300, 7,62 mm) |
|
Oppervlaktemontage |
NEE |
|
Aantal elementen |
2 |
|
Bedrijfstemperatuur |
0 ° C ~ 70 ° C |
|
Verpakking |
Buis |
|
JESD-609 Code |
E3 |
|
Onderdeelstatus |
Verouderd |
|
Vochtgevoeligheidsniveau (MSL) |
1 (onbeperkt) |
|
Aantal beëindigingen |
8 |
|
ECCN -code |
EAR99 |
|
Type |
Algemeen doel |
|
Eindafwerking |
Mat tin (sn) - gegloeid |
|
Eindpositie |
Dual |
|
Peak Reflow -temperatuur (CEL) |
Niet gespecificeerd |
|
Aantal functies |
2 |
|
Voedingsspanning |
5V |
|
Time@peak reflow temperatuur-max (s) |
Niet gespecificeerd |
|
Basisonderdeelnummer |
LM393 |
|
Telling |
8 |
|
Jesd-30-code |
R-PDIP-T8 |
|
Kwalificatiestatus |
Niet gekwalificeerd |
|
Uitgangstype |
CMOS, DTL, ECL, MOS, Open-Collector, TTL |
|
Voedingsvoorraden |
5V |
|
Reactietijd |
1300 ns |
|
Spanning - Supply, single/dual (±) |
2V ~ 36V ± 1V ~ 18V |
|
Gemiddelde bias huidige max (iib) |
0,4μA |
|
Leveringspanningslimiet |
36V |
|
Huidige - rust (max) |
2,5 mA |
|
Spanning - Input Offset (Max) |
5MV @ 30V |
|
Current - Input Bias (Max) |
0,25μA @ 5V |
|
Stroom - output (typ) |
18 mA @ 5V |
|
Zittend hoogte (max) |
5,33 mm |
|
ROHS -status |
ROHS3 -compatibel |

De LM393N-comparator onderscheidt zich als een complexe en efficiënte component die op verschillende praktische velden wordt gebruikt, met name excelleren in omgevingen die worden gekenmerkt door de eisen van batterij-aangedreven en industriële systemen.
De benadering van de LM393N voor energieverbruik en nauwkeurigheid is prachtig geschikt voor apparaten op batterijen.In de wereld van draagbare elektronica kan het bereiken van een delicate harmonie tussen energie -efficiëntie en prestaties uw tevredenheid en apparaataanvraag diep beïnvloeden.De LM393N blinkt uit door nauwkeurige spanningsvergelijkingen te bieden met minimale energiedrain, waardoor de levensduur van de batterij wordt verlengd.U kunt vaak gebruikmaken van de mogelijkheden om circuits te ontwerpen die waakzaam de batterijstatus bewaken, waardoor tijdige opladen en beschermen tegen overmatige uitputting.Deze sleutelrol ondersteunt de standvastige betrouwbaarheid van het apparaat gedurende langdurige gebruiksperioden.
Binnen het industriële landschap wordt de LM393N op prijs gesteld vanwege zijn robuustheid en consistente prestaties, die worden gebruikt voor het behouden van activiteiten te midden van veeleisende omstandigheden.De integratie ervan in geautomatiseerde systemen helpt bij signaalverwerking en verbetert de besluitvormingsfunctionaliteiten.In temperatuurregelsystemen vergelijkt de LM393N bijvoorbeeld de temperatuurmetingen in staat om benchmarks in te stellen, waardoor controleprocessen worden geactiveerd om de gewenste omgevingscondities te handhaven.Het vermogen om consequent te presteren in verschillende omgevingsomstandigheden zorgt voor stabiliteit en operationele efficiëntie in geautomatiseerde kaders.De werkelijke toepassingen benadrukken het belang van betrouwbare componenten zoals de LM393N bij het ondersteunen van de continuïteit van het industriële systeem.


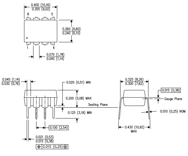
Mechanische gegevens


STMicro -elektronica onderscheidt zich in de wereld van halfgeleiders door een divers scala aan geavanceerde oplossingen op maat te maken voor verschillende micro -elektronische toepassingen.Het bedrijf blinkt uit in siliciumtechnologieën, en de uitgebreide productievaardigheden maken het een leider in systeem-op-chip-innovatie, een domein dat verweven is met moderne technologische vooruitgang.Op basis van een uitgebreide repository van intellectueel eigendom bevordert STMicroelectronics strategische partnerschappen, waardoor zijn voetafdruk in de markt wordt verbeterd.
De diepgewortelde kennis van STMicroelectronics van siliciumtechnologieën dient als de kern van zijn ontwerp- en productievaardigheden.Deze basis ondersteunt de ontwikkeling van zeer efficiënte chips, en voldoet aan de uitdagende parameters van verschillende toepassingen.De expertise in silicium zorgt voor het creëren van consumentenelektronica die betrouwbaarheid en energie-efficiëntie bieden, waardoor de acceptatie van hedendaagse apparaten die de dagelijkse ervaringen transformeren aanmoedigen.
LM193, A LM293, A-LM393, A.PDF
Stuur een aanvraag, we zullen onmiddellijk reageren.
De LM393N en LM393P vertonen consistente prestaties tussen toepassingen.Het belangrijkste verschil ligt in hun verpakking: de LM393N is ingekapseld in een dubbele in-line plastic formaat, terwijl de LM393P wordt geleverd in een enkel in-line pakket.De verpakkingsbeslissing kan van invloed zijn op ruimtelijke en ontwerpoverwegingen, die toepassingskeuzes beïnvloeden.
Naast de verpakking zijn hun verschillen minimaal omdat beide een DIP-8-pakket vereisen.Selectie hangt vaak af van specifieke applicatiebehoeften, waar verpakkingen een opmerkelijke bepalende factor worden.
De LM393N werkt als een dubbele spanningsvergelijker.Wanneer de (-) ingang op 2,5 V is, blijft de uitgang laag als de (+) ingang lager is dan 2,5 V maar boven 2MV.Het blijft laag wanneer de (+) ingang meer dan 2 mV lager is dan de (-) ingang.Als de (+) input de (-) met meer dan 2mV overschrijdt, wordt de uitgang hoog.Dit mechanisme wordt vaak gebruikt in scenario's die een precieze spanningsvergelijking vereisen, hetgeen de exacte aard van elektronisch ontwerp weerspiegelt.
De LM393N -markt heeft onlangs stabiele prijzen gehandhaafd, gestimuleerd door voldoende inventaris en lopende transacties.Leveranciers bieden consistente offertes, die een robuuste aanwezigheid op de markt aangeven.Inzicht in deze trends helpt bij het maken van effectieve inkoopstrategieën.
De LM193, LM293 en LM2903 staan als levensvatbare vervangingen voor de LM393N.Ze werken als dual-spanningsvergelijker IC's en kunnen worden opgenomen zonder opmerkelijke wijzigingen in het systeemontwerp.Deze alternatieven bieden ontwerpflexibiliteit met behoud van prestatienormen, wat een begrip van de exacte eisen van componentselectie weerspiegelt.
Op 2024/11/8
Op 2024/11/8
Op 8000/04/18 147757
Op 2000/04/18 111936
Op 1600/04/18 111349
Op 0400/04/18 83721
Op 1970/01/1 79508
Op 1970/01/1 66909
Op 1970/01/1 63045
Op 1970/01/1 63012
Op 1970/01/1 54081
Op 1970/01/1 52125