




De LM338K Navigeert een breed spanningsspectrum van 1,2 V tot 32 V, waardoor de stromingen 5 A. Capably beheren 5 A. Het aanpassingsvermogen ervan wordt onthuld door het eenvoudige gebruik van twee weerstanden voor de uitvoeraanpassing, wat de opname in verschillende systemen verlicht.
Industriële systemen profiteren van het ontwerp, mengefficiëntie vergelijkbaar met geavanceerde voedingen.Telecommunicatiesystemen vinden het geschikt vanwege de veelzijdigheid.Binnenlandse elektronica waarderen zijn naadloze integratie.
In stroombeheervelden kunt u de LM338K vaak in hun systemen opnemen.De stabiliteit en het gebruiksgemak maken het een voorkeurskeuze voor mensen die op zoek zijn naar betrouwbare stroomoplossingen.Het stevige ontwerp confronteert fluctuerende belastingen met genade, waardoor het uitzonderlijk nuttig is.
|
Type |
Parameter |
|
Inzetten |
Door gat |
|
Montagetype |
Door gat |
|
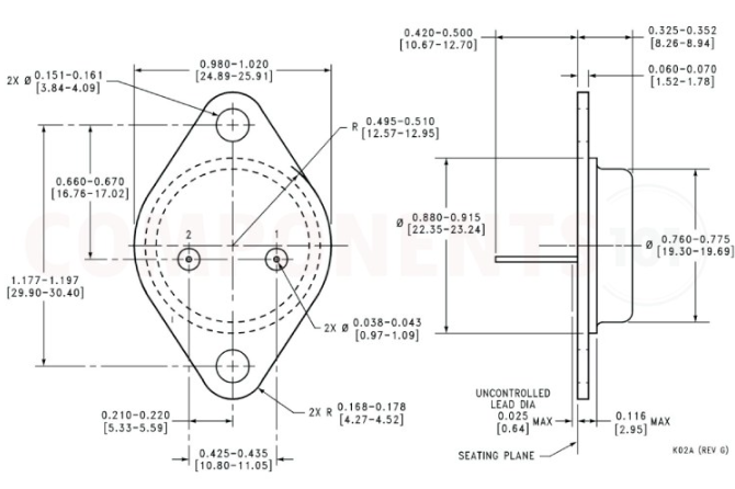
Pakket / kast |
TO-204AA, TO-3 |
|
Aantal pinnen |
2 |
|
Gewicht |
6.40101G |
|
Bedrijfstemperatuur |
0 ° C ~ 125 ° C |
|
Verpakking |
Buis |
|
Tolerantie |
5% |
|
JESD-609 Code |
E3 |
|
Onderdeelstatus |
Verouderd |
|
Vochtgevoeligheidsniveau (MSL) |
1 (onbeperkt) |
|
Aantal beëindigingen |
2 |
|
ECCN -code |
EAR99 |
|
Eindafwerking |
Tin (sn) |
|
Vermogensbeoordeling |
50W |
|
Eindpositie |
ONDERKANT |
|
Eindvorm |
Pin/pin |
|
Aantal functies |
1 |
|
Basisonderdeelnummer |
LM338 |
|
Telling |
2 |
|
Aantal uitgangen |
1 |
|
Spanning - Input (Max) |
35V |
|
Uitgangspanning |
32V |
|
Uitgangstype |
Verstelbaar |
|
Max uitgangsstroom |
5a |
|
Uitvoerconfiguratie |
Positief |
|
Max uitgangsspanning |
32V |
|
Aantal toezichthouders |
1 |
|
Min -ingangsspanning |
4.2V |
|
Beschermingsfuncties |
Overstroom, over temperatuur |
|
PSRR |
75db ~ 60dB (120Hz) |
|
Referentiespanning |
1.29V |
|
Uitval spanning |
3V |
|
Dropout-spanning1-nom |
3V |
|
Min -uitgangsspanning |
1.2V |
|
Voedingsafwijzingsverhouding (PSRR) |
75db |
|
Min stroomlimiet |
7a |
|
Laadverordening-max (%) |
1% |
|
Hoogte |
8,7 mm |
|
Lengte |
39,5 mm |
|
Breedte |
26,2 mm |
|
Bereik SVHC |
Geen SVHC |
|
Stralingsharding |
Nee |
|
ROHS -status |
ROHS3 -compatibel |
|
Leid gratis |
Leid gratis |
|
Functie |
Beschrijving |
|
Piekuitgangsstroom |
Gegarandeerd 7 a |
|
Uitgangsstroom |
Gegarandeerd 5 a |
|
Verstelbare uitgangsspanning |
Tot 1,2 V |
|
Lijnregelgeving |
Typisch 0,005 %/V |
|
Laadregeling |
Meestal 0,1 % |
|
Thermische verordening |
Gegarandeerd |
|
Huidige limiet |
Constant met temperatuur |
|
Pakkettype |
Standaard 3-lead transistorpakket |

De LM338K dient in het maken van verstelbare voedingen, het leveren van precieze constante stroom en efficiënt oplaadbatterijen.De brede applicatie komt voort uit zijn stevige build en veelzijdige spanningsregeling.
De LM338K is chief in het creëren van veelzijdige voedingssystemen.Het vermogen om de hoge spanning en stroom te beheren, verbetert de stabiliteit terwijl de ruis wordt geminimaliseerd, waardoor de prestaties van het elektronische systeem worden gestimuleerd.Vaak gebruikt in laboratoria en workshops, profiteren deze systemen van de betrouwbaarheid van apparatuur.U kunt de precieze spanningsaanpassingen waarderen, die de precisie en betrouwbaarheid van het apparaat weerspiegelen.
In contexten zoals LED -verlichting en motorbesturing is het reguleren van constante stroom actief.De LM338K biedt een stabiele stroom, waarborgsing van gevoelige componenten en verbetering van de systeemefficiëntie.Betrouwbare huidige regelgeving helpt bij het waarborgen van stabiliteit op de lange termijn, waardoor fluctuaties worden voorkomen die kunnen leiden tot systeemstoringen.
Batterijlaadsystemen maken gebruik van de instelbare mogelijkheden van de LM338K voor precieze laadcyclusregeling.Dit optimaliseert de oplaadefficiëntie en veiligheid op de batterij, waardoor de levensduur van de batterij wordt verbeterd.Geavanceerde systemen integreren functies om staatsveranderingen in het opladen te detecteren, waardoor de efficiëntie en de gezondheid van de batterij aanzienlijk wordt verbeterd.
Het aanpassingsvermogen van de LM338K's duurzame ontwerp en spanningsregeling maakt het geschikt voor verschillende toepassingen.Het functioneert goed onder verschillende omgevingscondities, een gewaardeerde eigenschap in industrieën die robuustheid eisen.De flexibiliteit heeft geleid tot wijdverbreid gebruik in velden die hoge prestaties en betrouwbaarheid vereisen, u kunt deze functies vaak noemen als redenen voor selectie in diverse projecten.

|
Onderdelen |
Beschrijving |
Fabrikant |
|
LM138AKSTEEL |
1.2 V-32V Instelbare positieve regulator, MBFM2, metaal
Kan, tot-3, 2 pin |
Texas instrumenten |
|
LM138K/883 |
IC Vreg 1.2 V-32 V Instelbare positieve regulator, MBFM2,
Metaal kan, TO-3, 2 pin, instelbare positieve standaardregelaar met één uitgang |
National Semiconductor Corporation |
|
LM338K staal/nopb |
1.2 V-32V Instelbare positieve regulator, MBFM2, Green,
Metaal kan, TO-3, 2 pin |
Texas instrumenten |
|
LM138K-MIL/NOPB |
1.2 V-32V Instelbare positieve regulator, MBFM2, ROHS
Compliant, metal can, to-3, 3 pin |
Texas instrumenten |
|
M38510/11706SYA |
IC Vreg instelbare positieve regulator, verstelbaar
Positieve standaardregelaar met één uitgang |
Lineaire technologie |
|
FT138AK |
Instelbare positieve standaardregelaar, 1,2 V min, 32V
Max, mbfm2, metaal kan, TO-3, 2 pin |
Force Technologies Ltd |
|
FT338K |
Instelbare positieve standaardregelaar, 1,2 V min, 32V
Max, mbfm2, metaal kan, TO-3, 2 pin |
Force Technologies Ltd |
|
LT338AK |
IC Vreg 1.2 V-32 V Instelbare positieve regulator, MBFM2,
Metaal kan, TO-3, 3 pin, instelbare positieve standaardregelaar met één uitgang |
Lineaire technologie |
|
SG138AK/883B |
Regulator, 1 uitgang, bipolair |
Microsemi Corporation |
|
LM338MWC |
1.2 V-32V Instelbare positieve regulator, UUC, Wafer |
Texas instrumenten |

STMICROECTRONICS VERWIJDERD zijn kernontwerpfilosofie met duurzaamheid in halfgeleideroplossingen, het weven van milieubeheer met productveiligheid en efficiëntie, na te denken over waarden en ambities naar een duurzame toekomst.
Dominant voor de innovaties van STMicroelectronics is het nastreven van milieubewuste technologie om schade aan het milieu te minimaliseren.Door de nadruk te leggen op energie -efficiëntie, worden componenten vervaardigd om het stroomverbruik in verschillende toepassingen te verlagen.Industrieën zoals Automotive and Consumer Electronics Bevoor, van het zien van een vermindering van CO2 -voetafdrukken.Deze trend weerspiegelt een bredere industrie migratie naar groene oplossingen, die voortdurende aanpassing en vindingrijkheid eisen.
De LM338K gedijt in temperaturen variërend van 0 ° C tot 125 ° C.Deze flexibiliteit is geschikt voor een overvloed aan toepassingen, van dagelijkse consumentengadgets tot rigoureuze industriële contexten.Het handhaven van de consistente apparaattemperatuur is cruciaal, waardoor zowel de prestaties als de levensduur worden gevormd, waardoor u voldoende mogelijkheden biedt.
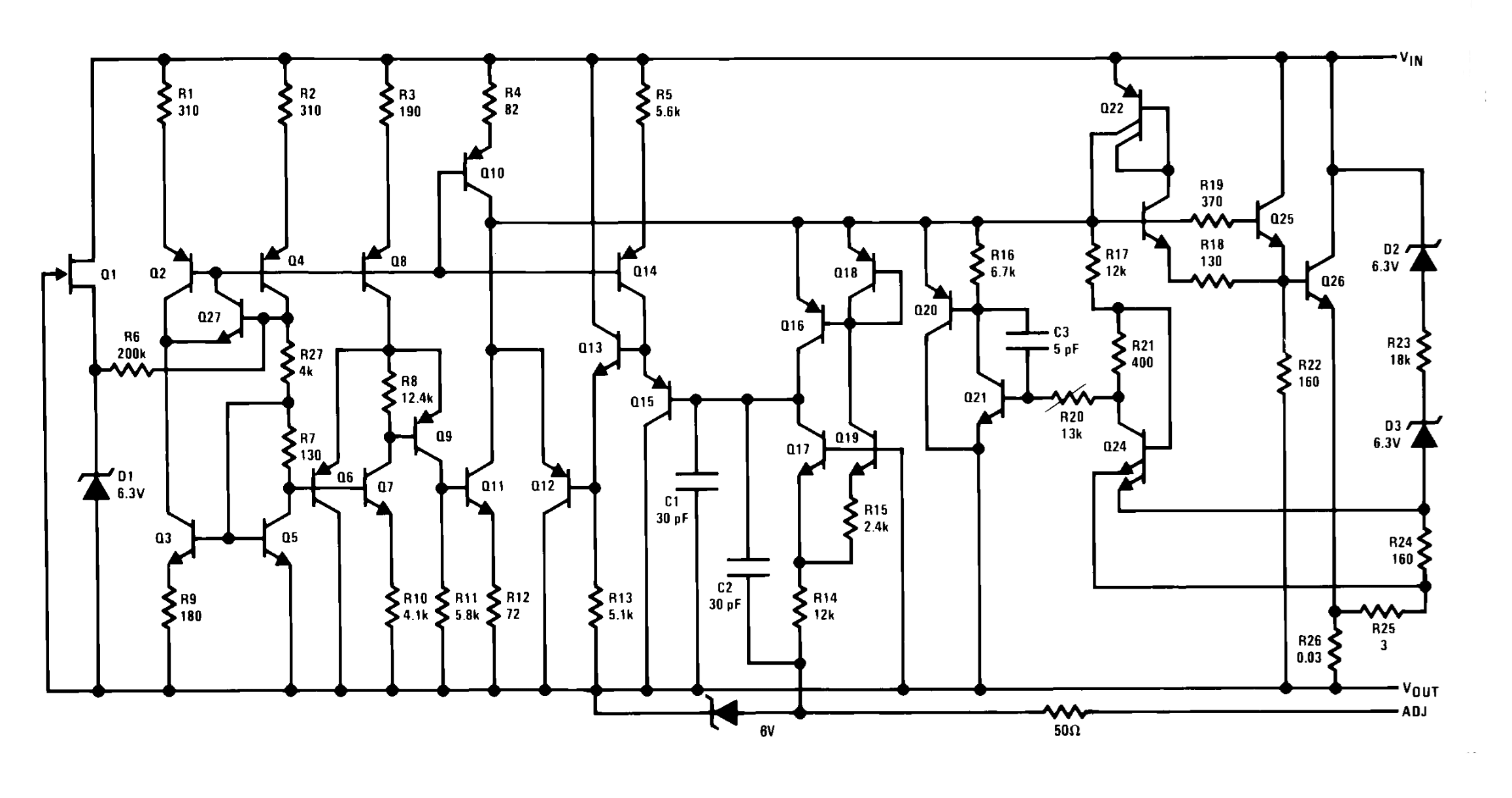
LM338K is een veerkrachtige drie-terminale positieve spanningsregelaar, die meer dan 5 A levert tussen 1,2 V en 32 V. Met slechts twee weerstanden vereenvoudigt het spanningsbeheer en weerspiegelt het de efficiëntie van geavanceerde energiesystemen.Deze eenvoudigheid doet een beroep op degenen die prioriteit geven aan betrouwbare output, met name in ruimte- en budgetgevoelige omgevingen.
De LM338K is ingekapseld in het Steel To-3 Transistor-pakket en is gebouwd voor sterkte en effectief warmtebeheer.Deze verpakking heeft de voorkeur voor krachtige taken vanwege de superieure thermische regelgeving, waardoor stabiliteit en langdurige betrouwbaarheid wordt gewaarborgd.De juiste verpakkingsselectie wordt gebruikt voor het verbeteren van de veiligheid en prestaties van elke elektronische component.
Stuur een aanvraag, we zullen onmiddellijk reageren.
Op 2024/10/22
Op 2024/10/22
Op 8000/04/18 147757
Op 2000/04/18 111936
Op 1600/04/18 111349
Op 0400/04/18 83721
Op 1970/01/1 79508
Op 1970/01/1 66909
Op 1970/01/1 63045
Op 1970/01/1 63012
Op 1970/01/1 54081
Op 1970/01/1 52126