
Figuur 1. Overzicht geïsoleerde versus niet-geïsoleerde stroomomvormer
Een geïsoleerde stroomomvormer is een soort stroomconversiecircuit dat energie overdraagt tussen invoer en uitvoer zonder een directe elektrische verbinding.Het primaire doel is het bieden van elektrische veiligheid en geluidsisolatie door de ingangs- en uitgangsgronden te scheiden.Deze scheiding wordt bereikt door galvanische isolatie, die voorkomt dat stroom rechtstreeks tussen de twee zijden stroomt.In plaats van een geleidend pad wordt energie overgedragen via een tussenmedium, meestal met behulp van magnetische of optische koppeling.Dit ontwerp helpt gevoelige componenten te beschermen tegen spanningspieken of fouten aan de ingangszijde.Geïsoleerde stroomomvormers worden gekenmerkt door hun vermogen om de elektrische onafhankelijkheid tussen ingang en uitgang te behouden en toch gecontroleerd vermogen te leveren.
Een niet-geïsoleerde stroomomvormer is een stroomconversiecircuit waarbij de ingang en uitgang een directe elektrische verbinding delen.Het belangrijkste doel is om de spanningsniveaus efficiënt te regelen binnen systemen die geen elektrische scheiding vereisen.In dit ontwerp delen beide zijden doorgaans een gemeenschappelijke aarde, waardoor stroom rechtstreeks tussen ingang en uitgang kan stromen.Deze gedeelde referentie vereenvoudigt de circuitstructuur en vermindert het aantal componenten.Omdat er geen galvanische scheiding is, zijn de in- en uitgang te allen tijde elektrisch met elkaar verbonden.Niet-geïsoleerde stroomomvormers worden daarom gedefinieerd door hun continue geleidende pad en gemeenschappelijke aarding tussen bron en belasting.

Figuur 2. Isolatiediagram van de transformator
Geïsoleerde converters werken door energie over te dragen via magnetische koppeling in plaats van directe elektrische geleiding.Een schakelapparaat schakelt de ingangsspanning snel in en uit, waardoor een in de tijd variërende stroom ontstaat in de primaire wikkeling van een transformator.Deze veranderende stroom genereert een magnetisch veld binnen de transformatorkern, dat verbinding maakt met de secundaire wikkeling.Het magnetische veld induceert een spanning aan de secundaire zijde, waardoor energieoverdracht over de isolatiebarrière mogelijk is.Omdat er geen geleidend pad tussen de wikkelingen is, wordt tijdens het hele proces een elektrische scheiding gehandhaafd.De uitgangszijde zet het geïnduceerde signaal vervolgens om in een bruikbare gelijkspanning met behulp van eenvoudige gelijkricht- en filtertrappen.Deze methode zorgt voor een gecontroleerde energieoverdracht terwijl de galvanische isolatie tussen input en output behouden blijft.

Figuur 3. Niet-geïsoleerd schakelcircuit
Niet-geïsoleerde omzetters regelen de spanning door middel van schakelactie binnen een continu elektrisch pad.Een halfgeleiderschakelaar gaat snel aan en uit om te regelen hoe energie van de ingang naar de uitgang stroomt.Tijdens het schakelen slaat een inductor tijdelijk energie op in zijn magnetische veld en geeft deze vervolgens vrij aan de belasting.Condensatoren worden gebruikt om de uitvoer af te vlakken en een stabiel spanningsniveau te handhaven.Omdat de invoer en uitvoer een gemeenschappelijke basis delen, vindt de energieoverdracht rechtstreeks via de circuitcomponenten plaats.Het schakelproces past de werkcyclus aan om de uitgangsspanning te regelen op basis van de systeemvereisten.Deze aanpak maakt een efficiënte spanningsomzetting mogelijk zonder de noodzaak van isolatiecomponenten.
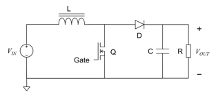
1. Flyback-converter

Figuur 4. Schakelschema van de flyback-converter
Een flyback-converter is een eenvoudige geïsoleerde stroomomvormer die energie opslaat in een transformator en deze aan de uitgang aflevert.Het maakt gebruik van een transformator met primaire en secundaire wikkelingen, waarbij de primaire zijde wordt bestuurd door een schakelapparaat.Wanneer de schakelaar in werking is, wordt energie eerst opgeslagen in de transformator en vervolgens overgedragen naar de secundaire zijde.Het secundaire circuit bevat een diode en een condensator om de uitgangsspanning om te zetten en af te vlakken.Deze structuur maakt zowel spanningsconversie als isolatie mogelijk binnen een compact ontwerp.Het getoonde circuit benadrukt de basisopstelling van transformatorkoppeling, schakelbesturing en uitgangsrectificatie.Flyback-converters worden algemeen erkend vanwege hun eenvoud en geschiktheid voor toepassingen met laag tot middelhoog vermogen.
2. Voorwaartse converter

Figuur 5. Schakelschema voorwaartse converter
Een voorwaartse converter is een geïsoleerde stroomomvormer die tijdens de schakelperiode energie rechtstreeks van ingang naar uitgang overdraagt.Het maakt gebruik van een transformator waar energie naar de secundaire kant stroomt terwijl de schakelaar actief is.De schakeling omvat een gestuurde schakelaar aan de primaire zijde en een gelijkrichter met filtercomponenten aan de secundaire zijde.In tegenstelling tot op energieopslag gebaseerde ontwerpen levert de transformator continu stroom tijdens geleidingsintervallen.Het diagram illustreert een duidelijk pad van energieoverdracht via de transformator naar de eindtrap.Deze structuur ondersteunt een stabiele spanningsomzetting terwijl de elektrische isolatie behouden blijft.Voorwaartse converters worden vaak gebruikt waar verbeterde efficiëntie en gecontroleerde vermogensafgifte vereist zijn.
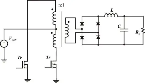
3. Push-pull-omzetter

Figuur 6. Schakelschema van de push-pull-omzetter
Een push-pull-omzetter is een geïsoleerde stroomomvormer die twee schakelapparaten gebruikt om afwisselend een transformator aan te drijven.Het beschikt over een primaire transformatorwikkeling met centrale aftakking, waardoor de stroom tijdens elke schakelcyclus in tegengestelde richtingen kan stromen.Elke schakelaar werkt op zijn beurt en bekrachtigt tegelijkertijd de ene helft van de transformator.Deze afwisselende actie verbetert het gebruik van de transformator en ondersteunt een efficiënte energieoverdracht.De secundaire zijde omvat gelijkrichting en filtering om een stabiele uitgangsspanning te produceren.Het diagram weerspiegelt de symmetrische opstelling van schakelaars en transformatorwikkelingen.Push-pull-converters worden vaak gebruikt in toepassingen met gemiddeld vermogen die een evenwichtige werking vereisen.
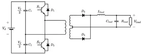
4. Halfbrugconverter

Figuur 7. Schakelschema van de halve brugconverter
Een halfbrugomzetter is een geïsoleerde stroomomzetter die twee schakelaars gebruikt om een transformator aan te sturen vanuit een gesplitste ingangsspanning.Het circuit verdeelt de ingangsvoeding in twee helften met behulp van condensatoren, waardoor een middelpuntreferentie ontstaat.De schakelaars werken afwisselend om spanning aan te leggen over de primaire wikkeling van de transformator.Deze configuratie maakt gecontroleerde energieoverdracht mogelijk terwijl de spanningsbelasting op elke schakelaar wordt verminderd.De transformator levert vervolgens energie aan de secundaire zijde, waar deze wordt gelijkgericht en gefilterd.Het diagram toont de gebalanceerde opstelling van twee schakelaars en de transformatorinterface.Halfbrugconverters worden vaak gebruikt in systemen met een gemiddeld tot hoog vermogen en een efficiënte schakelregeling.
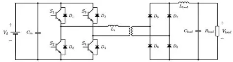
5. Volledige brugconverter

Figuur 8. Schakelschema van de volledige brugconverter
Een full-bridge converter is een geïsoleerde stroomomvormer die vier schakelapparaten gebruikt om een transformator aan te sturen.De schakelaars zijn gerangschikt in een H-brugconfiguratie, waardoor de ingangsspanning volledig kan worden benut.Door de schakelparen af te wisselen, legt het circuit een bidirectionele spanning aan over de primaire transformator.Dit maakt een efficiënte energieoverdracht mogelijk en ondersteunt een krachtige werking.De secundaire zijde omvat rectificatie en filtering om een stabiele DC-uitgang te produceren.Het diagram illustreert de opstelling met vier schakelaars die is aangesloten op de transformator en de eindtrap.Full-bridge-converters worden veel gebruikt in toepassingen met hoog vermogen die een robuuste en efficiënte energieconversie vereisen.
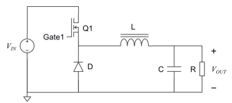
1. Buck-converter (stap omlaag)

Figuur 9. Schakelschema van de Buck-converter
Een buck-converter is een niet-geïsoleerde DC-DC-omzetter die een hogere ingangsspanning reduceert naar een lagere uitgangsspanning.Het maakt gebruik van een schakelapparaat om te bepalen hoeveel energie er van de bron naar de belasting wordt geleverd, terwijl een inductor de stroomstroom helpt verzachten.Een diode zorgt voor een stroompad wanneer de schakelaar is uitgeschakeld, en een condensator zorgt ervoor dat de uitgangsspanning stabiel blijft.Deze basisstructuur maakt de buck-converter een van de meest voorkomende typen step-down-stroomomvormers in elektronische systemen.De circuitopstelling omvat doorgaans een schakelaar, diode, inductor en condensator die zijn aangesloten in een compacte, niet-geïsoleerde lay-out.Vanwege deze eenvoudige topologie worden buck-converters veel gebruikt overal waar efficiënte spanningsreductie nodig is.In de vermogenselektronica wordt de buck-converter gewaardeerd als een praktische oplossing voor een gereguleerde laagspanningsuitgang van een hogere DC-voeding.
2. Boost-converter (step-up)

Figuur 10. Schakelschema boost-converter
Een boostconverter is een niet-geïsoleerde DC-DC-omzetter die een lagere ingangsspanning verhoogt naar een hogere uitgangsspanning.Het werkt door energie op te slaan in een inductor en die energie vervolgens vrij te geven om de uitgangsspanning boven het ingangsniveau te brengen.Het circuit omvat normaal gesproken een inductor, schakelaar, diode en condensator, die een standaard step-up-omzetterstructuur vormen.Terwijl energie door de laad- en ontlaadpaden van de inductor beweegt, wordt de output opgebouwd en gestabiliseerd voor de belasting.Dit maakt de boost-converter een veelgebruikte optie in het ontwerp van voedingen wanneer een hogere gelijkspanning vereist is van een lagere bron.De niet-geïsoleerde configuratie houdt het circuit compact en elektrisch continu van ingang tot uitgang.Voor veel elektronische systemen biedt de boostconverter een eenvoudige manier om een efficiënte spanningsverhoging te bereiken zonder isolatiecomponenten.
3. Buck-Boost-converter (Step-Up/Down)

Figuur 11. Schakelschema van de Buck-Boost-omzetter
Een buck-boost-omzetter is een niet-geïsoleerde DC-DC-omzetter die de uitgangsspanning kan verlagen of verhogen, afhankelijk van de circuitvereisten.Het combineert schakelactie met inductorgebaseerde energieoverdracht om flexibele spanningsregeling vanuit één enkele topologie te bieden.Deze converter is handig wanneer de ingangsspanning tijdens bedrijf boven of onder het vereiste uitgangsniveau kan liggen.De circuitstructuur omvat een schakelaar, diode, inductor en condensator die zijn ingericht om zowel step-down- als step-up-conversie te ondersteunen.In sommige configuraties kan de uitgangspolariteit worden omgekeerd, terwijl in andere configuraties het circuit is ontworpen voor gereguleerde, niet-inverterende uitvoer.De topologie van dit soort circuits benadrukt het vermogen om spanningsniveaus aan te passen zonder een transformator te gebruiken.Vanwege deze flexibiliteit is de buck-boost-converter een belangrijk niet-geïsoleerd convertertype in de moderne vermogenselektronica.
• Zorgt voor elektrische scheiding tussen invoer en uitvoer.
• Verbetert de veiligheid van gebruikers en apparatuur.
• Helpt de ruisoverdracht tussen circuitzijden te verminderen.
• Ondersteunt veiliger hoogspanningsconversie.
• Maakt verschillende grondreferenties aan elke kant mogelijk.
• Biedt sterke ontwerpflexibiliteit in energiesystemen.
• Nuttig voor ontwerpen van voedingen met meerdere uitgangen.
• Helpt gevoelige stroomafwaartse circuits te beschermen.
• Levert een hoge conversie-efficiëntie in veel ontwerpen.
• Gebruikt minder componenten en eenvoudigere lay-outs.
• Reduceert de totale circuitgrootte en het gewicht.
• Verlaagt de productie- en ontwerpkosten.
• Ondersteunt compacte voedingintegratie.
• Reageert goed in gelijkstroomsystemen met lage spanning.
• Vereenvoudigt aarding en ontwerp op bordniveau.
• Past gemakkelijk op elektronische apparaten met beperkte ruimte.
1. Industriële besturingssystemen
Geïsoleerde stroomomvormers worden veel gebruikt in industriële besturingssystemen zoals PLC's, motoraandrijvingen en fabrieksautomatiseringsapparatuur.Deze systemen hanteren vaak verschillende spanningsdomeinen, dus er is een elektrische scheiding nodig tussen de besturings- en vermogenssecties.Niet-geïsoleerde converters worden ook gebruikt in laagspanningssubcircuits waar directe regeling voldoende is.Hun belang in industriële apparatuur ligt in het leveren van stabiele stroom aan monitoring-, logica- en aandrijfcomponenten.
2. Telecommunicatieapparatuur
Telecomsystemen maken gebruik van zowel geïsoleerde als niet-geïsoleerde converters in routers, basisstations, switches en communicatiemodules.Geïsoleerde omvormers worden vaak gebruikt in secties die een veiligheidsscheiding en geluidsbeheersing tussen vermogenstrappen vereisen.Niet-geïsoleerde converters worden vaak in de buurt van processors en communicatiechips geplaatst voor lokale spanningsregeling.Deze converters zijn belangrijk omdat een betrouwbare stroomtoevoer rechtstreeks van invloed is op de signaalverwerking en de uptime van het netwerk.
3. Consumentenelektronica
Apparaten zoals tv's, laptops, spelsystemen en smart home-producten zijn afhankelijk van stroomconverters om de vereiste interne spanningen te leveren.Geïsoleerde converters worden vaak gebruikt in AC-DC-adaptertrappen of voedingen die de gebruikerszijde moeten scheiden van de netzijde.Niet-geïsoleerde converters worden vaak in het apparaat gebruikt voor een efficiënte spanningsconversie aan boord.Hun belang komt voort uit het mogelijk maken van compacte, stabiele en goed gereguleerde stroom voor veel elektronische functies.
4. Auto-elektronica
Moderne voertuigen gebruiken stroomomvormers in infotainmentsystemen, verlichtingsmodules, batterijbeheersystemen, sensoren en besturingseenheden.Geïsoleerde omvormers zijn belangrijk in hoogspanningssecties van elektrische voertuigen waar verschillende elektrische domeinen gescheiden moeten blijven.Niet-geïsoleerde omzetters worden veel gebruikt voor het verhogen of verlagen van de spanning binnen standaard laagspanningscircuits in de automobielsector.Deze converters zijn nodig omdat auto-elektronica betrouwbare stroom nodig heeft onder veranderende bedrijfsomstandigheden.
5. Medische apparatuur
Medische apparaten zoals patiëntmonitors, beeldvormingssystemen, diagnostische hulpmiddelen en draagbare gezondheidszorgproducten zijn afhankelijk van nauwkeurige en stabiele stroomconversie.Geïsoleerde omvormers zijn vooral belangrijk in medische apparatuur, omdat er vaak een elektrische scheiding nodig is tussen de op de patiënt aangesloten zijde en de stroombron.Niet-geïsoleerde omzetters kunnen nog steeds worden gebruikt in interne laagspanningssecties waar directe conversie geschikt is.Hun rol is belangrijk omdat medische systemen consistente stroom moeten behouden voor gevoelige elektronische functies.
6. Hernieuwbare energiesystemen
Zonne-energiesystemen, energieopslageenheden en bijbehorende controllers gebruiken stroomomvormers om de spanningsomzetting tussen bronnen, batterijen en belastingen te beheren.Geïsoleerde converters worden gebruikt waar elektrische scheiding nodig is tussen verschillende systeemfasen of interfaces.Niet-geïsoleerde converters worden vaak gebruikt in DC-regelpaden voor opladen, monitoring of lokale stroomconditionering.Deze omvormers zijn belangrijk omdat duurzame energiesystemen moeten omgaan met veranderende inputomstandigheden en tegelijkertijd het bruikbare uitgangsvermogen moeten behouden.
7. Computer- en gegevensverwerkingsapparatuur
Servers, embedded boards, apparaten voor gegevensopslag en netwerkhardware gebruiken meerdere stroomrails voor processors, geheugen en ondersteuningscircuits.Niet-geïsoleerde converters zijn gebruikelijk in deze systemen omdat ze op efficiënte wijze de spanningen op bordniveau van tussenliggende DC-bussen regelen.Geïsoleerde converters kunnen ook voorkomen in hoofdvoedingssecties of communicatie-interfaces die scheiding vereisen.Hun belang ligt in het ondersteunen van de stabiele werking van digitale systemen met verschillende spanningsvereisten.
8. Luchtvaart- en defensie-elektronica
Vliegtuigelektronica, satellietsubsystemen en defensiehardware maken vaak gebruik van gespecialiseerde stroomconversiefasen om aan strenge systeemvereisten te voldoen.Geïsoleerde omvormers worden vaak geselecteerd wanneer veiligheidsscheiding, geluidsbeheersing of onafhankelijke aarding noodzakelijk zijn.Niet-geïsoleerde omvormers worden ook gebruikt in strak geïntegreerde laagspanningsmodules waar ruimte en gewicht vereist zijn.Deze converters zijn belangrijk omdat missiegerichte elektronica betrouwbaar vermogen vereist in complexe operationele omgevingen.
|
Aspect |
Geïsoleerde kracht
Omvormer |
Niet-geïsoleerd
Stroomomvormer |
|
Isolatie
spanningswaarde |
Typisch 500 V
tot 5 kV isolatiebarrière |
0 V (nr
isolatiebarrière) |
|
Elektrisch pad |
Energie
overgedragen zonder geleidend pad |
Continu
geleidend pad van ingang naar uitgang |
|
Aardpotentiaal
verschil |
Kan groot aan
aardverschillen (>100 V) |
Beperkt tot hetzelfde
aardpotentiaal (≈0 V verschil) |
|
Veiligheid
naleving |
Voldoet
versterkte/basisisolatienormen (IEC/UL) |
Niet geschikt voor
veiligheidsisolatienormen |
|
Transformator
aanwezigheid |
Maakt gebruik van transformator
of geïsoleerd koppelelement |
Geen transformator
gebruikt |
|
Schakelen
frequentiebereik |
Typisch 20 kHz
tot 500 kHz |
Normaal gesproken 100
kHz tot 2 MHz |
|
Efficiëntiebereik |
~70% tot 90%
afhankelijk van de topologie |
~85% tot 98%
afhankelijk van ontwerp |
|
Vermogensdichtheid |
Lager vanwege
magnetische componenten |
Hoger vanwege
compact ontwerp |
|
Aantal componenten |
Hoger (10–30+
componenten typisch) |
Lager (5–15
componenten typisch) |
|
Fysieke grootte |
Groter vanwege
transformator en afstand |
Kleiner,
Integratie op PCB-niveau mogelijk |
|
Gewicht |
Zwaarder door
magnetische kern |
Lichter met
minimale magnetisme |
|
EMI-prestaties |
Betere isolatie
vermindert geleid geluid |
Meer vatbaar voor
uitgevoerde geluidskoppeling |
|
Spanning
conversie verhouding |
Breed en
flexibel (bijv. 400V tot 5V) |
Beperkt
conversiebereik (bijvoorbeeld 12V naar 5V) |
|
Integratie
niveau |
Vaak gebruikt als
afzonderlijke voedingsmodules |
Gemakkelijk
geïntegreerd in IC-gebaseerde regelaars |
1. Controleer of elektrische isolatie vereist is
Bepaal eerst of de in- en uitgang elektrisch gescheiden moeten zijn voor de veiligheid of voor systeembescherming.Dit is vaak het eerste en belangrijkste selectiepunt bij het ontwerpen van stroomomvormers.Als het systeem direct elektrisch contact tussen bron en belasting moet voorkomen, is een geïsoleerde omvormer meestal de betere keuze.Als een dergelijke scheiding niet vereist is, kan een niet-geïsoleerde omzetter voldoende zijn.Met deze stap kunt u de beslissing beperken op basis van de meest elementaire systeemvereisten.
2. Identificeer de relatie tussen ingangs- en uitgangsspanning
Kijk vervolgens naar de beschikbare spanningsniveaus bij de bron en de spanning die nodig is voor de belasting.Sommige systemen hebben slechts een eenvoudige step-down- of step-up-conversie nodig binnen dezelfde elektrische aarde, wat vaak goed past bij niet-geïsoleerde ontwerpen.Andere systemen brengen grotere spanningsverschillen met zich mee of gescheiden vermogensdomeinen die de voorkeur kunnen geven aan geïsoleerde oplossingen.De spanningsrelatie heeft ook invloed op de topologieselectie en de systeemindeling.Een duidelijk spanningsdoel maakt de keuze van de omvormer praktischer en nauwkeuriger.
3. Evalueer de veiligheids- en regelgevingsvereisten
Controleer of het product moet voldoen aan de veiligheidsnormen met betrekking tot gebruikersbescherming, isolatie of scheiding van apparatuur.In veel gereguleerde systemen, vooral als er sprake is van gevaarlijke spanningen, kan isolatie vereist zijn op grond van ontwerpregels of certificeringsbehoeften.Niet-geïsoleerde omvormers zijn over het algemeen geschikter in laagspanningssystemen waar deze eisen niet van toepassing zijn.Deze stap is vooral belangrijk bij producten die bedoeld zijn voor openbare, industriële of gevoelige omgevingen.Naleving van de veiligheidsvoorschriften moet altijd vroeg in het ontwerpproces in overweging worden genomen.
4. Houd rekening met ruimte-, gewicht- en lay-outlimieten
Fysieke afmetingen kunnen de beste converterkeuze sterk beïnvloeden, vooral bij compacte elektronische producten.Niet-geïsoleerde converters hebben vaak de voorkeur als het ontwerp klein, licht en gemakkelijk te integreren op een PCB moet blijven.Geïsoleerde converters hebben mogelijk meer ruimte nodig omdat ze meestal extra magnetische en isolatiegerelateerde componenten bevatten.Het beschikbare bordoppervlak en de behuizingsgrootte moeten daarom worden beoordeeld voordat een definitieve beslissing wordt genomen.Deze stap zorgt ervoor dat de geselecteerde converter realistisch in het productontwerp past.
5. Stel een kostendoel in voor de vermogensfase
Budget is een andere belangrijke factor bij de keuze tussen geïsoleerde en niet-geïsoleerde stroomomvormers.Niet-geïsoleerde ontwerpen kosten meestal minder omdat ze minder onderdelen en eenvoudigere structuren gebruiken.Geïsoleerde converters kunnen de materiaal- en ontwerpkosten verhogen als gevolg van toegevoegde isolatiecomponenten en een complexere implementatie.De juiste keuze hangt af van het feit of de toepassing prioriteit geeft aan lage kosten of extra elektrische scheiding.Deze stap helpt de technische behoeften in evenwicht te brengen met de doelstellingen voor productprijzen.
6. Stem de converter af op de eindtoepassing
De uiteindelijke beslissing moet de werkelijke besturingsomgeving en het doel van het systeem weerspiegelen.Een omvormer die in industriële, medische of hoogspanningsapparatuur wordt gebruikt, heeft mogelijk isolatie nodig vanwege de ontwerpvereisten van de toepassing.Een converter die wordt gebruikt voor DC-regeling aan boord van compacte elektronica kan meer baat hebben bij een niet-geïsoleerde aanpak.Als u naar de volledige toepassingscontext kijkt, voorkomt u dat u op basis van slechts één factor kiest.Deze stap verbindt het type converter met praktisch systeemgebruik.
7. Beoordeel de ontwerpflexibiliteit op lange termijn
Het is ook nuttig om na te denken over toekomstige upgrades, systeemuitbreiding of hergebruik van ontwerpen.Een geïsoleerde converter kan meer flexibiliteit bieden wanneer later afzonderlijke aardingen, meerdere uitgangen of bredere systeemwijzigingen worden verwacht.Een niet-geïsoleerde converter kan de betere keuze zijn als het ontwerp vast is en geoptimaliseerd voor compacte prestaties.Door te plannen voor toekomstige behoeften kan het herontwerpwerk worden verminderd en de schaalbaarheid van het systeem worden verbeterd.Deze laatste stap zorgt ervoor dat de converter ook na de eerste versie van het product geschikt blijft.
Het belangrijkste verschil tussen geïsoleerde en niet-geïsoleerde converters is of de in- en uitgang elektrisch gescheiden zijn.Geïsoleerde converters bieden betere veiligheid en bescherming, terwijl niet-geïsoleerde converters eenvoudiger, kleiner en efficiënter zijn.Elk type heeft verschillende ontwerpen die passen bij specifieke spannings- en systeembehoeften.Het kiezen van de juiste hangt af van de veiligheid, spanningsniveaus, grootte, kosten en hoe het systeem zal worden gebruikt.
Stuur een aanvraag, we zullen onmiddellijk reageren.
Transformatoren dragen energie over via magnetische velden, terwijl de in- en uitgang elektrisch gescheiden blijven.Ze maken ook spanningsschaling mogelijk en ondersteunen meerdere uitgangsniveaus.
Ja, geïsoleerde converters kunnen meerdere uitgangen ondersteunen met behulp van extra transformatorwikkelingen.Dit maakt ze bruikbaar in complexe voedingssystemen.
Nee, niet-geïsoleerde converters werken doorgaans met DC-ingang.AC moet eerst worden geconverteerd naar DC voordat niet-geïsoleerde topologieën worden gebruikt.
Niet-geïsoleerde converters zijn meestal beter omdat ze compact, efficiënt en ideaal zijn voor laagspanningsgelijkstroomsystemen zoals batterijen.
Ja, veel systemen gebruiken beide.Een geïsoleerde fase zorgt voor de veiligheid en de hoofdconversie, terwijl niet-geïsoleerde fasen de spanning lokaal binnen het circuit regelen.
Op 2026/04/8
Op 2026/04/7
Op 8000/04/18 147770
Op 2000/04/18 112006
Op 1600/04/18 111351
Op 0400/04/18 83768
Op 1970/01/1 79565
Op 1970/01/1 66960
Op 1970/01/1 63098
Op 1970/01/1 63040
Op 1970/01/1 54097
Op 1970/01/1 52184