
De AD5535ABC is een 32-kanaals, 14-bit DAC met een ingebouwde hoogspanningsuitgangsversterker, ontworpen voor optische MEMS-toepassingen.Het biedt een programmeerbaar uitgangsspanningsbereik dat wordt bestuurd door de REF_IN -pin - van 0 V tot 50 V wanneer Ref_in 1 V is en tot 200 V wanneer Ref_in 4 V is. Elk kanaal levert 700 μA, waardoor het ideaal is voor het regelen van MEMS -spiegelafbuiging.
Met een snelle 3-draads seriële interface ondersteunt het kloksnelheden tot 30 MHz, waardoor soepele communicatie met DSP's en microcontrollers wordt gewaarborgd.Het werkt met AVCC (4,75 V tot 5,25 V), DVCC (2,7 V tot 5,25 V), V− (−4.75 V tot −5.25 V), V+ (4,75 V tot 5,25 V) en VPP (210 V).
De AD5535ABC is perfect voor hoog-nauwkeurige besturingssystemen.Bulkorders beschikbaar - Neem contact op met concurrerende prijzen!

| Pin -nummer | Balnaam | Beschrijving |
| A1 | NC | Geen verbinding |
| A2 | Vout1 | |
| A4 | Vout7 | |
| A6 | Vout11 | |
| A8 | Vout16 | |
| A10 | Vout20 | |
| A12 | Vout25 | |
| A14 | NC | Geen verbinding |
| B1 | Vout0 | |
| B3 | Vout4 | |
| B5 | Vout9 | |
| B7 | Vout13 | |
| B9 | Vout17 | |
| B11 | Vout21 | |
| B13 | Vout26 | |
| C2 | Vout3 | |
| C12 | Vout22 | |
| C14 | Vout29 | |
| D1 | Vout2 | |
| D13 | Vout23 | |
| E2 | Vout5 | |
| E4 | Vout8 | |
| E6 | Vout12 | |
| E8 | Vout15 | |
| E10 | Vout19 | |
| E12 | Vout24 | |
| E14 | Vout31 | |
| F3 | Vout6 | |
| F5 | Vout10 | |
| F7 | Vout14 | |
| F9 | Vout18 | |
| F13 | Vout30 | |
| G14 | Vout28 | |
| H1 | VPP | |
| H2 | VPP | |
| H4-H11 | Agnd | Analoge grond |
| H13 | Vout27 | |
| J3-J12 | Agnd | Analoge grond |
| K1 | V+ | |
| K2 | V+ | |
| K3-K14 | Agnd | Analoge grond |
| L1 | V– | |
| L2 | V– | |
| L3-L13 | Agnd | Analoge grond |
| L14 | Dac_gnd | |
| M1-M12 | Agnd | Analoge grond |
| M13 | AVCC | |
| M14 | AVCC | |
| N1 | PGND | |
| N2 | PGND | |
| N3 | KATHODE | |
| N4 | Anode | |
| N5-N14 | Agnd | Analoge grond |
| P1 | NC | Geen verbinding |
| P2 | Ref_in | |
| P3 | Dac_gnd | |
| P4 | Resetten | |
| P5 | DVCC | |
| P6 | DGND | Digitale grond |
| P7 | TEST | |
| P8 | Landen | |
| P9 | SCLK | |
| P10 | SYNCHRONISEREN | |
| P11-P13 | Agnd | Analoge grond |
| P14 | NC | Geen verbinding |
De AD5535ABC is ontworpen voor toepassingen die meerdere hoogspanningsuitgangen vereisen, met 32 onafhankelijke 14-bit DAC-kanalen.Dit zorgt voor precieze spanningsregeling over verschillende uitgangen, waardoor het ideaal is voor optische MEMS en precisiegedreven systemen.
Elk DAC-kanaal wordt geleverd met een geïntegreerde hoogspanningsuitgangsversterker, waardoor de noodzaak van externe versterking wordt geëlimineerd.De uitgangsspanning kan worden geprogrammeerd van 50 V tot 200 V, afhankelijk van de referentie -ingang (REF_IN), die flexibiliteit biedt voor verschillende toepassingen.
De AD5535ABC is gegarandeerd monotoon, wat betekent dat de output ervan altijd zal toenemen of soepel afnemen zonder onverwachte sprongen.Dit zorgt voor stabiele en voorspelbare prestaties, wat cruciaal is voor precisietoepassingen zoals MEMS -spiegelregeling en elektrostatische bediening.
Met een 15 mm × 15 mm CSP_BGA (chipschaalpakket, balletarray) ontwerp biedt de AD5535ABC een compacte vormfactor, waardoor het gemakkelijk is om te integreren in ruimteborden van de ruimte.Ondanks zijn kleine formaat biedt het een hoge kanaaldichtheid, waardoor meerdere hoogspanningsuitgangen in een enkel pakket mogelijk zijn.
Elk DAC-kanaal heeft een aandrijfmogelijkheden tot 700 μA, waardoor het ideaal is voor toepassingen die laagstroom, hoogspanningsuitgangen vereisen.Dit maakt het vooral nuttig voor het besturen van MEMS-spiegels, elektro-optische apparaten en andere precisiesystemen waar gecontroleerde bediening vereist is.
Om consistente prestaties te garanderen, bevat de AD5535ABC een geïntegreerde siliciumdiode voor temperatuurbewaking.Dit zorgt voor realtime thermisch beheer, zodat het apparaat binnen veilige temperatuurlimieten werkt, waardoor de betrouwbaarheid op lange termijn wordt verbeterd.
De AD5535ABC ondersteunt een hogesnelheid seriële interface met kloksnelheden tot 30 MHz, waardoor het volledig compatibel is met DSP's en microcontrollers.Dit maakt snelle en efficiënte gegevenscommunicatie mogelijk, het verminderen van latentie en het verbeteren van de algehele systeemprestaties.
Met een 1,2 MHz kanaalupdatesnelheid zorgt de AD5535ABC ervoor dat elk DAC -kanaal snel kan worden bijgewerkt, waardoor snelle responstijden worden geboden.Deze functie is vooral handig in toepassingen die snelle spanningsaanpassingen vereisen, zoals optische bundelbesturing en adaptieve optica.
De AD5535ABC heeft een asynchrone reset -functie, waardoor u alle DAC -kanalen kunt resetten naar een bekende status.Dit zorgt ervoor dat het systeem snel kan herstellen van onverwachte omstandigheden, het voorkomen van fouten en het handhaven van stabiele werking.
Ontworpen om betrouwbaar te presteren in verschillende omgevingscondities, werkt de AD5535ABC binnen een temperatuurbereik van –10 ° C tot +85 ° C.Dit maakt het geschikt voor veeleisende toepassingen, waardoor consistente prestaties in industriële en precisie -elektronica worden gewaarborgd.
Technische specificaties van analoge apparaten, Inc., AD5535ABC.
| Productkenmerk | Attribuutwaarde |
| Fabrikant | Analog Devices, Inc. |
| Leverancierapparaatpakket | 124-CSPBGA (15x15) |
| Pakket / kast | 124-lbga, cspbga |
| Pakket | Dienblad |
| Montagetype | Oppervlaktemontage |
| Base Productnummer | AD5535 |
| Vochtgevoeligheidsniveau (MSL) | 3 (168 uur) |
| Eccn | EAR99 |
| HTSUS | 8542.39.0001 |

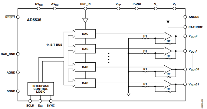
Het functionele blokdiagram van AD5535ABC laat zien hoe digitale signalen worden omgezet in analoge uitgangen.Voedingsverbindingen (DVCC, AVCC, Ref_in, VPP, PGND, V–, V+) leveren de chip, terwijl besturingsingangen (Reset, DAC_GND, AGND, DGND, SCLK, DIN, SYNC) Communicatie beheren.Een 14-bit bus voedt meerdere DAC's, die digitale gegevens omzetten in analoge spanningen.Elke DAC -uitgang loopt door een versterkercircuit met weerstanden (R1 en RF) om stabiele signalen te garanderen voordat u VOUT0 tot VOUT31 bereikt.Een interne diode (anode, kathode) is opgenomen voor temperatuurmeting en de interface -logica maakt integratie eenvoudig.

De AD5535ABC wordt gebruikt in een op MEMS gebaseerde optische schakelaar om kleine spiegels te regelen die het licht sturen.Een REF198-spanningsreferentie biedt een stabiele 4.096V-ingang, terwijl de AD5535ABC hoogspanning analoge uitgangen (0V tot 200V) genereert met behulp van de 14-bit DAC's.Deze output stimuleert MEMS -actuatoren, die hun positie aanpassen.Het systeem omvat een sensor die de spiegels bewaakt, met behulp van een 4-op-1 multiplexer (ADG739) of een multiplexer van 32 tot 1 (ADG732) om signalen te selecteren.De verwerkte signalen worden vervolgens verzonden naar een 8-kanaals ADC (AD7856) of een single-channel ADC (AD7671) voor conversie in digitale gegevens.Een DSP (ADSP-21065L) beheert de volledige bewerking, waardoor de nauwkeurige regeling van de optische schakelaar wordt gewaarborgd.
De AD5535ABC wordt veel gebruikt in optische MEMS -apparaten, waar precieze spanningsregeling nodig is voor spiegelpositionering en bundelbesturing.Met zijn hoogspanningsuitvoerbereik en snelle updatesnelheid maakt het een soepele en nauwkeurige aanpassingen mogelijk, waardoor het een geweldige keuze is voor toepassingen die dynamische optische uitlijning vereisen.
In vezeloptische communicatienetwerken spelen optische crosspoint-schakelaars een sleutelrol bij routeringssignalen.De AD5535ABC biedt meerdere hoogspanningsuitgangen, waardoor nauwkeurige elektrostatische bediening van MEMS-spiegels binnen deze schakelaars mogelijk wordt.De snelle responstijd zorgt ervoor dat signalen worden omgeschakeld zonder vertraging of verlies van kwaliteit, waardoor de algehele systeemprestaties worden verbeterd.
Piëzo-elektrische actuatoren vereisen een precieze spanningsregeling om een hoge nauwkeurige positionering te bereiken in toepassingen zoals microscopie, halfgeleiderproductie en precisierobotica.De AD5535ABC levert de stabiele, verstelbare spanning die nodig is voor fijne bewegingsregeling, zodat de positieaanpassingen glad en herhaalbaar blijven.
Automotive-testsystemen vertrouwen op zeer nauwkeurige spanningsregeling om verschillende sensorniveaus in te stellen en te kalibreren.De AD5535ABC helpt door programmeerbare hoogspanningsuitgangen te bieden, zodat u de sensoromstandigheden nauwkeurig kunt simuleren tijdens diagnostische en kalibratieprocessen.De multi-channelcapaciteit maakt het goed geschikt voor het tegelijkertijd controleren van meerdere testpunten, waardoor de efficiëntie in automotive-testopstellingen wordt verbeterd.

De afmetingen van AD5535ABC -omtrek tonen de fysieke grootte en de indeling van het BGA -pakket van de BGA (Ball Grid -array) van de chip.Het bovenaanzicht geeft aan dat de chip 15 mm x 15 mm vierkant is.Het onderste aanzicht onthult de ballay -out, waarbij elke pin is gerangschikt in een roosterpatroon gelabeld met rijen A tot P en kolommen 1 tot 14. Een kleine markering in de A1 -hoek helpt bij de oriëntatie tijdens plaatsing.Het zijaanzicht (detail A) geeft metingen voor de balhoogte, coplanariteit en zitvlak, waaruit blijkt dat de kogelgrootte een diameter van 0,46 mm is, gereduceerd van de gebruikelijke 0,60 mm.Het pakket volgt Jedec Standards MO-192-AAE-1, met enkele uitzonderingen gemarkeerd door een asterisk.Deze details helpen bij het waarborgen van de juiste afhandeling en uitlijning bij het monteren van de chip op een printplaat.
| Onderdeelnummer | Fabrikant | Belangrijke functies | Use case/notes |
| AD5532HSABCZ | Analog Devices Inc. | Een 74-CSPBGA (12x12) verpakt apparaat ontworpen voor zeer nauwkeurige digitale naar-analoog conversie.Het beschikt over een oppervlakte-mount-ontwerp voor compacte toepassingen. | Geschikt voor precisie-besturingssystemen, industriële automatisering en krachtige analoge signaalverwerking. |
| AD5532ABCZ-5 | Analog Devices Inc. | DAC met hoge nauwkeurigheid in een 74-cspbga (12x12) pakket, dat betrouwbare signaalconversie en stabiliteit biedt.Wordt geleverd in een ladepakket voor eenvoudig hanteren. | Ideaal voor instrumentatie, geautomatiseerde testapparatuur en signaalverwerkingstoepassingen. |
| AD5532BBCZ-1 | Analog Devices Inc. | Compact 74-CSPBGA (12x12) oppervlaktemontage DAC met consistente prestaties en efficiënte signaalverwerkingsmogelijkheden. | Vaak gebruikt in communicatiesystemen, industriële controle -eenheden en precisiemetingapparaten. |
Analog Devices, Inc. is een toonaangevend bedrijf in signaalverwerking en krachtige elektronica.Met tientallen jaren ervaring richt het bedrijf zich op het ontwikkelen van geavanceerde halfgeleideroplossingen die industrieën zoals communicatie, gezondheidszorg, automotive en industriële automatisering.Analoge apparaten bekend om precisie en betrouwbaarheid, biedt geavanceerde componenten die u helpen bij het bouwen van efficiënte en krachtige systemen.Of u nu aan MEMS, gegevensconversie of energiebeheer werkt, hun producten zijn ontworpen om consistente en nauwkeurige resultaten te leveren in veeleisende toepassingen.
De AD5535ABC is een krachtige 32-kanaals DAC met hoogspanningsuitgang, waardoor het een geweldige keuze is voor toepassingen zoals MEMS-spiegelregeling en precisiepositionering.Het biedt flexibele spanningsbereiken, een snelle seriële interface en ingebouwde versterkers, waardoor soepele en nauwkeurige prestaties worden gewaarborgd.Met zijn compacte ontwerp en betrouwbare werking past het goed in geavanceerde elektronische systemen die nauwkeurige spanningsregeling vereisen.Als u op zoek bent naar een krachtige DAC voor uw project, is de AD5535ABC een solide optie.
Stuur een aanvraag, we zullen onmiddellijk reageren.
De AD5535ABC is een 32-kanaals DAC ontworpen voor toepassingen die nodig hebben Nauwkeurige hoogspanningsregeling, zoals MEMS-spiegelpositionering, optisch Schakelaars en elektrostatische bediening.
Het uitgangsspanningsbereik is afhankelijk van de REF_IN -spanning.Wanneer ref_in is 1V, de uitgang kan naar 50V gaan en wanneer ref_in 4V is, de uitvoer kan 200V bereiken.
Het maakt gebruik van een snelle 3-draads seriële interface (SCLK, DIN en SYNC) en Ondersteunt kloksnelheden tot 30 MHz, waardoor eenvoudige communicatie mogelijk is Microcontrollers en DSP's.
Het werkt met AVCC (4.75V tot 5.25V), DVCC (2.7V tot 5.25V), V+ (4.75V tot 5.25V), V− (−4.75V tot −5.25V) en VPP (tot 210V) aan de stroom de hoogspanningsuitgang.
Ja, het bevat een interne diode (anode en kathode) voor temperatuurmeting, waardoor de stabiele werking wordt gehandhaafd.
Op 2025/03/7
Op 2025/03/6
Op 8000/04/18 147778
Op 2000/04/18 112033
Op 1600/04/18 111352
Op 0400/04/18 83792
Op 1970/01/1 79598
Op 1970/01/1 66976
Op 1970/01/1 63111
Op 1970/01/1 63044
Op 1970/01/1 54097
Op 1970/01/1 52197