
Het HT12E RF -encoder IC is een geweldig onderdeel in het rijk van RF- en IR -draadloze communicatiesystemen.De primaire functie ervan is om signalen te coderen in een 12-bits structuur, waardoor veilige en betrouwbare gegevensoverdracht mogelijk is.Dit coderingsproces zorgt ervoor dat verzonden gegevens zijn georganiseerd in een indeling die zowel herkenbaar als verwerkt is door de ontvangende eenheden.De HT12E werkt naadloos met zijn tegenhanger, het HT12D -decoder IC, waardoor een effectief communicatieverbinding ontstaat tussen het verzenden en ontvangen van apparaten.Een van de belangrijkste voordelen van de HT12E is de mogelijkheid om parallelle gegevensinvoer om te zetten in seriële uitgangen, een functie die gegevensintegriteit en beveiliging verbetert.Dit maakt het waardevol in toepassingen zoals afstandsbedieningen en alarmsystemen, waarbij consistente en betrouwbare signaaltransmissie vereist is voor de juiste functionaliteit.

|
Pin -nummer |
Speldnaam |
Beschrijving |
|
1 tot 8 |
A0, A1, A2, A3, A4, A5, A6, A7 |
Dit zijn de 8-bit adresbits die worden gebruikt om gegevens te beschermen.
Deze bits moeten worden ingesteld in hetzelfde patroon op de encoder en decoder ics
Combineer ze. |
|
9 |
Grond/VSS |
Verbonden met de grond van het circuit. |
|
10 tot 13 |
AD0, AD1, AD2, AD3 |
Deze vier pennen worden gebruikt om gegevens te verzenden.De gegevens die worden gecodeerd
Hier zal worden gedecodeerd op de HT12D IC die dezelfde adresbits deelt. |
|
14 |
Transmission Enable (TE) |
Deze pin moet worden aangesloten op de grond (0V) om de
overdragen. |
|
15 en 16 |
Oscillatorpennen 1 & 2 |
De IC heeft een ingebouwde oscillator.Verbind deze twee pinnen
door een weerstand van 1 meter om het te gebruiken. |
|
17 |
Uitgang |
De gecodeerde 12-bit uitvoergegevens kunnen hieruit worden verkregen
pin. |
|
18 |
VCC/VDD |
Deze pin voedt het IC, meestal +5V wordt gebruikt.Kan bereik
Van 2.4V tot 12V. |
|
Functie |
Beschrijving |
|
12-bit encoder IC |
Ontworpen om te worden gebruikt met HT12D voor het coderen van gegevens. |
|
Gecodeerde gegevens |
Bestaat uit 4 databits en 8 adresbits, die een totaal vormen
van 12 bits (8+4 = 12 bits). |
|
Draadloze transmissie |
Vaak gebruikt voor RF- en IR -draadloze transmissie
Toepassingen. |
|
Voedingsspanningsbereik |
Werkt met een breed voedingsspanningsbereik van 2,4V tot
12V, meestal wordt 5V gebruikt. |
|
Lage standby -stroom |
Verbruikt een standby -stroom van slechts 0,1 µA bij VCC = 5V,
zorgen voor energie -efficiëntie. |
|
Pakketopties |
Beschikbaar in 16-pins dip en 20-pins SOP-pakketten voor
Flexibele integratie in circuits. |
• PT2262
• 74C922
Het HT12E IC wordt veel gebruikt in veilige en betrouwbare data -transmissiesystemen, met name in RF- en IR -draadloze communicatie- en externe -besturingstoepassingen.Het combineert met de HT12D-decoder om een veilig framework te maken, met behulp van een op adres gebaseerde configuratie om ongeautoriseerde toegang te voorkomen.Gemeenschappelijk gebruik omvat garagedeuren, thuisautomatisering en verlichtingssystemen, waarbij de eenvoudige coderingsmethode voor gebruiksgemak en betrouwbaarheid zorgt.Ondanks het ondersteunen van slechts 4-bit data-transmissie, is het ideaal voor regelsystemen op korte afstand die prioriteit geven aan beveiliging en prestaties.Velen passen vaak de adresinstellingen aan om aan specifieke projectbehoeften te voldoen, waardoor de HT12E een veelzijdige keuze is voor toepassingen die gematigde complexiteit en robuuste gegevensintegriteit vereisen.
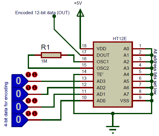
Het HT12E -encoder IC is een belangrijk onderdeel voor gegevensoverdracht in externe besturingssystemen.Om het te bedienen, verbindt u de IC op een stabiele 5V -voedingsbron en aardt u de transmissie -schakelpen in staat om de data -transmissiemodus te activeren.De interne oscillator vereist een weerstand van 1 meter die is aangesloten op de OSC1- en OSC2 -pennen om precieze timing en stabiele prestaties te garanderen.Gebruik voor gegevensinvoer de 4-bit configuratie op PIN's AD0-AD3 en lijn de adrespennen (A0-A7) uit om overeen te komen met het adres van de decoder om communicatiefouten te voorkomen.De gecodeerde gegevens worden vervolgens uitgevoerd via de gegevenspen en kunnen worden verzonden naar een HT12D -decoder via een bekabelde verbinding of draadloze technologieën zoals RF of IR.Hoewel bedrade verbindingen betrouwbaar zijn voor korte afstanden, bieden draadloze methoden een grotere flexibiliteit en aanpassingsvermogen, waardoor ze ideaal zijn voor verschillende toepassingen.

Verbindingsdiagram voor de HT12E IC
De HT12E -encoder wordt veel gebruikt in afstandsbedieningssystemen zoals garagedeuropeners om de efficiëntie te verbeteren.Het converteert parallelle gegevens in een indeling die geschikt is voor RF -module -transmissie, waardoor precieze en betrouwbare communicatie tussen de afstandsbediening en de ontvanger wordt gewaarborgd.In vergelijking met analoge systemen biedt de HT12E snellere en meer betrouwbare prestaties.
In Home Automation speelt de HT12E een rol bij het converteren van seriële gegevens voor efficiënte systeemintegratie.Het maakt gecentraliseerde controle over verschillende activiteiten mogelijk, zoals het inschakelen van lichten aan of uit en het op afstand beheren van apparaten.Deze encoder verbetert niet alleen het gemak, maar bevordert ook energie -efficiëntie door nauwkeurige controle van thuissystemen mogelijk te maken, met betrekking tot uw behoeften aan comfort en duurzaamheid.
De HT12E verbetert beveiligingssystemen, zoals inbreker en brandalarmen, door te zorgen voor een veilige en nauwkeurige gegevensoverdracht.De betrouwbare codering zorgt ervoor dat noodsignalen, zoals inbraakwaarschuwingen of brandwaarschuwingen, snel en correct worden overgedragen aan bewakingsstations of hulpverleners.Dit verbetert de algehele veiligheid en responsiviteit van dergelijke systemen in kritieke situaties.
Veldevaluaties onthullen dat de HT12E consequent betrouwbare prestaties levert, zelfs in uitdagende omgevingen met elektromagnetische interferentie.De veerkracht en veelzijdigheid in verschillende toepassingen maken het een opvallende oplossing in draadloze communicatie, inspirerend om innovatief gebruik te verkennen en het potentieel ervan te maximaliseren.

Stuur een aanvraag, we zullen onmiddellijk reageren.
Op 2024/12/20
Op 2024/12/20
Op 8000/04/18 147757
Op 2000/04/18 111936
Op 1600/04/18 111349
Op 0400/04/18 83721
Op 1970/01/1 79508
Op 1970/01/1 66909
Op 1970/01/1 63045
Op 1970/01/1 63012
Op 1970/01/1 54081
Op 1970/01/1 52125