
De AT24C256 EEPROM is een multifunctionele en betrouwbare 8-pins geheugencomponent met een indrukwekkende opslagcapaciteit van 32 kbytes.Het bewaart effectief gegevens, waarbij informatie wordt bewaard, zelfs wanneer de stroom verloren gaat, vergelijkbaar met de functie van een USB -schijf.Dit kenmerk zorgt voor veilige gegevensopslag en biedt een constant referentiepunt, ongeacht stroomonderbrekingen.Het vermogen om gegevens bij te werken en ophalen te ondersteunen, maakt het geschikt voor verschillende toepassingen, vooral in omgevingen die frequente gegevensaanpassingen eisen.
Binnen een spanningsbeugel van 1,7 V tot 5,5 V werkzaam, harmoniseert de AT24C256 met zowel 3,3 V- als 5V -systemen, waardoor het gebruik ervan over diverse technologische landschappen verrijkt.Dit aanpassingsvermogen vergemakkelijkt zijn soepele opname in diverse elektronische omgevingen, van huishoudelijke gadgets tot industriële regulatiesystemen, waar een dergelijke flexibiliteit de effectiviteit van het apparaat kan stimuleren.U kunt bijvoorbeeld vaak waarde vinden in deze eigenschap, omdat het helpt bij het maken van gestroomlijnde producten zonder de noodzaak van meerdere variaties van componenten.
De AT24C256 EEPROM maakt het mogelijk om maximaal 8 vergelijkbare EEPROM's in serie te verbinden, waardoor uitgebreide opslag wordt aangebracht om grotere datasets aan te pakken of uw vraag te verhogen.Deze uitbreidbaarheid is uitzonderlijk voordelig op gebieden zoals gegevenslogging binnen wetenschappelijk onderzoek of uitgebreide parameteropslag bij telecommunicatie.In praktische situaties kunt u profiteren van deze mogelijkheid om een hoge gegevenscapaciteit te bereiken zonder systeemprestaties of fysieke voetafdruk op te offeren.

|
PIN NR |
Speldnaam |
Beschrijving |
|
1 |
A0 |
Gebruiker configureerbare chip selecteren |
|
2 |
A1 |
Gebruiker configureerbare chip selecteren |
|
3 |
NC |
Geen verbinding |
|
4 |
GND |
Grondpen |
|
5 |
SDA |
Seriële gegevenspen |
|
6 |
SCL |
Seriële klokpen |
|
7 |
WP |
Schrijf Beveiliging PIN |
|
8 |
VCC |
Voedingsspeld |


Microchip -technologie AT24C256B-PU specificaties en attributen.
|
Type |
Parameter |
|
Inzetten |
Door gat |
|
Montagetype |
Door gat |
|
Pakket / kast |
8-dip (0.300, 7,62 mm) |
|
Aantal pinnen |
8 |
|
Leverancierapparaatpakket |
8-PDIP |
|
Geheugentypen |
Niet-vluchtig |
|
Bedrijfstemperatuur |
-40 ° C ~ 85 ° C TA |
|
Verpakking |
Buis |
|
Gepubliceerd |
1997 |
|
Onderdeelstatus |
Verouderd |
|
Vochtgevoeligheidsniveau (MSL) |
1 (onbeperkt) |
|
Max bedrijfstemperatuur |
85 ° C |
|
Min bedrijfstemperatuur |
-40 ° C |
|
Spanning - levering |
1.8V ~ 5.5V |
|
Frequentie |
1MHz |
|
Basisonderdeelnummer |
AT24C256 |
|
Interface |
2-draads, I2C, serie |
|
Max voedingsspanning |
5.5V |
|
Min voedingsspanning |
1.8V |
|
Geheugengrootte |
256KB (32k x 8) |
|
Nominale voedingsstroom |
3MA |
|
Klokfrequentie |
1MHz |
|
Toegangstijd |
550ns |
|
Geheugenformaat |
Eeprom |
|
Geheugeninterface |
I2C |
|
Schrijfcyclustijd - woord, pagina |
5 ms |
|
Dikte |
256 kb |
|
Maximale frequentie |
400 kHz |
|
Bereik SVHC |
Geen SVHC |
|
Stralingsharding |
Nee |
|
ROHS -status |
ROHS3 -compatibel |
|
Functie |
Beschrijving |
|
Spanningsbewerking |
Bediening met laagspanning en standaardspanning: 1.8V (VCC = 1.8V tot 5.5V) |
|
Organisatie |
Intern georganiseerd als 32.768 x 8 |
|
Interface |
Twee-draads seriële interface |
|
Ruisonderdrukking |
Schmitt trigger met gefilterde ingangen voor ruis onderdrukking |
|
Gegevensoverdrachtsprotocol |
Bidirectioneel protocol voor gegevensoverdracht |
|
Speed -compatibiliteit |
1 MHz (5.0V, 2.7V, 2.5V), 400 kHz (1.8V) |
|
Schrijf bescherming |
Schrijfbeveiligingspen voor hardware- en softwaregegevens bescherming |
|
Pagina schrijfmodus |
64-byte pagina Write Mode (gedeeltelijke pagina schrijft toegestaan) |
|
Schrijfcyclus timing |
Zelf-aangetaste schrijfcyclus (5 ms max) |
|
Betrouwbaarheid |
Uithoudingsvermogen: een miljoen schrijfcycli |
|
Gegevensbehoud: 40 jaar |
|
|
Milieu -naleving |
Loodvrije/halogeenvrije apparaten beschikbaar |
|
Pakketopties |
8-lead Jedec PDIP, Jedec Soic, Eiaj Soic, Ultra-Thin Klein array -pakket (SAP), TSSOP en DBGA2 |
|
Die verkoop |
Wafer -vorm, wafelpakket en stootwafels |
De AT24C256 EEPROM ziet vaak gebruik in systemen voor gegevenslogging, waardoor robuuste opslag wordt geboden wanneer gegevensbetrouwbaarheid niet kan worden aangetast.Met zijn niet-vluchtige kenmerk blijven gegevens intact temidden van stroomverstoringen, wat van onschatbare waarde blijkt bij het documenteren van tijdgevoelige omgevingscondities zoals temperatuur en vochtigheid.U kunt zorgvuldig setups construeren om regelmatig sensorinformatie vast te leggen en te beveiligen, waardoor het aanpassingsvermogen en de veerkracht van EEPROM in praktische toepassingen worden getoond.
Binnen audio -apparaten - inclusief digitale audiospelers en hoortoestellen - speelt de AT24C256 EEPROM een belangrijke rol bij het behouden van configuratiespecificaties en voorkeuren.Het vermogen om gegevens zonder elektriciteit te ondersteunen, zorgt ervoor dat deze gadgets persoonlijke instellingen behouden en naadloze interactie bieden, zelfs na stroomcycli.De firmware is vakkundig verfijnd, waardoor zowel de effectiviteit van lees- als schrijfbewerkingen wordt verbeterd als de prestaties van langdurige apparaten ondersteunen.
Bij gebruik als een secundaire opslagbron is de AT24C256 EEPROM een praktische, compacte optie voor apparaten die gematigde geheugenuitbreiding nodig hebben.Deze applicatie helpt microcontroller-aangedreven systemen niet-kritische gegevens te beheren, waardoor het primaire geheugen voorbehoud voor intensievere processen.U kunt deze systemen ontwerpen met een scherpe focus op geheugentoegangspatronen, waardoor efficiënt opslagbeheer wordt gebruikt om de levensverwachting van geheugenbronnen uit te breiden.
Met geavanceerde gegevensanalyses, meestal in draagbare of edge -apparaten, dient de AT24C256 EEPROM als hulpopslag voor overgangsgegevens en parameters.De eenvoudige interface vereenvoudigt de opname in analytische kaders, waardoor SWIFT -algoritme -implementatie mogelijk is, gebruikt voor toegang tot opgeslagen coëfficiënten of historische records.U kunt de transformerende impact ervan waarnemen bij het stimuleren van de rekenefficiëntie, waardoor u af en toe opmerkelijke vorderingen ontgrendelt.
In scenario's waarin systeemarchitectuur een uitgebreid geheugen vereist om de functionaliteit te stimuleren, presenteert de AT24C256 EEPROM een betaalbare weg.Het is meestal voordelig voor ingebedde systemen met strakke bordruimtes of beperkte budgetten voor duurdere alternatieven.U kunt deze EEPROM vaak gebruiken om het vermogen te verbeteren zonder grote herontwerp, hetgeen het praktische nut in het navigeren van de ontwerpcomplexiteiten en het bevorderen van technologische behendigheid weerspiegelen.Deze strategieën accentueren de prominente bijdrage van de EEPROM aan de evolutie van moderne elektronica.
• 24LC512
• 24C04
• 24LC1026
• 25LC040
• 24C32
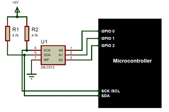
I2C -communicatie configureren
Het gebruik van de AT24C256 EEPROM is ten volle in het initialiseren van een betrouwbaar I2C -communicatiekanaal.Verbindingsdiagrammen fungeren als basisgidsen en richten de precieze bedrading van de SCK- en SDA -pennen naar uw microcontroller.Het integreren van geschikte pull-upweerstanden verbetert de betrouwbaarheid en veerkracht van deze lijnen, waardoor gegevensproblemen als gevolg van interferentie worden vermeden.Het proces van het tweaken van weerstandswaarden om te passen bij circuitbehoeften kan de integriteit van de signaal aanzienlijk versterken, waardoor een veilige gegevensstroom wordt bevorderd.
Het aanpakken van meerdere EEPROMS
De taak om de betekenis van de winst aan te pakken bij het coördineren van talloze EEPROM -eenheden.Door de adrespennen A0, A1 en A2 te configureren, ontvangt elke eenheid een unieke identiteit, waardoor de microcontroller soepel kan navigeren en communicatiebotsingen kan vermijden.Strategisch plannen van de adresinstelling tijdens de hardware -ontwerpfase kan toekomstige uitbreidingen verlichten, de uitdagingen voor het schaalbaarheid van projectschaal verminderen en systeemupgrades vergemakkelijken.
Het handhaven van beveiliging en gegevensintegriteit
De Write Protect -functie in de AT24C256 waarborgen gevoelige informatie tegen ongeautoriseerde wijzigingen.Het activeren van deze controle beveiligt ernstige gegevens, voornamelijk in scenario's waarbij gegevensintegriteit een aanzienlijke overweging is.Het initiëren van deze beveiligingsfuncties vroeg tijdens ontwerpfasen kan potentiële risico's verlichten en de robuustheid van het systeem versterken.Bovendien blijkt uit toepassingen dat het combineren van hardwarebescherming met softwarebeveiligingsprotocollen een robuuste verdediging formuleert, wat zorgt voor een uitgebreide gegevensveiligheid.
Gegevensoverdracht efficiënt uitvoeren
Precisie bij het programmeren van het registeradres is de sleutel voor soepele gegevensoverdrachtsbewerkingen, waardoor betrouwbaar lezen en schrijven mogelijk wordt, terwijl fouten worden geminimaliseerd.Inzicht in het adresseringskader van het apparaat in combinatie met hands-on programmeerpraktijk is actief in het maximaliseren van de mogelijkheden van de EEPROM.Bovendien kan het uitwisselen van inzichten of tactieken bij het configureren van deze registers leiden tot een verbeterd, samenhangend ontwerp in teamgerichte projecten.

Sluit de SCK- en SDA-lijnen van de AT24C256 EEPROM aan op de juiste microcontroller-pinnen, waardoor geschikte pull-upweerstanden worden opgenomen.Deze weerstanden hebben een belangrijke rol bij het handhaven van de I2C -buslijnen in een stabiele en standaard high -state, waardoor ruisinterferentie wordt verminderd en de signaalintegriteit wordt verbeterd.In omgevingen die vatbaar zijn voor elektromagnetische interferentie, wordt het handhaven van stabiele communicatie op deze lijnen nuttig voor betrouwbare gegevensoverdracht.
Adrespennen A0, A1 en A2 beïnvloeden de selectie van individuele EEPROM -chips aanzienlijk.In systemen die meerdere EEPROM's vereisen, maken deze pinnen de unieke selectie van elke chip mogelijk door verschillende adresconfiguraties in te stellen.Dit vergemakkelijkt de naadloze integratie van meerdere apparaten.Het vermijden van gegevensfouten in dichte circuitontwerpen vereist unieke adresopdrachten om onbedoelde toegang tot onjuiste chips te voorkomen, een zorg die vaak wordt waargenomen in complexe systeemontwerpen.

De Write Protect Pin fungeert als een voorzorgsmaatregel voor de EEPROM.Het inschakelen van deze pin kan de gegevens veilig vergrendelen, het blokkeren van onbedoelde schrijft en beveiliging van opgeslagen informatie.Deze functie is vooral gunstig in systemen waar het behoud van gegevensintegriteit ernstig is, omdat onbedoelde veranderingen kunnen leiden tot aanzienlijke systeemfouten of gegevensverlies.Interactie met de AT24C256 EEPROM omvat het gebruik van registersadressen om het gebruik van lees- of schrijftaken één byte tegelijk te beheren.Door toegang te krijgen tot registers, kunt u efficiënte gegevensbewerkingen uitvoeren.Professioneel circuitontwerp benadrukt deze gestructureerde communicatie om ervoor te zorgen dat de apparaatfunctie binnen de verwachte parameters functioneert, waardoor potentiële fouten voor gegevensverwerking worden geminimaliseerd.

Microchip -technologie is gevestigd in Chandler, Arizona, en staat bekend om zijn expertise in microcontroller en analoge oplossingen.Met een focus op het verstrekken van betrouwbare producten, wil het bedrijf de systeemkosten verlagen en de marktinvoer versnellen.Hun uitgebreide producten dient wereldwijd verschillende applicaties, waaronder autosystemen, consumentenelektronica en industriële machines.Deze brede aantrekkingskracht illustreert het vermogen van Microchip om zich aan te passen en te voldoen aan de ingewikkelde vereisten van diverse markten.
Microchip -technologie legt een sterke nadruk op innovatie en het waarborgen van kwaliteit, die industrieën in staat stelt precisie en functionaliteit na te streven.Door geavanceerde veiligheidsmaatregelen en connectiviteitsopties op te nemen, houden de oplossingen van Microchip gelijke tred met de steeds veranderende eisen van moderne technologische infrastructuren.De toewijding van het bedrijf aan energiezuinige ontwerpen bevordert ook duurzame praktijken, in overeenstemming met de overstap van de industrie naar het minimaliseren van de impact op het milieu in elektronica.
Stuur een aanvraag, we zullen onmiddellijk reageren.
Overweeg de 8-pins AT24C256 EEPROM Het is niet alleen een hulpmiddel, maar een standvastige data guardian in het spectrum van persistente opslag, net als een compacte flash drive in zijn betrouwbaarheid.De indrukwekkende opslagcapaciteit in combinatie met een efficiënte werking breidt zijn toepassing uit naar ingebedde systemen en kleinschalige gegevenslogging waarbij niet-aflatende gegevensbehoud diep wordt gewaardeerd.De zachte slok van energie die het vereist, in tegenstelling tot de dorst naar vluchtig geheugen, maakt het vooral passend voor batterijafhankelijke apparaten, waar elke joule telt.
Met zijn afhankelijkheid van niet-vluchtige EEPROM-technologie belooft de AT24C256 dat zodra gegevens in zijn geheugen zijn geëtst, het bestand is tot instructiedrums voor zijn wijziging of wissen.Deze veerkracht komt sectoren zoals industriële automatisering ten goede, die standvastige data -integriteit vereisen, zelfs wanneer de stroom onstabiel is.Het gebruik van veel gebruikte I2C -communicatie voor toegang en het schrijven van gegevens breidt het nut ervan uit, waardoor het harmonieus kan opgaan in gevarieerde systeemarchitecturen en moeiteloos dansen met microcontrollers, waardoor gegevensbeheertaken worden vereenvoudigd.
De intrinsieke niet-vluchtige make-up van AT24C256 is een baken van standvastigheid voor zowel programma's als gegevens die moeten overleven door shutdowns en stroomverlies.Deze onverzettelijke gegevensbehoud is een reddende gratie in domeinen waar ononderbroken toegang tot gegevens een levenslijn kan zijn, zoals in autosystemen of teledetectieapparatuur.Bovendien zorgt de robuuste structuur niet alleen voor langdurig gebruik, maar maakt ook de weg vrij voor verminderde onderhoudseisen, waardoor de betrouwbaarheid van de systemen die het bewoont, versterken.Ontwerpen met zo'n component manifesteert zich vaak als een sprong in de richting van het verbeteren van de stabiliteit en veerkracht in technische landschappen.
Op 2024/11/16
Op 2024/11/16
Op 8000/04/17 147713
Op 2000/04/17 111743
Op 1600/04/17 111324
Op 0400/04/17 83637
Op 1970/01/1 79285
Op 1970/01/1 66789
Op 1970/01/1 62953
Op 1970/01/1 62840
Op 1970/01/1 54038
Op 1970/01/1 52010