
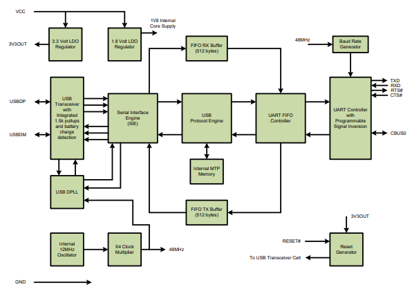
De FT234XD-R heeft als doel USB te vereenvoudigen tot seriële UART-interface, onderscheiden door zijn indrukwekkende compactheid in een 3 mm x 3 mm 12-pins DFN-pakket, dat voordelig is voor dichte PCB-lay-outs.In overeenstemming met de USB 2.0-specificatie heeft dit apparaat de USB-IF Test-ID (TID) 40001465 (REV D) verdiend, wat de naleving van strikte industrienormen aantoont.Een leider in zijn categorie, de FT234XD-R biedt hoge prestaties in combinatie met een laag stroomverbruik.Ondersteuning voor de nieuwste communicatieprotocollen.Betrouwbare gegevensoverdracht in verschillende hardware -omgevingen.
In de praktijk is de FT234XD-R van onschatbare waarde in scenario's die een efficiënte USB naar UART-conversie eisen.Het compacte ontwerp maakt naadloze opname in talloze apparaten mogelijk, waardoor de functionaliteit zonder compromis wordt verbeterd.Werkelijke toepassingen omvatten industriële controlesystemen, consumentenelektronica en ontwikkelingstools.De integratievoordelen omgevingen die niet aflatende betrouwbaarheid en ruimte -efficiëntie vereisen.Wanneer u de FT234XD-R in hun ontwerpen integreert, moet u rekening houden met PCB-lay-out, thermisch beheer en signaalintegriteit.

|
PIN Nr. |
Naam |
Type |
Beschrijving |
|
4 |
VCC |
STROOM
Invoeren |
5 V
(of 3.3V) Levering aan IC |
|
9 |
VCCIO |
STROOM
Invoeren |
1.8V
- 3.3V Levering voor de IO -cellen |
|
3 |
3.3vout |
STROOM
Uitvoer |
3.3V
Uitgang op 50 mA.Kan worden gebruikt om VCCIO van stroom te voorzien.Wanneer VCC 3,3V is;Pin 3 is een
Invoerpen en moet worden aangesloten op pin 4. |
|
5,
13 |
GND |
STROOM
Invoeren |
0V
Grondinvoer. |
|
1 |
USBDM |
Invoer/uitvoer |
USB
Gegevenssignaal minus. |
|
12 |
USBDP |
Invoer/uitvoer |
USB
Gegevenssignaal plus. |
|
2 |
Reset# |
Invoeren |
Resetten
invoer (actief laag). |
|
7 |
TXD |
Uitvoer |
Verzenden
Asynchrone gegevensuitvoer. |
|
10 |
RXD |
Invoeren |
Ontvangst
Asynchrone gegevensinvoer. |
|
8 |
RTS# |
Uitvoer |
Verzoek
Om besturingsuitgang / handshake -signaal te verzenden. |
|
11 |
CTS# |
Invoeren |
Duidelijk
Om besturingsingang / handshake -signaal te verzenden. |
|
6 |
CBUSO |
IO |
Configureerbaar
CBUS I/O PIN.De functie van deze pin is geconfigureerd in het MTP -geheugen van het apparaat. |




De FT234XD-R vindt veel gebruik bij het transformeren van USB naar RS232-, RS422- of RS485-formaten, waarbij de kloof tussen legacy-systemen en moderne USB-interfaces overbrugt.Hiermee kunnen oudere systemen moeiteloos deelnemen aan hedendaagse USB -technologieën.
Door USB-connectiviteit te integreren in oudere randapparatuur, ademt de FT234XD-R deze apparaten nieuw leven in.Het stimuleert niet alleen hun functionaliteit, maar verhoogt ook de bruikbaarheid, waardoor de behoefte aan uitgebreide revisie spaart.
Bij het ontwerpen van modulaire systemen brengt de FT234XD-R flexibiliteit en schaalbaarheid in de vergelijking.Deze functie wordt vereiste in ontwikkelingsscenario's, waar snelle prototyping en rigoureuze tests de weg vrijmaken voor innovatie.
De FT234XD-R speelt een actieve rol in telecommunicatieapparaten, van mobiele tot draadloze telefoons.Het vermogen om efficiënte USB -gegevensoverdrachten te beheren ondersteunt zowel ontwikkeling als toepassingen, waardoor de vooruitgang in communicatietechnologie wordt bevorderd.
Het opnemen van de FT234XD-R in microcontroller-eenheden (MCUS), programmeerbare logische apparaten (PLD's) of veldprogrammeerbare Gate Arrays (FPGAS) vereenvoudigt het gegevensuitwisselingsproces.Deze integratie vermindert de ontwerpcomplexiteit en verbetert de algehele systeemefficiëntie.
Voor toepassingen die nauwkeurige audiogegevensoverdracht nodig hebben, zoals digitale audio-interfaces, biedt de FT234XD-R betrouwbare USB-gebaseerde oplossingen.Het ondersteunt ook low-bandwidth videogegevens, geschikt voor eenvoudige vereisten voor videostreaming.
De FT234XD-R ondersteunt USB Smart Card-lezers, essentieel voor veilige gegevenstransacties en robuuste toegangscontrolesystemen.Dit voegt een substantiële beveiligingslaag toe aan verschillende applicaties.
De FT234XD-R-R dient als interface voor USB-instrumentatie, helpt bij het verzamelen en analysetaken van gegevens.Deze functionaliteit is van onschatbare waarde in technisch en wetenschappelijk onderzoek en biedt precieze en betrouwbare gegevensverwerking.
U kunt de complexe mogelijkheden van de FT234XD-R gebruiken om de grenzen van efficiëntie en innovatie in hun ontwerpen en toepassingen te verleggen.Het fungeert als een katalysator en transformeert ideeën in functionele, gestroomlijnde oplossingen.

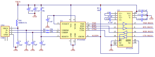
Een illustratief voorbeeld, zoals getoond in de bijbehorende figuur, demonstreert het gebruik van de FT234XD als een USB naar RS232 -converter.In deze opstelling wordt een 3V3 TTL naar Rs232 -niveau converter IC gebruikt om de 3V3 -logische niveaus van de FT234XD over te schakelen naar de RS232 -standaard.Verschillende apparaten, zoals de lijnbestuurders van Zywyn, kunnen dit niveau effectief omgaan met het gebruik van de SHDN# pin om het stroomverbruik tijdens de USB -ophangingsmodus te minimaliseren.Met name ondersteunt de Zywyn ZT3222F, die compatibel is met deze configuratie, RS232 -communicatie tegen gegevenssnelheden tot 1000K baud.
Het implementeren van de FT234XD-R maakt een naadloze conversie tussen USB- en RS232-interfaces mogelijk en biedt verschillende voordelen in elektronische ontwerpen.Door een 3V3 TTL te integreren in Rs232 -niveau converter IC, zoals die van Zywyn, kunnen ontwerpen de compatibiliteit behouden met een breed scala aan RS232 -apparaten.Bovendien vereisen moderne circuitontwerpen vaak energiezuinige componenten;De SHDN# pin -functie in Zywyn Line Drivers is vereist om aan deze behoeften te voldoen.Dit draagt aanzienlijk bij aan het verminderen van het totale stroomverbruik, vooral wanneer het apparaat de USB -suspendmodus invoert, waardoor de batterijduur in draagbare toepassingen wordt verlengd.

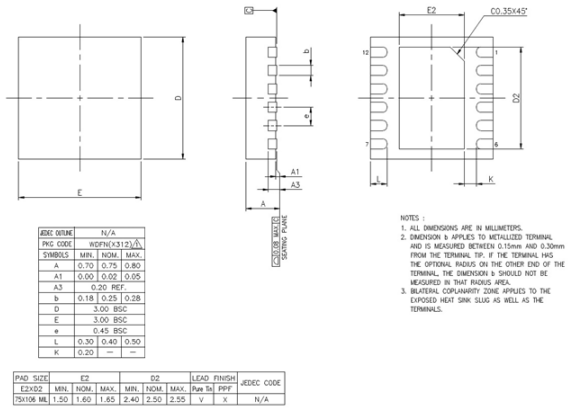
Hier is een goed gestructureerde tabel voor de FTDI (Future Technology Devices International Ltd) FT234XD-R met zijn technische specificaties, attributen en parameters, samen met vergelijkbare onderdelen.
|
Type |
Parameter |
|
Fabriek
Doorlooptijd |
11
Weken |
|
Inzetten |
Oppervlak
Inzetten |
|
Pakket
/ Geval |
12-vfdfn
Blootgestelde kussen |
|
Nummer
pinnen |
12 |
|
Werkzaam
Temperatuur |
-40 ° C
tot 85 ° C |
|
Verpakking |
Tape
& Reel (TR) |
|
Gepubliceerd |
2006 |
|
Deel
Status |
Actief |
|
Vocht
Gevoeligheidsniveau (MSL) |
3
(168 uur) |
|
Nummer
van beëindiging |
12 |
|
Spanning
- Levering |
2.97V
tot 5.5V |
|
Terminal
Positie |
Dual |
|
Terminal
Formulier |
Nee
Leiding |
|
Piek
Reflowtemperatuur (° C) |
260 ° C |
|
Levering
Spanning |
5V |
|
Terminal
Toonhoogte |
0,45 mm |
|
Tijd
@ Peak Reflow Temp-Max (s) |
40 |
|
Functie |
Brug,
USB naar uart |
|
Kwalificatie
Status |
Niet
Gekwalificeerd |
|
Werkzaam
Voedingsspanning |
5V |
|
Interface |
Uart |
|
Werkzaam
Leveringsstroom |
8 ma |
|
Nummer
van havens |
1 |
|
Nominaal
Leveringsstroom |
8 ma |
|
µps/µCs/perifeer
ICS -type |
BUS
Controller, universele seriële bus |
|
Gegevens
Tarief |
3
Mbps |
|
Protocol |
USB |
|
USB
Standaard |
USB
2.0 |
|
Bus
Verenigbaarheid |
I2C |
|
Omgeving
Temperatuurbereik hoog |
85 ° C |
|
Hoogte |
800 μm |
|
Lengte |
3 mm |
|
Breedte |
3 mm |
|
BEREIK
SVHC |
Nee
SVHC |
|
ROHS
Status |
ROHS
Meewerkend |
|
Loodvrij |
Loodvrij |
Stuur een aanvraag, we zullen onmiddellijk reageren.
Op 2024/10/15
Op 2024/10/15
Op 8000/04/17 147710
Op 2000/04/17 111648
Op 1600/04/17 111313
Op 0400/04/17 83573
Op 1970/01/1 79208
Op 1970/01/1 66738
Op 1970/01/1 62923
Op 1970/01/1 62785
Op 1970/01/1 54019
Op 1970/01/1 51932