
De NCP3066 is een verfijnd monolithisch apparaat gemaakt om een uniforme stroom te leveren voor LED's met veel heldenheid.Het beschikt over een opmerkelijk lage feedbackspanning van 235 mV, wat een nauwkeurig beheer van typische LED -stromen vergemakkelijkt.In staat om ingangsspanningen tot 40 V te beheren, past het naadloos aan aan systemen die tussen 12 V en 36 V werken, vaak aangetroffen in verlichtings- en oplaadbare vermogensdomeinen.Dergelijke veelzijdigheid benadrukt het aanpassingsvermogen ervan in meerdere configuraties zoals buck, boost of omkering van topologieën, waardoor slechts een minimaal aantal externe componenten nodig is.Deze opties bieden ontwerpvermogen en efficiënte opname in een breed scala aan scenario's, zodat u hun creativiteit kunt ontketenen en met gemak aan verschillende applicatiebehoeften kunt voldoen.
Verbeterd met PWM-dimmogelijkheden en een low-power shutdown-functie, is de NCP3066 meestal bedreven voor automobiel-, mariene en draagbare verlichtingsoplossingen.Deze toepassingen gedijen op hun competentie om tot 1,5 ampère stabiele stroom te leveren, waardoor de NCP3066 een favoriete selectie is bij het zoeken naar zowel betrouwbaarheid als efficiëntie.In autodellagesystemen waarbij duurzaamheid met energiebesparing met energiebesparing is, biedt de robuuste constructie van de regulator bijvoorbeeld zinvolle voordelen, geruststellend van de blijvende prestaties.

|
Pin -nummer |
Speldnaam |
Beschrijving |
|
PIN 1 |
Schakelverzamelaar |
Interne Darlington Switch Collector Pin. |
|
Pin 2 |
Schakel emitter |
Interne Darlington Switch Emitter Pin. |
|
Pin 3 |
Timingcondensator |
Timingcondensator voor de oscillatorpen. |
|
Pin 4 |
GND |
Grondpen voor alle interne circuits. |
|
PIN 5 |
Inveringspen van Comparator |
Invoerpen van een comparator omkeren. |
|
Pin 6 |
VCC |
Ingangsspanning voor de regulator. |
|
Pin 7 |
Ipk sense |
Detectiepin voor piekstroom. |
|
PIN 8 |
Aan/uit |
Aan/uit bedieningspeld. |
|
Functie/specificatie |
Details |
|
Type |
Monolithische constante stroomregelaar IC |
|
Ingangsspanning (VIN) |
3V - 40V |
|
Geïntegreerde schakelaar |
1,5 ampère |
|
Lage feedbackspanning |
235 mV |
|
Hoge bedrijfsfrequentie |
Tot 150 kHz |
|
Afsluitmogelijkheid |
Logica-niveau afsluiting |
|
Dimmente opties |
Analoog en pwm dimbaar |
|
Pakkettypen |
Soic, DFN en 8-pins dip |
|
PWM -dimcapaciteit |
Analoog en digitaal |
|
ROHS -compliance |
PB-vrij |
|
Thermische afsluiting |
Interne thermische afsluiting met hysterese |
|
Controle -luscompensatie |
Niet vereist |
|
Verstelbare frequentiebewerking |
Tot 250 kHz |
|
Huidige beperkende |
Cycle-by-cyclus |
• LM5008
• XL6009
• LM3407
• A6211
• NCP3065
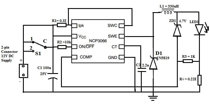
Scooter -opslagcompartimenten presenteren vaak het ongemak van onvoldoende verlichting, waardoor het gebruik ervan tijdens nachturen ingewikkeld is wanneer zichtbaarheid een zorg is.Een zorgvuldig geïmplementeerde oplossing omvat het gebruik van de NCP3066 -regulator om de activering van een licht te automatiseren wanneer het opslagcompartiment opent.Deze toepassing van automatische verlichting verhoogt uw gemak en vertrouwen in hun avondritten aanzienlijk.
Het circuitarrangement bevat verschillende basiscomponenten:
• NCP3066 Regulator
• Schottky diode
• Zener -diode
• Wit LED
• Weerstanden
• condensatoren
• Inductor
• Limietschakelaar
• DC -stroombron
Harmonieus samenwerken, dragen deze componenten elk bij aan de effectiviteit en betrouwbaarheid van het systeem.De limietschakelaar biedt bijvoorbeeld een elegante oplossing door het gedrag van het licht te regelen dat uitsluitend op de open of gesloten toestand van het compartiment is gebaseerd en een laag intuïtieve controle toe te voegen.

Binnen een buck -topologie werkt de NCP3066 -regulator als een constante stroomstuurprogramma.Deze opstelling regelt niet alleen het vermogen met precisie, maar zorgt ook voor consistente lichtuitgang, actief voor het handhaven van een duidelijk zichtbaarheid.De opzettelijke selectie van componenten, met name het vermogen van de bestuurder om een constante stroom te bieden, benadrukt een methodische benadering die de energie -efficiëntie maximaliseert met behoud van hoge verlichtingsnormen.Bovendien is de opname van een Zener -diode een voorbeeld van een technische vooruitziende blik met een prioriteit van foutbescherming, die putten uit uitgebreide ervaring in ontwerpen die duurzaamheid en aanpassingsvermogen tegen fluctuerende omstandigheden eisen.
De NCP3066 toont een opmerkelijk talent bij het reguleren van de huidige, in staat om te functioneren met frequenties tot 250 kHz en het gemak van afsluitopties te bieden.De zorgvuldig uitgebalanceerde huidige regelgeving en vereenvoudigde structuur verbeteren de operationele resultaten.Bovendien stimuleren de ingebouwde beschermingselementen de veiligheid aanzienlijk, waardoor het stroomgebruik onder de 100 µA blijft, een aspect dat helpt om operationele gevaren te verlagen.
De combinatie van de effectieve werking, compacte grootte en kosteneffectieve constructie van de NCP3066, voldoet aan de zich ontwikkelende behoeften van moderne elektronica.De opname van kleine en goedkope zintuiglijke weerstanden speelt een sleutelrol, waardoor de chip zich kan aanpassen aan diverse circuitvereisten.U kunt deze eigenschappen vakkundig gebruiken in werkelijke scenario's om circuitgrootte en budget te verfijnen met behoud van robuuste prestaties.
In praktische instellingen wordt de betekenis van deze kenmerken onmiskenbaar.U kunt vaak worstelen met beperkingen met betrekking tot ruimte en thermische behandeling.De efficiëntie van de NCP3066 in combinatie met een minimale apparaatvoetafdruk biedt een duidelijk voordeel.Bovendien is het lage energieverbruik tijdens inactieve fasen voornamelijk waardevol voor apparaten op batterijen, waardoor hun levensduur en betrouwbaarheid worden verlengd.Uit praktische ervaring zorgt de synergie van zijn nette ontwerp- en beschermende functies voor soepele integratie in complexe systemen.
De NCP3066 blinkt uit in het handhaven van gestage stroomstromen door LED's, gericht op stroomstabilisatie in plaats van spanningsregeling.Deze functie verhoogt het aanpassingsvermogen bij verschillende toepassingen.
• Automotive verlichting: consistente verlichting verbetert zowel veiligheidsnormen als esthetische aantrekkingskracht.
• Buitenverlichting en bewegwijzering: betrouwbaarheid en duurzaamheid bij het aangaan van milieu -uitdagingen worden geprioriteerd.
• Industriële machines: vertrouwt op zijn betrouwbare huidige toevoer, zorgt voor een soepele werking en het minimaliseren van downtime, uiteindelijk de productiviteit verhogen en onderhoudskosten worden gesneden.
• Consumentenelektronica: machtigt DIY -liefhebbers om op maat gemaakte verlichtingsoplossingen te maken.Het biedt een standvastig huidig management.De diverse applicaties strekken zich uit tot de ontwerpen van voeding en het oplaadsystemen voor batterijen, waardoor de langdurige levensduur en effectiviteit worden gegarandeerd.
• Tuin- en aquariumverlichting: levert een constante output, bevordert de plant en het waterleven door de lichtintensiteit te regelen.
Weerstanden worden vaak gekozen vanwege hun eenvoud en kosteneffectiviteit als het gaat om het beheersen van de stroom in LED-circuits.Toch missen ze inherent de verfijnde precisie en flexibele aanpassing aangeboden door apparaten zoals de NCP3066.Weerstanden beheren goed onder vaste omstandigheden, maar worstelen om naadloos aan te passen aan verschuivingen in spannings- of omgevingsfactoren.Dit tekort kan leiden tot opmerkelijke huidige variaties, die zowel de prestaties als de levensduur van LED's beïnvloeden.
De NCP3066 biedt een uitzonderlijke oplossing voor consistente huidige verordening.Het vermogen om te reageren op veranderingen in spanning zorgt voor een gestage stroomstroom, die helpt bij het handhaven van de LED -efficiëntie en lichte consistentie in de tijd.Dit kenmerk is vooral voordelig in scenario's waar consistente prestaties en stabiliteit zeer gewenst zijn.Bij het hanteren van delicate elektronische onderdelen wordt de precieze stroomafgifte ernstig om vroege fouten of onregelmatige werking te voorkomen.
In veel gevallen kunnen weerstanden aanzienlijke warmte genereren, wat leidt tot inefficiënties in het circuit.Een dergelijke warmteproductie kan worden verergerd door spanningsveranderingen, inconsistenties in productie en temperatuurvariaties.Deze elementen kunnen bijdragen aan onstabiele LED -prestaties en fluctuerende helderheid.Aan de andere kant vermindert het gebruik van de NCP3066 thermische uitdagingen door een efficiëntere en precieze stroomcontrole te bieden, waardoor de duurzaamheid en betrouwbaarheid van LED -arrays wordt verbeterd.
Stuur een aanvraag, we zullen onmiddellijk reageren.
Op 2024/12/11
Op 2024/12/11
Op 8000/04/17 147746
Op 2000/04/17 111835
Op 1600/04/17 111347
Op 0400/04/17 83686
Op 1970/01/1 79440
Op 1970/01/1 66835
Op 1970/01/1 62985
Op 1970/01/1 62888
Op 1970/01/1 54058
Op 1970/01/1 52061