De LIS3DH is een krachtige, ultra-low-power drie-assige versnellingsmeter ontworpen voor verschillende toepassingen, waaronder consumentenelektronica, industriële automatisering en gezondheidszorg.De I2C/SPI digitale interface en compacte ontwerp bieden nauwkeurige versnellingsmeting in drie dimensies, waardoor het ideaal is voor bewegingsdetectie en oriëntatie -detectie.Deze veelzijdige sensor onderscheidt zich vanwege zijn vermogensefficiëntie, ingebedde zelftestfuncties en temperatuursensor, wat zorgt voor betrouwbare prestaties, zelfs in uitdagende omgevingen.Of het nu gaat om smartphones, draagbare apparaten of gezondheidsbewakingssystemen, de LIS3DH verbetert functionaliteit en energiebeheer, waardoor het een belangrijk onderdeel is in moderne, energie-efficiënte ontwerpen.

De Lis3dh valt op vanwege zijn tekortkoming van het stroomverbruik en geavanceerde energiebesparende kenmerken.Dit maakt het een ideale keuze voor applicaties die topprestaties nodig hebben met minimale energieverbruik.Het biedt configureerbare volledige reeksen van ± 2G, ± 4G, ± 8 g en ± 16 g, met uitvoergegevenssnelheden van 1 Hz tot 5,3 kHz, wat een substantiële veelzijdigheid biedt over verschillende toepassingen.In het bijzonder zorgen de zelftestmogelijkheden voor systeemfunctionaliteit, waardoor betrouwbaarheid wordt versterkt.
Een opmerkelijk kenmerk van de LIS3DH is het vermogen om interrupts te genereren op basis van apparaatpositionering of traagheidsgebeurtenissen, met gedefinieerde drempels en timinginstellingen.Met deze functionaliteit kunnen toepassingen zich snel aanpassen aan veranderingen in het milieu, waardoor de responsiviteit wordt verbeterd.Gezondheidszorggadgets kunnen bijvoorbeeld gebruik maken van deze functies voor valdetectie of bewegingsmonitoring, waardoor de veiligheid van de patiënt en nauwkeurige gegevensverzameling wordt gewaarborgd.De programmeerbaarheid en gevoeligheid van de interruptgeneratie verhogen het nut van de LIS3DH in dergelijke scenario's.
De geïntegreerde FIFO-buffer op 32-niveau minimaliseert de noodzaak voor constante gastheerprocessoractiviteit, waardoor systeembronnen aanzienlijk worden behouden.Dit is meestal gunstig wanneer stroomefficiëntie een prioriteit is, zoals in draagbare apparaten waar een langdurige batterijduur een concurrentievoordeel is.Door het efficiënt beheren van gegevensopslag en -overdracht, optimaliseert de LIS3DH de algemene systeemactiviteiten, waardoor de bruikbare levensduur van het product worden verlengd zonder de prestaties in gevaar te brengen.Het compacte LGA -pakketontwerp van LIS3DH zorgt voor moeiteloze opname in verschillende apparaten en ondersteunt de stabiele werking over een temperatuurbereik van -40 ° C tot +85 ° C.Deze duurzaamheid maakt het geschikt voor zowel consumentenelektronica als industriële toepassingen, waar extreme omgevingscondities kunnen prevaleren.In autosystemen is bijvoorbeeld de mogelijkheid om betrouwbaar onder fluctuerende temperaturen uit te voeren, nuttig voor het handhaven van de consistentie van prestaties en het handhaven van veiligheidsnormen.

|
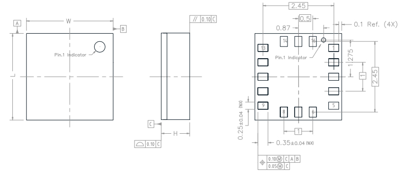
Pin# |
Naam |
Functie |
|
1 |
Vdd_io |
Stroom
Levering voor I/O -pinnen |
|
2 |
NC |
Niet
aangesloten |
|
3 |
NC |
Niet
aangesloten |
|
4 |
SCL |
I²C
Seriële klok (SCL) |
|
SPC |
Spi
Serial Port Clock (SPC) |
|
|
5 |
GND |
0 V
levering |
|
6 |
SDA |
I²C
Seriële gegevens (SDA) |
|
SDI |
Spi
Seriële gegevensinvoer (SDI) |
|
|
SDO |
3-draads
interface seriële gegevensuitvoer (SDO) |
|
| 7 |
SDO |
Spi
Seriële gegevensuitvoer (SDO) |
|
SA0 |
I²C
Minder aanzienlijk stukje apparaatadres (SA0) |
|
|
8 |
CS |
Spi
inschakelen |
|
I²C/SPI
Selectie van modus: |
||
|
1:
SPI Idle Mode / I²C Communicatie ingeschakeld |
||
|
0:
SPI -communicatiemodus / I²C uitgeschakeld |
||
|
9 |
Int2 |
Traagheid
Onderbreking 2 |
|
10 |
Res |
Verbinden
naar GND |
|
11 |
Int1 |
Traagheid
Onderbreken 1 |
|
12 |
GND |
0 V
levering |
|
13 |
ADC3 |
Analoog-naar-digitaal
Converter Input 3 |
|
14 |
VDD |
Stroom
levering |
|
15 |
ADC2 |
Analoog-naar-digitaal
Converter Input 2 |
|
16 |
ADC1 |
Analoog-naar-digitaal
Converter Input 1 |



|
Functie |
Beschrijving |
|
Brede voedingsspanning |
1.71 V tot 3,6 V
|
|
Onafhankelijke IO -voeding |
1.8 V, compatibel met voedingsspanning |
|
Ultra-Low Power Mode Consumptie |
Tot 2 μA |
|
Dynamisch selecteerbare volledige schaal |
± 2 g/± 4G/± 8g/± 16 g |
|
Digitale uitvoerinterface |
I2c/spi |
|
Resolutie van gegevensuitvoer |
16-bit |
|
Programmeerbare interruptgenerators |
2 onafhankelijke generatoren voor vrije val en beweging
detectie |
|
Oriëntatiedetectie |
6D/4D detectiemogelijkheden |
|
Free-Fall Detectie |
Ondersteund |
|
Motion Detectie |
Ondersteund |
|
Ingebedde temperatuursensor |
Geïntegreerd |
|
Ingebed zelftest |
Geïntegreerd |
|
Ingebed Fifo |
32 niveaus van 16-bit gegevensuitvoer FIFO |
|
Hoge overlevingskansen |
10000 g |
|
Milieu -naleving |
EcoPack®, ROHS en "Green" compliant |
De LIS3DH -versnellingsmeter heeft een divers scala aan functionaliteiten die het zeer veelzijdig maken voor verschillende applicaties, vooral in de wereld van mobiele en draagbare apparaten.De oriëntatiedetectiefunctie is belangrijk voor het behoud van energie en het efficiënt beheren van geautomatiseerde beeldpositionering.Deze mogelijkheid gaat verder dan eenvoudige schermrotatie en het gedrag van het afsluiten van apparaat om onnodig stroomgebruik te minimaliseren.
Een van de meest indrukwekkende kenmerken van de LIS3DH is de oriëntatiedetectie.Deze functie is niet alleen van onschatbare waarde voor het aanpassen van schermoriëntaties, maar ook voor het activeren van verschillende operationele modi op basis van de oriëntatie van het apparaat.Wanneer een tablet bijvoorbeeld plat wordt gelegd, kan de versnellingsmeter het apparaat ertoe aanzetten een state low-power te betreden, wat resulteert in een langdurige levensduur van de batterij.
De LIS3DH biedt zowel 4D- als 6D -modi.De 4D-modus is ontworpen om de z-as te negeren tijdens positiedetectie, effectief functioneren in scenario's waarbij de oriëntatie van de XY-vlak voldoende is.Deze modus kan intelligent overstappen naar de modus met een laag vermogen bij het detecteren van bepaalde vooraf gedefinieerde gebeurtenissen (aanpasbaar door de door drempel- en duurparameters).
De LIS3DH-overgaat naar een low-power-toestand wanneer specifieke omstandigheden worden gedetecteerd, en het keert naadloos terug naar zijn normale of hoge resolutie operationele modus zodra deze voorwaarden zijn opgelost.Dit is voornamelijk handig in draagbare apparaten, waar het balanceren van prestaties en krachtefficiëntie dominant is.Fitness-trackers kunnen bijvoorbeeld het traceren van hoge resolutie deactiveren tijdens perioden van inactiviteit, waardoor de levensduur van de batterij sterk wordt verlengd.
De LIS3DH ondersteunt een FIFO-buffer van 32 niveaus, waardoor verschillende operationele modi mogelijk zijn, zoals FIFO, Stream, Stream-to-Fifo en FIFO-bypass.Deze geavanceerde buffering zorgt voor efficiënte gegevensverwerking, waardoor de verwerkingsbelasting op de hoofdprocessor aanzienlijk wordt vergemakkelijkt.Dit leidt tot soepeler en snellere gegevensverwerking, een basisaspect van applicaties zoals bewegingsdetectie in gamingcontrollers.
|
Type |
Parameter |
|
Levenscyclus
Status |
Voorbeeld
(Laatst bijgewerkt: 8 maanden geleden) |
|
Montage
Type |
Oppervlak
Inzetten |
|
Pakket
/ Geval |
16-vflga |
|
Oppervlak
Inzetten |
Ja |
|
Nummer
pinnen |
16 |
|
Verpakking |
Dienblad |
|
JESD-609
Code |
E4 |
|
Deel
Status |
Verouderd |
|
Vocht
Gevoeligheidsniveau (MSL) |
3
(168 uur) |
|
Nummer
van beëindiging |
16 |
|
Eccn
Code |
EAR99 |
|
Type |
Digitaal |
|
Terminal
Finish |
Nikkel/goud
(Ni/au) - elektrolytisch |
|
HTS
Code |
8542.39.00.01 |
|
Spanning
- Levering |
1.71V
~ 3.6V |
|
Terminal
Positie |
Onderkant |
|
Terminal
Formulier |
Kont |
|
Piek
Reflowtemperatuur (° C) |
260 ° C |
|
Nummer
van functies |
1 |
|
Levering
Spanning |
2.5V |
|
Terminal
Toonhoogte |
0,5 mm |
|
Afmetingen
(L x w x h) |
3 mm
x 3 mm x 1 mm |
|
Tijd
@ Peak Reflow Temp (Max) |
30
seconden |
|
Baseren
Onderdeelnummer |
Lis3 |
|
Pin
Graaf |
16 |
|
Uitvoer
Type |
I2c,
Spi |
|
Werkzaam
Voedingsspanning |
2.5V |
|
Interface |
I2c,
Spi |
|
Werkzaam
Leveringsstroom |
11μA |
|
Oplossing |
2 B |
|
Sensor
Type |
3-assige |
|
Maximaal
Voedingsspanning (DC) |
3.6V |
|
Min
Voedingsspanning (DC) |
1.71V |
|
As |
X,
Y, z |
|
Versnelling
Bereik |
± 2G,
4G, 8G, 16G |
|
Functies |
Verstelbaar
Bandbreedte, selecteerbare schaal, temperatuursensor |
|
Gevoeligheid
(LSB/G) |
1000
(± 2G) ~ 83 (± 16 g) |
|
Bestraling
Verharding |
Nee |
|
BEREIK
SVHC |
Nee
SVHC |
|
ROHS
Status |
ROHS3
Meewerkend |
|
Leiding
Vrij |
Ja |

|
Deel
Nummer |
Beschrijving |
Fabrikant |
|
Lis3de |
Mems digitaal
Uitgangsbewegingssensor Ultra Low Power High Performance 3-Axes "Nano"
versnellingsmeter |
Stmicro -elektronica |
|
Lis3deetr |
Digitale 3-as
versnellingsmeter, ultra-low-power, ± 2G/4G/8G/16G volledige schaal, snelle I2C/SPI
Digitale output, ingebed FIFO, LLGA 16 3X3X1.0 -pakket |
Stmicro -elektronica |
|
Lis3dhtr |
3-Axis Mems
versnellingsmeter, ultra-low-power, ± 2G/4G/8G/16G volledige schaal, snelle I2C/SPI
Digitale output, ingebed FIFO, high-performance versnellingsensor, LLGA 16
3x3x1.0 pakket |
Stmicro -elektronica |

Om de LIS3DH correct te laten functioneren, vereist de kern een VDD -lijn en de I/O -pads hebben VDD_IO nodig.De ontkoppelingscondensatoren van de voeding, waaronder een keramiek van 100 nF en een aluminiumcondensator van 10 μF, moeten zich dicht bij pin 14 bevinden. Het plaatsen van deze condensatoren vermindert strategisch geluid en verbetert de stabiliteit.Alle spanning- en grondbenodigdheden moeten tegelijkertijd aanwezig zijn om de juiste initialisatie en functionaliteit van het apparaat te garanderen.Met name kan VDD worden verwijderd met behoud van VDD_IO om de communicatiebus actief te houden.Met deze installatie kunnen bepaalde communicatietaken doorgaan, hoewel meetmogelijkheden worden uitgeschakeld.In deze toestand komt de sensor effectief in een modus met lage kracht.
De LIS3DH ondersteunt zowel I2C- als SPI -interfaces.Deze interfaces bieden flexibiliteit op basis van systeemontwerp- en gegevensdoorvoervereisten, waardoor naadloze gegevensoverdracht en integratie in verschillende toepassingen worden vergemakkelijkt.
De programmeerbare interruptfuncties omvatten configureerbare drempels en timing.Dit aanpassingsvermogen zorgt voor op maat gemaakte bewerkingen, die voordelig zijn in toepassingen zoals bewegingsdetectie en gebarenherkenning, waarbij precieze en responsieve interruptmechanismen wenselijk zijn.
De ongebruikte ADC1-, ADC2- en ADC3 -pinnen kunnen worden achtergelaten of vastgebonden aan VDD of GND.Deze praktijk zorgt ervoor dat er geen onnodig stroomverbruik of potentiële drijvende pin -problemen is, waarbij systeemintegriteit wordt behouden.
De LIS3DH speelt een belangrijke rol in toepassingen die precieze bewegingsdetectie eisen.Het nut ligt in het activeren van apparaten of functies bij het detecteren van specifieke bewegingen, zoals het starten van een fitness -applicatie wanneer u begint te draaien.De gevoeligheid van de versnellingsmeter zorgt voor betrouwbare prestaties in uitdagende omgevingen.De bruikbaarheid ervan is duidelijk in verschillende consumentenelektronica.Het maakt een naadloze ervaring mogelijk, waardoor de afhankelijkheid van de handmatige werking wordt verminderd.
Een opvallende functie van de LIS3DH is de vaardigheid bij het detecteren van vrije hervallen.Deze mogelijkheid dient om delicate elektronica te beschermen tegen potentiële schade.Laptops en smartphones kunnen bijvoorbeeld automatisch beschermende maatregelen initiëren bij het detecteren van een val, waardoor de impactkrachten worden verzwakt.Deze technologie beschermt persoonlijke gadgets en strekt zich uit tot industriële toepassingen, waardoor dure en gevoelige apparatuur wordt gewaarborgd.
De LIS3DH verbetert uw apparaatinteracties met het vermogen om klik te herkennen en te dubbelklikken op gebaren.Deze functionaliteit is vooral gunstig voor draagbare technologie, waar fysieke knoppen minder praktisch zijn.Smartwatches gebruiken bijvoorbeeld op accelerometer gebaseerde klikherkenning voor meer intuïtieve controle, waardoor de behoefte aan extra hardware wordt geëlimineerd.Deze integratie leidt tot meer geavanceerde en vriendelijke interfaces.
Efficiënt energiebeheer is een belangrijke toepassing van de LIS3DH.Door te detecteren of een apparaat in gebruik of stationair is, speelt de versnellingsmeter een belangrijke rol bij het verlengen van de levensduur van de batterij.Deze functie is enorm waardevol in draagbare elektronische apparaten die afhankelijk zijn van langdurige batterijprestaties.Het implementeren van geoptimaliseerde technieken voor energiebeheer voldoet aan de eisen van steeds compacter en krachtige apparaten.
In de wereld van gezondheids- en fitnesstechnologie is de LIS3DH een kerncomponent voor het nauwkeurig volgen van stappen en bewegingen.Het is vereist in stappenters, waardoor u betrouwbare gegevens krijgt om fysieke activiteiten te controleren.Het vermogen van de versnellingsmeter om verschillende soorten bewegingen te onderscheiden, zorgt voor consistente en waardevolle fitness -trackinggegevens.
De LIS3DH heeft een belangrijke rol bij het beheren van display -oriëntatie door de positie en beweging van het apparaat te detecteren.Deze mogelijkheid maakt automatische schermaanpassingen voor optimale weergave mogelijk.Vaak in smartphones en tablets, deze functie verbetert uw ervaring aanzienlijk en ondersteunt ook de toegankelijkheid door naadloos aan te passen aan uw behoeften.
De LIS3DH is vereist in gaming en virtual reality en biedt nauwkeurige inputs gebaseerde inputs.Het maakt meeslepende en intuïtieve gaming -ervaringen mogelijk door tilt, rotatie en versnelling te detecteren.Deze technologie overbrugt de kloof tussen fysieke beweging en digitale respons, waardoor de betrokkenheid van spelers en bruikbaarheid in virtuele omgevingen wordt verbeterd.
In verschillende veiligheids- en beveiligingstoepassingen blinkt de LIS3DH uit in impactdetectie.In de auto -industrie kan het bijvoorbeeld airbags of andere veiligheidsmechanismen activeren bij het detecteren van een botsing.Deze toepassing is een bewijs van de noodzaak van betrouwbare en snelle reacties in kritieke situaties, uiteindelijk levens redden en de ernst van het letsel verminderen.
Vibratiemonitoring is een andere belangrijke toepassing van de LIS3DH.Het is actief in het handhaven van machines en structurele gezondheid door anomale trillingen te detecteren die wijzen op mogelijke fouten.Deze proactieve aanpak is voordelig in meerdere industrieën, waardoor tijdig onderhoud wordt vergemakkelijkt en operationele downtime wordt verminderd.De LIS3DH zorgt voor continue werking en helpt dure afbraak te voorkomen.

STMicro -elektronica gedijt als een vooraanstaand wereldwijd halfgeleiderbedrijf, dat blinkt uit in de innovatie, ontwikkeling en distributie van geavanceerde micro -elektronica -oplossingen.Hun leiderschap komt voort uit diepgaande expertise in siliciumtechnologieën, rigoureuze productiepraktijken, uitgebreide portfolio's voor intellectuele eigendom en strategische allianties.Deze facetten positioneren strategisch stmicro-elektronica voorop in geavanceerde systeem-op-chip (SOC) technologieën, waardoor de convergentietrends in hedendaagse toepassingen aanzienlijk stimuleren.
De reis van STMicroelectronics omvat tientallen jaren, evoluerend van een traditionele fabrikant van halfgeleiders tot een geavanceerde innovator in micro-elektronica.Hun transformatie benadrukt de verschuiving van de industrie naar meer geïntegreerde oplossingen.Aanpassingsvermogen en vooruitziende blik hebben hun baanbrekende positie gecementeerd, met lessen van markteisen en technologische vooruitgang die hun pad vormgeven.
STMICROECTRONICS heeft zijn beheersing van siliciumtechnologieën verfijnd en de ruggengraat van zijn innovatie gevormd.Silicium halfgeleiders spelen een dominante rol bij het maken van efficiënte en compacte micro -elektronica -oplossingen.Hun technische bekwaamheid en marktcentra zijn duidelijk in hun niet aflatende streven naar technologische haalbaarheid.Deze diepte van kennis stuwt ze voortdurend buiten de huidige marktnormen.
De LIS3DH is een ultra-low-power, krachtige drie-assige lineaire versnellingsmeter met een digitale I2C/SPI-interface.Het is gemaakt voor precieze bewegingsdetectie en meting in verschillende toepassingen, variërend van consumentenelektronica tot industriële systemen.Dit apparaat valt op om zijn efficiëntie en aanpassingsvermogen, waardoor het een favoriet is in veel precieze bewakingsscenario's.
Een 3-assige versnellingsmeter meet versnelling langs drie loodrechte assen (x, y en z).Deze multidirectionele mogelijkheid zorgt voor uitgebreide bewegingsdetectie.Het is handig op velden zoals robotica, ruimtevaart en draagbare technologie.Het volgen van beweging over alle dimensies brengt een diepte van analyse die eenvoudige gegevens transformeert in bruikbare inzichten.
Terwijl versnellingsmeters inherent versnelling meten, kan snelheid worden afgeleid door versnellingsgegevens in de loop van de tijd te integreren.De praktische toepassing vereist echter zorgvuldige kalibratie.Dit proces moet rekening houden met factoren zoals sensorruis en drift om een nauwkeurige snelheidsschatting te garanderen.In contexten zoals telemetrie van voertuigen en loopanalyse, vereist deze overgang van onbewerkte gegevens naar zinvolle snelheidsmetrieken zorgvuldige aandacht, hetgeen de precisie weerspiegelt die op deze velden vereist is.
De nauwkeurigheid van een versnellingsmeter kan aanzienlijk variëren, beïnvloed door de specificaties en de context waarin deze wordt gebruikt.Zeer nauwkeurige versnellingsmeters, zoals die in medische hulpmiddelen of precieze stappen, kunnen meetnauwkeurigheid bereiken binnen ± 1% voor loopafstand.Dit niveau van precisie is vaak het resultaat van rigoureuze test- en kalibratieprocessen, waardoor betrouwbare prestaties worden gewaarborgd in gevoelige toepassingen waar elke fractie ertoe doet.
Stuur een aanvraag, we zullen onmiddellijk reageren.
Op 2024/10/17
Op 2024/10/16
Op 8000/04/18 147778
Op 2000/04/18 112032
Op 1600/04/18 111351
Op 0400/04/18 83788
Op 1970/01/1 79589
Op 1970/01/1 66973
Op 1970/01/1 63109
Op 1970/01/1 63043
Op 1970/01/1 54097
Op 1970/01/1 52195