
De BAV70, gevierd vanwege zijn snelheid en betrouwbaarheid, is ingekapseld in een compact SOT23 (TO-236AB) SMD-plastic pakket.Deze snel schakelende dubbele diode vindt hulpprogramma's in een groot aantal elektronische toepassingen.De rol omvat het omschakeling van circuits, detectiesystemen, hoogfrequente rectificatiecircuits en automatiseringscontroles.
De BAV70 blinkt uit in het beheren en sturen van elektrische signalen met precisie.De lage voorwaartse spanning in combinatie met een hoge omgekeerde afbraakspanning maakt het effectief voor detectiesystemen die gevoeligheid en niet aflatende betrouwbaarheid vereisen.Velen gebruiken het in hoogfrequente rectificatiecircuits vanwege de snelle responstijd en minimale signaalvervorming, waardoor piekprestaties in dynamische elektronische omgevingen worden gewaarborgd.
Binnen automatiseringscontroles speelt de BAV70 een rol bij het afschermen van gevoelige componenten tegen spanningsschommelingen, waardoor de veerkracht en de levensduur van elektronische systemen worden versterken.Het ontwerp toont betrouwbaarheid, duidelijk zichtbaar in zowel laboratoriumprototypes als volledige implementaties.In omgevingen die worden gekenmerkt door frequente signaalvariaties, worden dergelijke componenten gebruikt voor het behouden van systeemintegriteit en voorkomende storingen.

|
Pin -nummer |
Speldnaam |
Beschrijving |
|
1 |
Diode 1 anode |
Anode pennen van 1e diode |
|
2 |
Diode 2 kathode |
Kathodepen van de 2e diode |
|
3 |
Diode 1 kathode diode 2 anode |
Kathode -pin van 1e diode en anodepin van 2e diode |



|
Type |
Parameter |
|
Levenscyclusstatus |
Laatste zendingen (laatst bijgewerkt: 1 week geleden) |
|
Contact opnemen |
Tin |
|
Montagetype |
Oppervlaktemontage |
|
Aantal pinnen |
3 |
|
Verpakking |
Tape & Reel (TR) |
|
Onderdeelstatus |
Verouderd |
|
Max bedrijfstemperatuur |
150 ° C |
|
Capaciteit |
1.5pf |
|
Huidige beoordeling |
200 mA |
|
Spanning |
75V |
|
Snelheid |
Klein signaal <= 200mA (Io), Any Speed |
|
Diodetype |
Standaard |
|
Power Dissipation |
350 MW |
|
Vooruitstroom |
200 mA |
|
Factory doorlooptijd |
42 weken |
|
Inzetten |
Oppervlaktemontage |
|
Pakket / kast |
TO-236-3, SC-59, SOT-23-3 |
|
Leverancierapparaatpakket |
SOT-23-3 (TO-236) |
|
Gepubliceerd |
2004 |
|
Vochtgevoeligheidsniveau (MSL) |
1 (onbeperkt) |
|
Min bedrijfstemperatuur |
-55 ° C |
|
Spanning - beoordeelde DC |
70V |
|
Basisonderdeelnummer |
BAV70 |
|
Elementconfiguratie |
Gewone kathode |
|
Huidig |
2a |
|
Stroom - omgekeerde lekkage @ vr |
5μA @ 70V |
|
Spanning - vooruit (vf) (max) @ if |
1.25V @ 150MA |
|
Bedrijfstemperatuur - Junction |
150 ° C max |
|
Max Surge Current |
2a |
|
Stroom - gemiddeld gecorrigeerd (io) |
200 mA |
|
Max Reverse Voltage (DC) |
70V |
|
Omgekeerde hersteltijd |
6 ns |
|
Max Repetitive Reverse Voltage (VRRM) |
70V |
|
Omgekeerde spanning |
70V |
|
Max Forward Surge Current (IFSM) |
2a |
|
Max Junction Temperatuur (TJ) |
150 ° C |
|
Lengte |
2,92 mm |
|
Bereik SVHC |
Geen SVHC |
|
ROHS -status |
Rohs compliant |
|
Spanning - DC Reverse (VR) (Max) |
70V |
|
Voorwaartse spanning |
1V |
|
Gemiddelde gerectificeerde stroom |
200 mA |
|
Piek omgekeerde stroom |
100μa |
|
Piek niet-repetitieve overspanningsstroom |
2a |
|
Diodeconfiguratie |
1 paar gemeenschappelijke kathode |
|
Hersteltijd |
6 ns |
|
Hoogte |
1,2 mm |
|
Breedte |
1,3 mm |
|
Stralingsharding |
Nee |
|
Leid gratis |
Leid gratis |

De BAV70 is elegant gehuisvest in een SOT-23-pakket, met een delicate massa van ongeveer 8,8 milligram.Deze compacte structuur is vervaardigd om het gebruik van beperkte ruimte op gedrukte printplaten te maximaliseren.Het huidige productielandschap vereist componenten zoals de BAV70 die bedreven zijn in het ondersteunen van geautomatiseerde assemblagelijnen, wat de verscheidenheid aan bulkverpakkingsopties verklaart op maat voor dergelijke efficiëntiegedreven processen.Deze doordachte ontwerpstrategie stroomlijnt niet alleen de productie, maar vermindert ook de risico's van fouten tijdens de assemblage, een factor die gewicht in de productie van elektronica met hoge volume bevat waar precisie en betrouwbaarheid vereist zijn.
De kern van het ontwerp van de BAV70 ligt de opmerkelijke mechanische veerkracht, wanneer ze worden geconfronteerd met thermische uitdagingen die vaak worden aangetroffen in elektronische apparaten.De thermische managementmogelijkheden zijn verweven in het ontwerp van het SOT-23-pakket, waardoor de prestaties gedurende lange periodes consistent blijven.Het onderliggende idee hier is dat duurzaamheid evenzeer een ontwerpprincipe is als een productie -vereiste.
Deze diode is vervaardigd voor superieure prestaties, waarbij zijn snelle schakelsnelheid voordelig is in omgevingen die gevoelig zijn voor frequentievariaties.Snelle schakeling draagt bij aan verhoogde efficiëntie en zorgt voor verhoogde precisie in signaalverwerking, wat een integraal onderdeel is van het behoud van systeemintegriteit in ingewikkelde elektronische structuren.
Verminderde capaciteit biedt een opmerkelijk voordeel door het risico van onbedoelde signaalkoppeling te verminderen, een frequente uitdaging in RF -circuitontwerpen.Door dit probleem te verminderen, wordt de precisie van signaaloverdracht verbeterd, waardoor de betrouwbaarheid van het systeem wordt verbeterd.Telemetrie of teledetectie bevordert vaak componenten met lage capaciteit om een hoge gegevenskwaliteit te handhaven, het bereiken van een balans tussen compactheid en vermogen.
Het beperken van de lekstroom is goed voor het bereiken van stroomefficiëntie, vooral in systemen die werken op beperkte stroomreserves.Deze functie is gunstig in draagbare en draagbare technologieën die gericht zijn op de levensduur van de batterij.Door lekkage te minimaliseren, helpt deze diode bij het verlengen van apparaatwerkzaamheden en biedt het uitgebreid gebruik tussen kosten, een voordeel dat wordt gewaardeerd door fabrikanten die ernaar streven de tevredenheid te verbeteren.
De compacte, oppervlakte-gemonteerde architectuur van de BAV70 behoudt waardevolle printplaatruimte, die steeds belangrijker wordt naarmate elektronische apparaten compacter worden.Deze kwaliteit ondersteunt de voortgang van de industrie naar miniaturisatie, waardoor geavanceerdere ontwerpen binnen beperkte ruimtes mogelijk worden.
Hoge snelheid schakel vereist diodes die in staat zijn tot snelle overgangen van de toestand, het verminderen van vertraging en het behoud van energie.De snelle herstelkenmerken van de BAV70 maken het een voorkeurskeuze in circuits waarbij de timingnauwkeurigheid een kritieke factor is.Het wordt veel gebruikt in telecommunicatie- en computerapparatuur, waardoor de snelheid van gegevensverwerking en responstijden wordt verbeterd, waarbij efficiëntie en snelle bewerkingen nodig zijn.
In circuits die een breed scala aan functies afhandelen, speelt algemene schakelen een substantiële rol.Het vermogen van de BAV70 om betrouwbaarheid en effectiviteit te behouden over uitgebreide spanningsbereiken maakt het gebruik ervan op verschillende gebieden mogelijk, van elektronica tot industriële automatisering.De consistente prestaties in verschillende instellingen toont het belang aan van het hebben van aanpasbare componenten in hedendaagse elektronica.
Wanneer omgekeerde polariteit een bedreiging vormt voor de integriteit van de circuit, biedt BAV70 een haalbare oplossing door te fungeren als een beschermende maatregel in voedingssystemen.Deze preventieve maatregel verbetert niet alleen de veiligheid, maar verlengt ook de levensduur van de circuits.Het uitgebreide gebruik in de beveiligingen van de automobielelektronica tegen installatiefouten, waarmee het mogelijk is om problemen te voorkomen en een focus op circuitveiligheid te introduceren.
BAV70 is effectief bij het knippen en klemwerkzaamheden voor het handhaven van de zuiverheid van signalen.Deze functies zijn goed in audio- en videosystemen, waarbij het voorkomen van signaalvervorming nodig is.Het gebruik van BAV70 zorgt ervoor dat signalen binnen de beoogde limieten blijven, waardoor zowel kwaliteits- als operationele betrouwbaarheid behouden blijft.
Beschermingscircuits hebben een functie in het verdedigen van gevoelige componenten tegen spanningspieken en pieken.BAV70, vaak een deel van deze circuits, draagt een sterke verdedigingsstrategie bij.Deze rol is met name prominent aanwezig in hernieuwbare energiesystemen, waar spanningsschommelingen frequent zijn, wat de rol van de diode benadrukt bij het bevorderen van duurzame technologische oplossingen.
• Bav99
• BAW56
• MMBD1503

OnSemi bekleedt een prominente positie in de halfgeleiderarena, geprezen om zijn innovatie bij het creëren van energiebeheer en signaalapparaten.Elk van deze sectoren presenteert zijn eigen uitdagingen en eisen.De rol van OnSemi in de auto-industrie valt op, vooral in Advanced Driver-assistentie-systemen (ADAS) en efficiënte energieoplossingen op maat gemaakt voor elektrische voertuigen (EV's).Hun componenten zijn een integraal onderdeel van systemen die prioriteit geven aan strenge veiligheidsmaatregelen en niet aflatende betrouwbaarheid.Het prioriteren van deze elementen kan de prestaties van voertuigen, het voeden van vertrouwen en tevredenheid aanzienlijk verbeteren.De strategische keuzes van OnSemi, zoals het omarmen van duurzame praktijken en baanbrekende technologie, weerspiegelen de toewijding aan het aanpakken van toekomstige uitdagingen en het efficiënt eisen van de wereldwijde eisen.
Stuur een aanvraag, we zullen onmiddellijk reageren.
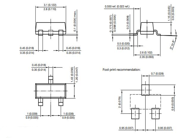
De BAV70 is ingekapseld in een SOT23 (TO-236AB) oppervlakte-gemonteerd apparaat.Dit formaat wordt gekoesterd vanwege zijn compacte grootte, waardoor naadloze integratie in moderne elektronische circuits mogelijk is.
De BAV70 vindt zijn plaats in een talloze elektronische systemen.Het dient functies in schakelcircuits en detectierechten, waardoor effectieve signaalconversie wordt gewaarborgd.Bij hoogfrequente rectificatie blinkt het uit door snel schakelen en bedreven spanningsbeheer mogelijk te maken voor superieure prestaties.Automatische besturingssystemen krijgen ook een voorsprong van de BAV70, omdat deze elektrische variabelen verwerkt, waardoor de mogelijkheden van intelligente apparaten worden verhoogd.
De BAV70 is ontworpen om maximaal 75V te beheren, catering voor toepassingen waar het weerstaan van spanningsvariaties een prioriteit is.Het belichaamt robuustheid die aantrekkelijk is voor circuits die afhankelijk zijn van consistente spanningsregulatie.
De BAV70 functioneert effectief binnen een temperatuurbereik van -55 ° C tot 150 ° C.Deze flexibiliteit zorgt voor betrouwbaarheid over verschillende omgevingscondities, waardoor de levensduur ervan wordt verbeterd in apparaten die onder extreme temperaturen werken.Het ondersteunt zowel elektronica als industriële apparatuur, waarbij de gebruikelijke temperatuurverschuivingen in deze velden worden aangepast.
Met drie pennen is de BAV70 vervaardigd om connectiviteit en functionaliteit binnen compacte elektronische frameworks te optimaliseren.Dit doordachte ontwerp ondersteunt een harmonieuze balans tussen complexiteit en gemak tijdens de integratie, waardoor het productieproces wordt gladgemaakt.
Op 2024/11/8
Op 2024/11/8
Op 8000/04/18 147757
Op 2000/04/18 111936
Op 1600/04/18 111349
Op 0400/04/18 83721
Op 1970/01/1 79508
Op 1970/01/1 66909
Op 1970/01/1 63043
Op 1970/01/1 63012
Op 1970/01/1 54081
Op 1970/01/1 52125