




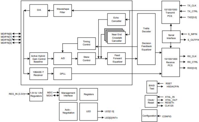
De 88e1512 is een zeer aanpasbare Gigabit Ethernet -transceiver.Het ondersteunt de algemeen gebruikte 1000Base-T-, 100Base-TX- en 10Base-T-normen, waardoor een efficiënte gegevensoverdracht zorgt voor een efficiënte gegevensoverdracht.Deze diversiteit in normen stelt het in staat om te voldoen aan de eisen van moderne netwerksystemen en biedt betrouwbaarheid op verschillende interfaces.
Met verbindingen die beschikbaar zijn via zowel GMII- als RGMII -interfaces, vergemakkelijkt de transceiver een soepele integratie in verschillende netwerkinfrastructuren.Deze dubbele compatibiliteit is geschikt voor diverse netwerkarchitecturen, waardoor u de flexibiliteit biedt die nodig is om de systeemprestaties naadloos te verbeteren.Het ontstaan gemak in bestaande systemen wordt vaak gewaardeerd, waardoor zowel schaalbaarheid als efficiëntie wordt verhoogd.Ondersteuning van koper-, vezel- en SGMII -formaten, is de 88E1512 bereid zich aan te passen aan een reeks netwerkscenario's.In omgevingen waar netwerk fluctueert, kan deze mogelijkheid meestal voordelig zijn.De detectie van de automatische mediatype van de zendontvanger vermindert de setup -complexiteit, het stroomlijnen van netwerkbeheer.
Geïntegreerde MDI -beëindigingsweerstanden maken deel uit van het efficiënte ontwerp van de 88E1512, het vereenvoudigen van circuitlay -outs en verlagingskosten met betrekking tot materialen en productie.Dit doordachte ontwerp sluit aan bij IEEE -normen en zorgt voor consistente prestaties.Dergelijke efficiëntie helpt bij het leveren van systemen die betrouwbaar maar toch eenvoudig zijn om te implementeren.De balans van precisie en kostenbeheer aangeboden door de 88E1512 wordt vaak gezocht.Door kwaliteitsoplossingen te leveren die budgetbeperkingen respecteren, kunnen projecten zowel duurzaamheid als schaalbaarheid bereiken.Dit evenwicht wordt vaak waargenomen in succesvolle implementaties, waardoor de opzet van de langetermijnnetwerk stimuleert.
|
Functie |
Beschrijving |
|
IEEE -naleving |
10/100/1000BASE-T IEEE 802.3 Compliant |
|
Meerdere bedrijfsmodi |
- rgmii naar koper |
|
- SGMII tot koper (alleen 88e1512/88e1514) |
|
|
- rgmii tot vezel/sgmii (alleen 88e1512) |
|
|
- rgmii naar koper/vezel/sgmii met auto-media detecteren
(88e1512 alleen) |
|
|
- Koper tot vezel (1000Base-X) (88E1512/88E1514) |
|
|
RGMII -timingmodi |
Vier RGMII -timingmodi met geïntegreerde vertragingen,
het elimineren van de behoefte aan PCB -trace -vertragingen |
|
Ondersteuning van vezelinterface |
Ondersteunt 1000Base-X en 100Base-Fx met SGMII (88E1512
alleen) |
|
RGMII LVCMOS -normen |
Ondersteunt LVCMOS/0 op de RGMII |
|
Energie -efficiënte ethernet (EEE) |
IEEE 802.3AZ-2010-conforme, met EEE Buffering voor
Legacy Macs |
|
Vermogensefficiëntie |
Ultra-lage kracht, met geïntegreerde MDI-beëindiging
weerstanden |
|
Spanningsregelaars |
Geïntegreerde schakelspanningsregelaars |
|
Groene Ethernet -ondersteuning |
- Active Power Save -modus |
|
- Energie detecteren en energie detecteren+ modi met lage vermogens |
|
|
IEEE1588 V2 |
Tijdstempelsondersteuning |
|
Synchrone ethernet (synce) |
Klokherstel |
|
Loopback -modi |
Drie diagnostische loopback -modi |
|
Terugschakelingsmodus |
Ondersteuning voor kabelinstallaties met twee paren
|
|
Adaptieve equalizers |
Volledig geïntegreerde digitale adaptieve equalizers, echo
Cancellers en Crosstalk Cancellers |
|
Baseline Wander Correctie |
Geavanceerde digitale baseline Wander Correctie |
|
MDI/MDIX |
Automatische MDI/MDIX -crossover op alle snelheden |
|
Polariteitscorrectie |
Automatische polariteitscorrectie |
|
Onderhandeling |
IEEE 802.3 conform |
|
LED -modi |
Software programmeerbare LED -modi, inclusief LED -testen |
|
Managementinterface |
MDC/XMDIO Management Interface |
|
Diagnostische hulpmiddelen |
CRC Checker, pakketbalie, pakketgeneratie |
|
Wake on Lan (WOL) |
Evenementdetectiemogelijkheden |
|
Virtual Cable Tester (VCT) |
Geavanceerde virtuele kabeltester voor diagnostiek |
|
Auto-kalibratie |
Voor Mac -interface -uitgangen |
|
Temperatuursensor |
Geïntegreerd |
|
Spanningstoevoer |
Enkele 3,3V -toevoer met interne schakelregelaar
steun |
|
I/O -spanningsopties |
1.8V, 2.5V of 3.3V voor I/O -pads |
|
Grade opties |
Commerciële en industriële cijfers (88E1510 en 88E1512
alleen) |
|
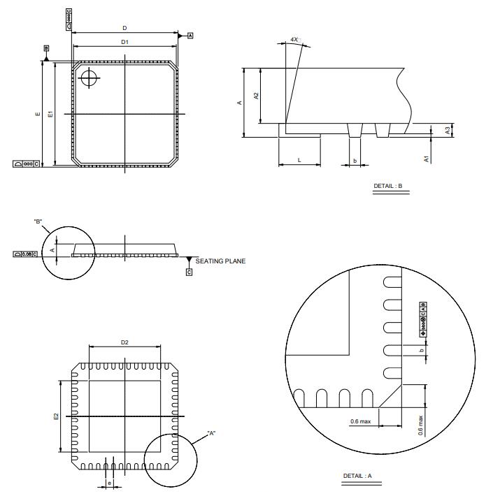
Pakket |
- 48-pins QFN 7mm x 7 mm groen met EPAD (88E1510 en
88e1518) |
|
- 56-pins QFN 8mm x 8 mm groen met EPAD (88E1512/88E1514) |
De 88E1512 Ethernet PHY biedt een flexibele basis voor snelle vooruitgang in digitale landschappen.Deze component voedt Gigabit -systemen in verschillende sectoren, zoals Enterprise, Embedded Solutions, Consumer Electronics en Metro/Service Networks.
• Verbetering van netwerkinfrastructuur: in bedrijfsnetwerken versterkt de 88E1512 connectiviteit en verhoogt de gegevensoverdrachtssnelheden.Het gedijt in omgevingen die snelle en naadloze gegevensuitwisseling eisen, zoals datacenters en bedrijfsnetwerken.
• Integratie van datacenters: datacenters profiteren van de stabiele prestaties van de 88E1512 en high-speed-mogelijkheden, waardoor soepele gegevensstroom nodig is die nodig is voor opslag en verwerking.Het vindt een harmonieus evenwicht tussen snelheid en betrouwbaarheid en wordt een belangrijk element in hedendaagse datacenterontwerpen.
In ingebedde systemen maakt de component compacte en efficiënte lay -outs ernstig voor IoT en automatisering.Deze integratie bevordert slimmer en responsieve toepassingen, waardoor innovaties in smart home -technologieën en industriële automatisering stimuleren.
De 88E1512 voldoet aan de stijgende vraag naar snel internet in consumentenapparaten.Smart -tv's en gameconsoles, bijvoorbeeld, benutten hun capaciteit voor superieure streaming- en gamingervaringen, waardoor uw tevredenheid en concurrentievoordeel worden verbeterd.
• Het handhaven van connectiviteit: in metroletwerken en onder serviceproviders zorgt de 88E1512 voor stabiele en consistente verbindingen.De implementatie stelt serviceproviders in staat om hoogwaardige internettoegang te leveren met minimale onderbrekingen, waardoor zowel bedrijven als huizen ten goede komen.
• Verbetering van netwerkbackbone: zijn rol in metronetwerken ondersteunt betrouwbare infrastructuur, het faciliteren van efficiënte communicatiekanalen en het herbergen van hoge gegevensbelastingen.Het is vooral in het onderhouden van stedelijke communicatienetwerken, waardoor hun efficiëntie en veerkracht worden gewaarborgd.
• 88E1512-A0-NNP2I000
• 88E1512-A0-NNP-2I000
• 88e1512-a0nnp2i000
• 88e1512a0nnp2i000


Marvell, bekend van het duwen van de envelop in digitale opslag, breekt consequent nieuwe grond in verschillende sectoren.Hun geavanceerde Semiconductor-oplossingen spelen een belangrijke rol bij het definiëren van de toekomst van gegevensopslag en hebben verreikende effecten op enterprise-, cloud-, automobiel-, industriële en consumentenmarkten.Deze holistische strategie onthult hun toewijding aan het stimuleren van efficiëntie en schaalbaarheid van gegevensbeheer.
In zowel ondernemings- als cloud -instellingen verbetert Marvell de gegevensstroom en opslagefficiëntie.De groeiende nadruk op cloud computing vraagt om robuuste, schaalbare innovaties.Door gebruik te maken van geavanceerde algoritmen naast krachtige ontwerpen, pakt Marvell latentie-uitdagingen aan, waardoor naadloze gegevens toegang bieden om aan de snelheidsvereisten te voldoen voor moderne bedrijven.Voor automotive en industrieel gebruik levert Marvell duurzame oplossingen die zijn ontworpen om moeilijke omstandigheden te doorstaan.Hun halfgeleiders bieden betrouwbare gegevensverwerking - actief voor de evolutie en productieautomatisering van slimme voertuigen.Het opnemen van AI-mogelijkheden ondersteunt intelligente besluitvorming en voorspellend onderhoud, beide gebruikt voor de transformaties van deze sectoren.
Hier is de tafel voor de Marvell Semiconductor, Inc. 88E1512-A0-NNP2I000 Technische specificaties en attributen.
|
Type |
Parameter |
|
Factory doorlooptijd |
16 weken |
|
Inzetten |
Oppervlaktemontage |
|
Montagetype |
Oppervlaktemontage |
|
Pakket / kast |
56-vfqfn blootgestelde pad |
|
Gebruiksniveau |
Industriële kwaliteit |
|
Bedrijfstemperatuur |
-40 ° C ~ 85 ° C (TA) |
|
Serie |
Alaska® |
|
Gepubliceerd |
2011 |
|
Onderdeelstatus |
Actief |
|
Vochtgevoeligheidsniveau (MSL) |
3 (168 uur) |
|
Aantal beëindigingen |
56 |
|
Type |
Zendontvanger |
|
Spanning - levering |
1.71V ~ 1.89V, 2.38V ~ 2.62V, 3.14V ~ 3,46V |
|
Eindpositie |
Quad |
|
Eindvorm |
Geen leiding |
|
Aantal functies |
1 |
|
Voedingsspanning |
3.3V |
|
Jesd-30-code |
S-XQCC-N56 |
|
Aantal kanalen |
4 |
|
Interface |
Ethernet |
|
Gegevenssnelheid |
10 Mbps, 100 Mbps, 1 Gbps |
|
Protocol |
IEEE 802.3, IEEE 1588 |
|
Aantal stuurprogramma's/ontvangers |
4-april |
|
Duplex |
Volledig, half |
|
Aantal zendontvangers |
1 |
|
Simplex/duplex |
Duplex |
|
Max Junction Temperatuur (TJ) |
125 ° C |
|
Omgevingstemperatuurbereik hoog |
85 ° C |
|
Hoogte |
1 mm |
|
ROHS -status |
Rohs compliant |
De 88e1512 -zendontvanger is Ontworpen voor veelzijdige netwerkopstellingen, ter ondersteuning van vijf bedieningsmodi om te passen specifieke behoeften.RGMII die digitale communicatie verbetert tussen Mac en PHY, het stroomlijnen van gegevensoverdracht en het verminderen van het ontwerp Complexiteit is ideaal voor koperen verbindingen in verschillende installaties.Sgmii is een compact protocol met differentiaalparen voor een hoge signaalintegriteit en lage pin -telling, ondersteunende koper- en vezelverbindingen, veel gebruikt voor zijn Laag vermogen en aanpassingsvermogen.RGMII naar SGMII -overgangsaanbiedingen Flexibele connectiviteit door RGMII-naar-SGMII-overgangen mogelijk te maken met configuratie Opties om compatibiliteit te garanderen bij verschillende instellingen.Koper en vezels Ondersteuning SGMII ondersteunen zowel koper (duurzaam, kosteneffectief) en vezel (hoge snelheid, lange afstand) verbindingen, met Auto-detectie voor vereenvoudigde instelling.Vezelovergang (1000Base-X) faciliteert naadloze overgangen tussen koper- en vezelmodi, aanpasbaar aan residentieel en commerciële omgevingen op basis van latentie- en signaalvereisten.
De zendontvanger is voorzien van een geïntegreerde spanningsregelaar, die soepel werkt op een 3,3V -voeding, terwijl meerdere LVCMOS -spanningen worden ondersteund: 1,8 V, 2.5V en 3,3 V.Dit aanpassingsvermogen maakt naadloze integratie in systemen met verschillende vermogenskaders mogelijk.Een opzettelijke keuze van spanningsnormen beïnvloedt direct thermisch beheer en krachtefficiëntie, en speelt een opmerkelijke rol in technische uitdagingen.Door deze aspecten bij te wonen, kunt u de levensduur van de prestaties en de werking van duurzame apparaten versterken.
De ingekapsing in een compact 56-pins QFN-pakket, zijn de transceiverafmetingen 8 mm x 8 mm.Dit ontwerp wordt gebruikt voor het maximaliseren van de ruimte op dichte printplaten, waardoor het geschikt is voor toepassingen met een hoge dichtheid.Naarmate elektronica blijft trending naar kleinere maten, wordt het kiezen van compacte componenten zonder functionaliteit steeds belangrijker te verliezen.Het QFN -pakket verbetert niet alleen de thermische prestaties, maar vermindert ook de voetafdruk, waardoor de veelzijdigheid van het product en de marktreactiviteit rechtstreeks wordt beïnvloed.
Stuur een aanvraag, we zullen onmiddellijk reageren.
Op 2024/10/29
Op 2024/10/29
Op 8000/04/19 147781
Op 2000/04/19 112052
Op 1600/04/19 111352
Op 0400/04/19 83807
Op 1970/01/1 79614
Op 1970/01/1 66992
Op 1970/01/1 63117
Op 1970/01/1 63051
Op 1970/01/1 54097
Op 1970/01/1 52203