
De 8255 Microprocessor, ook wel een PPI -chip (programmeerbare perifere interface) genoemd, speelt een rol bij het faciliteren van gegevensoverdracht in diverse omgevingen.De ondersteuning voor zowel eenvoudige als onderbrekingsgestuurde I/O-bewerkingen maakt het zeer aantrekkelijk voor verschillende toepassingen.Deze microprocessor maakt vloeistofinteracties mogelijk tussen de CPU en externe apparaten zoals analoog-naar-digitale converters (ADC's), digitale naar-analoge converters (DAC's) en toetsenborden.De geavanceerde maar economisch haalbare architectuur zorgt voor compatibiliteit met een breed scala aan microprocessors en externe componenten.Het wordt geleverd met drie 8-bit bidirectionele I/O-poorten, programmeerbaar per applicatiebehoeften.De 8255 microprocessor vindt zijn plaats in een groot aantal industrieën, wat zijn veelzijdigheid bewijst in zowel industriële automatisering als consumentenelektronica.In een geautomatiseerde productieomgeving dient de 8255 als een kern van data -acquisitiesystemen, die interface met sensoren en actuatoren.
De 8255 microprocessor blinkt uit als een programmeerbaar perifere interface (PPI) -apparaat, met drie programmeerbare I/O -poorten.Deze poorten vergemakkelijken de verbinding met gevarieerde apparaten, werkend in drie operationele modi: modus 0 (eenvoudige I/O), modus 1 (gestrobeerd I/O) en modus 2 (bidirectionele trobte I/O).
De drie programmeerbare I/O -poorten bieden verschillende connectiviteitsopties.Deze flexibiliteit helpt bij de controle en coördinatie van meerdere perifere apparaten, verrijkingssysteemmodulariteit en schaalbaarheid.
Modus 0 maakt directe invoer- en uitvoerbewerkingen mogelijk.De eenvoud en snelheid maken het zeer betrouwbaar voor taken waar eenvoudige functionaliteit nodig is.
Modus 1, of getrowed I/O, gebruikt handshake -signalen om een goede timing en synchronisatie van gegevensoverdracht te garanderen.Deze modus draagt bij aan gegevensintegriteit, waardoor het risico op fouten tijdens de verzending wordt verminderd.
Mode 2 ondersteunt bidirectionele communicatie, waardoor de efficiëntie van gegevensuitwisselingen wordt verbeterd.Deze dual-flow capaciteit is goed in systemen die dynamische en betrouwbare gegevensoverdracht veeleisen.
De volledige compatibiliteit van de microprocessor met Intel-processors garandeert naadloze integratie en uitzonderlijke samenwerking binnen Intel-gebaseerde systemen.De TTL -compatibiliteit vergemakkelijkt een eenvoudige interactie met standaard logische families, waardoor het ontwerp en de implementatie van elektronische systemen wordt gestroomlijnd.
Een functie van de 8255 is de directe bit set/reset -functionaliteit.Dit maakt het mogelijk om individuele bits in de havens te manipuleren, waardoor nauwkeurige controle over perifere bewerkingen biedt.Anderen gebruiken deze mogelijkheid om de systeemprestaties en het reactievermogen te vergroten.
De 8255 biedt in totaal 24 programmeerbare I/O-pinnen, gerangschikt in 8-bit en 4-bit poorten.Deze configuratie verleent een aanzienlijke flexibiliteit bij het ontwerpen van perifere interfaces, catering voor zowel eenvoudige als ingewikkelde setups.Met deze programmeerbare pins kunnen beoefenaars op maat gemaakte oplossingen maken die zijn afgestemd op specifieke applicatiebehoeften.Het aanpassingsvermogen en de programmeerbaarheid van de 8255 blijken zeer nuttig.In auto -besturingssystemen die meerdere sensoren en actuatoren beheren, zorgt het vermogen van de microprocessor om verschillende invoer-/uitvoerbewerkingen aan te kunnen, zorgt voor betrouwbare en efficiënte systeemprestaties.

De 8255 microprocessor valt op als een geavanceerde programmeerbare perifere interface, vervaardigd met 40 pins, die elk verschillende rollen spelen voor zijn functie.Een dissectie van deze pennen onthult hun respectieve functies en diverse toepassingen.
De PA0-PA7- en PB0-PB7-pinnen dienen als de primaire gegevensuitwisselingskanalen voor respectievelijk poort A en poort B.Deze poorten vergemakkelijken naadloze communicatie tussen de microprocessor en perifere apparaten.Ze worden vaak gebruikt in parallelle communicatie met input/output -apparaten, waardoor efficiënte gegevensverwerking wordt gewaarborgd.Het effectief beheren van deze lijnen in scenario's die parallelle verwerking en gegevensoverdracht eisen, waardoor de algehele systeemresponsiviteit wordt verbeterd.
De poort C-pinnen, PC0-PC7, zijn verdeeld in de bovenste (PC4-PC7) en lagere (PC0-PC3) helften.Deze segmentatie maakt flexibele configuraties mogelijk voor verschillende operationele modi.De dubbele aard van poort C kan functioneren als individuele controlelijnen of als een collectieve groep voor handshaking.Een dergelijke veelzijdigheid blijkt van onschatbare waarde in complexe interface -circuits waar precieze controle en statusfeedback nodig zijn, waardoor ingewikkelde systeembewerkingen worden vergemakkelijkt.
De D0-D7-pins vormen de kerngegevensbus, waardoor bidirectionele gegevensstroom tussen de microprocessor en randapparatuur mogelijk is.Deze regels spelen een rol bij het verzenden van gegevens, opdrachten en statusinformatie.Het begrijpen van de timing en synchronisatie van gegevensbustransacties om de algemene systeemprestaties te optimaliseren, waardoor soepele gegevensuitwisselingen en operationele efficiëntie worden gewaarborgd.
Pinnen A0 en A1 zijn integraal onder de selecteer van de juiste poort voor gegevensoverdracht of besturingsregisterbewerkingen.Met deze adresregels kan de microprocessor zich nauwkeurig richten op specifieke registers, waardoor bewerkingen met precisie worden gericht.Het gebruik van het gebruik van deze pinnen is goed voor het configureren van de microprocessor voor verschillende taken, zoals modusinstelling en interruptafhandeling, het afstemmen om te voldoen aan verschillende operationele vereisten.
De PIN van de CS activeert de 8255 microprocessor.Wanneer deze pin laag is, wordt de microprocessor geselecteerd voor latere lees- of schrijfbewerkingen.De juiste implementatie van deze pin is belangrijk voor systeemstabiliteit en het voorkomen van onjuiste gegevensuitwisselingen, waardoor de betrouwbare werking wordt gewaarborgd.
De RD -pin initieert leesbewerkingen van de microprocessor.Dit signaal wordt gebruikt voor het ophalen van gegevens van het apparaat.Effectieve coördinatie van leessignalen met timing van de perifere apparaat helpt bij naadloze gegevensverwerving, waardoor de gegevensintegriteit wordt verbeterd.
De WR' -pin -triggers schrijven bewerkingen, waardoor gegevens naar randapparatuur kunnen worden verzonden.Een juiste synchronisatie van schrijfopdrachten is nodig om de integriteit van de gegevens te waarborgen en gegevensverlies tijdens de verzending te voorkomen, waardoor systeembetrouwbaarheid wordt gehandhaafd.
De reset -pen initialiseert de microprocessor opnieuw.Deze actie wist gegevens en instellingen en zorgt ervoor dat het systeem opnieuw kan worden gestart en in een bekende staat kan worden gebracht.Dit is belangrijk na het tegenkomen van verwerkingsfouten of tijdens opstartsequenties, het handhaven van de consistentie van het systeem.
GND- en VCC -pinnen bieden de voeding aan de microprocessor.GND dient als referentiegebieden, terwijl VCC een stabiele 5V levert.Correcte bedrading van deze pennen om stroomschommelingen te voorkomen die de prestaties van de microprocessor en de algehele systeembetrouwbaarheid in gevaar kunnen brengen.
Werken met de 8255 microprocessor onthult een interessant facet: het optimaliseren van de multifunctionele pennen voor verschillende operationele modi.Het gebruik van deze pennen in onderbrekingsgestuurde toepassingen verbetert de efficiëntie door de microprocessor te laten reageren op gebeurtenissen wanneer ze zich voordoen, zonder constant peiling van perifere apparaten te bestrijden.Deze aanpak verbetert de systeemprestaties, waardoor het adaptiever en reageert op evenementen.
De PIN -configuratie van de 8255 microprocessor is basis voor de flexibiliteit en efficiëntie bij perifere interface.Inzicht in de rol van elke pin en het toepassen van best practices in hun gebruik kan de prestaties van de microprocessor in ingewikkelde systemen aanzienlijk verbeteren.

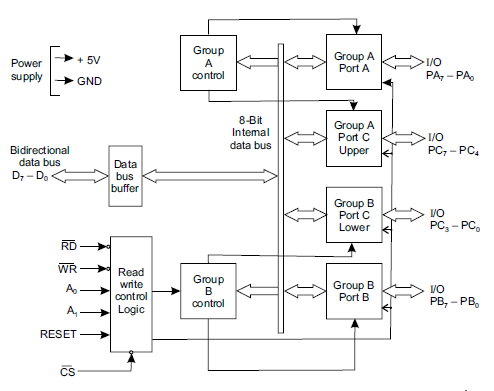
De architectuur van de 8255 microprocessor is complex en omvat verschillende componenten die zorgen voor vloeiende CPU -bewerkingen.Een geavanceerde interne businterface integreert interne en systeembussen, ter ondersteuning van naadloze CPU -lees- en schrijftaken, dit ondersteunt zijn rol in de algemene functionaliteit van de microprocessor.
De interne businterface dient als de brug tussen de interne mechanismen van de microprocessor en externe systeembussen.Deze bidirectionele interface is goed voor de effectieve uitvoering van lees- en schrijfbewerkingen.Soortgelijke systemen worden bijvoorbeeld gebruikt in hedendaagse computing om informatieuitwisseling tussen een centrale verwerkingseenheid en verschillende perifere apparaten te vergemakkelijken, waardoor soepele en efficiënte prestaties worden gewaarborgd.
Control Logic is de kern van de 8255 -architectuur, het orkestreren van interne bewerkingen en het beheren van gegevensoverdrachten.Door de coördinatie te verbeteren, optimaliseert Control Logic de verwerkingsefficiëntie.Het implementeren van geavanceerde besturingssystemen, vergelijkbaar met die in moderne geautomatiseerde productielijnen, kan de prestaties en betrouwbaarheid van complexe systemen vergroten.
De architectuur definieert controlegroepen A en B, die worden beheerd door de CPU.Deze groepen verzenden commando's naar bijbehorende poorten, vergelijkbaar met hoe geautomatiseerde systemen worden onderverdeeld in controleerbare eenheden om de beheersbaarheid en efficiëntie te verbeteren.Deze segmentatie zorgt voor eenvoudiger verfijning en probleemoplossing in complexe scenario's.
Poorten A en B zijn voorzien van 8-bit ingangsvergrendeling en uitvoerbuffers.Poort A werkt in drie unieke modi, terwijl poort B functioneert in twee.Deze variëteit in configuratiemodi maakt een breed scala aan applicaties mogelijk, net als configureerbare netwerksystemen die zich kunnen aanpassen aan verschillende operationele behoeften.Meerdere modi bieden verbeterde flexibiliteit en nut.
Poort C is verdeeld in bovenste en onderste secties, voor handshake- en status -signaalbewerkingen.Deze segmentatie zorgt voor precieze en betrouwbare communicatie, zowel in microprocessor- als moderne netwerkcommunicatiesystemen.Handshake -protocollen die worden gebruikt in beveiligde gegevensuitwisselingen tonen bijvoorbeeld de noodzaak aan van een dergelijke gesegmenteerde controle bij het handhaven van integriteit en efficiëntie.
De architecturale verfijning van de 8255 microprocessor, gekenmerkt door zijn uitgebreide besturingslogica, veelzijdige poortconfiguraties en efficiënte businterface, benadrukt de waarde van gedetailleerd, modulair ontwerp bij het bereiken van geoptimaliseerde en betrouwbare prestaties in verschillende technologische domeinen.
De 8255 werkt in verschillende modi, die elk unieke functionaliteiten bieden die zijn afgestemd op verschillende toepassingen.Inzicht in deze modi en het selecteren van de juiste kan vaak leiden tot verbeterde systeemprestaties en efficiëntie.
De bit set-reset modus richt zich op het besturen van individuele bits in poort C. Het biedt een praktische oplossing voor scenario's die fijnkorrelige manipulatie van specifieke pennen vereisen, waardoor precieze controle mogelijk is zonder de gehele poort te beïnvloeden.Deze modus is bijvoorbeeld zeer gunstig bij het beheren van perifere apparaten zoals LED's of kleine motoren, zoals precisie en minimale verstoring.Deze modus heeft zijn waarde aangetoond bij het bieden van controle over specifieke componenten, het bevorderen van betrouwbare en genuanceerde bewerkingen.
De 8255 bevat drie verschillende I/O -modi, die elk catering voor verschillende operationele vereisten.
Modus 0 maakt eenvoudige invoer- en uitvoerbewerkingen mogelijk zonder onderbrekingen of handshaking te betrekken.Het vergemakkelijkt directe communicatie tussen de processor en randapparatuur, waardoor het geschikt is voor productontwikkeling in een vroeg stadium en eenvoudige ingebedde systemen.Deze modus schijnt in toepassingen waar directe interactie met minimale complexiteit wenselijk is, waardoor functionele verificatie mogelijk is zonder toegevoegde lagen van synchronisatie.
Modus 1 introduceert handshaking om gesynchroniseerde gegevensoverdracht tussen de processor en perifere apparaten te garanderen, met behulp van besturingssignalen om gegevensintegriteit en timing te behouden.Deze modus is voordelig in communicatiesystemen en gegevensverzamelingsapparaten, waardoor betrouwbare gegevensontvangst wordt gewaarborgd waar de nauwkeurigheid geweldig is.Met handshake -mechanismen voorkomt modus 1 gegevensverlies en botsingen, waardoor het een betrouwbare optie is voor omgevingen die gegevensuitwisseling vereisen.
Modus 2 ondersteunt bidirectionele I/O -bewerkingen en gebruikt groep A -pinnen voor een bidirectionele gegevensbus met lagere poort C -bits die I/O -besturingselement afhandelt.Deze modus is ideaal geschikt voor geavanceerde communicatieprotocollen, efficiënte gegevensuitwisseling en intelligente perifere apparaten, zoals bepaalde geheugeninterfaces en slimme sensoren.Door gebruik te maken van groep A -pinnen en lagere poort C -bits, biedt Mode 2 een grotere veelzijdigheid en efficiëntie, waardoor complexe en responsieve interactie tussen apparaten wordt vergemakkelijkt.
De diverse bedrijfsmodi van de 8255, inclusief de gedetailleerde manipulatie in bit set-reset modus en verschillende I/O-configuraties, bouwen een solide basis voor het maken van geavanceerde en betrouwbare digitale systemen.Het kiezen van de juiste modus op basis van specifieke applicatiebehoeften kan de systeemprestaties en functionaliteit optimaliseren.
Het functioneren van de 8255 microprocessor, een veelzijdige programmeerbare I/O-eenheid, vergemakkelijkt gegevensuitwisseling tussen de centrale verwerkingseenheid (CPU) en meerdere perifere apparaten, zoals toetsenborden, analoog-naar-digitale converters (ADC's) en digitaal-tot-Analoge converters (DAC's).Deze eenheid zorgt voor de soepele behandeling van invoer- en uitvoerbewerkingen, het bevorderen van vlekkeloze communicatie en efficiënte gegevensuitwisseling.
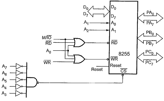
Bij het interfaceren van de 8255 met de 8086 microprocessor, zijn specifieke besturingspennen, zoals de invoerlezen (RD) en Write (WR) -pennen, nuttig bij datatransacties.Tijdens het ophalen van gegevens wordt de RD -pin geactiveerd, waardoor de microprocessor gegevens uit een externe bron kan ophalen.Omgekeerd wordt de WR -pin geactiveerd om gegevens van de microprocessor naar een extern apparaat over te dragen.Een praktisch voorbeeld is te zien in geautomatiseerde testsystemen, waar tijdige gegevens ophalen en opnamen belangrijk zijn.De naadloze werking van het lezen en schrijven van gegevens tussen componenten minimaliseert de latentie, waardoor de prestaties worden geoptimaliseerd.
De 8255-microprocessor gebruikt een 8-bit gegevensbus voor gegevensoverdracht, waardoor brede compatibiliteit en aanpassingsvermogen in verschillende toepassingen worden gewaarborgd.Adresregels A1 en A0 spelen een rol bij het reguleren van de interne configuraties en functionele modi van de 8255, wat dicteert hoe gegevens worden beheerd en opgenomen.Het aanpakken van regels A1 en A0 kan worden vergeleken met een bibliothecaris die boeken organiseert in een bibliotheek, ze identificeren waar gegevens moeten worden gelezen of geschreven, waarbij de systeemorder en efficiëntie moeten worden gehandhaafd.Deze organisatie is het beste voor systemen die een hoge betrouwbaarheid vereisen, zoals medische instrumenten waar precieze gegevensverwerking geweldig is.
Inzicht in de interactie van de RD- en WR -besturingssignalen voor het oplossen van problemen en het optimaliseren van systeemprestaties is vereist.In digitale besturingssystemen die worden gebruikt bij de productie, kan het verzekeren van de juiste timing en activering van deze signalen bijvoorbeeld de precisie en betrouwbaarheid van productieprocessen vergroten.
Het is duidelijk dat de vaardigheid van de 8255 microprocessor bij het beheren van gegevensoverdracht en perifere communicatie de betekenis ervan in complexe computersystemen benadrukt.De genuanceerde manipulatie van adresregels en controlesignalen toont vindingrijkheid, rij -technologie vooruit.De 8255 microprocessor staat als een bewijs van de complexiteiten die betrokken zijn bij digitale communicatie en controle.De naadloze integratiemogelijkheden blijven baanbrekende ontwikkelingen op verschillende gebieden mogelijk maken, van industriële automatisering tot gezondheidszorgtechnologie.

Om te beginnen zijn de 8255 -poorten ingesteld op de invoermodus.Deze standaardconfiguratie vereist een zorgvuldige aanpassing in software die overeenkomt met de gewenste functionaliteit.Op de juiste manier opnieuw configureren voor het waarborgen van een soepele en betrouwbare gegevensuitwisseling in uw opstelling.
Uitvoerpennen op de 8255 microprocessor zijn niet ontworpen om externe apparaten rechtstreeks te voeden vanwege hun beperkte capaciteit.Het introduceren van externe versterkers of transistoren wordt een praktische overweging om aan de hogere huidige vereisten te voldoen.Dit wordt vaak waargenomen in scenario's waarbij de versterking van de signaalsterkte geweldig is om operationele normen te handhaven.
Bij interface met hoge stroom- of spanningsapparaten is het gebruik van de juiste versterking of schakelmechanismen nodig.Het inzetten van transistoren voor het schakelen kan grotere stromen verwerken zonder de 8255 te overbelasten. Deze benadering weerspiegelt praktische toepassingen waarbij belastinggestuurde schakelaars efficiënt bronnenbeheer vergemakkelijken, waardoor de microprocessor wordt beschermd tegen potentiële schade.
Interface met AC-aangedreven apparaten vereist het gebruik van relais.Relais fungeren als bemiddelaars, ervoor zorgen dat het energieverbruik veilig wordt beheerd en isolatie wordt gehandhaafd.Deze methode is belangrijk in tal van toepassingen, waardoor zowel elektrische isolatie als de veilige interface tussen AC-circuits en digitale circuits met lage kracht worden geboden.
Het gedrag van poort C verandert in modus 1 of modus 2 -bewerkingen.Onder deze modi kan het niet functioneren als een standaard I/O -poort.Deze beperking benadrukt de noodzaak voor grondige planning bij het ontwerpen van systemen die verschillende poortfunctionaliteiten vereisen.Adequate overweging van operationele modi binnen de architectuur van het systeem helpt onvoorziene beperkingen te voorkomen.Door deze overwegingen aan te pakken, kan interface met de 8255 microprocessor fijn worden afgestemd om verschillende toepassingen te huisvesten, waardoor robuuste en betrouwbare systeemprestaties worden gewaarborgd.
De 8255 microprocessor wordt gevierd voor een groot aantal voordelen, waardoor zijn rol als een felbegeerde component in verschillende technologische landschappen wordt versterkt.
De 8255 microprocessor blinkt uit in zijn compatibiliteit met een uitgebreide scala aan processors, waardoor de opname in tal van systemen wordt vergemakkelijkt zonder uitgebreide wijzigingen.Deze naadloze verbinding met verschillende microchips stroomlijnt de ontwerpfase, waardoor de ontwikkelingstijdlijnen vaak worden verminderd.
De 8255 -microprocessor presenteert indrukwekkende veelzijdigheid en is zich aan te passen aan een veelheid aan functionaliteiten binnen technologische ecosystemen.Het is configureerbaar in meerdere operationele modi, waardoor het taken kan verwerken van data -acquisitie om systeembeheer te besturen.Een dergelijke flexibiliteit ziet zijn integratie in een reeks apparaten, zowel eenvoudige gadgets als ingewikkelde industriële machines.
Het ontwerp van de 8255 microprocessor geeft prioriteit aan optimaal energieverbruik, waardoor deze perfect past voor toepassingen zoals stroombehoud.Apparaten die deze microprocessor gebruiken, genieten van uitgebreide operationele levensduur en verhoogde betrouwbaarheid, attributen in zowel elektronica als industriële omgevingen.
De brede acceptatie van de 8255 microprocessor benadrukt de consistente prestaties en betrouwbaarheid ervan.Het dient als een vertrouwde component in educatieve instellingen voor onderwijs, onderzoekslaboratoria voor experimenteel werk en commerciële producten voor productiesystemen.Dit uitgebreide gebruik onderstreept zijn duurzaamheid en effectieve functionaliteit, getest over verschillende toepassingen.
De mogelijkheid om parallelle gegevensoverdracht te vergemakkelijken valt op als een gewaardeerde functie van de 8255 microprocessor.Deze mogelijkheid is voordelig in systemen die een snelle communicatie tussen de microprocessor en randapparatuur vereisen.Efficiënt beheer van gelijktijdige gegevensstromen door de 8255 verbetert de snelheid en prestaties van complexe opstellingen.
De 8255 microprocessor is waardevol in ingebedde systemen en automatisering.Anderen maken gebruik van de eenvoudige integratie en configureerbare aard om ontwikkelingsprocessen te verfijnen.In productieomgevingen synchroniseert bijvoorbeeld de 8255 de bewerkingen van sensoren en actuatoren, wat zowel precisie als efficiëntie waarborgt.De compatibiliteit, flexibiliteit, energie -efficiëntie van de 8255 microprocessor, wijdverbreid gebruik en het vermogen om parallelle gegevensoverdracht aan te kunnen, verhoogt zijn gestalte in micro -elektronica.Het grijpen van zijn praktische toepassingen biedt een diepere waardering voor zijn bijdrage aan technologische progressie.
De 8255 Microprocessor, een langdurige maar steeds relevante component, vindt zijn plaats in een groot aantal gespecialiseerde toepassingen en verrijkt zowel historische als moderne technologische landschappen.Deze veelzijdigheid is gebaseerd op zijn behendigheid in interactie met een overvloed aan apparaten en systemen.
Als het gaat om LED -besturingstoepassingen, blinkt de 8255 uit in het beheren van complexe verlichtingssequenties.Deze mogelijkheid wordt zeer gewaardeerd in display- en indicatorsystemen, waarbij precieze controle over multi-geleid arrays belangrijk is.Gebruikmakend van poortconfiguraties, veel ambachtelijke geavanceerde binnen- en buitenborden die niet alleen functionele doeleinden bedienen, maar ook zijn visuele allure boeien.
In de relaiscontrole demonstreert de 8255 zijn bekwaamheid in automatiserings- en besturingssystemen.Het zorgt voor een precieze en betrouwbare machinebedrijf, een functie gekoesterd in industriële omgevingen.Hier speelt de 8255 een rol bij het faciliteren van activering, het handhaven van de operationele integriteit en het waarborgen van soepele workflowovergangen.
Het gebruik van de 8255 voor stappenmotorbesturing houdt pulssequentiebeheer in, wat wordt gebruikt voor het bereiken van nauwkeurige motorpositionering.Deze precisie vindt zijn podium in CNC -machines, robotsystemen en verschillende automatiseringsoplossingen.Workshops en productie -eenheden halen substantiële voordelen van dergelijke technologie, waardoor de productiviteit uiteindelijk wordt verhoogd en de precisie wordt verbeterd.
De 8255 vereenvoudigt de verwerking van de invoersignaal in toetsenbordinterface -toepassingen, waardoor betrouwbare gegevensinvoersystemen worden bevorderd.Dit hulpprogramma overbrugt zowel historische computeromgevingen als moderne embedded systeemontwerpen.Het vermogen van de processor om zich aan te passen en relevant te blijven in verschillende tijdperken toont zijn blijvende aantrekkingskracht en functionaliteit.
De inzet van de 8255 in verkeerssignaalcontrolesystemen verhoogt het beheer van stedelijke infrastructuur.Implementaties laten zien hoe zorgvuldig geprogrammeerde timingreeksen de verkeersstroom en veiligheid optimaliseren.De processor beïnvloedt dus de dagelijkse openbare systemen, waardoor soepeler en veiligere woon-werkverkeer zorgt.
Bij het beheren van liftsystemen toont de programmeerbare aard van de 8255 de precieze werking van liftmechanica.Deze toepassing is een kern in de technologieën voor bouwbeheer, waarbij betrouwbare microprocessorsystemen zorgen voor veilig en efficiënt verticaal transport.
De flexibele I/O -poorten van de 8255 zijn een bonus in hedendaagse microcontroller -systemen, waardoor de perifere behandeling wordt verbeterd.Praktische integratie vereenvoudigt de systeemuitbreiding en maakt aangepaste perifere controle mogelijk, waardoor het een go-to-oplossing is voor het ontwikkelen van technologische toepassingen op maat in verschillende sectoren.Het aanpassingsvermogen vergemakkelijkt een naadloos creatieproces voor innovatieve oplossingen.
De 8255 overbrugt ook de kloof tussen vintage thuisgebouwde computers en moderne randapparatuur.Velen koesteren deze mogelijkheid omdat het legacy -systemen bewaart en revitaliseert.Door interactie met hedendaagse apparaten mogelijk te maken, benadrukt de 8255 zijn aanpassingsvermogen en voortdurende relevantie in een snel evoluerend technologisch landschap.
De 8255 microprocessor staat als een bewijs van robuustheid en veelzijdigheid, waardoor zijn plaats in zowel historische als eigentijdse omgevingen wordt versterkt.Het brede spectrum van toepassingen bevestigt zijn blijvende nut en relevantie in een steeds veranderende technologische wereld.
De 8255 interfaces met de hoofdprocessor via een adresbus en een gegevensbus.Deze interface vergemakkelijkt bidirectionele gegevensoverdracht, waardoor effectieve communicatie en controle binnen op microprocessoren gebaseerde systemen mogelijk is.In praktische toepassingen brengen anderen vaak de poorten van de 8255 toe aan specifieke adresbereiken om naadloze gegevensuitwisseling te garanderen, waardoor de algemene systeemprestaties worden geoptimaliseerd.
De 8255 heeft drie verschillende bedieningsmodi:
Modus 0 (Basic I/O): maakt eenvoudige gegevensinvoer en -uitvoer mogelijk, waardoor het ideaal geschikt is voor eenvoudige taken.
Modus 1 (gecontroleerd I/O): bevat handshaking voor meer gecontroleerde gegevensoverdrachtsprocessen, waardoor de betrouwbaarheid wordt verbeterd.
Modus 2 (dual-directionele bus): ondersteunt bidirectionele gegevensstromen, geschikt voor complexe communicatiebehoeften.
Moderne systemen emuleren deze modi vaak met behulp van bijgewerkte hardware voor achterwaartse compatibiliteit, zodat bestaande workflows en applicaties naadloos blijven functioneren.
De 8255 behandelt interrupts door ze te activeren onder specifieke omstandigheden en vooraf gedefinieerde interrupt -serviceroutines uit te voeren.Dit mechanisme geeft prioriteit aan onmiddellijke aandacht voor taken met hoge prioriteit, waardoor snelle reacties op evenementen mogelijk worden.Een praktisch voorbeeld omvat het bewaken van een invoerpoort op een externe signaalwijziging en het activeren van een interrupt om deze onmiddellijk te verwerken.Sommigen gebruiken interruptvectoren om serviceroutines te definiëren, waardoor precieze en tijdige antwoorden op dergelijke onderbrekingen worden gewaarborgd.
In de jaren tachtig werd de 8255 veel gebruikt om parallelle I/O -mogelijkheden te bieden in data -acquisitie, procescontrole en industriële automatisering.Deze applicaties profiteerden van het vermogen van de chip om meerdere I/O -bewerkingen tegelijkertijd af te handelen.De 8255 werd bijvoorbeeld gebruikt in vroege computergestuurde productiesystemen om sensoren en actuatoren efficiënt te interfaces.De veelzijdigheid en betrouwbaarheid maakte het een kern in de automatisering van verschillende industrieën, ter ondersteuning van een reeks taken, van eenvoudige gegevensverzameling tot complexe controleprocessen.
De 8255 beheert handshake-signalen via ingebouwde functies die de gegevensstroom tussen de hoofdprocessor en de 8255 reguleren. Dit omvat erkenning van gegevensontvangst en het waarborgen van een juiste sequencing van communicatie, wat leidt tot verbeterde synchronisatie tussen systeemcomponenten.In de praktijk zorgt handshaking ervoor dat de gegevens van een sensor nauwkeurig worden gelezen voordat het naar de volgende processtap gaat, waardoor de nauwkeurigheid en de efficiëntie van het systeem worden beschermd.
De 8255 Microprocessor, hoewel grotendeels vervangen door geavanceerde perifere interface-chips zoals microcontrollers en algemene I/O-chips, wordt nog steeds af en toe gebruikt in legacy-systemen waar parallelle I/O-mogelijkheden nodig zijn.Deze systemen behouden hun functionaliteit vanwege het robuuste en goed begrepen ontwerp van de 8255. Bijvoorbeeld, verschillende oudere industriële machines blijven vertrouwen op de 8255 voor betrouwbaar en eenvoudig I/O-beheer.Inzicht in de kenmerken van de 8255 maakt effectief onderhoud en incidentele integratie mogelijk in bestaande opstellingen die parallelle gegevensverwerking vereisen.Deze blijvende aanwezigheid spreekt tot de betrouwbare prestaties van de chip, zelfs in het licht van moderne alternatieven.
Stuur een aanvraag, we zullen onmiddellijk reageren.
Op 2024/10/8
Op 2024/10/7
Op 8000/04/18 147757
Op 2000/04/18 111936
Op 1600/04/18 111349
Op 0400/04/18 83721
Op 1970/01/1 79508
Op 1970/01/1 66907
Op 1970/01/1 63040
Op 1970/01/1 63012
Op 1970/01/1 54081
Op 1970/01/1 52125