
De 74HC02 is een geïntegreerd circuit met vier verschillende 2-input of poorten.Elke poort is uitgerust met invoerklemdiodes, die hand in hand werken met stroombeperkende weerstanden om instanties te beheren wanneer invoerwaarden de VCC overschrijden.In het landschap van digitale circuits staat de NOR -poort als een eerste logica -element.De eenvoud ervan schijnt door zijn werking: het voert een hoog signaal uitsluitend uit wanneer beide ingangen laag zijn.Daarom wordt de 74HC02 een vereist onderdeel van het maken van verschillende logische functies.
In praktische termen kan de 74HC02 circuitontwerpen vaak stroomlijnen door het aantal componenten te verminderen dat nodig is voor complexe logische taken.De NOR -poort schijnt wanneer uitsluitend aan twee of meer voorwaarden moet worden voldaan om een uitgang te genereren.Consumentenelektronica dient als een illustratief voorbeeld.U kunt vaak naar dit IC gaan om controles te navigeren die alleen onder specifieke omstandigheden moeten activeren, zoals de automatische standby -modi die in televisies worden gezien.
Het aanpassingsvermogen van de 74HC02 vertakt uit elementaire toepassingen en vindt zijn plaats in ingewikkelde systemen.Het dient als een sleutelelement bij het bouwen van slippers en vergrendelingen.Deze componenten worden gebruikt in timingcircuits die aanwezig zijn in geheugenchips en processors.Bovendien blijkt de 74HC02 een subtiele katalysator te zijn voor innovatie bij het oplossen en repareren van problemen, waarbij het grijpen van de logische stromen de weg vrijmaakt voor effectievere diagnostiek.
|
Functie |
Beschrijving |
|
Bedrijfsspanningsbereik |
Breed bereik van 2,0 V tot 6,0 V |
|
Power Dissipation |
Laag stroomverbruik met CMOS -technologie |
|
Ruisimmuniteit |
Hoge lawaai immuniteit |
|
Latch-up Performance |
Robuuste opsluitingsprestaties van meer dan 100 mA (JESD 78
Klasse II -niveau B) |
|
Invoerniveaus |
- 74HC02: CMOS -niveau |
|
- 74HCT02: TTL -niveau |
|
|
Naleving van Jedec -normen |
- JESD8C: 2.7 V tot 3,6 V |
|
- Jesd7a: 2.0 V tot 6.0 V |
|
|
ESD -bescherming |
- HBM JESD22-A114F: overtreft 2000 V |
|
-MM JESD22-A115-A: overschrijdt 200 V |
|
|
Pakketopties |
Verschillende pakketopties beschikbaar |
|
Temperatuurbereikspecificaties |
Verstrekt voor -40 ° C tot +85 ° C en -40 ° C tot +125 ° C |
|
Type |
Parameter |
|
Max Power Dissipation |
500 MW |
|
Voortplantingsvertraging |
15 ns |
|
Ruststroom |
2μA |
|
Schakel de vertragingstijd in |
7 ns |
|
Logisch niveau - laag |
0,5V ~ 1,8 V |
|
Logisch niveau - Hoog |
1.5V ~ 4.2V |
|
Stroom - Output hoog, laag |
5.2MA, 5.2MA |
|
Uitgangsstroom |
25 ma |
|
Aantal functies |
4 |
De 74HC02 herbergt vier afzonderlijke noch poorten, elk afgestemd op geavanceerde logische bewerkingen.Deze poorten stoten op unieke wijze alleen een hoog signaal uit wanneer elke invoer zich zo laag registreert, zoals geïllustreerd door de waarheidstabel.Dit kenmerk stelt niet in staat om initiële elementen te zijn bij het creëren van digitale circuits, die complexe logische functionaliteiten ondersteunen.Door ze strategisch te configureren, emuleren deze poorten in het bijzonder andere logische poorten zoals en, of, en niet.

In de wereld van digitale systemen, noch Gates geïllustreerd door de 74HC02 bieden uitgebreide kansen voor het ontwikkelen van aanpasbare en robuuste logische circuits.Ze stellen u in staat om basisfuncties te integreren en elementen te besturen in computationele apparaten.Door efficiënte combinaties voeren deze poorten ontkenning en conjunctie uit, die kernfacetten zijn van rekenprocessen.U kunt vaak afhankelijk zijn van hun vermogen om circuitarchitectuur te stroomlijnen, de algehele operationele werkzaamheid en systeembetrouwbaarheid te verbeteren.
•Geheugen en opslag: Wijdverbreide toepassing van NOR -poorten kan worden waargenomen in geheugen- en opslagtechnologieën.Als basiscomponenten bij het construeren van geheugencellen vergemakkelijken ze gegevensbeheerprocessen in zowel vluchtige als niet-vluchtige herinneringen.Hun rol is meestal opmerkelijk in flash-geheugeninnovaties, waarbij hun opname gegevensopslag met hoge capaciteit ondersteunt met verminderde stroomvereisten.Dergelijke vorderingen benadrukken noch de opmerkelijke bijdrage van Gates aan het evolueren van alledaagse elektronische geheugentechnologieën.
Noch poorten in de 74HC02 versterken de beveiligingsmogelijkheden van digitale configuraties aanzienlijk.Meestelijke toepassing van deze poorten maakt de uitvoering van ingewikkelde beveiligingsprotocollen mogelijk.Logische configuraties, zoals die in coderingsalgoritmen, gebruiken deze poorten om gevoelige gegevens te beschermen tegen ongeautoriseerde blootstelling.Bijgevolg is de sterkte van NOR -poorten cruciaal in het vormen van veilige systeemarchitecturen die nuttig zijn voor het handhaven van gegevensintegriteit en het beschermen van uw vertrouwelijkheid.
Bovendien heeft de 74HC02 invloed op controlesignaalbeheer in tal van elektronische systemen.Noch poorten zijn van groot belang bij het aansturen van signaalroutes, waardoor nauwkeurige controle over de timing en de opeenvolgende uitvoering van taken bij microcontrollers en processors worden vergemakkelijkt.Dit niveau van controle is actief voor het maximaliseren van de systeemprestaties en het waarborgen van synchronisatie tussen diverse componenten binnen een digitaal kader.
Het 74HC02 geïntegreerde circuit heeft een opmerkelijke betekenis binnen de uitgestrekte 7400 -serie, die doordachte reflectie op zijn functionele specificaties en denkbaar gebruik uitnodigt.Het speelt een rol in systemen die creativiteit en probleemoplossende verlangens parlay in innovatieve circuitontwerpen.

Het circuit vereist stabiliteit in zijn stroombron, operationeel binnen een VCC -spectrum van 2V tot 6V.Dergelijk aanpassingsvermogen biedt kansen voor de integratie ervan in een talloze systemen, ter ondersteuning van een volledige reeks stroomvereisten.Het beveiligen van de power pins met vertrouwen zorgt voor operationele stabiliteit en voorkomt ongewenste verstoringen.
Bestaande uit vier afzonderlijke noch poorten, vereist de 74HC02 -chip minimale invoer, die dient als een ultieme component voor het ontwikkelen van meer ingewikkelde logische circuits.U kunt deze poorten vaak gebruiken in digitaal logisch ontwerp.
Uitgangsstroomlimieten, piekt bij 4 mA per gate bij het werken op 5V, omlijsten de grenzen van de applicatie.Deze factor stimuleert zorgvuldige belastingbeoordelingen om overstrekkende output te voorkomen, waardoor een harmonie van betrouwbaarheid wordt bereikt.U kunt bufferpoorten binnen circuits infuseren, waarbij u vakkundig stromingen beheren om de levensvatbaarheid van de IC te beschermen en te verlengen.
Noch poorten dienen als typische elementen in de wereld van digitale elektronica.Door ze toepasselijk te configureren, kan men elke Booleaanse functie creëren, wat hun uitzonderlijke flexibiliteit onderstreept.U kunt ingaan op veelzijdige toepassingen voor deze poorten, zoals het construeren van vergrendelingen en oscillatoren, waarbij het aanpassingspotentieel van de chip wordt getoond om te voldoen aan de ingewikkelde behoeften van unieke en creatieve ontwerpen.
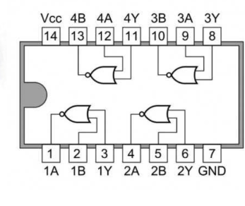
Het 74HC02 geïntegreerde circuit heeft een totaal van 14 pins en omvat vier basis of poorten, zorgvuldig georganiseerd zoals afgebeeld in het bijbehorende pinout -diagram voor optimale duidelijkheid en functionaliteit.

|
PIN Nr. |
Speldnaam |
Type |
Beschrijving |
|
1 |
1y |
Uitvoer
|
Uitgang vanaf de eerste nor -poort. |
|
2 |
1a |
Invoeren |
Input naar de eerste nor -poort. |
|
3 |
1B |
Invoeren |
Input naar de eerste nor -poort. |
|
4 |
2y |
Uitvoer |
Uitgang van de tweede noch poort. |
|
5 |
2a |
Invoeren |
Input naar de tweede noch poort. |
|
6 |
2B |
Invoeren |
Input naar de tweede noch poort. |
|
7 |
GND |
Stroom |
Maak verbinding met de grond. |
|
8 |
3a |
Invoeren |
Input naar de derde noch poort. |
|
9 |
3B |
Invoeren |
Input naar de derde noch poort. |
|
10 |
3y |
Uitvoer |
Uitgang van de derde nor -poort. |
|
11 |
4a |
Invoeren |
Input naar de vierde noch poort. |
|
12 |
4B |
Invoeren |
Input naar de vierde noch poort. |
|
13 |
4y |
Uitvoer |
Uitgang van de vierde nor -poort. |
|
14 |
VCC |
Stroom |
Positieve stroomvoorziening.Maak verbinding met +5V vermogen. |





De 74HC02 IC is een veelzijdige component die vaak wordt gebruikt in eenvoudige maar belangrijke elektronische projecten.Een praktisch voorbeeld is het construeren van een SR (set-reset) vergrendeling, een circuit waarmee u een LED kunt besturen met behulp van de IC's nor-poorten.Dit ontwerp demonstreert de "geheugen" -functie van een SR -vergrendeling - waar de LED verlicht blijft, zelfs nadat de eerste knopdruk is vrijgegeven.

Verzamel het volgende om dit circuit te bouwen:
• 1 x 74HC02 IC: de hoofdcomponent, die de NOR -poorten biedt.
• 1 x LED (L1): geeft de uitgangsstatus weer (aan of uit).
• 2 x 10 kΩ weerstanden (R1, R2): reguleer de spanningsniveaus voor stabiele werking van het circuit.
• 1 x 1 kΩ weerstand (R3): beschermt de LED door de stroom te beperken die erdoorheen gaat.
• 2 x Pushbuttons (S1, S2): sta u toe de status van de LED in te schakelen (zet deze in of uit).
De 74HC02 IC biedt een reeks variaties, die elk zijn kernkenmerken handhaven en tegelijkertijd verschillen in spanning en stroombehandelingsmogelijkheden vertonen.Verschillende opmerkelijke opties zijn onder meer:
• 74HCT02
• 74LS02
• 74LVC02
• 74AC02
• 74ALS02
• 74F02
• 74C02
|
Symbool |
Parameter |
Waarde |
Eenheid |
|
VCC |
DC -voedingsspanning (verwezen naar GND) |
- 0,5 tot +7.0 |
V |
|
Vin |
DC -ingangsspanning (verwezen naar GND) |
- 0,5 tot VCC + 0,5 |
V |
|
Af |
DC -uitgangsspanning (verwezen naar GND) |
- 0,5 tot VCC + 0,5 |
V |
|
lin |
DC -ingangsstroom, per pin |
± 20 |
ma |
|
Ie |
DC -uitgangsstroom, per pin |
± 25 |
ma |
|
ICC |
DC Supply Current, VCC en GND -pinnen |
± 50 |
ma |
|
PD |
Power Dissipation in Still Air: |
||
|
- Sloic -pakket |
500 |
MW |
|
|
- TSSOP -pakket |
450 |
MW |
|
|
TSTG |
Opslagtemperatuur |
- 65 tot +150 |
℃ |
|
TL |
Loodtemperatuur, 1 mm van het geval gedurende 10 seconden: |
||
|
- Soic- of TSSOP -pakket |
260 |
℃ |
|
Symbool |
Parameter |
Min |
Maximaal |
Eenheid |
|
VCC |
DC -voedingsspanning (verwezen naar GND) |
2 |
6 |
V |
|
Vin, Vout |
DC -ingangsspanning, uitgangsspanning (verwezen naar GND) |
0 |
VCC |
V |
|
Ta |
Bedrijfstemperatuur, alle pakkettypen |
-55 |
125 |
℃ |
|
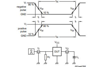
TR, TF |
Inputstijging en valtijd (74HC02 golfvormen figuur) |
ns |
||
|
- VCC = 2.0 V |
0 |
1000 |
||
|
- VCC = 4,5 V |
0 |
500 |
||
|
- VCC = 6.0 V |
0 |
400 |

Stuur een aanvraag, we zullen onmiddellijk reageren.
Een NOR -poort combineert de functies van een of poort en een omvormer.Het produceert alleen een echte uitvoer als beide ingangen onjuist zijn.Dit kenmerk is actief voor het vereenvoudigen van digitale logische circuits, omdat het zowel ontkenning- als conjunctie -bewerkingen biedt.Het gebruik van NOR -poorten verbetert zowel de betrouwbaarheid als de efficiëntie van verschillende toepassingen door de complexiteit van het circuit te verminderen.
De 74HC02 IC werkt binnen een spanningsbereik van 2,7 V tot 3,6 V. Dit bereik is meestal gunstig in digitale elektronica, waardoor eenvoudige integratie met verschillende digitale systemen mogelijk wordt gehouden met behoud van een laag stroomverbruik.Dit kenmerk is vooral belangrijk in apparaten op batterijen en zorgt voor de integratie van verschillende logische families in omgevingen met gemengde spanning.
Noch poorten zijn compact en kosteneffectief, waardoor ze een uitstekende keuze zijn om materiaalkosten te verlagen.Hun eenvoudige ontwerp vergemakkelijkt snelle ontwikkeling en prototyping, zodat u zich kunt concentreren op het verbeteren van andere aspecten van hun systemen.Het opnemen of poorten in circuitontwerpen kunnen het systeem vereenvoudigen, waardoor de duurzaamheid en prestaties mogelijk worden verbeterd.
Het kiezen tussen NOR- en NAND -poorten hangt af van specifieke behoeften zoals snelheid, stroomverbruik, kosten en complexiteit van het circuitontwerp.Noch poorten hebben vaak de voorkeur in toepassingen die snelle prestaties en een laag vermogensverbruik vereisen.Aan de andere kant zijn NAND-poorten eenvoudiger, wat kan leiden tot kostenbesparingen en het gemak van ontwerp in grootschalige integratie (VLSI) -circuits.De beslissing moet gebaseerd zijn op een zorgvuldige evaluatie van deze factoren ten opzichte van de vereisten van de toepassing.
Op 2024/11/28
Op 2024/11/28
Op 8000/04/18 147757
Op 2000/04/18 111936
Op 1600/04/18 111349
Op 0400/04/18 83721
Op 1970/01/1 79508
Op 1970/01/1 66907
Op 1970/01/1 63042
Op 1970/01/1 63012
Op 1970/01/1 54081
Op 1970/01/1 52125