
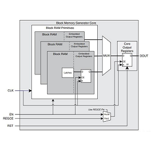
Block Ram (Bram) is een belangrijk onderdeel in moderne FPGA's, vooral in de SP3 -serie van Xilinx.De SP3 FPGA biedt twee soorten RAM: blok RAM en gedistribueerde RAM, elk ontworpen voor specifieke gegevensverwerkingstaken.Het biedt tot 1,87 Mbit aan blok RAM, dat wordt gebruikt voor taken zoals data-caching, FIFO-structuren en buffering in hoogwaardige systemen.Elke blok RAM-eenheid heeft een capaciteit van 18 kbit en ondersteunt echte functionaliteit met dubbele poorten.Dit betekent dat het twee onafhankelijke 36-bit databussen bevat voor gelijktijdige lees- en schrijfbewerkingen, waardoor de efficiëntie wordt gemaximaliseerd.U kunt het configureren als RAM met één poorts met maximaal 72-bits bandbreedte of Dual-Port RAM met 36-bit bandbreedte, waardoor flexibiliteit voor verschillende behoeften aan de gegevenstoegang mogelijk is.
Block RAM -eenheden kunnen ook worden gecascadeerd tot 104 eenheden kunnen naadloos verbinding maken om de geheugencapaciteit uit te breiden en meer complexe verwerkingstaken te ondersteunen.Deze functie maakt het mogelijk om veelzijdige geheugensystemen te bouwen met aangepaste beeldverhoudingen en gegevensbandbreedteconversies.In de praktijk verbetert Block RAM de prestaties in toepassingen die snelle gegevenstoegang vereisen, zoals digitale signaalverwerking (DSP).Het vermogen om snelle lees-/schrijfbewerkingen uit te voeren verbetert de doorvoer en vermindert de latentie, terwijl pariteitsbewerkingen voor gegevensbetrouwbaarheid zorgen.Het ontwerp van het dubbele poorts en het trapsgewijze mogelijkheden maken Block RAM een krachtig hulpmiddel voor het creëren van efficiënte geheugenarchitecturen.Naarmate de vraag naar high-speed gegevensverwerking groeit, wordt het potentieel van Block Ram steeds belangrijker in FPGA-gebaseerd systeemontwerp steeds belangrijker.
Blok RAM vereist volledig gebruik binnen een enkel exemplaar, wat betekent dat als er minder geheugen nodig is dan wat een blok RAM -eenheid biedt, het ongebruikte gedeelte niet beschikbaar is voor andere doeleinden.Dit kan leiden tot inefficiënties en verspilde middelen, vooral in systemen met dynamische of fluctuerende geheugeneisen.Distributed RAM biedt daarentegen een grotere flexibiliteit door een nauwkeurige toewijzing van alleen het benodigde geheugen mogelijk te maken, waardoor het ideaal is voor toepassingen met veranderende vereisten, zoals tijdgegevensverwerking.Deze architecturale verschillen beïnvloeden ontwerpstrategieën, waarbij gedistribueerd RAM vaak efficiënter middelenbeheer mogelijk maakt, het stroomverbruik vermindert en de systeemprestaties verbetert.Kiezen tussen blok RAM en gedistribueerde RAM hangt af van de specifieke toepassing, het balanceren van schaalbaarheid, prestaties en kosteneffectiviteit.
Stuur een aanvraag, we zullen onmiddellijk reageren.
Op 2024/12/30
Op 2024/12/30
Op 8000/04/17 147721
Op 2000/04/17 111790
Op 1600/04/17 111328
Op 0400/04/17 83652
Op 1970/01/1 79370
Op 1970/01/1 66809
Op 1970/01/1 62968
Op 1970/01/1 62865
Op 1970/01/1 54050
Op 1970/01/1 52032