
De EPM3064ATC44-10 Uit Intel's Max® 3000A -serie vertegenwoordigt een krachtig complex programmeerbaar Logic Device (CPLD) dat is ontworpen voor een breed scala aan digitale toepassingen.Met 64 macrocellen is dit apparaat geoptimaliseerd voor een snelle respons met een maximale voortplantingsvertraging van 10 nanoseconden, waardoor efficiënte prestaties worden gewaarborgd.Het werkt op een 3,3V-voedingsspanning, gehuisvest in een 44-pins dunne quad flat pack (TQFP) -pakket, geschikt voor commerciële toepassingen binnen een temperatuurbereik van 0 ° C tot 70 ° C.Het onderdeelnummer EPM3064ATC44-10 omvat zijn ontwerp en functionaliteit: EPM Voor de Max® -serie CPLD's, 3064 Geeft het specifieke model aan met 64 macrocellen, A voor de geavanceerde 3.3V -technologie, T voor het TQFP -pakket, en C44 bevestiging van het aantal pincodes en temperatuurspecificaties.Het achtervoegsel-10 geeft zijn snelle snelheidscijfer aan met minimale vertraging.Dit apparaat is een perfecte oplossing voor het integreren van SSI-, MSI- en LSI -logische functies, compatibel met 100% TTL -emulatie.Het ondersteunt een naadloze integratie van diverse apparaten, variërend van vrienden, meisjes en 22V10's tot Mach- en PLSI -apparaten, waardoor het extreem veelzijdig is.De Max® 3000A -serie beschikbaar in verschillende pakketopties zoals PLCC, PQFP en TQFP, biedt ontwerpflexibiliteit in verschillende toepassingen.
Als u uw digitale systemen wilt upgraden met betrouwbare en efficiënte logische apparaten, is investeren in de EPM3064ATC44-10 in bulk een slimme zet.Het is een beslissing die zorgt voor zowel sterke prestaties als solide winstgevendheid.

EPM3064atc44-10 voetafdruk

EPM3064ATC44-10 3D-model
• 64 Macrocells: Deze CPLD bevat 64 configureerbare logica -eenheden genaamd MacroCells.Elke macrocell kan individueel worden geprogrammeerd om complexe logische bewerkingen uit te voeren, waardoor het apparaat een breed scala aan digitale functies en processen kan verwerken.
• Bruikbare poorten: Het apparaat biedt ongeveer 1.250 bruikbare poorten.Deze maatstaf voor complexiteit geeft de hoeveelheid logische integratie aan die mogelijk binnen de CPLD mogelijk is, waardoor het zowel eenvoudige als complexe digitale circuits effectief kan ondersteunen.
• Maximale bedrijfsfrequentie: De EPM3064ATC44-10 kan werken met een maximale frequentie van 222,2 MHz.Deze hoge frequentie vergemakkelijkt snellere verwerkingssnelheden, waardoor het ideaal is voor toepassingen die snelle responstijden en high-speed gegevensbewerkingen vereisen.
• Voortplantingsvertraging: Met een lage voortplantingsvertraging van slechts 4,5 nanoseconden, minimaliseert deze CPLD de tijdsvertraging in signaaloverdracht van invoer naar output, waardoor de algehele systeemprestaties en responsiviteit worden verbeterd.
• Leveringsspanning: Het werkt op een 3,3V -voedingsspanning, met een toegestane bereik van 3,0 V tot 3,6 V.Dit spanningsbereik biedt flexibiliteit in de voedingsvereisten, waardoor het compatibel is met een verscheidenheid aan digitale systemen.
• I/O -pinnen: Het apparaat bevat 34 invoer-/uitvoerpennen, waardoor uitgebreide connectiviteit mogelijk is met andere componenten van een digitaal systeem.Deze pinnen vergemakkelijken de overdracht van gegevens naar en uit de CPLD, wat een breed scala aan interface -functionaliteiten ondersteunt.
• Pakkettype: Gehuisvest in een 44-pins dun Quad Flat Pack (TQFP), biedt de EPM3064ATC44-10 een compacte vormfactor die gunstig is voor toepassingen waar de ruimte een premium is, zonder in gevaar te brengen op het aantal I/O-opties.
• Bedrijfstemperatuurbereik: Ontworpen om te werken binnen een commercieel temperatuurbereik van 0 ° C tot 70 ° C, is deze CPLD geschikt voor een breed scala aan omgevingen, waardoor betrouwbare prestaties worden gewaarborgd onder typische industriële omstandigheden.

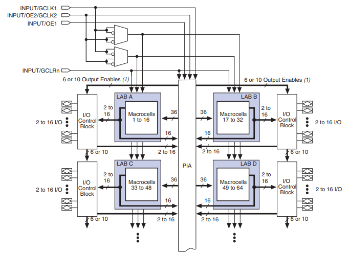
Het blokdiagram voor de EPM3064ATC44-10 biedt een visuele weergave van de interne architectuur, waarbij de functionele componenten en hun onderlinge verbindingen worden benadrukt.In de kern van het ontwerp staan vier logische arrayblokken (labs) met het label A, B, C en D, die elk 16 macrocellen bevatten voor een totaal van 64 macrocellen.Deze laboratoria zijn verbonden met een centrale programmeerbare interconnectarray (PIA), die de routing van signalen tussen de laboratoria en de I/O -besturingsblokken vergemakkelijkt.De PIA zorgt ervoor dat de ingangen, uitgangen en interne logica efficiënt en flexibel kunnen communiceren.Elk laboratorium is verder verbonden met zijn respectieve I/O -besturingsblok, dat tot 16 I/O -pinnen verwerkt.Deze I/O -blokken beheren de interactie tussen externe signalen en de interne logica, met functies zoals bidirectionele werking en programmeerbare uitvoer mogelijk.Het diagram toont besturingssignalen zoals globale klokken (GCLK1 en GCLK2), output signals (OE1 en OE2) en globaal duidelijk (GCLRN) die de werking van de macrocellen en I/O -blokken orkestreren, ervoor zorgen dat synchronisatie en het mogelijk maken van specifieke functies als nodig is.

De grafiek illustreert het typische actieve voedingsstroom (ICC) -verbruik versus frequentie voor de EPM3064ATC44-10 onder een voedingsspanning van 3,3 V bij kamertemperatuur.Twee operationele modi zijn gemarkeerd: Hoge snelheid En Laag vermogen.In de hoge snelheidsmodus neemt het huidige verbruik lineair toe met de bedrijfsfrequentie, beginnend bij ongeveer 50 mA voor lagere frequenties en het bereiken van ongeveer 70 mA met een frequentie van 222,2 MHz.Deze modus is ontworpen voor toepassingen die maximale prestaties en snellere verwerkingssnelheden vereisen.Omgekeerd vertoont de modus met lage stroom een lagere stroomverbruik, beginnend bij ongeveer 20 mA bij lagere frequenties en stijgen tot ongeveer 30 mA bij 125 MHz.Deze modus is geoptimaliseerd voor energie-efficiënte werking, waardoor het geschikt is voor ontwerpen die prioriteit geven aan een lager stroomgebruik boven de snelheid.
|
Type |
Parameter |
|
Fabrikant |
Altera/intel |
|
Serie |
Max® 3000A |
|
Verpakking |
Dienblad |
|
Onderdeelstatus |
Verouderd |
|
Programmeerbaar type |
In systeem programmeerbaar |
|
Vertragingstijd TPD (1) Max |
10 ns |
|
Spanningsvoorziening - Intern |
3v ~ 3.6V |
|
Aantal logische elementen/blokken |
4 |
|
Aantal macrocellen |
64 |
|
Aantal poorten |
1250 |
|
Aantal I/O |
34 |
|
Bedrijfstemperatuur |
0 ° C ~ 70 ° C (TA) |
|
Montagetype |
Oppervlaktemontage |
|
Pakket / kast |
44-tqfp |
|
Leverancierapparaatpakket |
44-tqfp (10x10) |
|
Base Productnummer |
EPM3064 |
1. Voer ISP in: Deze initiële fase brengt de invoer/uitvoer (I/O) -pennen over van de normale gebruikersmodus naar de ISP -modus.Het is een voorbereidingsstap die ervoor zorgt dat het apparaat klaar is om te programmeren, waarbij slechts 1 milliseconde moet worden voltooid.
2. Controleer ID: Voordat u begint met programmering of verificatie, wordt de silicium -ID van het apparaat gecontroleerd om de identiteit te bevestigen en de compatibiliteit met de programmeeropdrachten te waarborgen.Deze stap is snel en neemt een minimaal deel van de algehele programmeertijd in beslag.
3. Bulk wissen: Om de vorige gegevens van het apparaat te wissen, wordt een bulkwising uitgevoerd.Dit omvat het laden van wissen in het apparaat en het toepassen van een 100-milliseconde puls om de EEPROM (elektrisch uitwistable programmeerbare alleen-lezen geheugen) te wissen.Deze stap bereidt het apparaat voor op nieuwe gegevens.
4. Programma: Tijdens deze stap worden nieuwe gegevens in het apparaat geprogrammeerd.Dit omvat het laden van elk EEPROM -adres met de nieuwe gegevens en het toepassen van een programmeerpuls om de gegevens in de EEPROM -cellen te schrijven.Dit proces wordt op adres herhaald, totdat alle beoogde gegevens in het apparaat zijn geprogrammeerd.
5. Controleer: Na het programmeren worden de gegevens van het apparaat geverifieerd om ervoor te zorgen dat het correct is geschreven.Dit omvat het lezen van de gegevens van elk EEPROM -adres en het vergelijken met de beoogde gegevens.Deze stap zorgt voor de programmeernauwkeurigheid en wordt voor elk adres herhaald.
6. Exit ISP: De laatste stap brengt de I/O -pinnen van de ISP -modus terug naar de gebruikersmodus.Net als de ISP -fase Enter is deze stap ook snel en vereist slechts 1 milliseconde.Het markeert de voltooiing van het programmeerproces, waardoor het apparaat de normale bewerkingen kan hervatten.
Deze CPLD is ideaal voor ingebedde systeemtoepassingen waar aangepaste logica nodig is om de functionaliteiten van microcontrollers te vergroten.Het kan taken uitvoeren zoals interface, controle -signaalverwerking en het beheren van hardware -randapparatuur, het verbeteren van de mogelijkheden en efficiëntie van ingebedde ontwerpen.
In de telecommunicatiesector speelt de EPM3064ATC44-10 een rol bij protocolbehandeling, signaalintegriteitsbeheer en gegevensroutering.De high-speed logische verwerkingsmogelijkheden maken het geschikt voor toepassingen zoals digitale signaalverwerking, netwerkschakelaars en interface-conversie, waardoor de efficiënte gegevensstroom en communicatiebetrouwbaarheid worden geholpen.
Het apparaat wordt uitgebreid gebruikt in test- en meetapparatuur vanwege de herprogrammeerbare aard en snelle werking.Het is in staat om complexe logische bewerkingen te verwerken die vereist zijn in data -acquisitiesystemen, signaalgeneratoren en analysetools, waardoor nauwkeurige controle en aanpasbare functionaliteit nodig is die nodig is in wetenschappelijke en industriële testomgevingen.
Als een programmeerbare logische controller (PLC) is de EPM3064ATC44-10 te vinden in verschillende automatiserings- en procesbesturingstoepassingen.Het biedt de nodige logische mogelijkheden om machines, processignalen te regelen en veiligheidscontroles uit te voeren, terwijl ze efficiënt werken onder industriële omstandigheden en binnen brede temperatuurbereiken.
In consumentenelektronica helpt deze CPLD om innovatie te stimuleren in apparaten zoals smart home -systemen, draagbare gamingapparaten en geavanceerde audio/visuele apparatuur.Het ondersteunt complexe logische oplossingen die de functies van het apparaat verbeteren, interfaces verbeteren en de integratie van functies van de volgende generatie in consumentenproducten mogelijk maken.
Bij het overwegen van de aankoop van de EPM3064atc44-10 zijn er verschillende aspecten om in gedachten te houden om ervoor te zorgen dat deze aan uw projectvereisten past.Eerst en vooral, houd er rekening mee dat deze component verouderd is, hoewel we nog steeds beperkte aandelen bieden.Zorg ervoor dat de technische specificaties overeenkomen met uw behoeften.De EPM3064ATC44-10 beschikt over 64 macrocellen, werkt op een maximale frequentie van 222,2 MHz en is ontworpen voor een 3,3V-voeding binnen een 44-pins TQFP-pakket.Het is nodig om de datasheet en applicatie -notities te bekijken om de integratie- en operationele vereisten van deze component volledig te begrijpen.Gezien de verouderde status van de component, evalueer ook alternatieve opties die vergelijkbare functionaliteit bieden en actief wordt ondersteund.Deze stap is belangrijk voor het handhaven van de levensduur en ondersteunbaarheid van uw project.
Dit apparaat kan werken met een hoge maximale frequentie van 222,2 MHz, wat een snelle verwerking van gegevens en taken mogelijk maakt.De lage voortplantingsvertraging van slechts 4,5 nanoseconden minimaliseert de tijd die nodig is om signalen door het apparaat te reizen, waardoor de algemene systeemresponsiviteit en prestaties in tijdgevoelige toepassingen worden verbeterd.
Ontworpen voor efficiëntie werkt de EPM3064ATC44-10 op een 3,3V-voedingsspanning, die helpt bij het verminderen van het totale stroomverbruik van het systeem waar het deel van uitmaakt.Deze functie is gunstig in draagbare en op batterijen bediende apparaten waar stroomefficiëntie vereist is.
De herprogrammeerbare aard van deze CPLD maakt meerdere iteraties en updates mogelijk in de ontwerpfase en na de implementatie, ter ondersteuning van continue verbetering en aanpassing aan veranderende technologische behoeften zonder dat volledige hardware -herontwerp nodig is.
Met 34 I/O-pinnen ondersteunt de EPM3064ATC44-10 uitgebreide interface-opties, waardoor het gemakkelijk is om verbinding te maken met een breed scala aan andere digitale componenten.Deze flexibiliteit is geweldig voor complexe systemen die talloze verbindingen vereisen tussen verschillende soorten apparaten.
Deze CPLD is gebouwd met een robuuste, niet-vluchtige, op flash gebaseerde architectuur en handhaaft in de loop van de tijd programma-integriteit en functionaliteit, waardoor consistente prestaties en betrouwbaarheid worden gewaarborgd, zelfs met frequente stroomcycli of in harde bedrijfsomstandigheden.
De EPM3064ATC44-10 kan gemakkelijk meerdere oudere soorten logische apparaten zoals PALS en GAL's vervangen, waardoor de systeemcomplexiteit wordt verminderd en de efficiëntie verbetert.Deze mogelijkheid maakt het een ideale keuze voor het upgraden van bestaande systemen of het consolideren van meerdere functies naar een enkel apparaat.
Geschikt voor commerciële toepassingen werkt dit apparaat betrouwbaar binnen een temperatuurbereik van 0 ° C tot 70 ° C.Deze robuustheid zorgt voor implementatie in verschillende omgevingen, van kantooromgevingen tot industriële locaties, zonder degradatie van prestaties.

Het EPM3064ATC44-10-pakketpin-outdiagram vertegenwoordigt de fysieke opstelling van de pennen voor het apparaat.Het biedt details over de functies en toewijzingen van elke pin in het 44-pins pakket.Elke pin wordt gelabeld met zijn aangewezen functionaliteit, zoals I/O (input/output), voeding (VCC), grond (GND) of specifieke operationele signalen zoals TDI, TDO, TMS en TCK, die worden gebruikt voor JTAGprogrammeren en debuggen.Het diagram maakt gebruik van een top-down weergave van de chip, met duidelijke indicaties van pin-nummering om te helpen bij het identificeren van pinposities ten opzichte van het fysieke pakket.
De PIN -toewijzingen omvatten verschillende I/O -pinnen, die flexibiliteit bieden voor het interfaceren van het apparaat met andere componenten in een circuit.Specifieke pennen zoals input/gclk en invoer/OE worden gemarkeerd, wat hun dubbele rollentoonstelling tonen bij het verstrekken van kloksignalen of het fungeren als algemene invoerpennen.Deze multifunctionele pennen zijn geweldig voor het optimaliseren van het gebruik van het apparaat in programmeerbare logische toepassingen.Het diagram identificeert ook stroom- en grondpennen die over het pakket worden verdeeld, waardoor betrouwbare stroomafgifte en signaalintegriteit wordt gewaarborgd.Met de hoekmarkering die pin 1 aangeeft, helpt het diagram de chip correct te oriënteren tijdens de montage en het risico op fouten te verminderen.
Altera stond bekend om zijn FPGA- en CPLD -productlijnen, zoals de Max- en Stratix -serie.De EPM3064ATC44-10, onderdeel van de Max 3000A-serie, was een van Altera's populaire CPLD's.Intel heeft na overname zich gericht op het bevorderen van FPGA-technologie en integreert het met Xeon-processors voor taken in AI en gegevensverwerking.De FPGA -line -up van Intel omvat nu de Agilex- en Stratix 10 -serie, die aan de behoeften in 5G en cloud computing aanpakt.Intel heeft enkele oudere Altera-producten zoals de EPM3064ATC44-10 stopgezet als onderdeel van de overgang naar nieuwere technologieën.Intel blijft leiden in programmeerbare logica en benadrukt AI -versnelling en herconfigureerbaar computergebruik met innovaties in ON -AAPI- en FPGA -kaarten.
De EPM3064ATC44-10 is een uitstekende keuze voor het maken of verbeteren van digitale apparaten.Het is snel, efficiënt en kan verbinding maken met vele andere componenten, waardoor het nuttig is voor verschillende elektronische toepassingen.Deze gids omvatte zijn belangrijkste kenmerken, hoe deze kan worden gebruikt in verschillende apparaten en de voordelen ervan, waaruit blijkt hoe het kan helpen om geavanceerdere en betrouwbare elektronische systemen te maken.Of u nu oude apparatuur bijwerkt of iets nieuws bouwt, de EPM3064ATC44-10 is een belangrijk onderdeel dat helpt alles beter te laten werken.
Stuur een aanvraag, we zullen onmiddellijk reageren.
De EPM3064ATC44-10 is ontworpen met robuuste vermogensbehandelingsmogelijkheden.Het is echter raadzaam om goed stroombeheer en overspanningsbeveiligingsmechanismen in uw circuitontwerp te implementeren om de duurzaamheid te verbeteren en schade onder fluctuerende stroomomstandigheden te voorkomen.
De EPM3064atc44-10, wanneer het wordt bediend binnen zijn gespecificeerde omstandigheden, biedt een betrouwbare operationele levensduur die consistent is met andere hoogwaardige CPLD's.De levensduur kan worden verlengd met het juiste thermische beheer en het vasthouden van spanningsspecificaties.
Hoewel de EPM3064ATC44-10 voor veel toepassingen robuuste prestaties levert, bieden nieuwere CPLD-modellen mogelijk een betere energie-efficiëntie en verbeterde prestatiekenmerken, zoals hogere logische dichtheid, snellere snelheden en een lager stroomverbruik.
De EPM3064ATC44-10 bevat beveiligingsfuncties die ongeautoriseerde toegang en configuratie voorkomen, inclusief een beveiligingsbit dat eenmaal ingesteld JTAG-programmering uitschakelt, waardoor het apparaat wordt beschermd tegen knoeien.
In telecommunicatie blinkt de EPM3064ATC44-10 uit in het beheren van signaalintegriteit en het verwerken van high-speed gegevens, dankzij de lage propagatievertraging en hoge bedrijfsfrequentie.Deze functies zorgen voor minimale signaalvervorming en robuuste gegevensverwerking in netwerkschakelaars en interface -conversie.
Op 2025/02/6
Op 2025/02/5
Op 8000/04/18 147774
Op 2000/04/18 112017
Op 1600/04/18 111351
Op 0400/04/18 83771
Op 1970/01/1 79568
Op 1970/01/1 66961
Op 1970/01/1 63102
Op 1970/01/1 63041
Op 1970/01/1 54097
Op 1970/01/1 52185