
A differentiële versterker is een kernonderdeel van veel analoge systemen.De hoofdfunctie is om het spanningsverschil tussen twee ingangssignalen te versterken en tegelijkertijd een spanning te negeren die voor beide gebruikelijk is.Deze selectieve versterking maakt het zo nuttig in lawaaierige omgevingen.Wanneer interferentie zoals elektromagnetische ruis of stroomlijn HUM beide ingangen gelijk beïnvloedt, annuleert de versterker deze effectief.
Dit vermogen wordt de afwijzing van gemeenschappelijke modus genoemd.Een hoge Common-Mode-afstotingsverhouding (CMRR) zorgt ervoor dat de versterker zich alleen richt op het ware signaalverschil, wat helpt de nauwkeurigheid te behouden.In medische apparatuur zoals ECG -machines zijn de elektrische signalen van het hart bijvoorbeeld klein en vaak begraven in geluid.Een differentiële versterker haalt deze signalen netjes uit, waardoor betrouwbare metingen mogelijk zijn.Hetzelfde principe is van toepassing in industriële of audiosystemen, waar precisie en weerstand tegen ruis belangrijk zijn.
Wanneer signalen lange afstanden afleggen, zoals via Twisted-Pair-kabels in data-acquisitiesystemen, pakken beide draden vergelijkbare interferentie op.De differentiële versterker annuleert deze gedeelde ruis en versterkt alleen het nuttige signaalverschil.Daarom is het een belangrijk onderdeel in precisie-elektronica die wordt gebruikt in alles, van sensorinterfaces tot high-fidelity audio.
Een op-amp, kort voor operationele versterker, is een elektronisch onderdeel dat kleine spanningssignalen veel groter kan maken.Het heeft twee invoerpennen: de ene wordt de niet-inverterende invoer genoemd (gemarkeerd met een "+"), en de andere is de inverterende invoer (gemarkeerd met een "-").De op-amp vergelijkt de spanningen op deze twee ingangen en geeft een uitgang op basis van het verschil daartussen.Op zichzelf heeft een op-amp een zeer hoge versterking, wat betekent dat zelfs een klein spanningsverschil tussen de twee ingangen de uitgang naar zijn maximale of minimumniveau kan duwen.Dit maakt het voor de meeste toepassingen te gevoelig.Om dit op te lossen, voegen we iets toe dat negatieve feedback wordt genoemd, dit is wanneer een deel van de uitgang terug wordt gestuurd in de inverterende invoer door weerstanden.Dit helpt de op-amp de output op een stabiel en nuttig niveau te houden.De weerstanden bepalen hoeveel de op-amp het verschil tussen de twee ingangen versterkt.

Figuur 2. OP-AMP's in differentiële versterking
De figuur toont een speciale opstelling genaamd een differentiële versterker, soms kortweg een diff -amp genoemd.Het gebruikt vier weerstanden (R₁, R₂, R₃ en R₄) en twee invoersignalen: V₁ en V₂.De op-amp kijkt naar hoe verschillende V₁ en V₂ zijn en geeft een uitgangsspanning V₀ die op dat verschil is gebaseerd.Dit soort circuit is geweldig in het oppakken van het verschil tussen twee signalen en het negeren van ruis of ongewenste signalen die hetzelfde zijn op beide ingangen.Daarom wordt het gebruikt in dingen als sensorcircuits, audiosystemen en meethulpmiddelen waar u duidelijke en nauwkeurige signalen nodig hebt.
Gebruik een evenwichtige opstelling met vier weerstanden om een differentiële versterker te maken die op een duidelijke en betrouwbare manier werkt.Het diagram laat zien hoe dit wordt gedaan met behulp van een op-amp (operationele versterker), twee ingangsspanningen (V₁ en V₂) en vier weerstanden: R1, R2, R3 en R4.

Figuur 3. Differentiaalversterkercircuit met symmetrisch weerstandsnetwerk
In dit circuit wordt de eerste ingangsspanning, V₁, via weerstand R1 verzonden naar de inverterende ingang van de op-amp (gemarkeerd met een min-teken).De tweede ingangsspanning, V₂, gaat door weerstand R3 naar de niet-inverterende ingang (gemarkeerd met een plusteken).Vervolgens verbindt Weerstand R2 de inverterende ingang op de grond, en weerstand R4 verbindt de uitgang van de op-amp terug met de inverterende ingang.Deze feedback-lus helpt de op-amp de output te regelen en het verschil tussen de twee ingangen stabiel te houden.
Het belangrijkste idee van deze versterker is om het verschil tussen v₂ en v₁ te meten en dat verschil te vermenigvuldigen met een bepaalde hoeveelheid, dit wordt de winst genoemd.De winst wordt ingesteld door de juiste weerstandswaarden te kiezen.Als R1 en R3 dezelfde waarde hebben en R2 en R4 ook dezelfde waarde hebben, werkt het circuit goed en geeft het een schone, nauwkeurige uitvoer.Het is erg belangrijk om gelijke weerstanden te hebben.Wanneer de weerstanden worden gekoppeld, kan het circuit alle ruis of interferentie negeren die hetzelfde is op beide invoerlijnen.Dit wordt Common-Mode-afwijzing genoemd en het helpt het uitgangssignaal schoon te houden.Als de weerstanden niet goed worden geëvenaard, kan het circuit ongewenste signalen doorlaten, wat de uitvoer kan verpesten.
Om dit te voorkomen, gebruik je weerstanden met een zeer nauwkeurige waarde, vaak binnen 0,1% van elkaar.In meer geavanceerde ontwerpen, zoals die in microchips worden gevonden, worden de weerstandswaarden zorgvuldig aangepast met behulp van laserafwerking om ervoor te zorgen dat alles in evenwicht is.Denk in andere gevallen ook na over temperatuur, omdat warmte kan veranderen hoe weerstanden zich gedragen.Dus proberen ze weerstanden te kiezen die niet veel worden beïnvloed door temperatuur of ze op een manier rangschikken die dingen stabiel houdt.Dit eenvoudige type differentiële versterker wordt vaak gebruikt als uitgangspunt voor meer complexe systemen, zoals instrumentatieversterkers.Die circuits gebruiken extra onderdelen om de prestaties nog meer te verbeteren, vooral bij het werken met zeer kleine signalen in lawaaierige omgevingen.
De versterking van een differentiële versterker is een maat voor hoeveel het circuit het verschil tussen de twee ingangsspanningen, V₁ en V₂ verhoogt.Met andere woorden, GAIN vertelt ons hoeveel groter de output zal worden vergeleken met het verschil tussen de invoersignalen.Deze versterking wordt specifiek ingesteld door de weerstanden in het circuit, door de waarden van de invoerweerstanden en de feedbackweerstanden te vergelijken.Als we de weerstanden op een evenwichtige manier instellen, wordt het berekenen van de winst heel eenvoudig.Laten we zeggen dat R1 hetzelfde is als R3 en R2 is hetzelfde als R4.Dit soort opstelling wordt symmetrisch genoemd en het helpt het circuit nauwkeuriger te werken.In dit geval ziet de formule voor de winst van de versterker er zo uit:

Deze formule betekent dat de versterker het verschil tussen V₂ en V₁ neemt en deze vermenigvuldigt met het nummer dat u krijgt wanneer u R2 door R1 verdeelt.Dus als R2 twee keer zo groot is als R1, is de uitgang twee keer het verschil tussen V₂ en V₁.
Hier is een voorbeeld:
Als v₂ = 3 volt en v₁ = 1 volt, is het verschil 2 volt.
Als R2 10kΩ is en R1 5KΩ is, is de versterking 10K / 5K = 2.
Dus de uitgangsspanning is 2 × 2 = 4 volt.
Als u alle vier de weerstanden hetzelfde maakt (R1 = R2 = R3 = R4), wordt de winst 1. Dat betekent dat de versterker de grootte van het verschil niet verandert, het gaat gewoon het verschil door aan de uitvoer zoals het is.Dit is handig wanneer u gewoon een signaal wilt meten of doorgeven zonder het sterker te maken.Soms moet u echter sterker zijn, vooral als de invoersignalen erg klein zijn.Om dit te doen, kunt u R2 en R4 groter maken dan R1 en R3.Dit verhoogt de versterking en maakt het uitgangssignaal groter.Als R2 bijvoorbeeld tien keer groter is dan R1, is de winst 10 en is de uitgang tien keer het invoerverschil.
Maar toenemende winst heeft ook nadelen.Een hoge winst kan ook ongewenste signalen maken, zoals ruis of interferentie, sterker.Het kan zelfs kleine spanningsfouten er groot uitzien.Dit kan de uitvoer van de versterker luidruchtig of onnauwkeurig maken.Het is dus belangrijk om de weerstandswaarden zorgvuldig te kiezen, dus de winst is hoog genoeg om het signaal duidelijk te zien, maar niet zo hoog dat het problemen veroorzaakt.OP-AMP's zijn ook niet perfect.Ze kunnen kleine ingebouwde fouten hebben die veranderen hoe het circuit werkt.De OP-AMP kan bijvoorbeeld een kleine uitgang produceren, zelfs wanneer de ingangen exact hetzelfde zijn.Dit wordt Offset -spanning genoemd.Een ander veel voorkomend probleem is biasstroom, een kleine stroom die in de invoerpennen stroomt en spanningen enigszins kan veranderen.Om deze problemen op te lossen of te verminderen, past u het circuit na het bouwen aan (trimmen genoemd), voegt u extra componenten toe om fouten te annuleren (offset nulling) of gebruik speciale op-ampals die zijn ontworpen om zeer nauwkeurig en stabiel te zijn..
Een basisdifferentiële versterker is een eenvoudig en nuttig circuit.Het verhoogt (versterkt) het verschil tussen twee ingangsspanningen en negeert alles wat op beide hetzelfde is.Maar dit eenvoudige ontwerp heeft een probleem wanneer het verbinding maakt met zwakke of hoge impedantiesignaalbronnen (zoals sommige sensoren).Het probleem komt van de inverterende invoer van de versterker.Vanwege hoe het circuit werkt, werkt deze ingang als een virtuele grond, wat betekent dat het stroom uit de signaalbron kan halen.
Als de signaalbron niet veel stroom kan geven zoals sommige sensoren of delicate circuits, kan dit het signaal veranderen.Het signaal kan kleiner (zwakker) of vervormd worden, wat betekent dat de versterker een verkeerd resultaat geeft.Om dit op te lossen, gebruik je spanningsvolgers, ook wel bufferversterkers genoemd, bij elke invoer.Dit zijn speciale versterkingscircuits die de spanning niet verhogen, maar ze hebben een zeer hoge ingangsimpedantie en een lage uitgangsimpedantie.Dat betekent dat ze niet veel stroom uit de signaalbron halen, dus het signaal blijft hetzelfde.De buffer geeft het signaal gewoon mee zonder het te wijzigen.Wanneer u deze spanningsvolgers toevoegt aan de differentiaalversterker, krijgt u een beter circuit genaamd een instrumentatieversterker met drie ampalen.Deze nieuwe versie heeft een zeer hoge invoerimpedantie, dus het werkt goed met zwakke signalen.
U kunt ook de versterking instellen (hoeveel het signaal wordt versterkt) met behulp van externe weerstanden.Het blokkeert ook ruis goed en geeft een schoon, nauwkeurig signaal.Deze verbeterde versterkers worden gebruikt in precieze banen, zoals het lezen van kleine signalen van thermistors, spanningsmeters of medische sensoren.Deze signalen zijn vaak erg klein (zoals microvolts) en moeten duidelijk worden versterkt, zelfs op lawaaierige plaatsen.Om ervoor te zorgen dat de versterker op zijn best werkt, is het fysieke ontwerp van het circuit ook belangrijk.Velen gebruiken speciale lay -outtrucs, zoals het afschermen van delen van het circuit om ongewenste signalen te blokkeren en draden kort te houden om problemen met ongewenste capaciteit te voorkomen.Dit helpt de versterker goed te werken, zelfs met zeer kleine of snelle signalen.

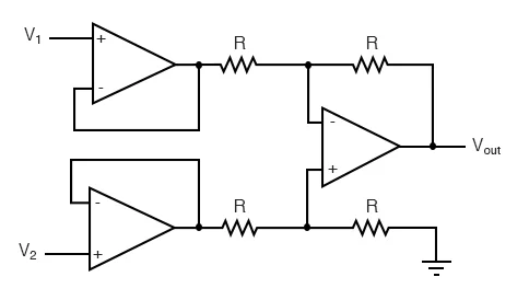
Figuur 4. Instrumentatieversterker met drie opzet met invoerbuffers
De figuur toont een instrumentatieversterker met drie opzet.De eerste twee op-AMP's fungeren als buffers, ontvangen de invoersignalen v1 en v2 en sturen ze door zonder stroom uit de bronnen te halen.Deze gebufferde signalen gaan vervolgens door weerstanden en convergeren bij de derde op-amp, die dient als een differentiële versterker.Deze laatste fase trekt de ene input van de andere af om de uitgangsspanning te produceren.Deze configuratie verbetert de signaalintegriteit en is zeer geschikt voor het veilig omgaan met zwakke of gevoelige signalen.
In sommige circuits gebruiken we een type versterker genaamd een differentiële versterker zonder feedback.Wanneer we dit doen, wordt het een comparator.Een comparator is een apparaat dat snel controleert welke van twee spanningen groter is.Zodra het de vergelijking heeft gemaakt, verandert het zijn uitvoer in een hoge of lage spanning, bijna als een eenvoudige schakelaar.Dit soort op-of-off gedrag is erg nuttig in digitale systemen en automatische besturingscircuits.Een voorbeeld is een nul-kruisende detector.Het kijkt naar een AC -signaal (wisselstroom) en verandert de uitgang wanneer het signaal door nul volt doorloopt.Dit is nuttig bij het timen en het beheersen van dingen die afhankelijk zijn van de fase van het signaal.
Vergelijkers zijn ook belangrijk in apparaten genaamd analoog-naar-digitale converters (ADC's).Deze converters veranderen signalen (zoals geluid of temperatuur) in digitale getallen die computers kunnen begrijpen.De comparator helpt door het veranderende signaal te vergelijken met een vaste referentiespanning.Hoewel regelmatige op-akketten (operationele versterkers) kunnen werken als vergelijkers in eenvoudige circuits, zijn er speciale vergelijkingschips gemaakt alleen voor deze taak.Deze speciale chips zijn sneller en nauwkeuriger.Ze kunnen ook extra functies bevatten, zoals hysterese (die helpt om te voorkomen dat we te vaak schakelen vanwege kleine veranderingen of ruis) en open-collectoruitgangen (waardoor het gemakkelijker wordt om verbinding te maken met digitale circuits).

Figuur 5. Comparatorcircuit met behulp van een Wheatstone -brugconfiguratie
De figuur illustreert een comparatorcircuit met een klassieke Wheatstone -brugconfiguratie.Vier gelijke weerstanden R vormen het brugnetwerk, waardoor een evenwichtige toestand ontstaat wanneer alle componenten symmetrisch zijn en de invoer op 0 volt is.De spanningen van de brugarmen, gelabeld V1 en V2, worden ingevoerd in de inverterende en niet-inverterende ingangen van respectievelijk een comparator.Onder evenwichtige omstandigheden zijn V1 en V2 gelijk, wat resulteert in een nuluitgang.Elke onbalans in de brug, zoals een verandering in één weerstand als gevolg van temperatuur of spanning, zal een spanningsverschil tussen V1 en V2 produceren, waardoor de comparator zijn uitgang dienovereenkomstig schakelt.
Lichtgevoelige schakelaars zijn toepassingen van differentiële versterkers die automatische regeling van elektrische apparaten mogelijk maken in reactie op variërende omgevingslichtniveaus.Deze circuits gebruiken meestal een lichte afhankelijke weerstand (LDR), een component waarvan de weerstand verandert op basis van de intensiteit van het licht dat erop valt.Door een LDR te integreren in een spanningsverdelernetwerk, wordt het mogelijk om lichtintensiteit om te zetten in een overeenkomstig spanningssignaal.De kernbewerking van een dergelijke schakelaar is gebaseerd op een differentiële versterker, die twee ingangen ontvangt: één van de spanningsdeler die de LDR en de andere bevat uit een referentiespanning.De referentiespanning kan instelbaar worden gemaakt met behulp van een variabele weerstand (VR1) of potentiometer.Met deze configuratie kunnen de drempel van de lichtintensiteit nauwkeurig instellen waarmee de schakelaar de verbonden belasting wordt geactiveerd of gedeactivering.
Naarmate omgevingslicht verandert, varieert de weerstand van de LDR, waardoor de spanning wordt gewijzigd bij één ingang van de differentiële versterker.Wanneer deze ingangsspanning overtreft of onder de referentiespanning valt, schakelt de uitgang van de versterker.Deze uitgang wordt gebruikt om een transistorschakelaar aan te sturen, die op zijn beurt een aangesloten apparaat activeert, zoals een lamp, relais of ventilator.De opname van een feedbackweerstand (RF) verbetert de stabiliteit en het responsiviteit van het versterkingscircuit.Ondertussen biedt het transistorstadium, vaak gekoppeld aan een flyback -diode (D1), de nodige stroomversterking en beschermt het tegen spanningspieken wanneer inductieve belastingen zoals relais worden gebruikt.

Figuur 6. Lichtgevoelige schakelaar met behulp van een differentiële versterker en LDR
De figuur illustreert een lichtgevoelig schakelcircuit op basis van een differentiële versterker.Een lichtafhankelijke weerstand (LDR) en een vaste weerstand (R1) vormen een spanningsverdeler die een variabele spanningsingang (V1) levert aan de inverterende terminal van de operationele versterker.De niet-inverterende ingang ontvangt een referentiespanning (V2), ingesteld met behulp van een variabele weerstand (VR1) in serie met weerstand R2.De differentiële versterker vergelijkt deze ingangen, met zijn uitgang verbonden met de basis van een transistor via een weerstand (R3).Wanneer de lichtintensiteit zodanig verandert dat V1 de drempel overschrijdt die is ingesteld door V2, schakelt de versterkeruitgang van toestand, waardoor de transistor in- of uitschakelt.Dit regelt op zijn beurt een verbonden relaisspoel, aangegeven in het diagram met een uitgangsverbinding.Een diode (D1) wordt parallel geplaatst met de relaisspoel om te beschermen tegen spanningspieken.Weerstand R4 dient als een pull-down voor de basis van de transistor.Het algemene circuit maakt automatisch schakelen mogelijk op basis van omgevingscondities.
• Uitstekende ruisafwijzing: Differentiële versterkers zijn ontworpen om het verschil tussen twee ingangssignalen te versterken en tegelijkertijd een spanning te negeren die voor beide gebruikelijk is.Dit maakt ze zeer effectief in het weigeren van elektromagnetische interferentie en ruis die beide invoerlijnen gelijk beïnvloedt, een belangrijk voordeel in omgevingen met veel elektrische ruis, zoals fabrieken of bijna stroomlijnen.
• Hoge nauwkeurigheid: Deze versterkers bieden een uitstekende lineariteit, wat betekent dat de output recht evenredig is met het verschil in de ingangsspanningsverschil met zeer weinig vervorming.Dit maakt ze ideaal voor systemen die een hoge precisie vereisen, zoals audioapparatuur, data -acquisitiesystemen of wetenschappelijke instrumenten, waar zelfs kleine onnauwkeurigheden de prestaties kunnen in gevaar kunnen brengen.
• Veelzijdig ontwerp: Met eenvoudige wijzigingen in hun circuitconfiguratie kunnen differentiële versterkers worden gebruikt in verschillende rollen, zoals basisversterkers, spanningsvergelijkers, spanningsvolgers (buffers) of als bouwstenen in meer geavanceerde instrumentatiesystemen.Deze flexibiliteit maakt ze een populaire keuze in veel analoge ontwerpen.
• Verbetert de signaalkwaliteit vroeg: Door het gewenste signaal te versterken en de ruis vroeg in de signaalketen af te wijzen, helpen differentiële versterkers ervoor te zorgen dat een schoon signaal door de rest van het systeem wordt geleid.Dit vermindert de noodzaak van complexe filtering of digitale correctie stroomafwaarts, waardoor verwerkingskracht wordt bespaard en de algehele systeembetrouwbaarheid wordt verbeterd.
• Betrouwbaar in harde instellingen: Vanwege hun geluidsafwijzing en precisie worden differentiële versterkers veel gebruikt in omgevingen met hoge inzet zoals ruimtevaartsystemen, medische hulpmiddelen en laboratoriumapparatuur.Op deze gebieden zijn nauwkeurige en stabiele metingen belangrijk en helpen differentiële versterkers de signaalintegriteit te behouden, zelfs onder uitdagende omstandigheden.
Differentiële versterkers zijn belangrijke hulpmiddelen in elektronica omdat ze u helpen het juiste signaal te versterken en ongewenste ruis af te komen.Ze werken door het verschil tussen twee ingangsspanningen te stimuleren en alles te negeren dat op beide hetzelfde is.U hebt geleerd hoe op-AMP's worden gebruikt om deze versterkers te maken en hoe matching-weerstandswaarden cruciaal zijn om het circuit nauwkeurig te houden.We hebben ook uitgelegd hoe we de invoerweerstand van de versterker kunnen vergroten door buffers te gebruiken, wat helpt wanneer u met kleine of zwakke signalen werkt.Deze versterkers kunnen ook worden gebruikt als vergelijkers en slimme lichtschakelaars, die laten zien hoe nuttig en flexibel ze zijn.Als je weet hoe ze werken, kun je betere en betrouwbaardere circuits bouwen.
Stuur een aanvraag, we zullen onmiddellijk reageren.
Een differentiële versterker heeft een op-amp en vier weerstanden.De ene invoer gaat naar de inverterende terminal via een weerstand, en de andere input gaat naar de niet-inverterende terminal via een andere weerstand.Nog twee weerstanden bieden feedback en aarding.Het circuit versterkt het spanningsverschil tussen de twee ingangen en negeert elke spanning die voor beide gemeenschappelijk is.
De nauwkeurigheid ervan hangt af van hoe goed de weerstanden worden gekoppeld.Als de weerstandswaarden zijn uitgeschakeld, kan de versterker ruis doorlaten.Het worstelt ook met bronnen met hoge impedantie, die signaalverlies of vervorming kunnen veroorzaken.Bij hoge versterking kunnen zelfs kleine interne fouten zoals offsetspanning of biasstroom de uitgang beïnvloeden.Complexe lay -outs en extra buffers kunnen nodig zijn voor precisie.
De meeste basale differentiële versterkers hebben één uitgang die het versterkte verschil tussen twee ingangen toont.Sommige geavanceerde versies, zoals volledig differentiële versterkers, hebben twee uitgangen.Deze output is gelijk in amplitude maar tegenover fase, waardoor ze nuttig zijn in systemen die een betere ruisimmuniteit nodig hebben.
Het versterkt het spanningsverschil tussen twee ingangen en wijst elke spanning af die voor beide gemeenschappelijk is.Het heeft een hoge afwijzing van gemeenschappelijke modus, goede lineariteit en instelbare versterking door weerstandswaarden.Met buffers kan het een hoge invoerimpedantie hebben.Het is betrouwbaar in lawaaierige omgevingen en werkt goed met kleine signalen van sensoren of audiobronnen.
U verhoogt de winst door de weerstandswaarden aan te passen.De versterking is gelijk aan de verhouding van de feedbackweerstand tegen de invoerweerstand, meestal versterking = R2 / R1.Het gebruik van grotere feedbackweerstanden of kleinere invoerweerstanden verhoogt de versterking.Hoge versterking kan echter ook ruis of interne fouten versterken, dus weerstandswaarden moeten zorgvuldig worden gekozen voor een goede balans tussen signaalsterkte en nauwkeurigheid.
Op 2025/05/2
Op 2025/05/2
Op 8000/04/18 147757
Op 2000/04/18 111936
Op 1600/04/18 111349
Op 0400/04/18 83721
Op 1970/01/1 79508
Op 1970/01/1 66909
Op 1970/01/1 63044
Op 1970/01/1 63012
Op 1970/01/1 54081
Op 1970/01/1 52125