
De SS34 Schottky diode staat bekend om zijn compacte, oppervlakte-gemonteerde ontwerp met de nadruk op verbazingwekkend snelle schakelsnelheden, minimale voorwaartse spanningsval en het vermogen om een aanzienlijke voorwaartse stroom te verwerken.In de kern van de constructie is een metaal-halfgeleiderinterface versterkt door een bewakingsring, vervaardigd om mechanische spanningen met evenwicht te weerstaan.De clip-gebonden beenconfiguratie van de diode vermindert de elektrische weerstand en verbetert het thermische beheer, het bevorderen van hoge overspanningsstroomcapaciteiten en het stimuleren van de algehele operationele efficiëntie.Deze kwaliteiten maken de SS34 -diode een favoriete optie voor secundaire rectificatie, omgekeerde polariteitsbescherming, freewheeling en gebruik in DC/DC -converters.
Een opmerkelijke eigenschap van de SS34 -diode is de indrukwekkende schakelsnelheid in vergelijking met standaarddiodes.Dit inherente kenmerk is vooral gunstig in hoogfrequente schakelcircuits.U kunt vaak rekening houden met niet alleen het voordeel van een lage voorwaartse spanning, maar ook hoe de schakelsnelheid correleert met prestatie -resultaten, vooral in voedingseenheden waar efficiëntie een sleutelrol houdt.
Om de SS34 -diode strategisch te integreren volgens de toepassingsbehoeften, is een scherp begrip van de operationele principes van zijn operationele principes gunstig.U kunt een opmerkelijk succes realiseren dat de diode wordt gebruikt in situaties waarin verhoogde efficiëntie en niet aflatende betrouwbaarheid dominant zijn.Een illustratief voorbeeld is het gebruik ervan bij de bescherming van omgekeerde polariteit, wat het vermogen van de diode aantoont om voorbijgaande toestanden zonder schade te doorstaan, waardoor dynamische componenten worden behouden.

|
Pin -nummer |
Speldnaam |
Beschrijving |
|
PIN 1 |
Anode |
Deze pin maakt de stroomstroom mogelijk. |
|
Pin 2 |
Kathode |
De stroom van stroom verlaat deze pin. |
|
Attribuut |
Specificatie |
|
Type |
Power Schottky Barrier Diode |
|
Terminals |
2 |
|
Pakkettypen |
DO-214AA, SMC DO-214AB |
|
Fabrikant |
Onsemi |
|
Doorstuurstroom (if) |
3a |
|
Omgekeerde stroom (IR) |
0,5 mA |
|
Maximale voorwaartse spanning (VF) |
0,5 V bij 3A |
|
DC -blokkeerspanning (Max) |
40V |
|
Omgekeerde spanning (max) |
40V |
|
RMS -spanning (max) |
28V |
|
Voorwaartse spanningsval |
22V |
|
Piekstroomstroom |
100a |
|
Bedrijfstemperatuur |
-65 ° C tot +150 ° C |
|
Bewakingsring |
Gebruikt voor overspanningbescherming |
|
Krachtverlies |
Laag |
|
Efficiëntie |
Hoog |
|
Voorwaartse spanningsval |
Laag |
|
Overspanningscapaciteit |
Hoog |
|
Peak Forward Surge Stroom |
100a |
|
Snelheid van spanningsverandering (DV/DT) |
10.000 V/μs |
• 1N5822
• SS33
• 1N5822
• SS32
• SS35
• 1n4733a
• 1N4148
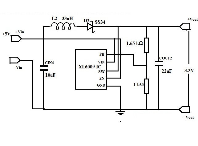
Moderne elektronische apparaten zoals sensoren en geïntegreerde circuits gedijen vaak op een 3,3V DC -aanbod.Het integreren van deze in systemen met behulp van een 5V of hoger aanbod vereist een step-down of boost converter om naadloos te versmelten.Hier verkennen we het creëren van een 5V tot 3.3V DC-DC Boost Converter met behulp van de XL6009-schakelregelaar, waardoor de compatibiliteit in veelzijdige systemen wordt verbeterd.
Om deze converter te construeren, heb je nodig:
• XL6009 geïntegreerd circuit
• 33uh inductor
• SS34 Schottky diode
• condensatoren met 22UF- en 10UF -beoordelingen
• Twee weerstanden bij 1,65 kΩ en 1 kΩ voor de feedbacklus
Deze componenten, wanneer gerangschikt volgens het schema, zorgen voor een effectieve spanningstransformatie.


|
Pin -nummer |
Speldnaam |
Beschrijving |
|
1 |
GND |
Het is een grondpen. |
|
2 |
Eng |
Schakelpen in: wanneer laag, wordt het apparaat uitgeschakeld;Wanneer hoog,
het apparaat gaat aan. |
|
3 |
SW |
Uitgangsschakelaar Pin. |
|
4 |
Vin |
Voedingsspanningspen. |
|
5 |
FB |
Feedbackpen: detecteert de uitgangsspanning en past deze aan
via een externe weerstandsverdelernetwerk. |
Boostconverters zoals de XL6009, gebruikt in deze opstelling, zijn een gastvrije toegangspoort voor degenen die het Power Electronics -domein betreden.Het interne metalen tabblad van de converter verbindt zich veilig met de schakel, waardoor operationele betrouwbaarheid wordt bevorderd.XL6009 werkt in een 5V tot 32V ingangsbereik, schakelt met een frequentie van 400 kHz en kan uitgangsstromen tot 4A leveren.De elegantie van het ontwerp wordt versterkt door de SS34 Schottky -diode, die een opmerkelijke efficiëntie en snelle respons biedt, toegeschreven aan de natuurlijke eigenschappen van de Schottky -gelijkrichters.Deze diode zorgt voor een minimale voorwaartse spanningsval, waardoor de stroom tot 3A efficiënt wordt beheren met slechts een druppel van 0,5 V.
De feedback -lus, gevormd met weerstanden R5 en R6, moet vakkundig worden afgestemd op piekconverterfunctie.De uitgangsspanning, aangeduid als VO, kan worden afgeleid van de vergelijking VO = 1,25 (1+R5/R6).Door R6 op 1 kΩ te repareren, is R5 ingesteld op 1,65 kΩ.Deze precieze configuratie ondersteunt robuuste thermische bescherming en behoudt de indrukwekkende 94% efficiëntie van de converter, wat de noodzaak benadrukt van exacte selectie en afstemming van componenten voor superieure prestaties in DC-DC-spanningsconversietaken.
De SS34 Schottky diode wekt waardering in elektronica voor zijn opmerkelijke efficiëntie en snelle schakelmogelijkheden.In hoogfrequente scenario's dragen deze kenmerken bij aan verminderde vermogensverliezen, waardoor de prestaties van het algehele circuit worden verhoogd.Het gemak van implementatie helpt bij het vereenvoudigen van het circuitontwerp.Bovendien biedt de robuuste overspanningsstroomcapaciteit van de diode een betrouwbare reactie op tijdelijke spanningspieken.Deze functies blijken gunstig in het maken van compacte en betrouwbare ontwerpen, aangetoond door praktische voorbeelden in voedingsmodules, waarbij efficiëntie een beslissende factor wordt.
De overspanningsstroomcapaciteit van de SS34 Schottky -diode toont zijn waarde in omgevingen die gevoelig zijn voor plotselinge spanningsstijgingen, zoals die in auto -elektronica.Ervaringen laten zien dat bekwaam overspanningsbeheer de levensduur van elektronische componenten kan verlengen, wat vervolgens onderhoudskosten verlaagt en de betrouwbaarheid verhoogt.U kunt vaak benadrukken hoe het implementeren van overspanningsbeveiligingsmethoden rond Schottky -diodes potentiële circuitschade kan voorkomen.
Ondanks de voordelen is de SS34 Schottky -diode niet zonder uitdagingen.Een prominente kwestie komt voort uit de grotere omgekeerde stroom en potentiële lekkage onder omgekeerde spanningsomstandigheden.Dit is afkomstig van de metaal-halfgeleiderverbinding, waardoor de precisie in circuits kan worden verminderd als gevolg van efficiëntieverliezen.Gemeenschappelijke oplossingen zijn gericht op het integreren van aanvullende componenten, zoals resistieve netwerken, voor efficiënte dissipatie van lekstromen.Bovendien vereist de lagere maximale omgekeerde spanning van de diode een grondige applicatiespecifieke selectie om omgekeerde afbraaksituaties te voorkomen.
U kunt vaak pleiten voor een grondige beoordeling van toepassingsomgevingen bij het kiezen van de SS34 Schottky -diode, die zowel de voordelen als de beperkingen wegen.Door de functies ervan af te stemmen op de specifieke eisen van een circuit, kunnen de prestaties worden geoptimaliseerd en tegelijkertijd potentiële nadelen worden geminimaliseerd.Dit geavanceerde inzicht weerspiegelt een bredere expertise in de industrie, waarbij de selectie van strategische componenten een dynamische rol speelt bij het maken van efficiënte en betrouwbare systemen.
SS34 Schottky -diodes spelen een intrigerende rol in verschillende technologische domeinen.Deze componenten verhogen circuitbescherming door omgekeerde polariteit te voorkomen en de stroom te beheren stroom met opmerkelijke efficiëntie.Hun wijdverbreide implementatie in hoogfrequente omvormers benadrukt hun facilitering van snelle omschakeling, dankzij hun minimale voorwaartse spanningsdaling en snel herstel.Als het gaat om secundaire rectificatie, polariteitsbescherming en freewheeling, blinken deze diodes uit met hun vermogensverliesvermindering, waardoor energiebewuste systeemontwerpen worden verbeterd.
SS34 Schottky-diodes hebben een substantiële plaats in laagspanning hoogfrequente omvormers en DC-DC-converters.Ze bieden soepele spanningsovergangen en zorgen voor efficiënte vermogensconversie.Door traditionele siliciumdioden in buck/boost -circuits te vervangen, leveren Schottky -diodes aanzienlijke voordelen, zoals lagere spanningsval en verhoogde systeemefficiëntie.Deze kwaliteiten zijn meestal verrukkelijk voor compacte en draagbare apparaatontwerpen, waarbij het regelen van warmte -output en sparen van energie voorrang heeft.
Schottky -diodes versterken de prestaties van apparaten in Switch Mode Power Supplies (SMPS), adapters en de verlichtingswereld aanzienlijk.Hun capaciteit om grote stromingen te verwerken met behoud van een lage voorwaartse spanning verbetert de betrouwbaarheid en efficiëntie van apparaten - Qualities die resoneren in zowel consumentenelektronica als industriële contexten.In LED-verlichtingsoplossingen ondersteunen Schottky-diodes bijvoorbeeld een consistente lichtoutput en verminderde thermische impact, en benadrukken ze hun rol bij het handhaven van de huidige regulatie en duurzaamheid op lange termijn.
Stuur een aanvraag, we zullen onmiddellijk reageren.
Op 2024/12/16
Op 2024/12/16
Op 8000/04/17 147721
Op 2000/04/17 111778
Op 1600/04/17 111327
Op 0400/04/17 83645
Op 1970/01/1 79334
Op 1970/01/1 66804
Op 1970/01/1 62965
Op 1970/01/1 62854
Op 1970/01/1 54045
Op 1970/01/1 52030