
A Triac (Triode voor wisselstroom) is een halfgeleiderapparaat dat wordt gebruikt om het vermogen in AC -circuits (wisselstroom) te regelen.In tegenstelling tot MOSFET's of IGBT's, die voornamelijk worden gebruikt in DC -systemen en de stroom in slechts één richting mogelijk maken, kan een TRIAC in beide richtingen uitvoeren, waardoor het ideaal is voor AC -toepassingen.Het heeft drie terminals: hoofdterminal 1 (MT1), hoofdterminal 2 (MT2) en een poort.Met de poort kan het apparaat worden geactiveerd met een positieve of negatieve spanning, waardoor flexibele schakelaars mogelijk zijn, ongeacht de AC -polariteit.Intern functioneert een TRIAC -functies zoals twee thyristors (SCR's) in tegengestelde richtingen, waardoor de behoefte aan extra componenten in bidirectionele besturingssystemen wordt verminderd.

Figuur 2. Symbool van triac
Het triac -symbool vertegenwoordigt visueel zijn bidirectionele aard.Het beschikt over twee tegengestelde pijlen in het symbool, wat aangeeft dat de stroom in beide richtingen tussen MT1 en MT2 kan stromen.Een verticale lijn maakt verbinding met de gate -terminal, ter illustratie van de besturingsfunctie.Met dit compacte en efficiënte ontwerp kunnen TRIAC's op grote schaal worden gebruikt in AC -stroomregelingstoepassingen zoals lichtdimmers, motorsnelheidscontrollers, verwarmingssystemen en andere huishoudelijke of industriële AC -schakelcircuits.

Figuur 3. De BT136 Triac
De BT136 is een populair triac -model dat wordt gebruikt in zowel huishoudelijke als industriële AC -omschakelingstaken.Het heeft een gevoelige poort, wat betekent dat deze kan worden geactiveerd met een zeer kleine stroom.Dit maakt het ideaal voor gebruik met low-power apparaten zoals microcontrollers en logische IC's.De BT136 is gebouwd met behulp van vlakke passiveringstechnologie, die zijn langetermijnbetrouwbaarheid verbetert en deze resistenter maakt tegen spanningspieken.Het kan werken in alle vier de kwadranten van AC -geleiding, zodat het goed presteert, zelfs als de poortsignaalpolariteit varieert.Deze Triac ondersteunt een hoge blokkerende spanning, geschikt voor 230V AC -systemen.Het heeft ook een lage houdstroom, waardoor het wordt ingeschakeld, zelfs ingeschakeld, zelfs onder ladingsomstandigheden.Deze functies maken de BT136 een solide keuze voor toepassingen zoals ventilatorsnelheidsregeling, verlichting dimmen en temperatuurregeling in verwarmingssystemen.
• Lage poortstroomvereiste staat directe controle toe door microcontrollers of logische chips.
• Hoge blokkeerspanning beschermt tegen spanningsstijgingen in AC -lijnen.
• Lage houdstroom zorgt voor een gestage geleiding tijdens lage belasting.
• Vier-kwadrant triggering biedt flexibiliteit in het ontwerp van het poortaandrijving.
• Planair gepassiveerd ontwerp verbetert de stabiliteit en elektrische robuustheid in de loop van de tijd.
• Lichtdimmers die de helderheid van de lamp aanpassen door AC -geleiding te regelen.
• Regelgevers van de ventilatorsnelheid in apparaten zoals plafondventilatoren en airconditioners.
• Verwarmingselementregelaars in apparaten zoals elektrische ovens en boilers.
• Smart Home-systemen die microcontrollers koppelen aan hoogspannings AC-ladingen.

Figuur 4. De BT139 Triac
De BT139 is een robuustere tiac die is ontworpen voor toepassingen met een hogere stroom.Het kan tot 9A aan, waardoor het geschikt is voor zwaardere AC -belastingen zoals industriële motoren, commerciële verlichtingssystemen en verwarmingseenheden.Net als de BT136 ondersteunt het bidirectionele geleiding en kan het worden geactiveerd in alle vier kwadranten.Het heeft een robuust ontwerp en kan bestand zijn tegen spanningstransiënten die meestal in industriële omgevingen worden aangetroffen.Dit maakt het een betrouwbare keuze voor veeleisende voorwaarden.
• Hoge stroomcapaciteit (tot 9a) voor het regelen van grote of inductieve belastingen
• Vier-kwadrant triggering maakt flexibel circuitontwerp mogelijk.
• Hoge blokkeerspanning verwerkt standaard AC -netten en tijdelijke omstandigheden.
• Gevoelige poort compatibel met low-power bedieningssignalen.
• Planaire passivering zorgt voor langdurige duurzaamheid en spanningstolerantie.
• Industriële ventilator- of pompsnelheidsregeling waarbij de opstartstroom hoog is.
• Fase-gecontroleerd dimmen voor commerciële verlichtingssystemen.
• Precisieverwarmingscontrole in HVAC -systemen en industriële ovens.
• Slimme energiesystemen en programmeerbare timers in grootschalige automatisering.
• High-end residentiële apparaten zoals wasmachines en airconditioners.

Figuur 5. Werkdiagram van Triac
Triacs (Triode voor wisselstroom) zijn halfgeleiderapparaten die zijn ontworpen om het vermogen in AC -circuits te regelen.Het apparaat is belangrijk twee SCR's (siliciumgestuurde gelijkrichters) aangesloten in omgekeerde parallel met een gedeelde poortsterminal, waardoor het in beide richtingen kan worden uitgevoerd wanneer het wordt geactiveerd.In figuur 5 zien we het symbool van een triac, samen met het equivalente circuit van zijn equivalente circuit met twee back-to-back thyristors die worden bestuurd door een gemeenschappelijke poort.De terminals worden gelabeld als anode 1 (of hoofdterminal 1 - MT1), anode 2 (of mt2) en de poort.De gate -terminal wordt gebruikt om geleiding door de TRIAC te initiëren, waardoor het ideaal is voor AC -stroomschakelende toepassingen.

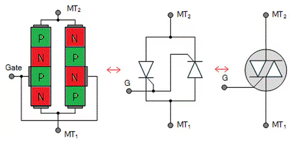
Figuur 6. Fysieke constructie van de triac (links), twee transistoranalogie (midden), Triac Symbol (rechts)
De interne structuur van een triac, zoals weergegeven in figuur 6, omvat een complexe opstelling van afwisselende P- en N -lagen die vijf halfgeleidergebieden vormen.Hiermee kunnen de tiac in beide richtingen worden uitgevoerd, afhankelijk van het triggersignaal.Het centrale beeld in figuur 6 geeft het vereenvoudigde circuitmodel weer en het meest rechtse beeld is de symbolische weergave die wordt gebruikt in circuitdiagrammen.Het GATE -signaal regelt het vergrendelingsproces van interne transistoren, waardoor de stroom tussen MT1 en MT2 mogelijk wordt.Deze bidirectionele aard van tiacs maakt ze nuttig in dimmerschakelaars, motorsnelheidsregels en verwarmingsregulatie waarbij de richting van de AC -stroom continu wisselt.
Het spanningsstroom-stroom (V-I) kenmerk van een triac is verdeeld in vier kwadranten, gebaseerd op de polariteit van de belangrijkste terminale MT2 ten opzichte van MT1 en de polariteit van het poortsignaal.Deze verdeling is belangrijk om te begrijpen hoe de tiac zich gedraagt onder verschillende triggerende omstandigheden en is nodig bij het ontwerpen van circuits die gecontroleerd schakelen vereisen.

Figuur 7. Spanning versus stroomkenmerken van een triac
Raadpleeg de V-I karakteristieke curve in het bovenstaande diagram, waar:
• De horizontale as vertegenwoordigt de spanning over MT1 en MT2.
• De verticale as vertegenwoordigt de stroom door de triac.
• De positieve en negatieve helften van elke as tonen het vermogen van de Triac om in beide richtingen uit te voeren, waardoor het geschikt is voor AC -toepassingen.
Deze bedrijfsmodus wordt beschouwd als de meest gevoelige en efficiënte voor het activeren van een TRIAC.In kwadrant I zijn zowel de hoofdterminal 2 (MT2) als de poort positief ten opzichte van de hoofdterminal 1 (MT1).Onder deze omstandigheden is de tiac gemakkelijk te activeren.Vanwege de hoge gevoeligheid in dit kwadrant is slechts een kleine poortstroom vereist om geleiding te initiëren.Dit maakt kwadrant I zeer wenselijk voor controletoepassingen, met name bij AC -stroomregeling, waarbij het minimaliseren van de poortaandrijfvereisten de complexiteit en kosten kan verminderen.
De Triac komt snel in de "aan" of geleidende toestand in deze modus, waardoor de stroom tussen MT2 en MT1 kan stromen.Als zodanig wordt dit kwadrant veel gebruikt bij praktische AC-schakel en fasecontroles, zoals lichtdimmers, motorsnelheidscontrollers en verwarmingsregelaars.In grafische representaties van tiac-triggerende kenmerken verschijnt Quadrant I in de rechterlijke rechter sectie van de curve, waar zowel spanning- als poortstroompolariteit positief zijn.
In dit operationele kwadrant wordt de hoofdterminal 2 (MT2) op een positieve spanning gehouden ten opzichte van de hoofdterminal 1 (MT1), terwijl de gate -terminal negatief is ten opzichte van MT1.Met deze configuratie kan het apparaat zoals een SCR of TRIAC nog steeds worden geactiveerd, maar het is opmerkelijk minder gevoelig in vergelijking met de werking in kwadrant I.
De verminderde gevoeligheid is te wijten aan het feit dat de poortstroom stroomt in de richting tegenover die van de MT2 -stroom.Deze tegengestelde polariteit tussen de poort en MT2 resulteert in een minder efficiënte injectie van dragers in de structuur van het apparaat, die op zijn beurt een hogere poortstroom vereist om triggering te bereiken.Bijgevolg is meer inspanning (in termen van Gate Drive) nodig om het apparaat in deze modus aan te zetten.
Deze manier van werking wordt geïllustreerd in het kwadrant linksboven van de V-I karakteristieke curve.Ondanks de verminderde gevoeligheid is het triggeren in kwadrant II nog steeds levensvatbaar en vaak gebruikt in praktische toepassingen, vooral bij het schakelen van AC waar beide polariteiten worden aangetroffen.
In dit werkgebied hebben zowel de hoofdterminal 2 (MT2) als de poort een negatief potentieel ten opzichte van de hoofdterminal 1 (MT1).Deze modus is functioneel vergelijkbaar met kwadrant I, waarbij beide terminals positief zijn, maar deze in de tegenovergestelde polariteit werkt.Hoewel de gevoeligheid in kwadrant III iets lager is dan in kwadrant I, wordt het nog steeds beschouwd als een gevoelige werkingswijze.De poort vereist alleen een bescheiden stroom om geleiding te activeren, waardoor dit kwadrant een haalbare optie is voor toepassingen waar lage-krachtbesturingssignalen worden gebruikt.
Quadrant III -werking is nuttig in systemen die negatieve ingangssignalen behandelen, zoals die gevonden in de regelingscircuits (AC) of specifieke soorten bidirectionele schakelaars waarbij de polariteit van signalen dynamisch varieert.Deze modus is grafisch weergegeven in het onder links-links kwadrant van het vier-quadrant triggerende karakteristieke diagram, overeenkomend met de negatief-negatieve combinatie van gate- en MT2-spanningen.
Ondanks de enigszins verminderde gevoeligheid in vergelijking met Quadrant I, biedt Quadrant III nog steeds betrouwbaar en responsief triggergedrag, waardoor het een praktische keuze is in veel bidirectionele of symmetrische schakeltoepassingen, waar triggering van beide polariteiten vereist is.
Dit kwadrant vertegenwoordigt een van de minder gevoelige operationele modi van de thyristor, net als Quadrant II.In deze configuratie is de hoofdterminal 2 (MT2) negatief ten opzichte van de hoofdterminal 1 (MT1), terwijl de poort een positieve stroom ontvangt.Vanwege deze polariteitsopstelling vereist het activeren van het apparaat een hogere poortstroom in vergelijking met de meer gevoelige modi in kwadranten I en III.
Op de V-I-karakteristieke curve bevindt Quadrant IV zich in het gedeelte rechtsonder, waar de toegepaste spanning negatief is en de poortstroom positief is gericht.De geleiding in deze modus is relatief inefficiënt, waardoor het het minst gunstig is in termen van poortgevoeligheid en energieverbruik.Velen vermijden dit kwadrant te gebruiken voor het triggeren wanneer een hoge efficiëntie of lage poortaandrijving vereist is.Het begrijpen van zijn gedrag is echter nog steeds belangrijk voor het volledig karakteriseren van de prestatielimieten van de thyristor en het waarborgen van een veilige werking onder alle mogelijke omstandigheden.
|
Functie |
SCR (silicium gecontroleerd
Gelijkrichter) |
Triac (triode voor
Wisselstroom) |
|
Familie |
Thyristor |
Thyristor |
|
Geleidingsrichting |
Unidirectioneel (slechts één richting) |
Bidirectioneel (beide richtingen) |
|
Gate -triggering |
Vereist een positieve poortpuls |
Kan worden geactiveerd door een positieve of negatieve poort
puls |
|
Component activeren |
Vaak geactiveerd met behulp van een UJT |
Vaak geactiveerd met behulp van een DIAC |
|
Huidig gedrag vasthouden |
Blijft aan totdat de stroom onder het vasthoudniveau daalt |
Hetzelfde, maar in beide richtingen |
|
Toepassingsfocus |
Het beste voor DC of eenrichtings AC-besturingselement |
Ideaal voor AC -besturing (beide richtingen) |
|
Power Handling |
Hoogspanning en hoge stroomcapaciteit |
Matige spanning en stroomafhandeling |
|
Thermisch beheer |
Vereist koellichamen |
Heeft meestal slechts één koellichaam nodig |
|
Operationele modi |
Werkt in een enkele modus |
Ondersteunt vier werkingsmodi |
|
V-I kenmerken |
Werkt in één kwadrant |
Werkt in twee kwadranten |
|
Betrouwbaarheid |
Betrouwbaarder |
Minder betrouwbaar dan SCR |
|
Functie |
Diac |
Triac |
|
Structuur |
Twee-terminaal apparaat |
Drie-terminaal apparaat (MT1, MT2, Gate) |
|
Triggermethode |
Gaat aan wanneer de spanning een bepaalde drempel overschrijdt (nee
externe trigger) |
Kan worden geactiveerd door een poortpuls aan te brengen |
|
Poortsterminal |
Geen poortterminal |
Heeft een poortsterminal voor het triggeren |
|
Controle |
Spanning gecontroleerd;Ongecontroleerd schakelen |
Gate-gecontroleerd;maakt nauwkeurig schakelen mogelijk |
|
Polariteitsgevoeligheid |
Bidirectionele geleiding |
Bidirectionele geleiding |
|
Gemeenschappelijk gebruik |
Gebruikt om triggers in controlecircuits te activeren |
Gebruikt voor het schakelen en regelen in AC -circuits |
|
Voorbeeld van toepassing |
Onderdeel van lichtdimmers, motor softstarts (als een trigger
voor triac) |
Fasebesturing, motorsnelheidsregeling, dimmers, AC -omschakeling |
|
Functie bij het koppelen |
Helpt zorgen voor een soepele en consistente triac -triggering |
Hoofdschakeling/besturingscomponent, geactiveerd door diac in
Sommige circuits |
1. Bidirectionele huidige geleiding
Een van de voordelen van een triac (triode voor wisselstroom) is het vermogen om stroom in beide richtingen uit te voeren.In tegenstelling tot standaard SCR's (siliciumgestuurde gelijkrichters), waardoor de stroom in één richting slechts in één richting staat, kunnen tiacs AC -vermogen regelen zonder extra componenten nodig te hebben om de stroom van de omgekeerde stroom te verwerken.Deze bidirectionele mogelijkheden maken ze nuttig bij AC -schakelapplicaties.
2. Gate triggeren met positieve of negatieve signalen
Triacs kunnen worden geactiveerd in geleiding door een positieve of negatieve spanning op de gate -terminal toe te passen.Deze flexibiliteit zorgt voor een groter gemak in circuitontwerp, omdat het triggermechanisme niet beperkt is tot één polariteit.Dit is handig bij het ontwerpen van circuits om te werken met beide helften van de AC -golfvorm.
3. Vereenvoudigt circuitontwerp in vergelijking met dubbele SCR's
Omdat een enkele tiac de stroom in beide richtingen kan regelen, kan het vaak twee SCR's vervangen die zijn gerangschikt in anti-parallel.Dit vermindert het totale aantal componenten, dat de lay -out van de circuit vereenvoudigt, ruimtevereisten vermindert en potentiële faalpunten in het systeem vermindert.
4. Vereist slechts één koellichaam en één zekering
Het gebruik van een triac in plaats van een paar SCR's vereenvoudigt thermisch beheer en bescherming.Aangezien er maar één power-dissiperende component is, is een enkele koellichaam voldoende.Evenzo kan een enkele zekering worden gebruikt voor bescherming, waardoor het ontwerp wordt vereenvoudigd en de kosten mogelijk wordt vereenvoudigd.
5. Compact en kosteneffectief voor toepassingen met lage tot middelgrote vermogen
Triacs worden op grote schaal gebruikt in industriële apparaten voor huishoudens en lichte industriële apparaten zoals dimmerschakelaars, motorsnelheidscontroles en verwarmingsregelaars.Ze zijn compact, goedkoop en gemakkelijk te integreren in circuits, waardoor ze ideaal zijn voor toepassingen waarbij high -power hantering geen primaire zorg is.
1. Verminderde betrouwbaarheid in krachtige of high-roise omgevingen
Triacs zijn over het algemeen minder robuust dan SCR's wanneer ze worden gebruikt in krachtige of elektrisch lawaaierige omgevingen.Ze zijn gevoeliger voor valse triggering als gevolg van elektrische ruis, wat het gebruik ervan in zware industriële toepassingen beperkt waar dergelijke omstandigheden gebruikelijk zijn.
2. Gevoelig voor DV/dt (snelheid van spanningsverandering)
Triacs zijn gevoeliger voor snelle spanningsveranderingen, bekend als DV/DT.Een plotselinge piek in spanning kan het apparaat onbedoeld in geleiding veroorzaken, zelfs zonder een poortsignaal.Om dit tegen te gaan, zijn extra snubbercircuits vaak vereist, wat het ontwerp kan bemoeilijken.
3. Lagere spanning en stroombeoordelingen in vergelijking met SCRS
Hoewel geschikt voor veel industriële toepassingen voor consumenten en lichte, hebben TRIAC's lagere stroom- en spanningsbehandelingsmogelijkheden dan SCR's.Voor krachtige systemen, vooral die werken op hoge spanningen, zijn SCR's meestal de voorkeurskeuze.
4. Kwadrantgevoeligheid kan leiden tot onbedoelde geleiding
Triacs kunnen worden geactiveerd in verschillende "kwadranten", afhankelijk van de polariteit van het poortsignaal en de belangrijkste terminals.Sommige kwadranten zijn gevoeliger dan andere, en indien niet goed in het ontwerp verantwoordelijk is, kan dit leiden tot accidentele geleiding of onbetrouwbare werking.U moet zorgvuldig rekening houden met de omstandigheden van poortaandrijving om betrouwbare prestaties te garanderen.
Triacs zijn elektronische componenten die worden gebruikt om de stroom van AC (wisselstroom) elektriciteit te regelen.Ze worden gevonden in veel apparaten die van stroom moeten schakelen of aanpassen.Hier zijn enkele veel voorkomende toepassingen:
Triacs spelen een centrale rol in lichtdimmercircuits door fasecontrole van AC -spanning mogelijk te maken.Door het punt te regelen tijdens elke AC -cyclus waarop de triac inschakelt, beperkt het effectief hoeveel spanning de lamp bereikt.Deze techniek, fase-hoekregeling genoemd, vermindert het gemiddelde geleverde vermogen, waardoor het licht wordt gedimd zonder flikkering te veroorzaken.Triacs zijn compact en efficiënt, waardoor ze ideaal zijn om in wandschakelaars en verlichtingsarmaturen te passen.Bovendien werken op triac gebaseerde dimmers goed met resistieve belastingen zoals gloeilampen.Moderne Triac dimmers zijn echter ook ontworpen om nieuwere verlichtingstechnologieën aan te kunnen, waaronder bepaalde dimbare LED's en CFL's.
In huishoudelijke apparaten zoals plafondventilatoren, uitlaatventilatoren en sommige ventilatiesystemen worden triacs vaak gebruikt om de motorsnelheid te reguleren.Door de geleidingshoek van de AC -cyclus aan te passen, regelen TRIAC's de hoeveelheid spanning die de ventilatormotor bereikt, die op zijn beurt zijn snelheid verandert.Dit biedt soepele, continue controle in tegenstelling tot vaste snelheidsniveaus.Op triac gebaseerde ventilatorcontrollers zijn efficiënter en stiller dan oudere mechanische methoden.Ze maken ook meer compacte ontwerpen mogelijk zonder bewegende delen.Dit maakt Triacs een uitstekende keuze voor energie-efficiënte, lage-ruisonderzoek in zowel residentiële als commerciële omgevingen.
Triacs worden veel gebruikt in elektrische kachels, ovens en thermostatisch geregelde apparaten om de temperatuurniveaus te beheren.De triac werkt als een schakelaar en zet het verwarmingselement snel in en uit om een constante temperatuur te behouden.Dit snelle schakelen wordt vaak geregeld door een thermostaat of een microcontroller, die de temperatuur met behulp van sensoren bewaakt.Omdat triacs geen bewegende delen hebben, zijn ze betrouwbaarder en duurzamer dan mechanische relais.Ze zorgen ook voor meer precieze controle, waardoor het energieverbruik wordt verminderd.In keukenovens, kamerverwarmers en waterketels helpen op triac gebaseerde controlesystemen consistente prestaties en verbeterde energie-efficiëntie te bereiken.
In smart home-toepassingen maken TRIAC's de automatisering van hoogspanningsapparatuur mogelijk met behulp van laagspanningsregelsignalen.Een slimme lichtschakelaar of thermostaat kan bijvoorbeeld een TRIAC gebruiken om een 230V AC -apparaat in of uit te zetten op basis van opdrachten of omgevingssensoren.Tiacs laten microcontrollers en draadloze modules toe om apparaten zoals lichten, fans en kachels te besturen zonder grote relais of fysieke schakelaars.Dit leidt tot compactere en efficiënte smart home -apparaten.De stille operatie, het lage stroomverbruik en de betrouwbaarheid van triacs maken ze goed geschikt voor integratie in smart home-systemen die worden bestuurd door apps of spraakassistenten.
In industriële omgevingen zijn TRIAC's belangrijk voor het beheersen van machines en motordriven.Ze worden gebruikt om de voeding naar elektrische motoren, pompen en compressoren te reguleren door de fasehoek van de AC -spanning aan te passen.Dit helpt bij het beheren van snelheid, koppel en algehele energie -efficiëntie.Triacs worden ook gebruikt in relais voor vaste toestand om zware belastingen te wisselen zonder mechanische slijtage, waardoor ze betrouwbaarder zijn voor continue industriële activiteiten.Deze toepassingen profiteren van de snelle schakelmogelijkheden van Triacs, onderhoudsarme behoeften en compact ontwerp.Bij productie- en verwerkingsfabrieken dragen TRIAC's bij aan automatisering, kostenreductie en verbeterde controle over complexe elektrische systemen.
Twee veel gebruikte TRIAC -modellen zijn de BT136 en BT139.De BT136 is geschikt voor toepassingen met lage tot middelgrote stroom, hanteert maximaal 4 ampère en wordt vaak gebruikt in huishoudelijke apparaten zoals dimmers, timers en low-power controllers.De BT139 daarentegen ondersteunt hogere huidige ladingen tot 16 ampère en is beter geschikt voor industrieel of zwaarder binnenlands gebruik.Beide modellen worden meestal gekoppeld aan microcontrollers of optoisolatoren om precieze schakelen en isolatie uit controlecircuits mogelijk te maken.
Triacs zijn kleine maar krachtige gereedschappen die helpen bij het beheersen van AC -elektriciteit op veel alledaagse apparaten.Ze zijn geweldig om dingen aan en uit te zetten of te veranderen hoeveel kracht iets wordt, zoals een licht dimmen of een ventilator vertragen.Omdat ze in beide richtingen werken, besparen ze ruimte en verminderen ze het aantal onderdelen dat nodig is in een circuit.Triacs worden gevonden in huizen en fabrieken en worden vaak gecontroleerd door kleine computers zoals microcontrollers.Deze gids heeft uitgelegd hoe triacs werken, waar ze van zijn gemaakt, hoe ze te gebruiken en waar ze het meest nuttig zijn.Met deze kennis bent u klaar om te kiezen en de juiste triac te gebruiken voor uw eigen projecten of producten.
Stuur een aanvraag, we zullen onmiddellijk reageren.
Een TRIAC is ontworpen om te werken met AC (wisselstroom), niet DC.Het kan stroom in beide richtingen uitvoeren, wat overeenkomt met hoe AC zijn polariteit afgewisseld.Triacs daarentegen functioneren niet goed met DC, omdat ze eenmaal zijn ingeschakeld door een poortpuls, ze blijven gunnen en niet uitgeschakeld totdat het vermogen is gesneden, in tegenstelling tot AC waar de stroom van nature elke halve cyclus naar nul daalt, waardoor de tiac kan resetten.
Om een TRIAC als AC -schakelaar te gebruiken, verbindt u deze in serie met de AC -belasting (zoals een lamp of motor).Breng een triggerpuls aan op de poort met behulp van een besturingscircuit, hierdoor wordt de tiac ingeschakeld en laat AC -stroom door de belasting stromen.De Triac blijft tijdens die halve cyclus aan en schakelt automatisch uit wanneer de AC-stroom naar nul gaat.Voor precieze controle, zoals het inschakelen tegen een specifieke fasehoek, kunt u een DIAC- of microcontroller -circuit gebruiken om de poortpuls te timen.
Nee, een triac is geen gelijkrichter.Een gelijkrichter, zoals een diode of bruggelijkrichter, converteert AC naar DC door de stroom in slechts één richting te laten stromen.Een TRIAC is een bidirectionele schakelaar, die het vermogen in AC -circuits regelt, maar AC niet verandert in DC.In plaats van de stroom te corrigeren, schakelt het het in of uit op specifieke punten in de AC -golfvorm.
Een TRIAC is een apparaat voor vaste toestand, terwijl een relais een elektromechanische schakelaar is.Een triac schakelt AC elektronisch, stil en snel over.Het is compacter, heeft geen bewegende delen en kan worden geactiveerd door laagspanningssignalen.Een relais gebruikt een spoel en fysieke contacten om het circuit te openen of te sluiten.Het maakt een klikgeluid en kan zowel AC- als DC -ladingen schakelen, maar is langzamer en verslijt na verloop van tijd.Gebruik een triac voor snel, geruisloze en lange-leven AC-omschakeling en een relais wanneer u circuits moet isoleren of zowel AC- als DC-belastingen moet schakelen.
Een TRIAC regelt de AC-motorsnelheid door het geleidingspunt binnen elke AC-halve cyclus uit te stellen.Deze methode wordt fasehoekregeling genoemd.Door de triac later in elke cyclus aan te zetten, levert het minder vermogen aan de motor, waardoor de snelheid wordt verminderd.De timing wordt geregeld door een poorttriggercircuit, vaak met een diac of microcontroller.Deze methode wordt vaak gebruikt in universele motoren, zoals die in fans, blenders of oefeningen.
Om een triac met een multimeter te testen, verbindt u deze eerst van elk circuit en stelt u uw analoge multimeter in op het bereik van de lage weerstand (OHM).Plaats de zwarte sonde op MT1 en de rode op MT2 - er zou geen lezing moeten zijn.Sluit vervolgens een 1KΩ -weerstand aan tussen de poort en MT1 en tik kort op de poort met de rode sonde terwijl het zwart op MT1 en rood op MT2 houdt;Als de tiac werkt, vertoont de meter nu een lage weerstand.Keer de sondes op MT1 en MT2 om en herhaal de poortpuls - nogmaals, deze zou moeten leiden.Zodra het poortsignaal is verwijderd en de stroomdruppels is, moet de lezing teruggaan naar een hoge weerstand.Dit bevestigt de triac -schakelaars en houdt correct vast.Voor meer nauwkeurige resultaten kan een live -test met een AC -belasting en drukknop worden gebruikt.
Op 2025/04/21
Op 2025/04/18
Op 8000/04/18 147757
Op 2000/04/18 111936
Op 1600/04/18 111349
Op 0400/04/18 83721
Op 1970/01/1 79508
Op 1970/01/1 66909
Op 1970/01/1 63046
Op 1970/01/1 63012
Op 1970/01/1 54081
Op 1970/01/1 52127